Position: Home > Circuit Diagram > Amplifier Circuit > Index 244
Low Cost Custom Prototype PCB Manufacturer

Amplifier Circuit

Index 244



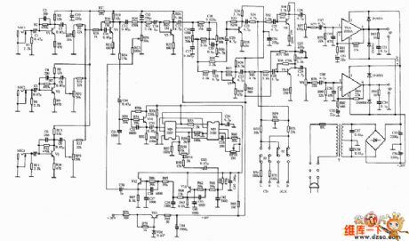
Sony CA3000 amplifier circuit

Published:2011/3/25 3:07:00 Author:may | Keyword: amplifier

Sony CA3000 amplifier circuit
Sony CA3000 amplifier circuit is shown in the following diagram:   (View)

View full Circuit Diagram | Comments | Reading(3959)

Single-supply amplifier circuit

Published:2011/3/25 3:01:00 Author:may | Keyword: Single-supply amplifier

Single-supply amplifier circuit
Single-supply amplifier circuit is shown in the diagram:   (View)

View full Circuit Diagram | Comments | Reading(445)

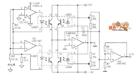
Ultra-stable zero amplifier circuit

Published:2011/3/21 0:57:00 Author:may | Keyword: Ultra-stable, zero, ampilifier

Ultra-stable zero amplifier circuit
Ultra-stable zero amplifier circuit is show in the following diagram:   (View)

View full Circuit Diagram | Comments | Reading(527)

Feedback amplifier TPS5904 circuit

Published:2011/3/21 1:47:00 Author:may | Keyword: Feedback amplifier

Feedback amplifier TPS5904 circuit
Feedback amplifier TPS5904 circuit is show in the diagram:   (View)

View full Circuit Diagram | Comments | Reading(692)

Circuit composed of isolation amplifier Burr-Brown3652

Published:2011/3/21 2:02:00 Author:may | Keyword: isolation amplifier

Circuit composed of isolation amplifier Burr-Brown3652
Circuit composed of isolation amplifier Burr-Brown3652 is show in the diagram:   (View)

View full Circuit Diagram | Comments | Reading(536)

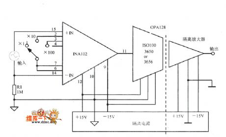
Isolation amplifier IS0100 connection circuit

Published:2011/3/21 1:50:00 Author:may | Keyword: Isolation amplifier, connection

Isolation amplifier IS0100 connection circuit
Isolation amplifier IS0100 connection circuit is show in the diagram:   (View)

View full Circuit Diagram | Comments | Reading(705)

Bridge mode power amplifier circuit

Published:2011/3/21 0:56:00 Author:may | Keyword: Bridge mode power amplifier

Bridge mode power amplifier circuit
Bridge mode power amplifier circuit is show in the following picture:   (View)

View full Circuit Diagram | Comments | Reading(1065)

DC/DC optical isolation circuit diagram

Published:2011/4/1 22:53:00 Author:Rebekka | Keyword: DC/DC optical isolation

DC/DC optical isolation circuit diagram
The circuit is uesd for SCR converter propducing input isolation. Linearity within 2%. The Loop gain of Operational Amplifier has a small influence on the Turn-on voltage of LED.   (View)

View full Circuit Diagram | Comments | Reading(1007)

Amplifier circuit

Published:2011/3/18 3:25:00 Author: | Keyword: Amplifier

Amplifier circuit
Amplifier circuit is show in the following diagram:   (View)

View full Circuit Diagram | Comments | Reading(0)

Inverting amplifier circuit

Published:2011/3/18 3:33:00 Author: | Keyword: Inverting amplifier

Inverting amplifier circuit
Inverting amplifier circuit is show in the following diagram:   (View)

View full Circuit Diagram | Comments | Reading(0)

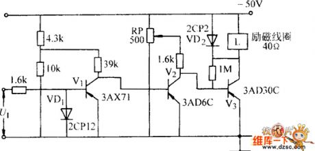
DC amplifier circuit

Published:2011/3/21 0:57:00 Author:may | Keyword: DC amplifier

DC amplifier circuit
DC amplifier circuit is show in the following diagram:   (View)

View full Circuit Diagram | Comments | Reading(673)

Isolation amplifier with photodiode circuit

Published:2011/3/21 1:58:00 Author:may | Keyword: Isolation amplifier

Isolation amplifier with photodiode circuit
Isolation amplifier with photodiode circuit is show in the diagram:   (View)

View full Circuit Diagram | Comments | Reading(668)

Isolation amplifier IS0122 circuit

Published:2011/3/21 1:22:00 Author:may | Keyword: Isolation amplifier

Isolation amplifier IS0122 circuit
Isolation amplifier IS0122 circuit is show in the diagram:   (View)

View full Circuit Diagram | Comments | Reading(597)

Practical isolation amplifier circuit

Published:2011/3/21 1:44:00 Author:may | Keyword: isolation amplifier

Practical isolation amplifier circuit
Practical isolation amplifier circuit is show in the diagram:   (View)

View full Circuit Diagram | Comments | Reading(2511)

Isolation amplifier IS0212P circuit

Published:2011/3/21 0:57:00 Author:may | Keyword: Isolation amplifier

Isolation amplifier IS0212P circuit
Isolation amplifier IS0212P circuit is show in the following diagram:   (View)

View full Circuit Diagram | Comments | Reading(555)

High power DC amplifier circuit

Published:2011/3/27 22:16:00 Author:may | Keyword: DC amplifier, High power amplifier

High power DC amplifier circuit
High power DC amplifier circuit is shown in the diagram:   (View)

View full Circuit Diagram | Comments | Reading(584)

IF amplification circuit

Published:2011/3/27 22:25:00 Author:may | Keyword: IF amplification

IF amplification circuit
IF amplification circuit is shown in the diagram:   (View)

View full Circuit Diagram | Comments | Reading(487)

887~924MHz power amplifier circuit consist of RF2152

Published:2011/3/21 0:56:00 Author:may | Keyword: 887~924MHz, mplifier

887~924MHz power amplifier circuit consist of RF2152
887~924MHz power amplifier circuit consist of RF2152 is show in the following diagram:   (View)

View full Circuit Diagram | Comments | Reading(464)

Amplifier circuit with output current

Published:2011/3/21 0:56:00 Author:may | Keyword: Amplifier, output current

Amplifier circuit with output current
Amplifier circuit with output current is show in the following diagram:   (View)

View full Circuit Diagram | Comments | Reading(474)

Serviceable bridge amplifier circuit

Published:2011/3/21 0:56:00 Author:may | Keyword: bridge amplifier

Serviceable bridge amplifier circuit
Serviceable bridge amplifier circuit is show in the following picture:   (View)

View full Circuit Diagram | Comments | Reading(506)

Pages:244/250 At 20241242243244245246247248249250