Position: Home > Circuit Diagram > Amplifier Circuit > Index 242
Low Cost Custom Prototype PCB Manufacturer

Amplifier Circuit

Index 242



Computer optical isolation interface circuit diagram

Published:2011/4/13 20:07:00 Author:Rebekka | Keyword: Computer optical isolation interface

Computer optical isolation interface circuit diagram
The circuit uses photocoupler isolates computer and perpheral device. IC2 is photocoupler device; IC1 is threshold comparator, threshold voltage is adjusted by P1; The lowpass filter is composed of R2 and C1. It stops IC1 loss of working time and triggering. When TTL outputs 0 , point junior IC2, and its secondary one will be turned on. It makes IC1 outputs 1; On the other hand, it outputs 0 .   (View)

View full Circuit Diagram | Comments | Reading(752)

DAC082 and MCU interface circuit diagram

Published:2011/4/11 3:43:00 Author:Rebekka | Keyword: MCU interface

DAC082 and MCU interface circuit diagram
DAC082 and MCU interface circuit diagram is shown as below.   (View)

View full Circuit Diagram | Comments | Reading(648)

OCL and OTL amplifier circuit diagram connected by SF404

Published:2011/4/11 3:52:00 Author:Rebekka | Keyword: OCL and OTL

OCL and OTL amplifier circuit diagram connected by SF404
The features are: High fidelity, high driving ability, high thermal stability, wide supply voltage adaptation, reliable and also does a good job in the areas of DC, AC, transient characteristics. It is flexible in peripheral component interconnect. It can conect a variety of application circuit. OCL and OTL Connecting with SF404 PA circuit diagram is shown as below.   (View)

View full Circuit Diagram | Comments | Reading(1209)

High-precision light control drive circuit diagram

Published:2011/4/1 3:42:00 Author:Nicole | Keyword: light control drive, high-precision

High-precision light control drive circuit diagram
  (View)

View full Circuit Diagram | Comments | Reading(445)

Laser and drive circuit diagram

Published:2011/4/1 3:40:00 Author:Nicole | Keyword: Laser

Laser and drive circuit diagram
  (View)

View full Circuit Diagram | Comments | Reading(515)

Instrument amplification circuit diagram with convenient usage

Published:2011/4/1 3:41:00 Author:Nicole | Keyword: instrument amplification

Instrument amplification circuit diagram with convenient usage
  (View)

View full Circuit Diagram | Comments | Reading(500)

Astable circuit diagram with start-oscillation easily

Published:2011/4/1 3:38:00 Author:Nicole | Keyword: start-oscillation

Astable circuit diagram with start-oscillation easily
  (View)

View full Circuit Diagram | Comments | Reading(495)

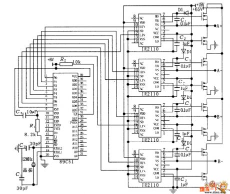
DSZ100 Type power H bridge driver circuit diagram

Published:2011/4/11 4:17:00 Author:Rebekka | Keyword: Type power H bridge driver

DSZ100 Type power H bridge driver circuit diagram
DSZ100 Type power H bridge driver circuit diagram is shown as below.   (View)

View full Circuit Diagram | Comments | Reading(812)

IPM gate pole signal isolation driver circuit diagram

Published:2011/4/11 4:17:00 Author:Rebekka | Keyword: IPM gate pole signal isolation driver

IPM gate pole signal isolation driver circuit diagram
IPM gate pole signal isolation driver circuit diagramis shown as below.   (View)

View full Circuit Diagram | Comments | Reading(825)

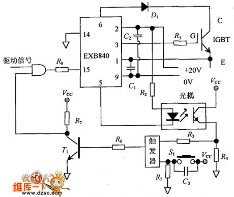
Composing of EXB841 drive circuit diagram

Published:2011/4/11 4:11:00 Author:Rebekka | Keyword: driver circuit

Composing of EXB841 drive circuit diagram
Composing of EXB841 drive circuit diagramis shown as below.   (View)

View full Circuit Diagram | Comments | Reading(1800)

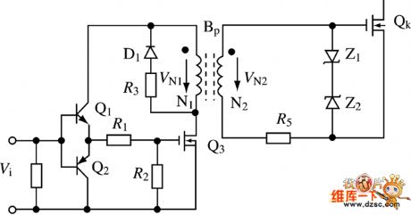
Power NMOS tube high and low voltage drive circuit diagram

Published:2011/4/11 4:15:00 Author:Rebekka | Keyword: Power NMOS tube, high and low voltage drive

Power NMOS tube high and low voltage drive circuit diagram
Power NMOS tube high and low voltage drive circuit diagram is shown as below.   (View)

View full Circuit Diagram | Comments | Reading(501)

AD9238 Op amp drive circuit diagram

Published:2011/4/11 4:12:00 Author:Rebekka | Keyword: Op amp drive

AD9238 Op amp drive circuit diagram
AD9238 Op amp drive circuit diagramis shown as below.   (View)

View full Circuit Diagram | Comments | Reading(793)

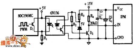
80C196MC to IPM gate drive circuit diagram

Published:2011/4/11 4:14:00 Author:Rebekka | Keyword: IPM gate drive

80C196MC to IPM gate drive circuit diagram
80C196MC to IPM gate drive circuit diagram is shown as below.   (View)

View full Circuit Diagram | Comments | Reading(1053)

DC1500V Auxiliary converter IGBT gate driver circuit diagram

Published:2011/4/11 4:14:00 Author:Rebekka | Keyword: Auxiliary converter, IGBT gate drive

DC1500V Auxiliary converter IGBT gate driver circuit diagram
DC1500V Auxiliary converter IGBT gate driver circuit diagram is shown as below.   (View)

View full Circuit Diagram | Comments | Reading(1814)

MOS passive matrix drive circuit diagram

Published:2011/4/11 4:14:00 Author:Rebekka | Keyword: passive matrix drive

MOS passive matrix drive circuit diagram
MOS passive matrix drive circuit diagram is shown as below.   (View)

View full Circuit Diagram | Comments | Reading(660)

DC speed control system matlab modeling and simulation-driven circuit diagram

Published:2011/4/11 4:13:00 Author:Rebekka | Keyword: DC speed control system , matlab modeling , simulation-driven

DC speed control system matlab modeling and simulation-driven circuit diagram
DC speed control system matlab modeling and simulation-driven circuit diagram is shown as below.   (View)

View full Circuit Diagram | Comments | Reading(1127)

Display reception decryption drive circuit diagram

Published:2011/4/1 3:37:00 Author:Nicole | Keyword: display drive, reception drive, decryption drive

Display reception decryption drive circuit diagram
  (View)

View full Circuit Diagram | Comments | Reading(477)

Control and power drive circuit diagram

Published:2011/4/1 3:36:00 Author:Nicole | Keyword: control drive, power drive

Control and power drive circuit diagram
  (View)

View full Circuit Diagram | Comments | Reading(2034)

Parallel optical transmit module drive circuit diagram

Published:2011/4/1 3:36:00 Author:Nicole | Keyword: Parallel optical transmit module drive

Parallel optical transmit module drive circuit diagram
  (View)

View full Circuit Diagram | Comments | Reading(550)

Compose of OPA541AP audio power amplifier circuit diagram

Published:2011/4/11 3:46:00 Author:Rebekka | Keyword: audio power amplifier

Compose of OPA541AP audio power amplifier circuit diagram
Compose of OPA541AP audio power amplifier circuit diagramis shown as below.   (View)

View full Circuit Diagram | Comments | Reading(2501)

Pages:242/250 At 20241242243244245246247248249250