Position: Home > Circuit Diagram > Amplifier Circuit > Index 245
Low Cost Custom Prototype PCB Manufacturer

Amplifier Circuit

Index 245



2GHZ Broadband amplifier circuit diagram

Published:2011/3/31 20:25:00 Author:Rebekka | Keyword: Broadband amplifier

2GHZ Broadband amplifier circuit diagram
2GHZ Broadband amplifier circuit diagram is shown as below.   (View)

View full Circuit Diagram | Comments | Reading(535)

Simple reversed stereo amplifier circuit diagram

Published:2011/3/31 22:35:00 Author:Rebekka | Keyword: Simple reversed stereo amplifier

Simple reversed stereo amplifier circuit diagram
Simple reversed stereo amplifier circuit diagram is shown as below.   (View)

View full Circuit Diagram | Comments | Reading(603)

Photoelectric isolator drive circuit diagram

Published:2011/3/29 3:33:00 Author:Nicole | Keyword: Photoelectric isolator drive

Photoelectric isolator drive circuit diagram
  (View)

View full Circuit Diagram | Comments | Reading(448)

LM4916 Single-channel stereo headphone amplifier circuit diagram

Published:2011/3/29 2:44:00 Author:Rebekka | Keyword: LM4916, Single-channel stereo headphone amplifier

LM4916 Single-channel stereo headphone amplifier circuit diagram
LM4916 is a single-channel(SE) stereo headphone amplifier that has 2 Mono differential output audio power amplifiers(Bridge or BTL load) single-ended (SE) stereo headphone amplifier. It is mainly used for mobile phones and other portable audio devices. LM4916 uses 1.5V power supply. Mono BTL model can output 85mW. Mono BTL mode can promote continuous average power into an 8Ω load. Each channel of single-ended (SE) stereo headset can output 14mW and the continuous average power drives 16Ω load. LM4916 uses MM and LLP encapsulation. The user will thanks to its small size. The smallest share of the PCB board space and get the maximum output power. LM4916 reduces switch-off instant noise. It has a external controller, active-low micropower shutdown mode and an internal thermal shutdown protection agency. The pinout of LM4916 is shown as below.   (View)

View full Circuit Diagram | Comments | Reading(1173)

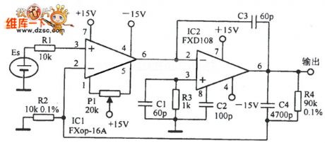
Logarithmic Amplifier Circuit

Published:2011/3/17 1:00:00 Author: | Keyword: Logarithmic Amplifier

Logarithmic Amplifier Circuit
Logarithmic Amplifier Circuit is show in the following picture:   (View)

View full Circuit Diagram | Comments | Reading(0)

Amplifier With Multipath Buffer Circuit

Published:2011/3/22 3:48:00 Author:may | Keyword: amplifier, multipath buffer

Amplifier With Multipath Buffer Circuit
Amplifier With Multipath Buffer Circuit is shown in the following picture:   (View)

View full Circuit Diagram | Comments | Reading(521)

Resistance Bridge Amplifying Circuit With High Performance

Published:2011/3/22 3:49:00 Author:may | Keyword: Resistance Bridge Amplifying, High Performance

Resistance Bridge Amplifying Circuit With High Performance
The Resistance Bridge Amplifying Circuit With High Performance is shown in the following picture:   (View)

View full Circuit Diagram | Comments | Reading(440)

Serviceable Battery Buffer Amplifier Circuit

Published:2011/3/22 3:46:00 Author:may | Keyword: serviceable, battery buffer amplifier

Serviceable Battery Buffer Amplifier Circuit
Serviceable Battery Buffer Amplifier Circuit is shown in the following picture:   (View)

View full Circuit Diagram | Comments | Reading(642)

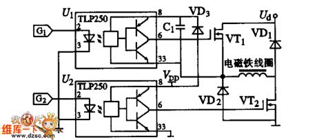
Magnetic axis isolation drive circuit diagram

Published:2011/3/29 20:00:00 Author:Nicole | Keyword: Magnetic axis isolation drive

Magnetic axis isolation drive circuit diagram
  (View)

View full Circuit Diagram | Comments | Reading(578)

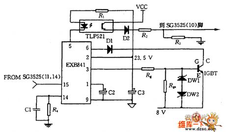
EXB841 drive circuit diagram

Published:2011/3/29 19:56:00 Author:Nicole | Keyword: EXB841 drive

EXB841 drive circuit diagram
  (View)

View full Circuit Diagram | Comments | Reading(2250)

Synchronous rectifier drive circuit diagram

Published:2011/3/29 19:54:00 Author:Nicole | Keyword: synchronous rectifier drive

Synchronous rectifier drive circuit diagram
  (View)

View full Circuit Diagram | Comments | Reading(1337)

500MHz broadband amplification circuit diagram with low cost

Published:2011/3/29 3:59:00 Author:Nicole | Keyword: 500MHz broadband amplification

500MHz broadband amplification circuit diagram with low cost
  (View)

View full Circuit Diagram | Comments | Reading(464)

Butterfly valve drive circuit diagram

Published:2011/3/29 3:58:00 Author:Nicole | Keyword: butterfly valve

Butterfly valve drive circuit diagram
  (View)

View full Circuit Diagram | Comments | Reading(827)

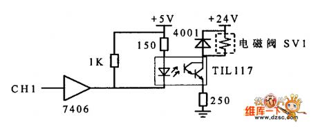
Solenoid valve drive circuit diagram

Published:2011/3/29 3:54:00 Author:Nicole | Keyword: solenoid valve drive

Solenoid valve drive circuit diagram
  (View)

View full Circuit Diagram | Comments | Reading(1699)

Bridge power drive circuit diagram

Published:2011/3/29 3:52:00 Author:Nicole | Keyword: Bridge power drive

Bridge power drive circuit diagram
  (View)

View full Circuit Diagram | Comments | Reading(511)

IPM gate interlock drive circuit diagram

Published:2011/3/29 3:52:00 Author:Nicole | Keyword: IPM, gate interlock drive

IPM gate interlock drive circuit diagram
  (View)

View full Circuit Diagram | Comments | Reading(495)

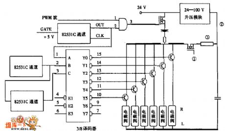
Injector pulse composite circuit and solenoid valve drive circuit diagram

Published:2011/3/29 3:50:00 Author:Nicole | Keyword: injector pulse composite circuit, solenoid valve drive

Injector pulse composite circuit and solenoid valve drive circuit diagram
  (View)

View full Circuit Diagram | Comments | Reading(1745)

Transformer isolation drive circuit diagram

Published:2011/3/29 3:48:00 Author:Nicole | Keyword: transformer isolation drive

Transformer isolation drive circuit diagram
  (View)

View full Circuit Diagram | Comments | Reading(531)

20TU solenid valve drive circuit diagram

Published:2011/3/29 3:47:00 Author:Nicole | Keyword: 20TU, solenid valve drive

20TU solenid valve drive circuit diagram
  (View)

View full Circuit Diagram | Comments | Reading(484)

High voltage drive circuit diagram

Published:2011/3/29 3:45:00 Author:Nicole | Keyword: high voltage drive

High voltage drive circuit diagram
  (View)

View full Circuit Diagram | Comments | Reading(515)

Pages:245/250 At 20241242243244245246247248249250