Published:2011/7/8 4:45:00 Author:Christina | Keyword: Xiaoshentong, automatic, washing machine, principle diagram
Xiaoshentong XQB40-F automatic washing machine circuit principle diagram is as shown in the figure:
(View)
View full Circuit Diagram | Comments | Reading(2693)
Published:2011/7/8 5:25:00 Author:Christina | Keyword: Typical application
The typical application circuit of the TSS400-S1/S2 is as shown in the figure. This system uses the 3V lithium battery (E) as the power supply, the C1 and C2 are the power-supply decoupling capacitance. The crystal frequency is 32.768kHz. The external memories uses two pieces of 512 bytes 24C04 type E2PROM. The silicon pressure sensor is in the range of dotted line. You can get the measurement accuracy that is equivalent with the voltage value of 12-bit ADC by using the temperature compensation software. The analog circuit of the figure is connected with the USDD port, and it supplies power to the sensor only when the circuit need the A/D conversion, this can save the power consumption of the whole system.
(View)
View full Circuit Diagram | Comments | Reading(596)
Published:2011/7/8 5:18:00 Author:Christina | Keyword: High input, high output, integrated, voltage stabilization, power supply
View full Circuit Diagram | Comments | Reading(556)
Published:2011/7/8 5:17:00 Author:Christina | Keyword: Boost circuit, integrated voltage stabilizer
View full Circuit Diagram | Comments | Reading(598)
Published:2011/7/10 3:07:00 Author:leo | Keyword: A/D convertor, luminance signals processing circuit


TLC5733MPM is a kind of A/D convertor integrated circuit produced by Toshiba. It is used to convert the A/D signals in the DTV.
1.Function features:The integrated circuit TLC5733MPM contains A/D converting 8 bits luminance signals processing circuit and 8 bits color signal processing solution circuit, memory circuit, mode control circuit, center U, V signal processing circuit, NTSC/PAL switch converting control circuit, main luminance signal processing circuit as well as other related circuit.
2.Pin functions and related data:TLC5733MPM adopts 64 pins dual line package. Its functions and related data are shown in the picture. (View)
View full Circuit Diagram | Comments | Reading(613)
Published:2011/7/10 3:18:00 Author:leo | Keyword: Signal chip playback, complete function



LA4585M is a type of signal chip playback integrated circuit produced by Sanyo Company. It has complete function and is widely used in Sony walk man and micro players.
1.Main functions:LA4585M contains dual channel fronted amplifier, dual channel power amplifier, system control circuit, bass improving circuit as well as peripheral circuit, such as auto reverse, audio source converting, dynamic audio source improving, auto volume limiting, noise control and other functions. LA4585M uses 36 pins package whose work voltage is 3 V and its pin functions are shown in the picture.
2.LA4585M classic applying circuit
3. Singal process
(View)
View full Circuit Diagram | Comments | Reading(924)
Published:2011/7/8 4:58:00 Author:Christina | Keyword: Typical application
Typical application circuit of the AD7714 is as shown in the figure. The UDD port and UDDA port of AD7714 can be connected with the +3V or +5V power supply. The analog input port is configurated into three differential input ports. The AD780 can supply the accurate +2.5V reference voltage. When you connect the CS non-terminal with the DGND, the AD7714 is configurated into the 3-wire serial interfaces. The quartz crystal supplies the main clock. In some special applications, the UDD and UDDA ports are drived by two independent power supplies.
(View)
View full Circuit Diagram | Comments | Reading(826)
Published:2011/7/8 4:52:00 Author:Christina | Keyword: interface circuit
The ADSP-2103 or the ADSP-2105 is designed as one kind of digital signal processor that is produced by the ADI company. The interface circuit of the AD7714 and the ADSP-2103/2105 are as shown in the figure. You can configurate the RFS and TES non-terminal of the ADSP-2103/2105 as the effective output port, and configurate the SCLK port as the serial clock output port. The POL port of the AD7714 is connected with the low level. In order to ensure the normal operation of the AD7714, the serial clock frequency of the ADSP-2103/2105 need to limit in the range of 0-3MHz.
(View)
View full Circuit Diagram | Comments | Reading(677)
Published:2011/7/8 5:45:00 Author:Christina | Keyword: Application circuit, resistance strain instrument


The application circuit of the ADT70 in the resistance strain instrument is as shown in the figure. The measuring bridge is composed of the temperature compensation chip R1, the measurement strain gauge chip R2, the no-sense line resistances R3 and R4. Their nominal values are 1kΩ. The operating current of the bridge channel is supplies by the IOUTA and IOUTB port, the current that flows through every bridge arm is 1mA. When there is no external force, you can adjust the bridge in balance.
In this formula, the E is the bridge voltage. The △u is amplified by A1 and A2 to get the output voltage, and it is added to the DVM. The overall gain of the strain instrument and the calibration of the meter can be set by adjusting the resistance of R5, R6 and R7. (View)
View full Circuit Diagram | Comments | Reading(623)
Published:2011/7/8 5:34:00 Author:Christina | Keyword: Goldfish, washing machine, principle diagram
The Goldfish XQB30-21S washing machine circuit principle diagram is as shown in the figure:
(View)
View full Circuit Diagram | Comments | Reading(5041)
Published:2011/7/8 5:33:00 Author:Christina | Keyword: Two-way, transfer switch, typical circuit
The dual positive edge triggered D trigger with the preset and clear functions and the analog change-over switch SW7510EQ are as shown in the figure. The control codes and the switch states are as shown in the table:
(View)
View full Circuit Diagram | Comments | Reading(732)
Published:2011/7/8 5:26:00 Author:Christina | Keyword: High input, high output, integrated, voltage stabilization, power supply
View full Circuit Diagram | Comments | Reading(562)
Published:2011/7/8 9:37:00 Author:Lucas | Keyword: Three non-steady-state
View full Circuit Diagram | Comments | Reading(545)
Published:2011/7/10 1:17:00 Author:Lucas | Keyword: Three-phase motor , double speed , 2Y / Y connection , speed regulation
When you press the start button STL, the AC contactor KML gets electric, then the motor M is connected as Y; when you press STH, the AC contactors 1KMH and 2KMH get power to pull in, then the motor M is connected as 2Y to operate in high speed. STP is stop button for the machine.
(View)
View full Circuit Diagram | Comments | Reading(8585)
Published:2011/7/8 9:41:00 Author:Lucas | Keyword: Rongshida , tube washing machine
View full Circuit Diagram | Comments | Reading(2133)
Published:2011/7/8 9:37:00 Author:Lucas | Keyword: Three non-steady-state
View full Circuit Diagram | Comments | Reading(496)
Published:2011/7/8 22:48:00 Author:Lucas | Keyword: Three-phase , motor braking
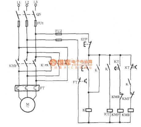
When braking, you should press the stop button STP, then AC contactor KMF (or KMR, KMF is forward contactor, KMR is the reverse contactor, 1SA, 2SA are the trip switches) loses power and releases, the motor M leaves from the AC power supply, and the normally closed contact KMF or KMR restores closed state, and KM coil gets electric and pulls in, and the main contacts close, then AC is added to the M stator windings by the main contact of KM and rectified into DC by the rectifier diodes VD1, VD2 to make motor brake quickly. At this time, due to KMF's (or KMR) normally open auxiliary contact is disconnected, the time relay KT coil is energized.
(View)
View full Circuit Diagram | Comments | Reading(3748)
Published:2011/7/8 22:14:00 Author:Lucas | Keyword: Three-phase motor, braking
The circuit shown as chart is a simpledynamic braking circuit with addingan AC contactor KMB and rectifier diode VDon the basic ofthe original magnetic starter KM.
(View)
View full Circuit Diagram | Comments | Reading(4197)
Published:2011/7/10 2:19:00 Author:Lucas | Keyword: Three-phase motor , winding reverse connection, check circuit
Three-phase motor winding or a coil is embedded reversely, due to the direction of winding current flowing changes reversely, it will cause three-phase motor vibration, noise, and a serious imbalance in three-phase current, motor overheating, speed reducing, and the motor even can not start, and the fuse is blown. In general, one winding is reversed as external leads being connected correctly. Microampere meter block is available for inspection as this time, and the circuit is shown as the chart. When operation, the three-phase windings are connected at the head and tail according to the marks, then turn the three-phase motor rotor by hand, if the table pointer does not move, then the winding head and tail are connected correctly as shown in Figure (a).
(View)
View full Circuit Diagram | Comments | Reading(2994)
Published:2011/7/8 6:23:00 Author:Lucas | Keyword: Three-phase, motor , transistor , automatic limiting reversing
The circuitshown in the chart usestime relay KT, pulse transistor JJSB1, time relay,and ithas normally open, normally closed contacts with adjustable time,ifit is addedtherelay K, the circuit will automatically limit time and operatefrom positive toreverse.
(View)
View full Circuit Diagram | Comments | Reading(1397)
| Pages:378/471 At 20361362363364365366367368369370371372373374375376377378379380Under 20 |