Position: Home > Circuit Diagram > Basic Circuit > Index 67
Low Cost Custom Prototype PCB Manufacturer

Basic Circuit

Index 67



Single-phase current drying and heating motor winding circuit

Published:2012/11/8 21:17:00 Author:Ecco | Keyword: Single-phase , current drying, heating , motor winding

Single-phase current drying and heating motor winding circuit
If the motor is dormant for long time or soaked in the ridge edge of a farm in rainy season. After being tested by 500V megger, if the motor insulation resistance is less than 0.5 megohm, the motor has been exposed to be moisture, then the drying treatment must be carried out. The single-phase current heating method for drying treatment of the motor windings is shown as the figure.   (View)

View full Circuit Diagram | Comments | Reading(1283)

Proximity switch circuit

Published:2012/11/8 21:13:00 Author:Ecco | Keyword: Proximity switch

Proximity switch circuit
The circuit comprises an oscillator circuit, and its oscillation frequency is 100kHz. It starts oscillation when the metal block closes to the oscillator circuit. When the oscillation loop is not affected when the supply voltage varies between 3 ~ 9V. The circuit can not only be used as a mechanical terminal switch, but can also be used as speed transmitter, when machine parts pass through the air gap, it will generate a pulse.   (View)

View full Circuit Diagram | Comments | Reading(947)

Flashing light indication light switch circuit

Published:2012/11/8 20:55:00 Author:Ecco | Keyword: Flashing light , indication , light switch

Flashing light indication light switch circuit
When S is closed, the light E is lit normally, flashing light indication circuit does not work because of losing power. When S is open, 220V AC is rectified by bulb E and diode VD1, and buck limited by R to charge for the capacitor C. The circuit uses the charging and discharging principle of capacitor C and two - way trigger diode VDH negative resistance to form a relaxation oscillator, so light-emitting tube LED flashes at night, and it is very eye-catching to make it easy to find the switch position.   (View)

View full Circuit Diagram | Comments | Reading(1386)

One-key touching light switch circuit (5 )

Published:2012/11/8 20:43:00 Author:Ecco | Keyword: One-key, touching light , switch

One-key touching light switch circuit (5 )
As shown in figure, it uses weak current luminous neon tube and a novel memory SELF-LOCKI relay to form one - key touching light switch, and the on-off of bulb E is not only can be controlled through the touching manner, and The switch 's own consumption is microampere magnitude both in the on or off state. In addition, it can control start or stop of various household appliances. In the Figure, RL is MG45 photoresistor; K should adopt ZS-01F memory self-locking relay with 12V working voltage.   (View)

View full Circuit Diagram | Comments | Reading(1367)

CMOS NAND GATE FORMS GATED 125KHZ OSCILLATOR

Published:2012/11/8 1:29:00 Author:muriel | Keyword: CMOS NAND GATE, 125KHZ , OSCILLATOR

CMOS NAND GATE FORMS GATED 125KHZ OSCILLATOR
  (View)

View full Circuit Diagram | Comments | Reading(1320)

Simple Circuit Provides +5V Gate Bias from -48V Input

Published:2012/11/8 1:28:00 Author:muriel | Keyword: Simple Circuit, +5V Gate Bias, -48V Input

Simple Circuit Provides +5V Gate Bias from -48V Input
A similar version of this article appeared in the September 19, 2002 issue of EDN magazine.A small and simple circuit (Figure 1) derives +5V from the -48V rail widely used in telecom applications. Useful for gate bias and other purposes, the 5V supply delivers up to 5mA. A shunt reference (U1) defines -5V as ground reference for a charge pump (U2), and the charge pump doubles this 5V difference (between system ground and charge pump ground) to produce +5V with respect to the system ground.The shunt reference maintains 5V across its terminals by regulating its own current (IS), which in turn is determined by the value of R. Current through R (IR) is fairly constant, and varies only with the input voltage. IR, the sum of the charge-pump and shunt-reference currents (IR = ICP + IS), has maximum and minimum values set by the shunt reference.   (View)

View full Circuit Diagram | Comments | Reading(799)

Inverter speed control circuit with a frequency meter operation box

Published:2012/11/6 20:26:00 Author:Ecco | Keyword: Inverter , speed control , frequency meter, operation box

Inverter speed control circuit with a frequency meter operation box
FR-AX is a frequency meter operation box. This operation box has the frequency meter and frequency setting potentiometer (it is not shown in figure) for manual control of the inverter to achieve positive and reverse speed and self - start control.   (View)

View full Circuit Diagram | Comments | Reading(1507)

AIDS key circuit with Hall transmitter

Published:2012/11/6 20:40:00 Author:Ecco | Keyword: AIDS key , Hall transmitter

AIDS key circuit with Hall transmitter
It uses magnetic components or Hall element to form a non-contact switch. Figure a shows a simple structure. The circuit shown in Figure b uses the operational amplifier TAA861 with high amplification capability, two reverse magnetic fields input the pure signal to operational amplifier through the Hall element is twice of a magnetic field. In this magnetic circuit system, switch tap is near zero point of the magnetization curve to make the maximum inductance variation amount.   (View)

View full Circuit Diagram | Comments | Reading(1216)

Magnetic terminal switch circuit

Published:2012/11/6 20:55:00 Author:Ecco | Keyword: Magnetic terminal , switch

Magnetic terminal switch circuit
The differential magnetic sensing element GV3 can constitute terminal switch with accuracy <0.001mm. The circuit can be supplied by 20V power supply or 5V power supply shared with TTL circuit. Circuit current is about 1A. Figure A shows a mechanical structure of the terminal switch, b shows the circuit structure. Diode BAY61 is used to separate the feedback circuit and bridge circuit. The capacitor connected to the op amp input terminal is used to reduce possible interference voltage.   (View)

View full Circuit Diagram | Comments | Reading(1042)

Single-phase motor winding tap H connection three-speed circuit

Published:2012/11/6 21:27:00 Author:Ecco | Keyword: Single-phase motor, winding tap , H connection , three-speed

Single-phase motor winding tap H connection three-speed circuit
The circuit is shown as the figure. After the speed winding LD and auxiliary winding LA are connected in series, then they are connected between main winding LR's tap and power supply. LD and LA are in the same groove with the same phase. Speed control principle: the circuit make LR upper part, the second part and auxiliary winding LA part form inconsistent-phase three asymmetric phases.   (View)

View full Circuit Diagram | Comments | Reading(3352)

The single-phase motor connected capacitor series-parallel three-speed circuit

Published:2012/11/5 20:20:00 Author:Ecco | Keyword: single-phase motor , connected capacitor, series-parallel , three-speed

The single-phase motor connected capacitor series-parallel three-speed circuit
When it is governing, the primary and secondary windings can be connected in series to achieve a buck governor. If the capacitor is connected to auxiliary winding La in parallel, it will play a phase-shifting effect on LA current to change to a different electric capacity and get different rotational speed. When it runs at a high speed​​, switches S1 , S2 are put in the illustrated position; when it is in the medium speed, S1 is ON, S2 is turned to the position of ④; when it is in a low speed, S1 is connected to ②, S3 is turned to ⑤. The capacity of C1 should be less than the capacity of C2 in circuit.   (View)

View full Circuit Diagram | Comments | Reading(2376)

Single-phase motor winding tap L-1 connection three-speed circuit

Published:2012/11/5 20:26:00 Author:Ecco | Keyword: Single-phase motor, winding tap , L-1 connection , three-speed

Single-phase motor winding tap L-1 connection three-speed circuit
The speed control switch SA increases a medium-speed gear. When SA is allocated to the medium speed II , a part of the governor winding is connected to the auxiliary winding LA, another part is connected in series to the main winding LR, so that the motor is running in the medium speed. The characteristics of the L-1 connection: the main winding LR and governor winding LD are distributed in the same slot with the same phase, and all the windings are involved in the high, medium and low speed operation.   (View)

View full Circuit Diagram | Comments | Reading(4537)

Single-phase motor winding tap L-2 connection two-speed circuit

Published:2012/11/5 20:39:00 Author:Ecco | Keyword: Single-phase motor, winding tap, L-2 connection, two-speed

Single-phase motor winding tap L-2 connection two-speed circuit
As shown in figure, in the L-2 connection, the governor winding LD and the auxiliary winding LA are embedded in the same groove, so they have the same phase. In the same slot, the governor winding LD is wound on the up position, the auxiliary winding LA is wound lower, and they have the same diameter. When SA is put to Ⅱ gear, motor speed is the maximu, the both ends of main winding LR are applied to the rating voltage; while it is in the position of I , LR is connected to governor winding LD in series, so the motor speed reduces.   (View)

View full Circuit Diagram | Comments | Reading(4562)

Inductive switch circuit

Published:2012/11/4 21:00:00 Author:Ecco | Keyword: Inductive switch

Inductive switch circuit
When the metal tongue in circuit is inserted between two windings, relay releases, it is especially suitable for the terminal switch. Insertion depth can be precisely adjusted to the hundredths of a millimeter. The circuit measured oscillator oscillation frequency is about 200kHz. The collector oscillation loop coils are wound on a ferrite segment core. The base feedback coil is wound on the other core. Two core relative distance is about 5 mm.   (View)

View full Circuit Diagram | Comments | Reading(976)

Intermittent operation circuit

Published:2012/11/4 21:11:00 Author:Ecco | Keyword: Intermittent operation

Intermittent operation circuit
In some occasions, you need the motor to open and stop any time. This is called intermittent operation . The intermittent operation circuit is shown as the figure. In the Figure, S is a manual switch. Closing the S, KM and 1KT are simultaneously energized, KM main contact gets action, the motor M is running. After running for a period of time ( determined by 1KT time relay ), 1KT is delay closed, contacts are closed to turn on the relay K and other the relay 2KT circuit, K normally closed contacts disconnect, KM loses power, and M stops working.   (View)

View full Circuit Diagram | Comments | Reading(1035)

AC contactor power saving and silent running circuit 4

Published:2012/11/4 21:23:00 Author:Ecco | Keyword: AC contactor , power saving, silent running

AC contactor power saving and silent running circuit 4
The circuit is shown in Figure, it uses Y-△ manually buck starter to realize AC contactor high voltage (380V) start and low-voltage (220V) operation, then it will get the power-saving and silent effect. Pressing the start button ST, 1KM is energized, its normally open contact is closed, 3KM is energized. The 3KM normally closed auxiliary contacts disconnects, the main contacts are closed, then the motor M winding is connected into a Y-shaped connection for the buck start. When the motor speed is up to or near rated speed, pressing the running button STN can make 3KM lose power and release, then 2KM gets electric (380V) and pulls, the motor M is switched to △ pick operation.   (View)

View full Circuit Diagram | Comments | Reading(1916)

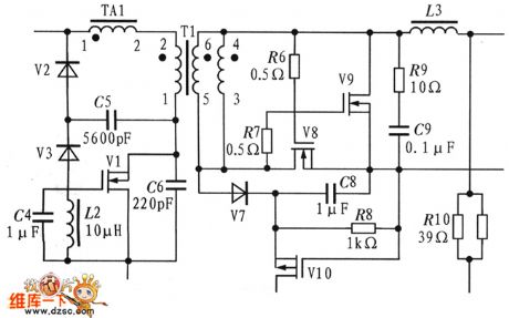
The magnetic reset demagnetization network principle circuit diagram

Published:2012/11/1 22:20:00 Author:Ecco | Keyword: magnetic reset, demagnetization network

The magnetic reset demagnetization network principle circuit diagram
Magnetic reset circuit uses LCD network, and LCD Clamp not only be able to feedback transformer excitation energy back to the grid, and can effectively inhibit the voltage spikes caused by the leakage inductance energy. When V1 is off, C5 clamp capacitor is charged. When V1DS rises to greater than the input voltage, C5 discharges, and V2 gets conduction, when V1DS gets conduction, the inductor L2 and C5 are resonant and discharging forcing V1DS denitration decreased, and the circuit is shown as the figure.   (View)

View full Circuit Diagram | Comments | Reading(1198)

RJ-11 bridge circuit schematic

Published:2012/11/1 22:00:00 Author:Ecco | Keyword: bridge

RJ-11 bridge circuit schematic
DS2490S is the bridge circuit of USB port and 1 - Wire device, which can be directly connected to the USB host system. It can produce strict timing and voltage slew rate controlled 1-Wire waveforms, and it can meet the requirements of the USB interface communication protocol to ensure normal USB port and l-Wire devices and securely communication.   (View)

View full Circuit Diagram | Comments | Reading(1254)

AC power status indicator circuit

Published:2012/10/31 20:36:00 Author:Ecco | Keyword: AC power, status indicator

AC power status indicator circuit
S is the 2-1 switch, when S is set to 1 bit, bulb HL gets electric and emits light, at the same time, th LED-G emits green light for the load working indiactor; HL is extinguished when S is set to 2 bit, LED-G is also turned off, only LED-R emits red light for the mains power indicator.   (View)

View full Circuit Diagram | Comments | Reading(1679)

10-point common-anode logarithmic display driver circuit using TA7612AP

Published:2012/10/31 21:04:00 Author:Ecco | Keyword: 10-point , common-anode, logarithmic display, driver

10-point common-anode logarithmic display driver circuit using TA7612AP
This circuit's input signal is an analog voltage input which is displayed on a logarithmic scale.   (View)

View full Circuit Diagram | Comments | Reading(1831)

Pages:67/471 At 206162636465666768697071727374757677787980Under 20