Low Cost Custom Prototype PCB Manufacturer

Temperature Control

Index 6



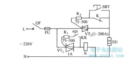
Automatic adjustment type controller circuit diagram

Published:2011/5/13 2:59:00 Author:Rebekka | Keyword: Automatic adjustment type, controller

Automatic adjustment type controller circuit diagram
The temperature controller can automatically adjust the electric heater input power while it is using light-emitting diode to display the temperature range. It keeps the controlled heater work at a constant temperature working condition.   (View)

View full Circuit Diagram | Comments | Reading(741)

Low Power Consumption Window Temperature Detection Circuit

Published:2011/5/9 6:18:00 Author:Robert | Keyword: Low Power Consumption, Window, Temperature Detection

Low Power Consumption Window Temperature Detection Circuit
The Low Power Consumption Window Temperature Detection Circuit is shown below. (a) is using two MAX6509. (b) is using two MAX6510.   (View)

View full Circuit Diagram | Comments | Reading(568)

555 temperature interval control circuit

Published:2011/4/25 3:49:00 Author:May | Keyword: 555, temperature interval, control

555 temperature interval control circuit
As shown in diagram 20-3, control circuit includes step-down rectifying parts and temperature control parts. It is used for keeping certainly temperature interval occasions such as poultry hatching, biotic experiment, etc. IC (555) works on the state of dual stable mode. RT is negative temperature factor thermistance (3kΩ), RT, R2~R4, RP1, RP2 make up control temperature divider voltage network. It can make pin 2, 6 of IC separately located in near 1/3VDD and 2/3VDD level by adjusting RP1 and RP2, in order to set or reset along with the changing of setting temperature (20℃~100℃), and it can pulled in or cut off J1, it can control the breaking over, cut off of electric heater, and it can adjust the temperature.   (View)

View full Circuit Diagram | Comments | Reading(1304)

Home Thermostat Control Circuit

Published:2011/4/21 9:52:00 Author:Robert | Keyword: Home, Thermostat

Home Thermostat Control Circuit
Home Thermostat Control Circuit is shown below:   (View)

View full Circuit Diagram | Comments | Reading(696)

Automatic gas circulatory stove temperature control circuit diagram

Published:2011/4/14 2:22:00 Author:Ecco | Keyword: Automatic , gas circulatory stove, temperature control

Automatic gas circulatory stove temperature control circuit diagram
1. Manual method: First, to pull combination switch HK to manual position, then the contacts of KK1 are connected, the relay J coil is energized pull, the AC contactor IC takes action, resistance furnaceis heating, when the temperature rose to the required temperature, to pull KK to 0 position, so that J and JC coil lose power, electrical furnace loses the power, and it won's rise the temperature again. 2. Automatic way: To pull combination switch HK to the automatic position, then the contacts of KK2 are connected, since the digital potentiometer thermometer CB is below the predetermined temperature, contact CB is closed, so that J is energized pull, and IC coils get electric power to heat up the electrical furnace. When the temperature reaches a predetermined temperature, contact CB automatic breaking, so that J coil and IC breaking, electrical furnace stops heating, to realize automatic temperature control. The K in the chart is the power switch of meter. HD and LD are the energizing and breaking indications.   (View)

View full Circuit Diagram | Comments | Reading(614)

Liquid electronic constant temperature box circuit

Published:2011/3/24 2:55:00 Author:Jessie | Keyword: liquid, constant temperature box

Liquid electronic constant temperature box circuit
The thermistor K273 can be used to monitor and adjust liquid's temperature, it is always dipped in liquid. Differential amplifiers constitute bridge circuit, the selecting principle of bridge arm's resistance is that, before through the temperature which adjusted by switch S, thermistors' voltage drop is higher than differential amplifiers shot resistance's voltage drop. So that transistor T1's base is connected, T2 disconnected, relay release. Its closed contact r1 connects the heating element. Once the heating element temperature reaches the setting temperature, Differential amplifiers change, stop heating.   (View)

View full Circuit Diagram | Comments | Reading(601)

A kind of Temperature/frequency-Audio decoding temperature control circuit

Published:2011/3/23 1:57:00 Author:Jessie | Keyword: Temperature/frequency, Audio decoding, temperature control

A kind of Temperature/frequency-Audio decoding temperature control circuit
Circuit as shown, it is composed by many harmonic oscillator, audio decoder, relay control cooling equipment, twitter sound circuit andAC step-down rectifier circuit, etc. IC1 is a 555 time-based integrated circuit. It composes a self-motivating much harmonic oscillatorwith thermistor RT, R1, C1. When environment temperature changes, RT resistance of negative temperature coefficient (NTC)is changed too.   (View)

View full Circuit Diagram | Comments | Reading(751)

Proportion temperature regulator circuit with integrated flip-flop TDAl023

Published:2011/3/22 22:59:00 Author:Jessie | Keyword: Proportion temperature regulator, integrated flip-flop

Proportion temperature regulator circuit with integrated flip-flop TDAl023
This circuit can be used to control the 5℃ to 35℃indoor temperature or other heating equipments. The maximum heating power depends on its thyristor,this one issuitable for 2kW power, and thyristor is BT139. Temperature is controlledby the bridge road which composed by thermistors, resistance R1 and potentiometer Rp, the actual voltage and given voltage respectively adds on the U6 and U9 of integrated flip-flop TDA1023. If the room temperature is far belowthe given temperature,heating machine workswith all the power. If the room temperature is 1K differ from the given temperature,the proportional adjustment will be achieved.   (View)

View full Circuit Diagram | Comments | Reading(2571)

Two-seat temperature regulator circuit with schmitt toggle

Published:2011/3/22 23:00:00 Author:Jessie | Keyword: temperature regulator circuit, schmitt toggle

Two-seat temperature regulator circuit with schmitt toggle
Temperature sensor adopts thermal resistor, it's inside measure current approximates constant measuring current. At low temperatures, thermistors's over voltage is high,current flows through the transistor onthe left of Schmitt toggle, and relay release. The heating device which has to be adjusted should contact relay's closed point too.   (View)

View full Circuit Diagram | Comments | Reading(761)

Complementary picked up horn protection circuit

Published:2011/3/23 3:54:00 Author:Jessie | Keyword: horn protection

Complementary picked up horn protection circuit
  (View)

View full Circuit Diagram | Comments | Reading(561)

Precision centigrade thermometer circuit composed by SL134 integrated temperature sensor

Published:2011/3/22 22:52:00 Author:Jessie | Keyword: centigrade thermometer, integrated temperature sensor

Precision centigrade thermometer circuit composed by SL134 integrated temperature sensor
  (View)

View full Circuit Diagram | Comments | Reading(614)

Simple thermometer circuit composed by SL134 integrated temperature sensor

Published:2011/3/22 22:54:00 Author:Jessie | Keyword: thermometer circuit, integrated temperature sensor

Simple thermometer circuit composed by SL134 integrated temperature sensor
  (View)

View full Circuit Diagram | Comments | Reading(606)

Bi-directional thyristor electricity contact temperature control circuit

Published:2011/3/25 1:04:00 Author:Jessie | Keyword: Bi-directional thyristor, electricity contact, temperature control

Bi-directional thyristor electricity contact temperature control circuit
  (View)

View full Circuit Diagram | Comments | Reading(549)

Temperature Control-driven circuit diagram

Published:2011/3/20 22:50:00 Author:Nicole | Keyword: Temperature Control-driven

Temperature Control-driven circuit diagram
  (View)

View full Circuit Diagram | Comments | Reading(636)

Pages:6/6 123456

SeekIC Live Chat
  • Get a Quote/Urgent Purchase
  • Part Number
  • Qty

Response in 12 hours