Published:2009/7/21 6:03:00 Author:Jessie
Electronic crowbar circuit using an SBS and a triac. This circuit protects equipment by placing a short-circuit across the line, thereby blowing the fuse. It works on DC circuits as well as AC types since the SBS and triac are both bilateral devices (courtesy Motorola Semiconductor Products Inc.). (View)
View full Circuit Diagram | Comments | Reading(2178)
Published:2009/7/21 6:02:00 Author:Jessie
SOR full-range power controller incorporating an SUS (courtesy Motorola Semiconductor Products Inc.). (View)
View full Circuit Diagram | Comments | Reading(656)
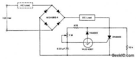
Published:2009/7/21 6:01:00 Author:Jessie
Feedback control circuit to trigger a thyrister (courtesy Motorola Semiconductor Products Inc.). (View)
View full Circuit Diagram | Comments | Reading(699)
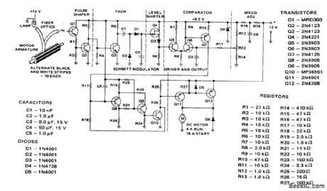
Published:2009/7/21 5:59:00 Author:Jessie
Regulated DC motor control with feedback from optical sensor (courtesy Motorola Semiconductor Products Inc.).
(View)
View full Circuit Diagram | Comments | Reading(972)
Published:2009/7/21 5:58:00 Author:Jessie
Pentode audio oscillator feeds hermetically sealed transformer-rectifter-filter unit.-NBS, Handbook Preferred Circuits Navy Aeronautical Electronic Equipment, Vol. 1, Electron tube Circuits, 1963, p N14-4. (View)
View full Circuit Diagram | Comments | Reading(583)
Published:2009/7/21 5:57:00 Author:Jessie







Variable speed control for induction motors (courtesy Motorola Semiconductor Products Inc.). (View)
View full Circuit Diagram | Comments | Reading(886)
Published:2009/7/21 5:56:00 Author:Jessie
Uses transistor as sinusoidal oscillator. Voltage-doubling capacitors keep ripple below 0.01%.-R. D. Morrow, Inexpensive Converter Gives 5,000 Volts D-C, Electronics, 35:28, p 54. (View)
View full Circuit Diagram | Comments | Reading(600)
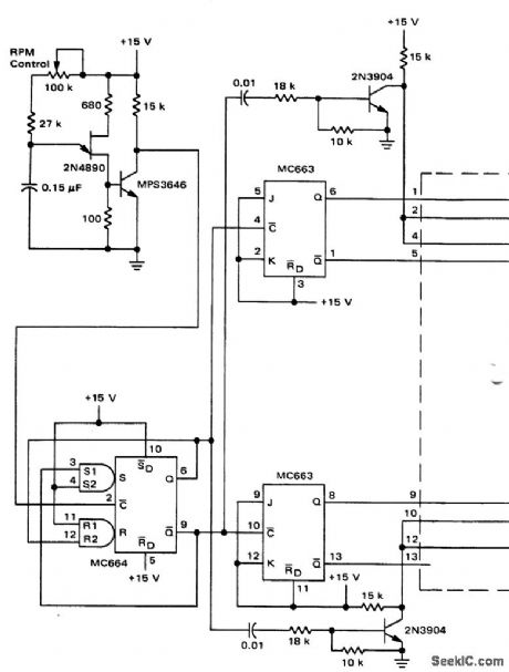
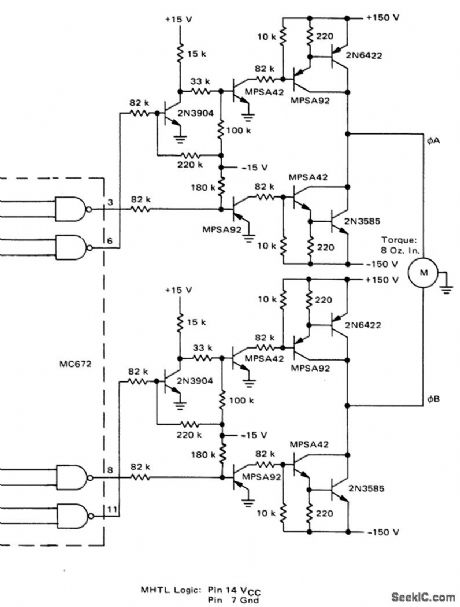
Published:2009/7/21 7:35:00 Author:Jessie
Triac motor speed control with feedback (courtesy Motorola Semiconductor Products Inc.). (View)
View full Circuit Diagram | Comments | Reading(2113)
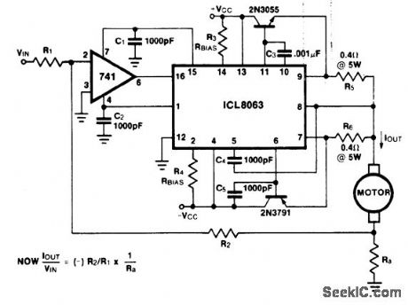
Published:2009/7/21 7:34:00 Author:Jessie
Constant-current motor drive. All capacitors should be at least 50 working volts and resistors the half-watt type, except those valued at 0.4 ohm and Ra. Use heat sinks for the power transistors with thermal compound. This circuit can be used where there is some likelihood of stalling or lockup, If the motor locks the current drive remains constant and the system does not destroy itself (courtesy Intersil, Inc.). (View)
View full Circuit Diagram | Comments | Reading(822)
Published:2009/7/21 6:16:00 Author:Jessie
Triac heater temperature control circuit (courtesy Motorola Semiconductor Products Inc.). (View)
View full Circuit Diagram | Comments | Reading(2194)
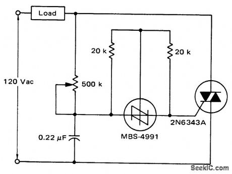
Published:2009/7/21 6:14:00 Author:Jessie
Low-cost light dimmer using an SBS and triac. Shunting the SBS with two 20K resistors minimizes the flash-on effect (courtesy Motorola Semiconductor Products Inc.). (View)
View full Circuit Diagram | Comments | Reading(959)
Published:2009/7/21 6:13:00 Author:Jessie
Triac overvoltage protection circuit with automatic reset. If the voltage at point A exceeds 11 volts during any half-cycle D6 fires and turns on SOB Q1, removing power from the load (courtesy Motorola Semiconductor Products Inc.). (View)
View full Circuit Diagram | Comments | Reading(1463)
Published:2009/7/21 6:10:00 Author:Jessie
Hysteresis-free power controller using an SBS and a triac (courtesy Motorola Semiconductor Products Inc.). (View)
View full Circuit Diagram | Comments | Reading(796)
Published:2009/7/8 2:04:00 Author:May
A simple op amp and silicon diode are the heart of the temperature-to-voltage converter that will permit you to use an ordinary voltmeter-either analog or digital-to measure temperature. User adjustments make it possible for a reading of either 10 mV or 100 mV to represent 1°F or C.
Temperature sensor D1 is a 1N4148 silicon diode. It has a temperature coefficient of -2 mV/°C. U1, a 741 op amp, is connected as a differential amplifier. A voltage divider consisting of R3 and Zener diode D2 provides a 6.2 V reference voltage. D2 is shunted by potentiometer R4, so that the offset can be adjusted to align the output voltage with either the Celsius or Fahrenheit scale, as desired.
Gain control R2 is adjusted so the output of the op amp is in the scale or voltage range of the meter being used. R4, the offset adjust control, is then adjusted so the output voltage represents either degrees F or C. The thermometer adapter can be calibrated by adjusting R4 while the probe sensor is at a known temperature. (View)
View full Circuit Diagram | Comments | Reading(2315)
Published:2009/7/21 7:43:00 Author:Jessie
Projection lamp voltage regulator using a phototransistor, SOB and UJT (courtesy Motorola Semiconductor Products Inc.). (View)
View full Circuit Diagram | Comments | Reading(626)
Published:2009/7/21 7:41:00 Author:Jessie
Solid-state relay circuit with input protection of the MOC3011 triac driver. The input voltage to the protection circuit can be 3 to 30 volts DC (courtesy Motorola Semiconductor Products Inc.). (View)
View full Circuit Diagram | Comments | Reading(1316)
Published:2009/7/21 7:39:00 Author:Jessie
Remote control of AC load using an MOC3011 optically coupled triac driver (courtesy Motorola Semiconductor Products Inc.). (View)
View full Circuit Diagram | Comments | Reading(1218)
Published:2009/7/21 7:38:00 Author:Jessie
800-watt triac light dimmer with silicon bilateral switch, SBS (courtesy Motorola Semiconductor Products Inc.). (View)
View full Circuit Diagram | Comments | Reading(2434)
Published:2009/7/21 7:27:00 Author:Jessie
Triac control circuit with current boost using an ECG776 zero voltage switch. Resistor R2 must be the external sensor for the internal short and open protection to be operative. Notice that the circuit utilizes a DC supply. Select the triac for the particular application from the ECG5600 series (courtesy GTE Sylvania Incorporated). (View)
View full Circuit Diagram | Comments | Reading(1464)
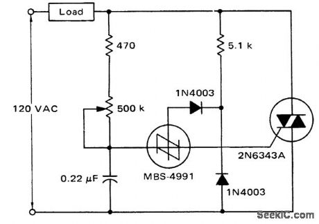
Published:2009/7/21 7:26:00 Author:Jessie
800-watt soft-start triac light dimmer (courtesy Motorola Semiconductor Products Inc.). (View)
View full Circuit Diagram | Comments | Reading(3890)
| Pages:132/291 At 20121122123124125126127128129130131132133134135136137138139140Under 20 |