Position: Home > Circuit Diagram > Sensor Circuit > Index 27
Low Cost Custom Prototype PCB Manufacturer

Sensor Circuit

Index 27



-55-+150℃ Digital thermometer circuit diagram

Published:2011/3/30 20:52:00 Author:Ecco | Keyword: -55-+150℃ Digital thermometer

-55-+150℃ Digital thermometer circuit diagram
This digital thermometer electrocircuit is composed of SL590, a new semiconductor IC temperature-sensitive sensor and three half digital voltage panel 5GM14433, and it can measure the temperature in the range of -55~15o ℃. The SL590 make the temperature be a type of current semaphore, which become ratio's voltage semaphore at Celsius temperature after making the null point displacement by operational amplifier, and sent to the UX input terminal of 5GM14433, then be digital quantity displayed by LED. The supply is d.c two types, and alternating current supplyed by 220V, also could be supplyed by 4 pieces of 1.5V batteries.   (View)

View full Circuit Diagram | Comments | Reading(3188)

-40-+125℃ digital thermometer circuit diagram

Published:2011/3/30 20:42:00 Author:Ecco | Keyword: digital thermometer

-40-+125℃ digital thermometer circuit diagram
This digital thermometer electrocircuit is composed of SL616, a newsemiconductor IC temperature-sensitive sensor and three half digital voltage panel(DVP)s, and it uses the SL616 A to measure the temperature in the ranges of -40~125 ℃. And it uses the SL161 C to measure the temperature in the ranges of -25~85 ℃, measurement accuracy after correcting is ±0.5 ℃. Its power supply use 3 sets of +6 V, ±the 10, and only +6 V power supply consume higher current(about the 65 mas), each ±10 V power supply the only consume about 3 mA current. The digital thermometer creates corresponds thermal voltage semaphore(-10 mVs/K), then the semaphor is become ratio's voltage semaphore(+10 mVs/℃) at Celsius temperature after making the null point displacement by operational amplifier, and sent to DVP to carry on digitize display as thermal amount of indication.   (View)

View full Circuit Diagram | Comments | Reading(2381)

Intelligent pressure measurement and control circuit diagram

Published:2011/3/20 22:56:00 Author:Ecco | Keyword: Intelligent pressure measurement and control

Intelligent pressure measurement and control circuit diagram
Intelligent pressure measurement and control circuit diagram is as below:   (View)

View full Circuit Diagram | Comments | Reading(1378)

Fahrenheit scale circuit diagram

Published:2011/3/20 22:56:00 Author:Ecco | Keyword: Fahrenheit scale

Fahrenheit scale circuit diagram
Fahrenheit scale circuit diagram is as below:   (View)

View full Circuit Diagram | Comments | Reading(932)

Light sensing circuit diagram

Published:2011/3/27 22:25:00 Author:Ecco | Keyword: Light sensing

Light sensing circuit diagram
In the silicon-controlled trigger circuit, cadmium sulfide cell connects the relaxation oscillator before having a sensor to blink in darkroom. That make the speaker emit the warning sound of Ka, Li . The rate of the sound will increase with the quantity of light. When there is no blink, to modulate R2 until it's lower than the limiting value of sound. The circuitry is applied in fire warning system, and it uses the cadmium selenylation cell to replace PC1, as cadmium sulfide cell is more sensitive to infrared rays; when it's applied in temperature warning system, the optical spectrum expands to far infrared region, plumbum sulfide cell is applied in the circuitry as it is more sensitive to infrared rays.   (View)

View full Circuit Diagram | Comments | Reading(1898)

TSV temperature sensor temperature-measuring circuit with constant current source

Published:2011/3/21 1:30:00 Author:Allen | Keyword: TSV, temperature sensor, constant current source

TSV temperature sensor temperature-measuring circuit with constant current source
In the figure, when using a constant current source as the load, the load current will remain stable, the voltage drop of lead resistance is a constant value, so the output voltage changes at 10mV / ℃ rule. Generally, the control distance is up to kilometer.   (View)

View full Circuit Diagram | Comments | Reading(699)

TSV temperature sensor typical application circuit

Published:2011/3/21 1:29:00 Author:Allen | Keyword: TSV, temperature sensor

TSV temperature sensor typical application circuit
In the circuit, the temperature sensitivity of output voltage, Vo is 10mV/℃; R is a current limiting resistor; careerist C is used to improve the circuit stability. The voltage drop on lead resistance will introduce some measurement error, when the test location is far away the reading location.   (View)

View full Circuit Diagram | Comments | Reading(650)

LT series current sensor connection chart

Published:2011/3/20 22:50:00 Author:Ecco | Keyword: LT series, current sensor connection chart

LT series current sensor connection chart
LT series current sensor connection chart   (View)

View full Circuit Diagram | Comments | Reading(908)

Power converter circuit diagram for switching reluctance motor

Published:2011/3/22 3:16:00 Author:Nicole | Keyword: power converter, switching reluctance motor

Power converter circuit diagram for switching reluctance motor
  (View)

View full Circuit Diagram | Comments | Reading(885)

modulation and infrared emission drive circuit diagram

Published:2011/3/22 19:58:00 Author:Nicole | Keyword: modulation, infrared emission drive

modulation and infrared emission drive circuit diagram
  (View)

View full Circuit Diagram | Comments | Reading(800)

Heater and Pump Drive Circuit Diagram

Published:2011/3/22 2:36:00 Author:Nicole | Keyword: Heater, Pump Drive

Heater and Pump Drive Circuit Diagram
  (View)

View full Circuit Diagram | Comments | Reading(791)

Infrared sensing drive circuit diagram

Published:2011/3/20 22:56:00 Author:Nicole | Keyword: Infrared sensing

Infrared sensing drive circuit diagram
  (View)

View full Circuit Diagram | Comments | Reading(846)

electromagnetic gas valve drive circuit diagram

Published:2011/3/20 22:52:00 Author:Nicole | Keyword: electromagnetic gas valve drive

electromagnetic gas valve drive circuit diagram
  (View)

View full Circuit Diagram | Comments | Reading(767)

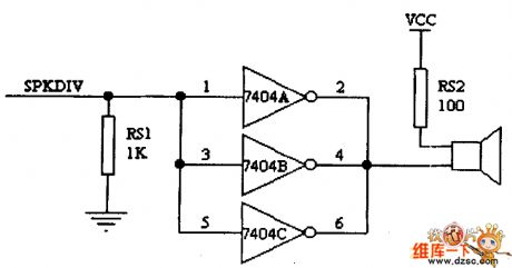
Buzzer and its Drive Circuit Diagram

Published:2011/3/21 4:26:00 Author:Nicole | Keyword: Buzzer

Buzzer and its Drive Circuit Diagram
  (View)

View full Circuit Diagram | Comments | Reading(948)

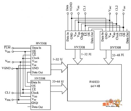
HV5308 SerDes chip on the new pattern flat display drive circuit diagram

Published:2011/3/20 22:44:00 Author:Nicole | Keyword: SerDes chip

HV5308 SerDes chip on the new pattern flat display drive circuit diagram
  (View)

View full Circuit Diagram | Comments | Reading(929)

LM135 temperature telemetry circuit

Published:2011/3/21 1:46:00 Author:Joan | Keyword: LM135 , temperature telemetry

LM135 temperature telemetry circuit
When the measurement point is far away from the display meter, the voltage drop caused by the sensor's operating current in the connection conductor, superimposed on the output voltage on the sensor, will produce some measurement error. To eliminate the effect of the resistance of connecting wires, the circuit can be used as shown in Figure 5. By the use of constant current source driver LMl35, the sensor operating current is constant, and the connection lead resistance is fixed, then the voltage drop across the wire is a certain value, which can be corrected by calibration terminal to ensure the accuracy of measurements.   (View)

View full Circuit Diagram | Comments | Reading(1399)

LM135 package and pin function circuit

Published:2011/3/18 1:53:00 Author:Joan | Keyword: package, pin function

LM135 package and pin function circuit
LM135 Series Temperature Sensor is a voltage output type precision integrated temperature sensor. It works similar to the Zener diode, the reverse breakdown voltage changes with the absolute temperature in +10 mV/K ratio. The working current is 0.4 - 5mA, and the dynamic impedance is 1Ω, which facilitate matching to instruments. The temperature sensor features high accuracy and simple application. LMl35 series temperature sensor has wide temperature measurement range of -55 to +150 ℃. LM235 and LM335 temperature measurement ranges of -40 - +125 ℃ and -40 - +100 ℃. The short-term use temperature measurement limit can be widened, respectively, to 200 ℃, 150 ℃ and 125 ℃.   (View)

View full Circuit Diagram | Comments | Reading(1167)

LM135 Series Internal schematic diagram

Published:2011/3/18 1:28:00 Author:Joan | Keyword: Internal schematic diagram

LM135 Series Internal schematic diagram
LM135 Series Internal schematic diagram   (View)

View full Circuit Diagram | Comments | Reading(1182)

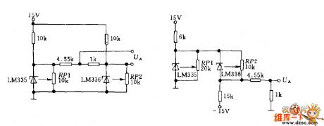
LM135 thermocouple cold junction compensation temperature measurement circuit

Published:2011/3/17 1:55:00 Author:Joan | Keyword: thermocouple, cold junction compensation, temperature measurement

LM135 thermocouple cold junction compensation temperature measurement circuit
The figure is a practical circuit with a wide temperature measurement range using thermocouple. It uses indexing number for K thermocouple, measuring maximum temperature up to 1000 ℃. In order to eliminate the environmental impact of the Thermocouple cold junction, LM335 is used to measure the cold junction temperature, and then the operational amplifier LM308 amplifies output voltage after superposition of the temperature voltage signal and thermoelectric power generated by the thermocouple, so that the output voltage signal reflects the true temperature of the thermocouple working end. As the LM335 output voltage is proportional to absolute temperature, LM329 and resistor distributed voltage generate voltage signal to offset the output voltage at 0 ℃. The corresponding relationship between the circuit output voltage and the measured temperature is adjusted 10mV / ℃ by the amplifier.   (View)

View full Circuit Diagram | Comments | Reading(3450)

Pages:27/27 At 2021222324252627