Published:2009/7/10 2:35:00 Author:May
In this circuit, the Wien-bridge network provides phase shift, and the lamp regulates the amplitude of the oscillations. The smooth, limiting nature of the lamp's operation, in combination with its simplicity, gives good results. Harmonic distortion is below 0.3% (View)
View full Circuit Diagram | Comments | Reading(1856)
Published:2009/7/19 22:09:00 Author:Jessie
Produces synchronizing impulses between 0.2 and 7 microsec wide at rates of 200 to 2,000 pps. One triode section is used as trigger amplifier to prevent triode blocking oscillator from reacting on trigger source. R6 and R7 are 100 ohms for 5814A and 150 ohms for 6111. R8 should be maximum that will just suppress ringing. Requires positive input trigger and gives choice of output polarities at the four output terminals.-NBS, Handbook Preferred Circuits Navy Aeronautical Electronic Equipment, Vol. I, Electron Tube Circuits, 1963, PC 46, p 46-2. (View)
View full Circuit Diagram | Comments | Reading(716)
Published:2009/7/19 22:07:00 Author:Jessie
Used for telemetering wind velocity. Cam switch closes for each mile of wind that passes the anemometer cups, applying voltage to C1 and C2 in series and making Q1 conduct and pull in K1. This energizes velocity audio oscillator of telemetry system.-R. Beaulieu and G. Neal, Wind Velocity Telemetering System, Electronics, 33:29, p 68-70. (View)
View full Circuit Diagram | Comments | Reading(796)
Published:2009/7/10 2:30:00 Author:May
View full Circuit Diagram | Comments | Reading(0)
Published:2009/7/19 22:07:00 Author:Jessie
Delivers 10 mw to 50-ohm load at 25℃. Collector efficiency is 10%.-Texas Instruments Inc., Solid-State Communications, McGraw-Hill, N.Y., 1966 p 239. (View)
View full Circuit Diagram | Comments | Reading(770)
Published:2009/7/10 2:28:00 Author:May
This oscillator circuit uses a 5th overtone crystal in the 85-to-106 MHz range. Y1 ii the crystal. The circuit was originally used to frequency control a microwave oscillator. (View)
View full Circuit Diagram | Comments | Reading(1459)
Published:2009/7/19 22:06:00 Author:Jessie
Capacitor microphones form part of grid tank circuit of 6-Mc tuned-plate tuned-grid r-f oscillator that also detects 6.5-cps modulation by class-C operation during oscillation. Used in infrared analyzer for detecting leaks in automobile airsuspension systems.-P. G. Balko, Infrared Finds Auto Suspension Leaks, Electronics, 31:49, p 82-85. (View)
View full Circuit Diagram | Comments | Reading(693)
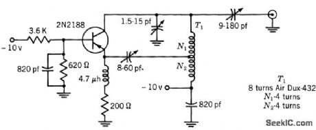
Published:2009/7/19 22:04:00 Author:Jessie
Delivers 10 mw to 50-ohm load at 25℃. Collector efficiency is 10%.-Texas Instruments Inc., Transistor Circuit Design, McGraw-Hill, N.Y., 1963, p 320. (View)
View full Circuit Diagram | Comments | Reading(730)
Published:2009/7/19 22:03:00 Author:Jessie
Overcomes low-frequency problems of wide-range oscillators by using tank both for controlling frequency and coupling signal to next stage. Frequency is stable over wide variations in d-c voltage and temperature, yet circuit is inexpensive. Alternative output coupling shown is useful for driving varying loads.-J. Freeman, Low-Frequency C-Coupled Oscillator, EEE, 11:7, p 27-28. (View)
View full Circuit Diagram | Comments | Reading(681)
Published:2009/7/19 22:02:00 Author:Jessie
Provides 70% frequency deviation. When tuned to 2 Mc, frequency deviation is -205 kc at 0 V control input and +1,289 kc at 20 V, though frequency deviation is not linearly proportional in lower half of voltage range. -C. F. Turner, Wide-Range, Voltage-Controlled Oscillator, EEE, 10:10, p 31. (View)
View full Circuit Diagram | Comments | Reading(1391)
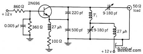
Published:2009/7/19 21:57:00 Author:Jessie
Operates over range of -40 to +60℃. Typical power output is 23 mw at lowest temperature and 20 mw at highest. Collector efficiency is 30%.-Texas Instruments Inc., Solid-State Communications, McGraw-Hill, N.Y., 1966, p 239. (View)
View full Circuit Diagram | Comments | Reading(712)
Published:2009/7/19 21:56:00 Author:Jessie
Operates within tolerance of quartz crystal from -55 to + 85℃ and bias range of 110 to 150 mv for Citizens Band service. - Transistor Manual, Seventh Edition, General Electric Co., 1964, p 353. (View)
View full Circuit Diagram | Comments | Reading(668)
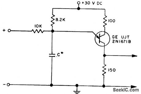
Published:2009/7/19 21:55:00 Author:Jessie
Adding 10K resistor to basic ujt oscillator gives voltage-controlled variable-frequency oscillator. With 0.68 mfd for C, d-c input voltage range of 0 to 30 V gives 670 to 4,550 pps. With 0.2 mfd for C, same input range gives 220 to 1,400 pps. Not intended for use where linearity is important.-B. Strunk, Voltage-Controlled Variable-Frequency Oscillator, EEE, 10:12, p 28-30. (View)
View full Circuit Diagram | Comments | Reading(745)
Published:2009/7/19 21:54:00 Author:Jessie
Gives excellent amplitude stability and low distortion. Uses vibration and shockproof version of Sulzer bridged-T configuration to provide single-frequency operation in 4-cps to 350-kc range.-L. H. Dulberger, Improved R-C Oscillator, Electronics, 32:10, p 62. (View)
View full Circuit Diagram | Comments | Reading(702)
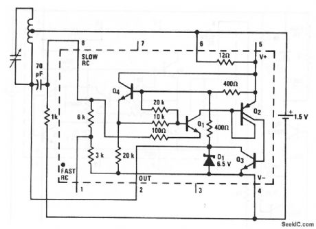
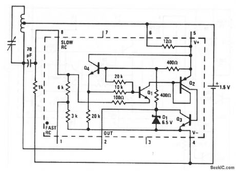
Published:2009/7/19 22:30:00 Author:Jessie
Astable mvbr Q1-Q2 operating at68.4 kc is synchronized by 400-cps signal having 6-microsec pulse width. Frequency stability can be one part in 4,000 if film resistors and other temperature-stable components are used. Synchronizing signal is variable, of the order of 1/170 of oscillator frequency but with no integral relationship between the signals.-G. Silver-man. A Synchronized Oscillator Circuit, EEE, 10:7, p 29-30. (View)
View full Circuit Diagram | Comments | Reading(0)
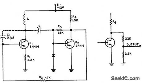
Published:2009/7/19 22:33:00 Author:Jessie
To prevent noise interference during signal losses due to fading, carriet resupplies oscillator, and amplifier replaces lost carrier, within 0.1 millisec. Q1 and Q2 are switched from cutoff when carrier is needed. Resistor RF in series with crystal lowers its Q to insure rapid starting. -Microwave Relay Designing with Traveling-Wave Tubes, Electronics, 35:3, p 40-43. (View)
View full Circuit Diagram | Comments | Reading(823)
Published:2009/7/19 22:32:00 Author:Jessie
Total temperature drift rate is only 0.035%/℃, determined by coil core material. For higher frequency stability, frequency-determining network should be buffered from amplifier. - Transistor Manual, Seventh Edition, General Electric Co., 1964, p 210. (View)
View full Circuit Diagram | Comments | Reading(2128)
Published:2009/7/19 23:20:00 Author:Jessie
Delivers 300 mw into 50-ohm load. Typical collector efficiency is 35%. -Texas Instruments Inc., Solid-State Communications, McGraw-Hill, N.Y., 1966, p 239. (View)
View full Circuit Diagram | Comments | Reading(667)
Published:2009/7/19 23:20:00 Author:Jessie


This circuit uses the LM3909 as a low-power RF oscillator (chapter 5). The tuned circuit is a standard AM-radio ferrite antenna coil (loopstick) with a tap 40% of the turns up from one end. The tuning capacitor is a standard 360-pF AM-radio tuning capacitor The high-frequency limit is about 800 kHz. (View)
View full Circuit Diagram | Comments | Reading(1220)
Published:2009/7/19 23:19:00 Author:Jessie
Tunnel-diode oscillator with General Radio 314-586 delay line produces square-wave output in range of 0.5 to 20 Mc.- Transistor Manual, Seventh Edition, General Electric Co., 1964, p 352. (View)
View full Circuit Diagram | Comments | Reading(1519)
| Pages:26/54 At 202122232425262728293031323334353637383940Under 20 |