Published:2013/3/15 3:07:00 Author:Ecco | Keyword: 18 ~ 60MHz, third harmonic, oscillator
18 ~ 60MHz third harmonic oscillator is shown as figure.
(View)
View full Circuit Diagram | Comments | Reading(1530)
Published:2013/3/15 2:59:00 Author:Ecco | Keyword: 15 ~ 65MHz, third harmonic oscillator
15 ~ 65MHz third harmonic oscillator is shown as figure.
(View)
View full Circuit Diagram | Comments | Reading(1152)
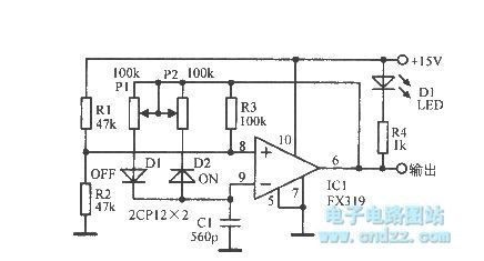
Published:2013/3/15 3:06:00 Author:Ecco | Keyword: LED , on -off time, controlled oscillator
LED on -off time controlled oscillator is shown as figure.
(View)
View full Circuit Diagram | Comments | Reading(852)
Published:2013/3/14 1:46:00 Author:Ecco | Keyword: Dual astable multivibrator
Dual astable multivibrator using 556 is shown as figure.
(View)
View full Circuit Diagram | Comments | Reading(2399)
Published:2013/3/14 1:41:00 Author:Ecco | Keyword: square wave generating, op amp
The square wave generating circuit using op amp is shown as figure.
(View)
View full Circuit Diagram | Comments | Reading(1160)
Published:2013/3/14 1:43:00 Author:Ecco | Keyword: Programmable astable multivibrator
Programmable astable multivibrator is shown as figure.
(View)
View full Circuit Diagram | Comments | Reading(1558)
Published:2013/3/7 2:34:00 Author:Ecco | Keyword: switching, harmonic , crystal oscillator
The switching harmonic crystal oscillator is shown as figure.
(View)
View full Circuit Diagram | Comments | Reading(1278)
Published:2013/3/14 1:38:00 Author:Ecco | Keyword: Voltage controlled multivibrator
Voltage controlled multivibrator circuit is shown as figure.
(View)
View full Circuit Diagram | Comments | Reading(1213)
Published:2013/3/14 1:45:00 Author:Ecco | Keyword: voltage controlled, TTL symmetrical multivibrator


The voltage controlled TTL symmetrical multivibrator is shown as figure.
(View)
View full Circuit Diagram | Comments | Reading(1153)
Published:2013/3/14 1:51:00 Author:Ecco | Keyword: Oscillator
Oscillator circuit using LM3900 is shown as figure.
(View)
View full Circuit Diagram | Comments | Reading(1139)
Published:2013/3/14 1:52:00 Author:Ecco | Keyword: Bistable multivibrator
Bistable multivibrator circuit diagram is shown as figure.
(View)
View full Circuit Diagram | Comments | Reading(1075)
Published:2013/3/7 2:38:00 Author:Ecco | Keyword: 100kHz , self-excited multivibrator
100kHz self-excited multivibrator is shown as figure.
(View)
View full Circuit Diagram | Comments | Reading(905)
Published:2013/3/12 3:32:00 Author:Ecco | Keyword: Pulse forming , integral circuit
Pulse forming circuit with integral circuit is shown as figure.
(View)
View full Circuit Diagram | Comments | Reading(1099)
Published:2013/3/12 3:27:00 Author:Ecco | Keyword: 1Hz , clock signal oscillator
1Hz clock signal oscillator is shown as figure.
(View)
View full Circuit Diagram | Comments | Reading(2938)
Published:2013/3/12 3:29:00 Author:Ecco | Keyword: 0.5 seconds , tone burst circuit
0.5 seconds tone burst circuit is shown as figure.
(View)
View full Circuit Diagram | Comments | Reading(937)
Published:2013/3/7 3:08:00 Author:Ecco | Keyword: Smooth Tone, Clickless, CW Sidetone Generator
This circuit is essentially a minimal version of an analog music synthesizer that is hard-wired for the purpose of making morse code tones.
The oscillator section produces a fixed frequency triangle wave on LM324 pin 14, that is fed into a low pass filter to get a sine wave on LM324 pin 8. A triangle wave can be thought of as a series of sine waves with decreasing amplitudes as the frequency increases. The low pass filter simply removes the upper harmonics and passes the fundamental sine wave frequency through.
The sine wave is sent to a voltage controlled amplifier made from three 2N3904 transistors. The upper two 2N3904 transistors should be a matched-gain pair in order to minimize thumping sounds. The VCA is modulated with a keying waveform to produce the resulting modulated waveform. The keying waveform is generated by smoothing out the square wave keyed signal on the 4N32 emitter with the 220K/220K/20n (.02uF) capacitor/resistor low pass filter on the base of the lower transistor. The two 220K resistors in series with the 4N35 output transistor act as a voltage divider, this causes the the keying envelope to swing between 0V and 6V, which is a good range for controlling the VCA.
Keying of the circuit is performed either by the manual key input, or via the keyer input, which can be used to connect the circut to a morse code keying chip. To use the keying input, an active low open collector driver should be used.
The audio signal comes out of LM324 pin 7, it connects to a 10K volume potentiometer and an attenuator made with two resistors. The attenuated audio is then fed to the LM386 audio amplifier.
(View)
View full Circuit Diagram | Comments | Reading(2291)
Published:2013/3/7 2:36:00 Author:Ecco | Keyword: oscillator , adjustable duty cycle
The oscillator with adjustable duty cycle is shown as figure.
(View)
View full Circuit Diagram | Comments | Reading(1063)
Published:2013/3/7 2:34:00 Author:Ecco | Keyword: Broadband multivibrator
Broadband multivibrator is shown as figure.
(View)
View full Circuit Diagram | Comments | Reading(887)
Published:2013/3/7 2:26:00 Author:Ecco | Keyword: Venturi , sine wave , oscillator
Venturi sine wave oscillator circuit is shown as figure.
(View)
View full Circuit Diagram | Comments | Reading(981)
Published:2013/3/7 2:27:00 Author:Ecco | Keyword: Wien Bridge , sinusoidal oscillator
Wien Bridge sinusoidal oscillator is shown as figure.
(View)
View full Circuit Diagram | Comments | Reading(970)
| Pages:12/195 1234567891011121314151617181920Under 20 |