Position: Home > Circuit Diagram > Signal Processing > Index 8
Low Cost Custom Prototype PCB Manufacturer

Signal Processing

Index 8



School Bus Signals Circuit

Published:2013/6/13 21:27:00 Author:muriel | Keyword: School Bus Signals Circuit

School Bus Signals Circuit
The first circuit is for school bus Loading/Unloading flashers used in most areas.   (View)

View full Circuit Diagram | Comments | Reading(975)

Example Signal Circuit Work Sheet

Published:2013/6/13 1:26:00 Author:muriel | Keyword: Example Signal Circuit, Work Sheet

Example Signal Circuit Work Sheet
The next diagram can be used to sort out the aspect logic of the system befor adding the electronics. The circuit simulates the output of the 2 Sets Of 2 Inputs To 4 Discrete Outputs adapter circuit using four SPST switches. Only one of the SPST switches can be closed at a time.   (View)

View full Circuit Diagram | Comments | Reading(879)

Example Signal Circuit

Published:2013/6/13 1:26:00 Author:muriel | Keyword: Example Signal Circuit

Example Signal Circuit
This circuit is designed to take its input from the switched contacts of two Tortoise® type switch machines that operate a double-slip turnout and covert these to 4 discrete outputs that control 4 sets of 3 aspect signals. One aspect on each signal will show on each signal head depending on how the turnout is set. Because there are four slip switch settings but only three LEDs per signal, one of the aspects on each signal is used twice. In this example the Red LED is used twice for each signal but the other colours could be use twice as well. For a crossover made with two turnouts the signals could be wired so that: Red shows for the blocked route, Green shows for the through route and Greeen/Yellow shows for a diverging route. It is possible to control the the adapter circuit directly from DPDT toggle switches or 556 switch machine driver outputs that operate the switch machine's motors. This would allow both sets of contacts on the machines to be used for frog power.   (View)

View full Circuit Diagram | Comments | Reading(1160)

Multiple Receivers

Published:2013/5/28 22:20:00 Author:muriel | Keyword: Multiple Receivers

Multiple Receivers
  (View)

View full Circuit Diagram | Comments | Reading(886)

3 Colour Signals Using Bicolour LEDs

Published:2013/5/28 21:48:00 Author:muriel | Keyword: 3 Colour Signals, Bicolour LEDs

3 Colour Signals Using Bicolour LEDs
  (View)

View full Circuit Diagram | Comments | Reading(763)

PRR - Position Light Type Signals

Published:2013/5/28 21:48:00 Author:muriel | Keyword: PRR - Position Light Type, Signals

PRR - Position Light Type Signals
  (View)

View full Circuit Diagram | Comments | Reading(1134)

RED signal

Published:2013/5/28 21:47:00 Author:muriel | Keyword: RED signal

RED signal
  (View)

View full Circuit Diagram | Comments | Reading(944)

2 Colour Signals 2

Published:2013/5/28 21:46:00 Author:muriel | Keyword: 2 Colour Signals

2 Colour Signals 2
  (View)

View full Circuit Diagram | Comments | Reading(759)

Bidirectional Signals 2

Published:2013/5/28 21:45:00 Author:muriel | Keyword: Bidirectional Signals

Bidirectional Signals 2
  (View)

View full Circuit Diagram | Comments | Reading(1015)

Bidirectional Signals

Published:2013/5/28 21:44:00 Author:muriel | Keyword: Bidirectional Signals

Bidirectional Signals
  (View)

View full Circuit Diagram | Comments | Reading(915)

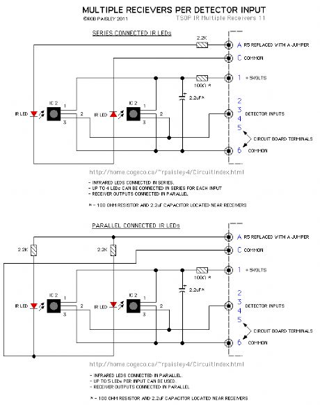
Multiple Receivers For Each Detector Input

Published:2013/5/22 22:15:00 Author:muriel | Keyword: Multiple Receivers, Each Detector Input

Multiple Receivers For Each Detector Input
  (View)

View full Circuit Diagram | Comments | Reading(804)

U-Blox GPS receiver Board

Published:2013/5/14 22:29:00 Author:muriel | Keyword: U-Blox GPS receiver Board

U-Blox GPS receiver Board
  (View)

View full Circuit Diagram | Comments | Reading(1208)

Low-Power IC Packs GPS Receivers 2

Published:2013/5/14 22:18:00 Author:muriel | Keyword: Low-Power IC , Packs GPS Receivers

Low-Power IC Packs GPS Receivers 2
  (View)

View full Circuit Diagram | Comments | Reading(894)

Low-Power IC Packs GPS Receivers

Published:2013/5/14 22:18:00 Author:muriel | Keyword: Low-Power IC, Packs GPS Receivers

Low-Power IC Packs GPS Receivers
  (View)

View full Circuit Diagram | Comments | Reading(796)

Diagram description GPS support kit

Published:2013/5/14 22:16:00 Author:muriel | Keyword: GPS support kit

Diagram description GPS support kit
  (View)

View full Circuit Diagram | Comments | Reading(852)

GPS LCD Display

Published:2013/5/14 22:15:00 Author:muriel | Keyword: GPS LCD Display

GPS LCD Display
  (View)

View full Circuit Diagram | Comments | Reading(1002)

Block diagram of the GPS-based frequency standard.

Published:2013/5/14 22:14:00 Author:muriel | Keyword: GPS-based frequency standard.

Block diagram of the GPS-based frequency standard.
  (View)

View full Circuit Diagram | Comments | Reading(1052)

Evaluation Board Including Components 2

Published:2013/5/14 22:12:00 Author:muriel | Keyword: Evaluation Board Including Components

Evaluation Board Including Components 2
  (View)

View full Circuit Diagram | Comments | Reading(799)

Evaluation Board Including Components

Published:2013/5/14 22:12:00 Author:muriel | Keyword: Evaluation Board Including Components

Evaluation Board Including Components
  (View)

View full Circuit Diagram | Comments | Reading(775)

An external antenna for the GPS-38, Magellan 2000, or Eagle Explorer

Published:2013/5/14 22:11:00 Author:muriel | Keyword: external antenna, GPS-38, Magellan 2000, Eagle Explorer

An external antenna for the GPS-38, Magellan 2000, or Eagle Explorer
  (View)

View full Circuit Diagram | Comments | Reading(879)

Pages:8/195 1234567891011121314151617181920Under 20