Published:2011/7/16 0:38:00 Author:Felicity | Keyword: Electrical Pulse, Therapeutic Apparatus
Work of the circuit
The circuit consists of self-excited oscillator, power-delay circuit, low frequency pulse voltage generator and timing control circuit. (It is showed in the picture 9-5.)
Self-excited oscillator consists of IC lC2 pin 8-11 internal circuit and the resistors R8, R9, potentiometer RP2, capacitor C3.
Power-delay circuit consists of IC2 pin 12 and 13 internal circuit and the capacitor Cl, resistors full-R6, transistor Vl, diodes VDl, VD2.
Low frequency pulse voltage generator consists of IC lC1, non-gate integrated circuits IC2, transistor V3, V4, diode VD4-VD6, inductor L, resistor R13-R16, potentiometer RPl, light-emitting diodes and capacitors C7 VL.
Timing control circuit consists of counter integrated circuit IC3, 1C2 1-6 feet in circuit, transistor V2, resistors R7, RlO-Rl2, capacitor C2, C5, C6, and diode VD3. (View)
View full Circuit Diagram | Comments | Reading(531)
Published:2011/7/16 0:38:00 Author:Felicity | Keyword: Electrical Pulse, Therapeutic Apparatus
Work of the circuit
The circuit consists of power supply circuit, timing circuit and pulse voltage generator circuit. (It is showed in the picture 9-4.)
Power supply circuit consists of power switch S6, power transformer T2, bridge rectifier, UR, resistors Rl, filter capacitors C5 and C6, power indicator LED VLl and three-terminal regulator IC lC2.
Timing circuit consists of resistors Rl, R3-RlO, LED VL2-VL5, capacitors C2-C4, timer switch Sl-S4, when the reset button 55 and the base integrated circuit IC1.
Pulse voltage generator circuit consists of Transistor V, resistors Rll, potentiometer RPl, RP2, capacitor Cl, pulse transformer Tl, work instructions LED VL6, VL7, socket XS, XP, and the plug electrode a, b. (View)
View full Circuit Diagram | Comments | Reading(603)
Published:2011/7/17 5:04:00 Author:Felicity | Keyword: Heart Rhythm Tester, the 2nd
Work of the circuit
The circuit consists of infrared testing amplifying circuit, negative voltage producing circuit, working indicating circuit, timing circuit and digit displaying driving circuit. (It is showed in picture 9-54.)
Infrared testing amplifying circuit consists of infrared optocoupler (infrared sensor) VLC, resistors R6-Rl5, capacitors C7, C8, and Nl-N3 within the operational amplifier integrated circuit lC2 (Nl-N4).
Negative voltage producing circuit consists of six non-gate integrated circuit IC3 (Dl-D6), resistors Rl6, R17, capacitor Cg-C11 and diode VDl, VD2.
Working indicating circuit consists of capacitor Cll, IC2 internal op amp N4, resistors R18 and power indicator LED VL2.
Timing circuit consists of time-base integrated circuit rCl, resistors R1-R5, potentiometer RP, capacitors Cl-C3, light-emitting diodes VLl and transistors Vl.
Digit displaying driving circuit consists of digital displays, transistors V2-V4, resistors R2O-R29, capacitors C4-C6, counter display driver integrated circuit IC4and decoding circuit IC5.
Turn on power switch S2 and the battery GB will provide +l2V working voltage to ICl-IC5. Oscillating signal is shaped and rectified. It then provides -9V voltage to IC2.
When you do the test put your finger on the reflexing window of VLC. Infrared signal goes through the soft tissue and reflexes on phalanx. The infrared photosensitive transistor receives the signal and turns it into electronic signals. The digital displayer starts working and N4 drives VL2 flash. After the regular time (30s) is over, the counter stops working. Double of the figure on the displayer is the tester’s heart rhythm. (View)
View full Circuit Diagram | Comments | Reading(979)
Published:2011/7/17 5:29:00 Author:Felicity | Keyword: Heart Rhythm Tester
Heart Rhythm Tester (the 1st)
Work of the circuit
The circuit consists of blood flow runoff testing amplifying circuit, datum voltage circuit, comparing amplifying circuit, stable circuit, LED indicating circuit and power circuit. (It is shows in picture 9-53.)
Blood flow runoff testing amplifying circuit consists of resistor R3-R9, capacitor C2-C6, light-emitting diodes VLl, photosensitive resistor RG and Nl, N2 within the operational amplifier integrated circuit IC1 (Nl-N4).
Datum voltage circuit consists of resistors Rl, R2, R9, RlO, capacitor C7, IC1's internal operational amplifier N4and potentiometer RP.
Stable circuit consists of time-base integrated circuit IC2, diode VD2, capacitor C9, ClO, and resistors R13, R14.
LED indicating circuit consists of resistor Rl5, R16, transistors V and light emitting diodes VU.
When you do the test, put your finger on the testing sensor. The sensor consists of VL1 and RG. RG tests the signal voltage of the blood runoff. The signal is transited to N3 through N1 and N2. It produces positive impulse and negative impulse. It makes V work intermittently. It makes VL2 shines. The shining rate is the heart rhythm.
Change the value of RP to change the sensitivity of the circuit.
(View)
View full Circuit Diagram | Comments | Reading(590)
Published:2011/7/17 5:33:00 Author:Felicity | Keyword: Pulse Test Set
Work of the circuit
The circuit consists of pulse signal dealing circuit, timing circuit and display driving circuit. (It is showed in picture 9-50.)
Pulse signal dealing circuit consists of piezoelectric ceramics BC (as sensors), resistors Rl, capacitor Cl and NAND gate integrated circuit ICl (Dl, D2).
Timing circuit consists of reset button S2, capacitors C2-C4, resistor R2 and time-base integrated circuit IC4.
Display driving circuit consists of display driver integrated circuit IC2, 1C3, resistors R3-R17 and digital display.
When you turn on the power switch S1, IC2 and IC3 are minimum clearing. Put BC on the position where the pulse is significant. BC changes the pulse signal to electronic signal. Press S2 and C2 discharges quickly through S2. IC2 and IC3 start counting. The number which is displayed on the LED digital display is the jumping number of times of pulse per minute. (View)
View full Circuit Diagram | Comments | Reading(553)
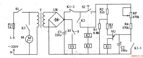
Published:2011/7/16 0:33:00 Author:Felicity | Keyword: Electric Medical, Attracting Controlling Circuit
Work of the circuit
The circuit consists of power circuit and controlling circuit. (It is showed in picture 9-43.)
Press button S2. K2 and K3 are electrified. Vacuum pump motor M starts to work. At the same time the +24V voltage on C1 supplies power to C2 through Kl-2、S2、RP and R4. When the voltage on C2 reaches the largest voltage of VU, M stops working. And KL-1 of K1 is turned on. C2 discharges through KL-1 quickly and is prepared for next time of working.
When the negative pressure bottle gets the negative pressure, the user could press S3 to control the use of negative pressure. If the negative pressure is not enough for use, the use can press S2 again. (View)
View full Circuit Diagram | Comments | Reading(546)
Published:2011/7/17 1:04:00 Author:Felicity | Keyword: Dangerous Area Warning Device
Work of the circuit
The circuit consists of pyroelectric infrared sensor (PIR), the signal processing circuit and the language reminding circuit.(It is showed in the picture 8-122.)
The signal processing circuit consists of pyroelectric infrared signal processing integrated circuit ICI , resistor M-Rl2 and capacitors C4-Cl2.
The language reminding circuit consists of voice IC IC2, transistors Vl and V2, resistor R13, capacitor C13 and the speaker BL.
When no one is in the warning area, the no signal is inputted at pin 14 of IC1. Its pin 2 is of low level. The language reminding circuit does not work. (View)
View full Circuit Diagram | Comments | Reading(645)
Published:2011/7/17 0:46:00 Author:Felicity | Keyword: Ward Caller
This ward caller is consists of calling-control circuit and music circuit.
Aalling-control circuit consists of callswitchesSl-S4,resistorsR1-R4,light-emitting diodesVLl-VL4anddiodeVDl-VD4.
Music circuit consists of resistorR5,transistorV,musicintegrated circuitIC andspeaker BL .
When one of the call switches S1-S4 is pressed, the IC is triggered on to work, the music electrical signal output by O/P is amplified by V to drive BL to send out music
sound; at the same time the LED in this branch is on to indicate the bed number of the patient. After the medical personnel receives the acousto-optic calling signal, they
reset S2 and press the reset button S0 to make IC reset and BL stops.
Only four calling circuitsare showed in the figure and the number of it can be adjusted according to actual need. (View)
View full Circuit Diagram | Comments | Reading(562)
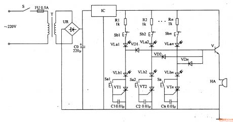
Published:2011/7/17 0:53:00 Author:Felicity | Keyword: Ward Caller
Work of the circuit
The circuit consists of power circuit, call control circuit and light and sound call circuit. (It is showed in picture 9-89.)
Power circuit consists of Power switch S, fuse FU, power transformer T, bridge rectifier, UR, filter capacitor CO and three-terminal regulator IC IC.
Call control circuit consists of control buttons Sa1-San, capacitors Cl-Cn, thyristor VTl-VT2 and light-emitting diode VLal, VLan.
Light and sound call circuit consists of resistors Rl-Rn, reset button Sbl-Sbn, LED VLbl-VLbn, diode VDl-VDn, transistor V and buzzer HA.
When Sal-San are not pressed, VT1-VTn and V are all cut off and VLa1-VLan and VLa1-VLbn are off, and HA is noiseless.
When one of Sa1-San is pressed, the thyristor connect to it is triggered on and the LED in this branch is on to indicate the patient bed number. At the same time V is
saturated and on. HA beeps. While the medical personnel receives the ward calling signal , they press the reset button, and the thyristor and the transistor cut off, and the
two LEDs are off, then HA stop beeping.
(View)
View full Circuit Diagram | Comments | Reading(576)
Published:2011/7/17 1:00:00 Author:Felicity | Keyword: Patient SOS Appliance
Work of the circuit
The circuit consists of SOS trigger circuit, sound and light alarm circuit and audio amplifier output circuit. (It is showed in picture 9-82.)
SOS trigger circuit consists of SOS switch S2, the trigger switch S3, the transistor Vl-V3, and the peripheral components.
Sound and light alarm circuit consists of audio integrated circuits ICl, resistors R6 and light-emitting diode VLl, VL2.
Audio amplifier output circuit consists of boost the audio power amplifier module IC2, super loudness piezoelectric buzzer HA, resistor R7 and diode VD2.
When the user is in the normal state, the power switch and calling switch is on, and the trigger switch S3 is off. V1 is saturated and on and V2 and V3 cut off. IC2 and IC3 are both off, and the beeper HA is noiseless. LED VL1 and VL2 are off. When the user is ill and fall down, S3 is on, and V1 cut off. V2 and V3 are on. IC1 and IC2 is power on and at work. The beeper HA sends out the whistle sound of ambulance and at the same time LED VL1 and VL2 are on and light the words ‘HELP’ and ‘Medicine is in the box’ on the first aid panel up. (View)
View full Circuit Diagram | Comments | Reading(1020)
Published:2011/7/17 4:37:00 Author:Felicity | Keyword: Eye-care Lamps
Work of the circuit
The circuit consists of power circuit, infrared radiation circuit, infrared reception and amplifying circuit, rectifying circuit, electric switch circuit , function control circuit and so on (It is showed in picture 9-73.).
Power circuit consists of power transformer T, bridge rectifier, UR, filter capacitors C3, C4, C5, current limiting resistor R6, R7 and Zener VS.
Infrared radiation circuit consists of resistors R3-R5, capacitor C2, transistor V2, V3 and infrared light-emitting diode VLl.
Infrared reception amplifying circuit consists of infrared photodiode VDl, resistors Rg-Rll, capacitors C6, C7 and transistor V4, V5.
Rectifying circuit consists of capacitor C9, ClO, resistors R13, R14 and diode VD2, VD3.
Electric switch circuit consists of resistor R2, R8, capacitor Cll, transistor V6, V7 and thyristor Vm.
Sound alarm circuit consists of resistors R5, R6, capacitors C2-known, the transistor V8, Vg and speaker BL.
Function control circuit consists of Function switch SL resistors Rl, potentiometers RPl, capacitor Cl, two-way trigger diode VlO and thyristor VTl.
When the user’s read-write distance is ok, the voice alarm circuit doesn’t work. When the user’s read-write distance is too near BL will alarm.
When the environmental light is good VL2 does not work. But if the environmental light is poor for reading and writing VL will be lighten to remind the user. (View)
View full Circuit Diagram | Comments | Reading(528)
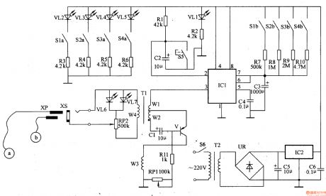
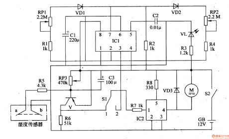
Published:2011/7/17 4:41:00 Author:Felicity | Keyword: Car Windshield Wiper Controller
Work of the circuit
The circuit consists of humidity examining circuit, electric switch control circuit and Multivibrator (It is showed in the picture 7-166.).
Humidity examining circuit consists of humidity sensors, transistors v, resistors R5, R6, potentiometer RP3and capacitor C3.
Electric switch control circuit consists of electronic switch integrated circuit IC2, function switch Sl, resistors R7, R8 and diode VD3.
Multivibrator consists of time-base integrated circuit ICl, resistors Rl, R2, R4, potentiometer RPl, RP2, capacitor Cl, C2 and diode VDl, VD2.
When the switch is off the motor is out of work. When it is rainy the electric switch within IC2 is turned on and M starts to work. When the rain is over the electric switch within IC2 is turned off. And M stops working. S2 is the power switch so you should turn it off when the car is not moving. (View)
View full Circuit Diagram | Comments | Reading(623)
Published:2011/7/17 4:49:00 Author:Felicity | Keyword: Drunken Driving Limiter, the 3rd
Work of the circuit
The circuit consists of power circuit, alcoholic testing circuit, sound circuit, sound amplifying and outputting circuit and igniting circuit. (It is showed in picture 7-162.)
Power circuit consists of battery GB, diode VDl, resistors Rl, power indicator LED VLl, filter capacitor Cl, C2, and three-terminal regulator integrator ICl.
Alcoholic testing circuit consists of wine-sensitive sensor, potentiometer and the electronic switch circuit IC2 RP.
Sound circuit consists of resistors R3-R5 and voice integrated circuits lC3.
Sound amplifying and outputting circuit consists of capacitor C3-C5, audio power amplifier integrated circuit IC4, speaker BL, LED Vl2 and VL3 and resistor R2.
Igniting circuit consists of capacitors C6 and relay K.
If the driver is drunk and wants to turn on S. IC1 tests the sense of alcohol. The electric resistance will become smaller. The electronic switch within IC1 is turned on. IC3 and IC4 starts to work. IC3 outputs the sound signal which is amplified by IC4. The signal drives BL make the sound that “Please do not drive when you are drunk.” VL2 and VL3 start shining. The power circuit of igniting circuit is cut off. The driver cannot start the car. (View)
View full Circuit Diagram | Comments | Reading(621)
Published:2011/7/16 9:38:00 Author:Sophia | Keyword: High-frequency circuit test, Impedance matching
When High-frequency circuit is tested, its impedance match of cable, testers are very important.Impedance usually is 5OΩ or 75Ω. The diagram is the basic connection type to measure the receiver sensitivity. The impedance of the receiver usually is 50Ω, so the output impedance of standard signal generator(SSG) also should be 5OΩ. We should notice the following points: the connecting impedance of the measuring equipment should be identical; the impedance of electric cable should be identical; connector should have excellent impedance chracteristic within the limits of measuring frequency; the cable should be as short as possible; high-powered tester should be adopted; the output terminal of SSG should connect high-frequency fuse wire. (View)
View full Circuit Diagram | Comments | Reading(618)
Published:2011/7/16 9:39:00 Author:Sophia | Keyword: Shunt capacitance, Frequency characteristic
Power supply decoupling circuit usually adopts shunt capacitance and choose the optimum capacity and variety according to the frequency band of the circuits. Especially in high frequency circuit, shunt capacitance can reduce the power supply impedance, so the choice of the capacitor should choose deliberately. The diagram is the impedance and frequency chacateristic of ceramic capacitor. Theoretically, the capacitor impedance is 1/(2πfC). But the higher capacitance, the higher frequency, the lower impedance. because of the influence of the internal impedance, in excess of regular frequency, the impedance of the real capacitor will be higher on the contrary. So when the impedance reach the lowest point, the capacitance will be low and the frequency will be the highest. In the diagram a and b, when the capacitance is 10000pF, the frequency is 10MHZ; when the capacitance is 1000pF, the frequency is 40MHZ. When the frequency is high, shunt capacitance adopts low capacity capacitance, which will have better effect than high capacity.
(View)
View full Circuit Diagram | Comments | Reading(684)
Published:2011/7/24 22:31:00 Author:Ecco | Keyword: Multi-waveform signal generator
View full Circuit Diagram | Comments | Reading(5031)
Published:2011/7/18 5:23:00 Author:nelly | Keyword: blinking, electronic cat


As shown on the figure 11-25, the astable multivibrator consists of the 555 and R1 and R2 and C. f=1.44/(R1 +2R2)C, the oscillation frequency on the figure is about 1Hz, the duty ratio is 50%. The high power level which outputs drives LED1 and the low power drives the LED2 drives the LED2. The LED1 and LED2 can light in turn. The R3 and R4 are Current-limiting protective resistances.
(View)
View full Circuit Diagram | Comments | Reading(543)
Published:2011/7/18 5:27:00 Author:nelly | Keyword: monitoring battery, undervoltage condition, indication circuit


As shown in the figure 10-25, undervoltage indication circuit is composed as the core of 555, when the monitoring voltage is undervoltage, it will send out alarm indication. In the figure, the circuit parameter is the monitoring voltage Vx=15v, when the battery voltage drops to 12V, LED1 turns on. 555's 5 foot is connected to 6V Zener diode, when the measured voltage drops, 2 foot's voltage VA≈Vx·R2/(R1+R2)=3.2v. When VA is lower than 3.2V, 555 is set, the output is high level, LED1 turns on, it shows that the battery should be charged or protected. For other monitored voltages(in the range of 5~15V), they also can be designed as this theory.
(View)
View full Circuit Diagram | Comments | Reading(1264)
Published:2011/7/18 5:28:00 Author:nelly | Keyword: Electric shock, overvoltage, security monitor
As shown on the figure 10-2, the security monitor includes a reduction voltage rectification circuit,a current transformer, a triggering circuit and a overvoltage protection circuit. The 555 is connected as the R-S trigger,when the body gets an electric shock and the current is greater than 15mA, the L1's actuated signal will make the 555 trigger flip and the three foot turns into the low power level. Then the SCR1 will not touch off, the J will release, the J1-1 and J1-2 will be disconnected, the power will be cut out through this way. The SCR2, D1, R2~R6, C4 make up the overvoltage protection circuit. When the voltage rises to 250V, the SCR2 will be turn-on,then the four foot will be low power level, the 555 will be forcibly reset and the J will be release, the power will be disconnected.
(View)
View full Circuit Diagram | Comments | Reading(1568)
Published:2011/7/24 20:35:00 Author:Christina | Keyword: Fan speed, control circuit, NE555, time-base circuit
The NE555 of the circuit is connected into the square wave generator with the adjustable duty ratio. When the NE555 outputs the high level, the zero-crossing-on-off-type optocoupler MOC3061's primary stage gets the 10mA forward current to make the internal gallium silicide infrared emitting diode sends out the IR, this IR conducts the photosensitive two-way switch of the zero-crossing detector when the city electricity is crossing zero, and it turns on the power supply of the fan motor, the fan operates to supply the wind. When the pin-3 of the NE555 outputs the low level, the two-way switch turns off, the fan stops.
The MOC3061 has the certain drive ability to directly use the internal two-way switch of the MOC3061 to control the electric fan motor without the power drive component.
(View)
View full Circuit Diagram | Comments | Reading(2737)
| Pages:148/195 At 20141142143144145146147148149150151152153154155156157158159160Under 20 |