Position: Home > Circuit Diagram > Signal Processing > Index 192
Low Cost Custom Prototype PCB Manufacturer

Signal Processing

Index 192



Sawtooth wave circuit generated by NE566V

Published:2011/4/12 22:47:00 Author:Ecco | Keyword: Sawtooth wave

Sawtooth wave circuit generated by NE566V
  (View)

View full Circuit Diagram | Comments | Reading(619)

20kHz Waveform Generator composed of NE566V

Published:2011/4/12 22:49:00 Author:Ecco | Keyword: 20kHz , Waveform Generator

20kHz Waveform Generator composed of NE566V
  (View)

View full Circuit Diagram | Comments | Reading(531)

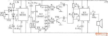
Special sound audio oscillator circuit(NE555、CD4017)

Published:2011/4/6 20:12:00 Author:Ecco | Keyword: Special sound , audio oscillator

Special sound audio oscillator circuit(NE555、CD4017)
  (View)

View full Circuit Diagram | Comments | Reading(3246)

Linear voltage-controlled oscillator(555)

Published:2011/4/10 22:13:00 Author:Ecco | Keyword: Linear , voltage-controlled oscillator, 555

Linear voltage-controlled oscillator(555)
  (View)

View full Circuit Diagram | Comments | Reading(1034)

Noise generator with various sounds composed of HT2880

Published:2011/4/12 0:52:00 Author:Ecco | Keyword: Noise generator , various sounds

Noise generator with various sounds composed of HT2880
This circuit can produce eight kinds of sounds, that are two kinds of guns' sounds, two bomb sounds, dual-tone melody, the game sound, animal sounds and the sound of rifles. The eight sounds can be played by rotary switch S2 and button switch. HT2880 is a CMOS LSI's ROM chip. In the circuit, the transistors VT1 and VT2 connects as Darlington tubes, they are used as forecast the output signal of pins.   (View)

View full Circuit Diagram | Comments | Reading(2169)

Negative resistance LED oscillation circuit

Published:2011/4/10 22:38:00 Author:Nicole | Keyword: negative resistance, LED, oscillation

Negative resistance LED oscillation circuit
This circuit can cover 3.2~8.0 kHz frequency range. It can inspire the loudspeaker which is connected on X point. In oder to obtain lower frequency and large sound, it should change C1 into 1μF. The negative resistance part of this circuit consists of Q1, Q2, LED, R2 and R3. Optical isolator device is MCF-2 or equivalent component.   (View)

View full Circuit Diagram | Comments | Reading(711)

Noise generator composed of CH4040

Published:2011/4/12 0:38:00 Author:Ecco | Keyword: Noise generator

Noise generator composed of CH4040
  (View)

View full Circuit Diagram | Comments | Reading(914)

Wien-bridge sine wave generator 1

Published:2011/4/10 22:42:00 Author:Ecco | Keyword: Wien-bridge , sine wave generator

Wien-bridge sine wave generator 1
  (View)

View full Circuit Diagram | Comments | Reading(742)

Wien-bridge sine wave generator 2

Published:2011/4/10 22:43:00 Author:Ecco | Keyword: Wien-bridge , sine wave generator

Wien-bridge sine wave generator 2
  (View)

View full Circuit Diagram | Comments | Reading(621)

Wien-bridge sine wave generator 3

Published:2011/4/10 22:45:00 Author:Ecco | Keyword: Wien-bridge, sine wave generator

Wien-bridge sine wave generator 3
  (View)

View full Circuit Diagram | Comments | Reading(1255)

Multi-purpose FM signal generator

Published:2011/4/12 2:54:00 Author:Ecco | Keyword: Multi-purpose , FM signal generator

Multi-purpose FM signal generator
The multi-purpose FM signal generator is shown in the chart. VTl, VT2 form multivibrator, VT3 is emitter follower, which makes a frequency modulation to osicillating signal source of VT4, and sent by Tx antenna.   (View)

View full Circuit Diagram | Comments | Reading(1683)

Frequency shift keying signal (FSK) generator

Published:2011/4/12 3:37:00 Author:Ecco | Keyword: Frequency shift keying, signal generator

Frequency shift keying signal (FSK) generator
  (View)

View full Circuit Diagram | Comments | Reading(1170)

60Hz frequency source

Published:2011/4/12 3:33:00 Author:Ecco | Keyword: 60Hz, frequency source

60Hz frequency source
  (View)

View full Circuit Diagram | Comments | Reading(474)

Digital display clock signal source (CD4543、CD4060、CD4518)

Published:2011/4/12 3:23:00 Author:Ecco | Keyword: Digital display clock , signal source

Digital display clock signal source (CD4543、CD4060、CD4518)
Digital display clock signal source circuit shown as the chart is taken from a actual circuit of multi-point detection control box . It mainly consists of automatic and manual clock pulse generator pulse generator, pulse counter and digital display.   (View)

View full Circuit Diagram | Comments | Reading(4217)

Square-wave generator composed of CD4046

Published:2011/4/12 3:41:00 Author:Ecco | Keyword: Square-wave generator

Square-wave generator composed of CD4046
  (View)

View full Circuit Diagram | Comments | Reading(1049)

The ring oscillator with delay circuit composed of TTL NOT gate

Published:2011/4/6 4:08:00 Author:Ecco | Keyword: ring oscillator , delay circuit , TTL NOT gate

The ring oscillator with delay circuit composed of TTL NOT gate
  (View)

View full Circuit Diagram | Comments | Reading(1367)

Duty ratio and frequency adjustable multivibrator composed of double monostable trigger CC4528

Published:2011/4/6 20:11:00 Author:Ecco | Keyword: Duty ratio , frequency adjustable , multivibrator, double monostable trigger

Duty ratio and frequency adjustable multivibrator composed of double monostable trigger CC4528
  (View)

View full Circuit Diagram | Comments | Reading(632)

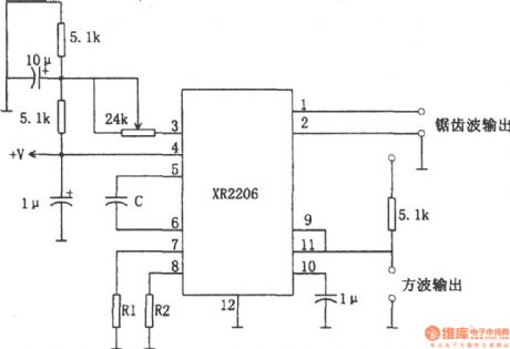
Square wave and sawtooth wave oscillator composed of XR2206

Published:2011/4/6 2:42:00 Author:Ecco | Keyword: Square wave , sawtooth wave , oscillator

Square wave and sawtooth wave oscillator composed of XR2206
  (View)

View full Circuit Diagram | Comments | Reading(2357)

Square wave and triangle wave oscillator(5532)

Published:2011/4/6 2:44:00 Author:Ecco | Keyword: Square wave , triangle wave , oscillator

Square wave and triangle wave oscillator(5532)
  (View)

View full Circuit Diagram | Comments | Reading(1652)

Low noise sine wave crystal oscillator circuit

Published:2011/3/27 22:37:00 Author:may | Keyword: Low noisecrystal oscillator, sine wave crystal oscillator

Low noise sine wave crystal oscillator circuit
  (View)

View full Circuit Diagram | Comments | Reading(1165)

Pages:192/195 At 20181182183184185186187188189190191192193194195