Published:2011/5/22 2:19:00 Author:Robert | Keyword: Modulaor
The picture shows the peak value rectifier's voltage doubler circuit which is used as the test-head circuit. It is used to control the high resistance display circuit loop (FET voltage meter). It can work under high-frequency conditions because all high-frequency components are all using very short lead. If the length of the lead is no more than 2mm, this circuit can work at the VHF area.
(View)
View full Circuit Diagram | Comments | Reading(497)
Published:2011/5/22 2:32:00 Author:Robert | Keyword: Condensation Sensors, Application
Condensation sensors can be used in video recorders and other a variety of humidity control circuits. This picture shows the bathroom mirror automatic moisture removal device which is made by the condensation sensor.
(View)
View full Circuit Diagram | Comments | Reading(676)
Published:2011/5/22 4:13:00 Author:Robert | Keyword: Infrared, Demodulation, Low-Noise, Amplifier


This circuit uses the HgCdTe demodulation device which can be cooled to 77K in liquid nitrogen. It uses a constant current bias for the demodulation device which is connected to the input port. The voltage's amplification factor is 200 and the bandwidth is above 1MHz. The noise factor is 1.5dB when use the typical demodulation device.
This circuit uses two referenced voltage source to prevent the influence on the collector pole's current of transistor TR2 and TR4 by the change of power supply's voltage.
(View)
View full Circuit Diagram | Comments | Reading(1548)
Published:2011/5/21 0:58:00 Author:Robert | Keyword: Pulse, Electronic, Fishing Device
For the pulse electronic fishing device, the primary coil uses the 2.5 copper wire to reel 60 cycles. The secondary coil uses the 1.5 copper wire to reel 160 cycles with the opposite direction and connect to the negative pole. The primary 20 cycles' coil contactor is connected with some small heat-sinking capacitances which could use two 30uF 600V capacitance in parallel.
(View)
View full Circuit Diagram | Comments | Reading(2590)
Published:2011/5/19 9:47:00 Author:Lena | Keyword: microwave, spotlight
(View)
View full Circuit Diagram | Comments | Reading(480)
Published:2011/5/19 20:35:00 Author:Borg | Keyword: signal equipment, VOLCANE-Citroen
The signal equipment circuit of VOLCANE-Citroen includes loudspeaker(20), steering signal lamps(488-491) and two suites of flashes, and all of them are under control of the flash relay(170), the steering lamp switch(part of the combination switch) controls the left-steering or right-steering signals. when the car run straight, the steer can cut off steering signal automatically.The danger alarm signal is delivered by the switch of 589, at the same time, the flash current is alternating its source, from F3(though igniting switch) to F6(battery fire wire of 30). (View)
View full Circuit Diagram | Comments | Reading(829)
Published:2011/5/19 6:28:00 Author:Borg | Keyword: drive circuit, zooming motors


AN6663S is an integrated drive circuit of zooming motors produced by Panasonic, which is widely used in all kinds of NV camcorders of Panasonic.AN6663S is used in Panasonic NV一M9000 as the typical applicaiton circuit, see as Figure 1. The IC is in 8-lead dual in-line package, and its pin functions and data are listed in Table 1.
Figure 1 the typical application circuit of AN66635
Table 1 pin functions and data of AN663S (View)
View full Circuit Diagram | Comments | Reading(756)
Published:2011/5/19 20:02:00 Author:Borg | Keyword: wiring circuit, DPCA-VOLCANE
Only when the light switch(211) is at the 2 gear, can the head lights of 786 and 787(low beam), and fog light of 484 and 485 be connected, besides the fog lights are controlled by the 588 switch(see as the figure).
211-left combination switch; 300-igniting switch; 310,311-left-right front door lamp switch;314-back up lamp switch; 319-brake lamp switch; 492,493-left-front and right-front position lamp; 496,497-left-rear and right-rear position lamp; 498,499-left-right back-up lamp; 504,505-left and right brake lamps; 786,787-left-and-right front headlights; 806-head fog light relay (View)
View full Circuit Diagram | Comments | Reading(656)
Published:2011/5/19 18:07:00 Author:Robert | Keyword: Three-Wire, RTD, Connection
The XTR108 three-wire RTD connection circuit is shown in the picture shown below. It may cause errors by connecting RTD sensor lead resistance. Using the 1 and 2 connection method in the picture, the lead resistances would be the same if 1 and 2 have the same lead length to XTR108. And the caused disturbance size and direction also are the same. This disturbance is common-mode voltage. The common-mode voltage ca be limited by the XTR108's PGA. This circuit has 5 optional temperature range by choosing R21~R25 to choose 5 different minimum temperature features.
(View)
View full Circuit Diagram | Comments | Reading(1297)
Published:2011/5/19 7:49:00 Author:Robert | Keyword: Simple, Pulse Signal, Generator
The Simple Pulse Signal Generator Circuit Composed Of 74LS221is shown in the picture. This signal generator mainly uses two TTL integrated circuit 74LS221 to generate the t=4us pulse signals. The components used is less, so it is easy to debug and maintain.
(View)
View full Circuit Diagram | Comments | Reading(2493)
Published:2011/5/19 17:45:00 Author:Robert | Keyword: Voltage-Current Converter
As shown in the picture, when the output current exceeds 40mA the internal resistance 50Ω in the XTR110 (R9) should be replaced by external resistance REXT. REXT is connected between the 13 foot and 16 foot. REXY=R9(original span/required span). For example, the XTR110 in the picture's original span is 20mA and now the required span is 10A. If R9=50Ω, then the REXT=R9=50X(20/10000)=0.1Ω.
(View)
View full Circuit Diagram | Comments | Reading(3412)
Published:2011/5/17 5:49:00 Author:Robert | Keyword: Toy, Sprots Model, Flashlight
The flashlight has been installed two batteries. When irradiating the phototube Q1 with distance about 152.4cm (5 feet), the toy or sports model's motor could be started and can maintain running about 457.2cm (15 feet) in irradiation of normal room lamp light. Any PNP type power transistors Q2 arerequired to stand the model motor's flowing current. The battery is installed in the model.
(View)
View full Circuit Diagram | Comments | Reading(523)
Published:2011/5/17 5:45:00 Author:Robert | Keyword: Differential, Combustible Gas, Detector
In this circuit, BG1 and BG2's values should be as same as possible and it is best to choose differential pairs. Using this differential circuit the sensitivity of detecting gas could be 100×10^-6.
The Differential Combustible Gas Detector Circuit is shown below.
(View)
View full Circuit Diagram | Comments | Reading(863)
Published:2011/5/17 21:42:00 Author:Robert | Keyword: Capacitive, Humidity Sensor, Application
The Capacitive Humidity Sensor Application Circuit is shown below.
(View)
View full Circuit Diagram | Comments | Reading(922)
Published:2011/5/17 5:49:00 Author:Robert | Keyword: Triode Transistor, Internal
The Triode Transistor PD160F80 Internal Circuit is shown below.
(View)
View full Circuit Diagram | Comments | Reading(432)
Published:2011/5/17 5:40:00 Author:Robert | Keyword: Jinuoer Brand, Refrigerator
The Jinuoer Brand BCD-170 Refrigerator Circuit is shown below.
(View)
View full Circuit Diagram | Comments | Reading(580)
Published:2011/5/17 5:41:00 Author:Robert | Keyword: Triode, Transistor, Internal Circuit
The Triode Transistor PE110F160 Internal Circuit is shown below.
(View)
View full Circuit Diagram | Comments | Reading(471)
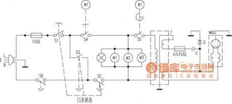
Published:2011/5/17 21:02:00 Author:Ecco | Keyword: Glanz two repairing cases , microwave
Example 1 Symptom: When it turns on, the furnace lights are lit, dial is in normal operation, but does not heat. Analysis on repairing: the reasons may be the high voltage circuit malfunction or no microwave output caused by magnetron. When people open the shell, the high-voltage fuse has been blown. According to the machine circuit (see photo) analysis, it may caused by the high current overload, and the reason may be a high voltage capacitor C breakdown, high voltage diode D breakdown, or magnetron breakdown. People should check the normal high voltage diodes, and then check the high voltage capacitor C, if they find breakdown, they should test machine after replacement, the trouble is removed.
(View)
View full Circuit Diagram | Comments | Reading(986)
Published:2011/5/17 8:24:00 Author:Borg | Keyword: electrically erasable programmable, read-only
AT24C161OPC(RA)--is an electrically erasable programmable read-only ROM of Ko (View)
View full Circuit Diagram | Comments | Reading(560)
Published:2011/5/16 21:26:00 Author:Sharon | Keyword: Am Modulation, Collector Modulation



AM waveform and the modulation
(View)
View full Circuit Diagram | Comments | Reading(2566)
| Pages:103/126 At 20101102103104105106107108109110111112113114115116117118119120Under 20 |