Published:2011/7/17 22:56:00 Author:Fiona | Keyword: Two-stage, tuning
Two-stage tuning circuit is shown as above:
(View)
View full Circuit Diagram | Comments | Reading(757)
Published:2011/7/17 2:01:00 Author:Fiona | Keyword: Photodiode, amplifier
Photodiode amplifier circuit is shown as above:
(View)
View full Circuit Diagram | Comments | Reading(2546)
Published:2011/7/17 1:52:00 Author:Fiona | Keyword: Piezoelectric transducer, amplifier
Piezoelectric transducer of amplifier circuit is shown as above:
(View)
View full Circuit Diagram | Comments | Reading(5789)
Published:2011/7/17 1:42:00 Author:Fiona | Keyword: AC and DC converter
Precise AC and DC converter circuit is shown as above:
(View)
View full Circuit Diagram | Comments | Reading(827)
Published:2011/7/17 1:40:00 Author:Fiona | Keyword: Low power, test
Low power integrated circuit test circuit is shown as above:
(View)
View full Circuit Diagram | Comments | Reading(646)
Published:2011/7/17 1:37:00 Author:Fiona | Keyword: differential input, instrumentation amplifier
Differential input instrumentation amplifier circuit is shown as above:
(View)
View full Circuit Diagram | Comments | Reading(1080)
Published:2011/7/18 0:54:00 Author:Fiona | Keyword: converting generator
Fast converting generator circuit is shown as above:
(View)
View full Circuit Diagram | Comments | Reading(565)
Published:2011/7/18 10:12:00 Author:Robert | Keyword: High-Speed, Out-Phase, Amplification
The picture shows the high-speed out-phase amplification circuit. (View)
View full Circuit Diagram | Comments | Reading(570)
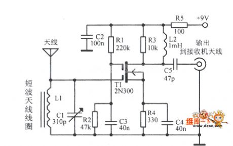
Published:2011/7/18 10:17:00 Author:Robert | Keyword: Simple, Shortwave, Signal, Amplification
The picture shows the simple shortwave signal amplification circuit. (View)
View full Circuit Diagram | Comments | Reading(675)
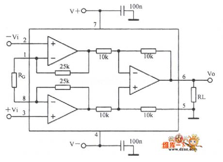
Published:2011/7/19 10:01:00 Author:Robert | Keyword: Practical, Gain, Programmable, Isolation, Amplifier
The picture shows the practical gain programmable isolation amplifier circuit. (View)
View full Circuit Diagram | Comments | Reading(787)
Published:2011/7/19 10:09:00 Author:Robert | Keyword: High-Speed, Digital-Control, Gain, Programmable, Amplification
The picture shows the high-speed digital-control gain programmable amplification circuit. (View)
View full Circuit Diagram | Comments | Reading(495)
Published:2011/7/19 10:04:00 Author:Robert | Keyword: Gain, Programmable, Isolation, Amplifier
The picture is about the gain programmable isolation amplifier circuit. (View)
View full Circuit Diagram | Comments | Reading(514)
Published:2011/7/19 2:31:00 Author:Joyce | Keyword: Operational Amplifier, SRS Effector
Operational Amplifier Used as SRS Effect Processor: R will be subtracted from L by IC1 to get a L-R signal. It will be sent into IC4 to be band-pass filtered to output f (L-R) signal after it is buffered and gain adjusted by IC2. IC3 will add the signal inversely to get -n(L+R), in which n is the gain in this stage regulated by 10k potentiometer. IC5 and IC6 are two full adder circuits, which are used to mix all kinds of signals. The output signal of IC5 is R+n(L+R)+f(L-R),which will be sent to track R to be amplified, and that of IC6 is L+n(L+R)+f(L-R),which will be sent to track L to be amplified. Extensity and contrast ratio will be regulated by potentiometer which will be connected externally by IC2 and IC3 respectively. (View)
View full Circuit Diagram | Comments | Reading(1357)
Published:2011/7/17 7:31:00 Author:Fiona | Keyword: Single chip microcomputer, interface
Single chip microcomputer and CF card interface circuit is shown as above:
(View)
View full Circuit Diagram | Comments | Reading(1399)
Published:2011/7/18 1:39:00 Author:Sue | Keyword: Low Noise, Audio, Preamplifier
The low noise audio preamplifier integrated circuit LM381 can be used with direct current, alternating current circuit technology to satisfy the compensation standard of Recording Industry Association of America(RIAA). (View)
View full Circuit Diagram | Comments | Reading(739)
Published:2011/7/18 10:08:00 Author:Robert | Keyword: Practical, Wideband, VHF, Amplification
The picture shows the practical wideband VHF signal amplification circuit. (View)
View full Circuit Diagram | Comments | Reading(1477)
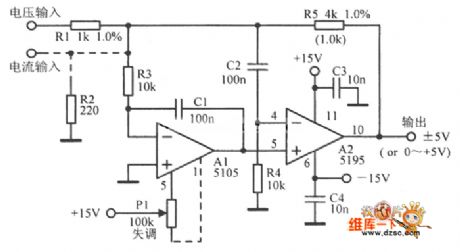
Published:2011/7/19 9:04:00 Author:Robert | Keyword: High-Precision, Variable-Gain, Instrumentation, Amplification
The picture shows the high-precision variable-gain instrumentation amplification circuit. (View)
View full Circuit Diagram | Comments | Reading(577)
Published:2011/7/19 9:07:00 Author:Robert | Keyword: Operational, Amplification, Principle, Low, Power Consumption
The picture shows thean operational amplification principle circuit with low power consumption. (View)
View full Circuit Diagram | Comments | Reading(556)
Published:2011/7/18 19:40:00 Author:Robert | Keyword: Precise, Operational, Amplification, Noise


The pictures show the precise operational amplification circuit with extreme low noise. (View)
View full Circuit Diagram | Comments | Reading(783)
Published:2011/7/19 9:12:00 Author:Robert | Keyword: Low-Cost, Low-Noise, Gain, Programmable, Amplification
The picture shows the low-cost low-noise gain programmable amplification circuit. (View)
View full Circuit Diagram | Comments | Reading(503)
| Pages:175/250 At 20161162163164165166167168169170171172173174175176177178179180Under 20 |