Low Cost Custom Prototype PCB Manufacturer

Electrical Equipment Circuit

Index 104



Huari Brand BY-150D Refrigerator Circuit

Published:2011/5/17 7:25:00 Author:Robert | Keyword: Huari Brand, Refrigerator

Huari Brand BY-150D Refrigerator Circuit
The Huari Brand BY-150D Refrigerator Circuit is shown below.   (View)

View full Circuit Diagram | Comments | Reading(839)

Capatitive Humidity Sensor Application Circuit

Published:2011/5/17 8:40:00 Author:Robert | Keyword: Capatitive, Humidity Sensor, Application

Capatitive Humidity Sensor Application Circuit
The Capatitive Humidity Sensor Application Circuit is shown below.   (View)

View full Circuit Diagram | Comments | Reading(1013)

East-Qiluowa Brand BCD-250C Refrigerator Circuit

Published:2011/5/17 8:21:00 Author:Robert | Keyword: East-Qiluowa Brand, Refrigerator

East-Qiluowa Brand BCD-250C Refrigerator Circuit
The East-Qiluowa Brand BCD-250C Refrigerator Circuit is shown below.   (View)

View full Circuit Diagram | Comments | Reading(2353)

Electronic Autoregulation Fishing Device Circuit

Published:2011/5/17 8:18:00 Author:Robert | Keyword: Electronic, Autoregulation, Fishing Device

Electronic Autoregulation Fishing Device Circuit
The Electronic Autoregulation Fishing Device Circuit is shown below.   (View)

View full Circuit Diagram | Comments | Reading(1555)

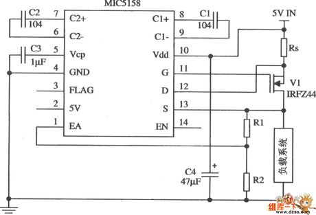
Constant Current Circuit Composed Of MIC5158

Published:2011/5/17 8:25:00 Author:Robert | Keyword: Constant Current

Constant Current Circuit Composed Of MIC5158
The Constant Current Circuit Composed Of MIC5158 is shown below.   (View)

View full Circuit Diagram | Comments | Reading(1028)

Shasong Brand BCD-180 Refrigerator Circuit

Published:2011/5/17 8:29:00 Author:Robert | Keyword: Shasong Brand, Refrigerator

Shasong Brand BCD-180 Refrigerator Circuit
The Shasong Brand BCD-180 Refrigerator Circuit is shown below.   (View)

View full Circuit Diagram | Comments | Reading(782)

Electronic Autoregulation Fishing Device Circuit (2)

Published:2011/5/17 8:17:00 Author:Robert | Keyword: Electronic, Autoregulation, Fishing Device

Electronic Autoregulation Fishing Device Circuit (2)
The Electronic Autoregulation Fishing Device Circuit (2) is shown below.   (View)

View full Circuit Diagram | Comments | Reading(2728)

Triode Transistor MSS40,MSS50 Internal Circuit

Published:2011/5/17 8:35:00 Author:Robert | Keyword: Triode Transistor, Internal

Triode Transistor MSS40,MSS50 Internal Circuit
The Triode Transistor MSS40,MSS50 Internal Circuit is shown below.   (View)

View full Circuit Diagram | Comments | Reading(714)

5V Current Limiting Circuit Composed Of MIC2951

Published:2011/5/17 8:13:00 Author:Robert | Keyword: 5V, Current Limiting

5V Current Limiting Circuit Composed Of MIC2951
The 5V Current Limiting Circuit Composed Of MIC2951 is shown below. According to the difference of load current, the minimum voltage difference between input and outputis from 40mV to 400mV.   (View)

View full Circuit Diagram | Comments | Reading(978)

Electronic Fishing Device Production Line Circuit

Published:2011/5/17 8:38:00 Author:Robert | Keyword: Electronic Fishing Device, Production Line

Electronic Fishing Device Production Line Circuit
The Electronic Fishing Device Production Line Circuit is shown below.   (View)

View full Circuit Diagram | Comments | Reading(3152)

Shasong Brand Indirect Cooling Refrigerator Circuit

Published:2011/5/17 8:37:00 Author:Robert | Keyword: Shasong Brand, Indirect Cooling, Refrigerator

Shasong Brand Indirect Cooling Refrigerator Circuit
The Shasong Brand Indirect Cooling Refrigerator Circuit is shown below.   (View)

View full Circuit Diagram | Comments | Reading(728)

250W SCR Inverter Circuit

Published:2011/5/17 8:08:00 Author:Robert | Keyword: 250W, SCR, Inverter

250W SCR Inverter Circuit
The 250W SCR Inverter Circuit is shown below.   (View)

View full Circuit Diagram | Comments | Reading(4526)

LWY8 Positive Integrated Regulator Typical Application Circuit

Published:2011/5/17 8:33:00 Author:Robert | Keyword: Positive, Integrated, Regulator, Application

LWY8 Positive Integrated Regulator Typical Application Circuit
The LWY8 Positive Integrated Regulator Typical Application Circuit is shown below.   (View)

View full Circuit Diagram | Comments | Reading(594)

East-Qiluowa Brand BCD-215 Refrigerator Circuit

Published:2011/5/17 8:05:00 Author:Robert | Keyword: East-Qiluowa Brand, Refrigerator

East-Qiluowa Brand BCD-215 Refrigerator Circuit
The East-Qiluowa Brand BCD-215 Refrigerator Circuit is shown below.   (View)

View full Circuit Diagram | Comments | Reading(1500)

Electric Fish Machine Production Circuit (2)

Published:2011/5/17 8:04:00 Author:Robert | Keyword: Electric Fish Machine, Production

Electric Fish Machine Production Circuit (2)
The Electric Fish Machine Production Circuit (2) is shown below.   (View)

View full Circuit Diagram | Comments | Reading(7085)

Pulse DC Electronic Fishing Device Circuit

Published:2011/5/17 8:28:00 Author:Robert | Keyword: Pulse, DC, Electronic, Fishing Device

Pulse DC Electronic Fishing Device Circuit
The Pulse DC Electronic Fishing Device Circuit is shown below.   (View)

View full Circuit Diagram | Comments | Reading(1234783)

East-Qiluowa Brand BCD-210C Refrigerator Circuit

Published:2011/5/17 8:02:00 Author:Robert | Keyword: East-Qiluowa Brand, Refrigerator

East-Qiluowa Brand BCD-210C Refrigerator Circuit
The East-Qiluowa Brand BCD-210C Refrigerator Circuit is shown below.   (View)

View full Circuit Diagram | Comments | Reading(837)

Pulse DC Electronic Fishing Device Circuit (2)

Published:2011/5/17 8:27:00 Author:Robert | Keyword: Pulse, DC, Electronic, Fishing Device

Pulse DC Electronic Fishing Device Circuit (2)
The Pulse DC Electronic Fishing Device Circuit (2) is shown below.   (View)

View full Circuit Diagram | Comments | Reading(1950)

Pulse DC Electronic Fishing Device Circuit (3)

Published:2011/5/17 8:22:00 Author:Robert | Keyword: Pulse, DC, Electronic, Fishing Device

Pulse DC Electronic Fishing Device Circuit (3)
The Pulse DC Electronic Fishing Device Circuit (3) is shown below.   (View)

View full Circuit Diagram | Comments | Reading(2537)

Half-Wave Rectifier Circuit

Published:2011/5/17 7:11:00 Author:Robert | Keyword: Half-Wave, Rectifier

Half-Wave Rectifier Circuit
The Half-Wave Rectifier Circuit is shown below.   (View)

View full Circuit Diagram | Comments | Reading(3063)

Pages:104/126 At 20101102103104105106107108109110111112113114115116117118119120Under 20