Low Cost Custom Prototype PCB Manufacturer

Measuring and Test Circuit

Index 4



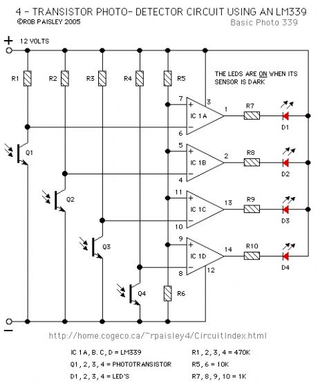
Practical Quad Photo-Detector Circuit

Published:2013/6/6 20:32:00 Author:muriel | Keyword: Practical Quad Photo-Detector Circuit

Practical Quad Photo-Detector Circuit
The next circuit is for a practical 4 photo-detector circuit using an LM339 Quad comparator IC. Although phototransistors are shown, photocells could also be used with the corresponding change in values for resistors R1 through R4. This circuit can also be used for infrared detector circuits as shown above. The values for resistors R7 through R10 can also be changed depending on the required LED current.   (View)

View full Circuit Diagram | Comments | Reading(1395)

Infrared Light Photo-Detector Circuit

Published:2013/6/6 20:31:00 Author:muriel | Keyword: Infrared Light , Photo-Detector Circuit

Infrared Light Photo-Detector Circuit
In this circuit the light falling on the phototransistor will be from an Infrared Light Emitting Diode (IrLED) but otherwise it is the same as the phototransistor circuit shown above. When the light falling on the phototransistor (Q1) is blocked, its conductance will decrease and the voltage across Q1 will rise. When the voltage rises above 1/2 of the supply voltage the output of the comparator will turn ON and the LED will be lit.   (View)

View full Circuit Diagram | Comments | Reading(1134)

Basic CdS Photocell Detector

Published:2013/6/6 20:31:00 Author:muriel | Keyword: Basic CdS Photocell Detector

Basic CdS Photocell Detector
In this circuit, when the light falling on the photocell (PC 1) is blocked, its resistance will increase and the voltage across PC 1 will rise. When the voltage rises above 1/2 of the supply voltage the output of the comparator will turn ON and the LED will be lit. Due to wide variations in CdS photocells it is usually best to install the cell and then measure its resistance under normal lighting conditions. A resistor with a value that is approximately 3 to 5 times the measured resistance of the cell is then selected for R1. For example; If the cell resistance is measured at 400 ohms then a 1200 to 2200 ohms resistor would be used. Increasing the value of R1 will cause the sensitivity of the sensor to decrease. This may be necessary when the light falling on the cell is not very strong or shadows can affect the photocell. This circuit can be adapted for use in dark areas by placing a small light above the photocell.   (View)

View full Circuit Diagram | Comments | Reading(1442)

Visible Light Photo-Detector Circuits

Published:2013/6/6 20:30:00 Author:muriel | Keyword: Visible Light, Photo-Detector Circuits

Visible Light Photo-Detector Circuits
  (View)

View full Circuit Diagram | Comments | Reading(1011)

Very Long Range Laser Pointer Detector

Published:2013/6/5 22:05:00 Author:muriel | Keyword: Very Long Range, Laser Pointer Detector

Very Long Range Laser Pointer Detector
  (View)

View full Circuit Diagram | Comments | Reading(1368)

LEGO® RCX Brick Rechargeable Battery Tester

Published:2013/5/31 2:04:00 Author:muriel | Keyword: LEGO, RCX Brick Rechargeable , Battery Tester

LEGO® RCX Brick Rechargeable Battery Tester
  (View)

View full Circuit Diagram | Comments | Reading(1494)

Optoisolator Type Block Occupancy Detector - LM555 Timer Output Schematic

Published:2013/5/31 2:03:00 Author:muriel | Keyword: Optoisolator Type, Block Occupancy Detector, LM555 Timer Output Schematic

Optoisolator Type Block Occupancy Detector - LM555 Timer Output Schematic
  (View)

View full Circuit Diagram | Comments | Reading(1730)

Optoisolator Type Detector With A LM555 Timer Output

Published:2013/5/31 2:02:00 Author:muriel | Keyword: Optoisolator Type Detector, LM555 Timer Output

Optoisolator Type Detector With A LM555 Timer Output
  (View)

View full Circuit Diagram | Comments | Reading(1063)

Direction Indicating Detector

Published:2013/5/31 2:02:00 Author:muriel | Keyword: Direction Indicating Detector

Direction Indicating Detector
  (View)

View full Circuit Diagram | Comments | Reading(1466)

Time Delay Detector

Published:2013/5/31 2:01:00 Author:muriel | Keyword: Time Delay Detector

Time Delay Detector
  (View)

View full Circuit Diagram | Comments | Reading(1055)

Basic Detector

Published:2013/5/31 2:01:00 Author:muriel | Keyword: Basic Detector

Basic Detector
  (View)

View full Circuit Diagram | Comments | Reading(1157)

G.P. Block Occupancy Detector - Input Options

Published:2013/5/31 1:59:00 Author:muriel | Keyword: G.P. , Block Occupancy Detector, Input Options

G.P. Block Occupancy Detector - Input Options
  (View)

View full Circuit Diagram | Comments | Reading(927)

G.P. Block Occupancy Detector Input Wiring Schematic

Published:2013/5/31 1:59:00 Author:muriel | Keyword: G.P., Block Occupancy Detector, Wiring Schematic

G.P. Block Occupancy Detector Input Wiring Schematic
  (View)

View full Circuit Diagram | Comments | Reading(1332)

General Purpose Block Occupancy Detector

Published:2013/5/31 1:58:00 Author:muriel | Keyword: General Purpose , Block Occupancy Detector

General Purpose Block Occupancy Detector
  (View)

View full Circuit Diagram | Comments | Reading(1058)

Comparator Based DCC or AC Block Occupancy DetectorSchematic

Published:2013/5/31 1:57:00 Author:muriel | Keyword: DCC , AC Block, Occupancy Detector Schematic

Comparator Based DCC or AC Block Occupancy DetectorSchematic
  (View)

View full Circuit Diagram | Comments | Reading(1132)

4 Level Detector Schematic

Published:2013/5/31 1:51:00 Author:muriel | Keyword: 4 Level Detector Schematic

4 Level Detector Schematic
  (View)

View full Circuit Diagram | Comments | Reading(1545)

Voltage Window Detector Circuit

Published:2013/5/31 1:46:00 Author:muriel | Keyword: Voltage Window Detector Circuit

Voltage Window Detector Circuit
  (View)

View full Circuit Diagram | Comments | Reading(1992)

Proximity Detector

Published:2013/5/28 22:19:00 Author:muriel | Keyword: Proximity Detector

Proximity Detector
  (View)

View full Circuit Diagram | Comments | Reading(0)

Infrared - Proximity Detector Circuit 2

Published:2013/5/28 22:17:00 Author:muriel | Keyword: Infrared - Proximity Detector Circuit

Infrared - Proximity Detector Circuit 2
  (View)

View full Circuit Diagram | Comments | Reading(960)

Infrared - Proximity Detector Circuit

Published:2013/5/28 22:17:00 Author:muriel | Keyword: Infrared - Proximity Detector Circuit

Infrared - Proximity Detector Circuit
  (View)

View full Circuit Diagram | Comments | Reading(1367)

Pages:4/101 1234567891011121314151617181920Under 20