Position: Home > Circuit Diagram > power supply circuit > Index 13
Low Cost Custom Prototype PCB Manufacturer

power supply circuit

Index 13



Regal air conditioning compressor circuit diagram

Published:2013/12/17 1:52:00 Author: | Keyword: Regal air conditioning compressor circuit diagram,

Regal air conditioning compressor circuit diagram
Regal air conditioning compressor circuit diagram   (View)

View full Circuit Diagram | Comments | Reading(866)

Before and after the regal control and temperature control circuit diagram

Published:2013/12/17 1:51:00 Author: | Keyword: Before and after the regal control and temperature control circuit diagram,

Before and after the regal control and temperature control circuit diagram
Before and after the figure regal control and temperature control circuit diagram   (View)

View full Circuit Diagram | Comments | Reading(775)

Regal control before and after assembly, after mode actuators and two stage nozzle relay circuit diagram

Published:2013/12/17 1:50:00 Author: | Keyword: Regal control before and after assembly, after mode actuators and two stage nozzle relay circuit diagram,

Regal control before and after assembly, after mode actuators and two stage nozzle relay circuit diagram
Figure regal control before and after assembly, after mode actuators and two stage nozzle relay circuit diagram   (View)

View full Circuit Diagram | Comments | Reading(819)

Regal reversing light circuit diagram

Published:2013/12/17 1:45:00 Author: | Keyword: Regal reversing light circuit diagram,

Regal reversing light circuit diagram
Figure regal reversing light circuit diagram   (View)

View full Circuit Diagram | Comments | Reading(738)

Regal body internal lamp circuit diagram

Published:2013/12/17 1:37:00 Author: | Keyword: Regal body internal lamp circuit diagram,

Regal body internal lamp circuit diagram
Figure regal body internal lamp circuit diagram   (View)

View full Circuit Diagram | Comments | Reading(700)

Bidirectional output power supply circuit

Published:2013/12/16 21:01:00 Author:lynne | Keyword: Bidirectional output power supply circuit,

Bidirectional output power supply circuit
Bidirectional output power supply circuit shown in Figure:   (View)

View full Circuit Diagram | Comments | Reading(818)

Made up of 723 type general voltage regulator power supply circuit diagram

Published:2013/12/16 20:13:00 Author:lynne | Keyword: Made up of 723 type general voltage regulator power supply circuit diagram,

Made up of 723 type general voltage regulator power supply circuit diagram
Made up of 723 type general voltage regulator power supply circuit diagram as shown:   (View)

View full Circuit Diagram | Comments | Reading(1719)

With two voltage driver μA723 regulator power supply circuit

Published:2013/12/16 20:15:00 Author:lynne | Keyword: With two voltage driver μA723 regulator power supply circuit,

With two voltage driver μA723 regulator power supply circuit
With two voltage driver μA723 regulator power supply circuit shown in Fig.:   (View)

View full Circuit Diagram | Comments | Reading(1245)

With power supply voltage regulator modules circuit diagram

Published:2013/12/16 20:14:00 Author:lynne | Keyword: With power supply voltage regulator modules circuit diagram,

With power supply voltage regulator modules circuit diagram
With power supply voltage regulator modules circuit diagram shown in Figure:   (View)

View full Circuit Diagram | Comments | Reading(755)

Typical circuit diagram CV / CC power supply

Published:2013/12/16 20:11:00 Author:lynne | Keyword: Typical circuit diagram CV / CC power supply,

Typical circuit diagram CV / CC power supply
Typical circuit diagram CV / CC power supply as shown in Figure:   (View)

View full Circuit Diagram | Comments | Reading(1714)

Regal combination instrument circuit diagram 1

Published:2013/12/16 2:13:00 Author: | Keyword: Regal combination instrument circuit diagram 1,

Regal combination instrument circuit diagram 1
Figure regal combination instrument circuit diagram 1   (View)

View full Circuit Diagram | Comments | Reading(854)

Regal combination instrument circuit diagram 2

Published:2013/12/16 2:10:00 Author: | Keyword: Regal combination instrument circuit diagram 2,

Regal combination instrument circuit diagram 2
Figure regal combination instrument circuit diagram 2   (View)

View full Circuit Diagram | Comments | Reading(747)

Regal combination instrument circuit diagram 3

Published:2013/12/16 2:09:00 Author: | Keyword: Regal combination instrument circuit diagram 3,

Regal combination instrument circuit diagram 3
Figure regal combination instrument circuit diagram 3   (View)

View full Circuit Diagram | Comments | Reading(763)

Regal combination instrument circuit diagram 4

Published:2013/12/16 2:06:00 Author: | Keyword: Regal combination instrument circuit diagram 4,

Regal combination instrument circuit diagram 4
Figure regal combination instrument circuit diagram 4   (View)

View full Circuit Diagram | Comments | Reading(713)

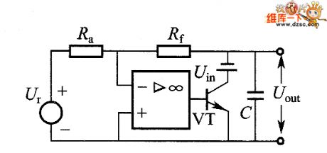
Power supply with external resistors to implement an active program

Published:2013/12/15 21:04:00 Author:lynne | Keyword: Power supply with external resistors to implement an active program

Power supply with external resistors to implement an active program
Schematic of the power supply with external resistors to implement an active program is shown in Figure:   (View)

View full Circuit Diagram | Comments | Reading(790)

Photovoltaic power supply circuit diagram

Published:2013/12/15 20:29:00 Author:lynne | Keyword: Photovoltaic power supply circuit diagram,

Photovoltaic power supply circuit diagram
Photovoltaic power supply circuit diagram shown in Fig.:   (View)

View full Circuit Diagram | Comments | Reading(809)

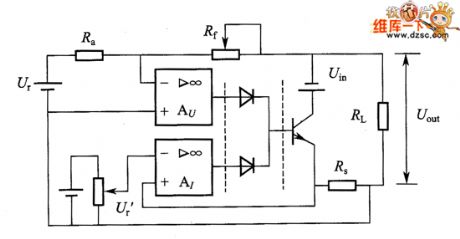
External power supply voltage Ur implementation of active programming

Published:2013/12/15 20:49:00 Author:lynne | Keyword: External power supply voltage Ur implementation of active programming,

External power supply voltage Ur implementation of active programming
As shown by the circuit diagram of the external power supply voltage Ur implementation of active programming:   (View)

View full Circuit Diagram | Comments | Reading(739)

Digital power supply and the principle of steady power supply circuit diagram

Published:2013/12/15 20:21:00 Author:lynne | Keyword: Digital power supply and the principle of steady power supply circuit diagram,

Digital power supply and the principle of steady power supply circuit diagram
Digital power supply and the principle of steady power supply circuit diagram shown in figure:   (View)

View full Circuit Diagram | Comments | Reading(854)

KKBC-Ⅱ programmable power supply schematic circuit

Published:2013/12/15 20:18:00 Author:lynne | Keyword: KKBC-Ⅱ programmable power supply schematic circuit,

KKBC-Ⅱ programmable power supply schematic circuit
KKBC-Ⅱ programmable power supply schematic circuit as follow:   (View)

View full Circuit Diagram | Comments | Reading(1338)

Regal headlamps circuit diagram 1

Published:2013/12/13 2:06:00 Author: | Keyword: Regal headlamps circuit diagram 1,

Regal headlamps circuit diagram 1
Figure regal headlamps circuit diagram 1   (View)

View full Circuit Diagram | Comments | Reading(870)

Pages:13/291 1234567891011121314151617181920Under 20