Published:2014/3/6 20:07:00 Author: | Keyword: Samsung E700 type mobile phone line circuit principle diagram,
As shown in the samsung E700 type mobile phone line circuit principle diagram (View)
View full Circuit Diagram | Comments | Reading(1596)
Published:2014/3/6 20:06:00 Author: | Keyword: Mazda ABS circuit diagram,
Mazda ABS circuit diagram as shown (View)
View full Circuit Diagram | Comments | Reading(1375)
Published:2014/3/6 20:05:00 Author: | Keyword: Ii DUM23-48/300 principle of ac power distribution unit electric circuit diagram,
View full Circuit Diagram | Comments | Reading(1666)
Published:2014/3/6 19:58:00 Author: | Keyword: DMAl0 double half bridge commutation circuit principle diagram,



DMAl0 main circuit work waveform:
(View)
View full Circuit Diagram | Comments | Reading(1490)
Published:2014/3/6 19:56:00 Author: | Keyword: The DMA input circuit diagram,
View full Circuit Diagram | Comments | Reading(1395)
Published:2014/3/6 19:54:00 Author: | Keyword: DMAl0 rectifier module structure diagram,
View full Circuit Diagram | Comments | Reading(1180)
Published:2014/3/5 21:42:00 Author:lynne | Keyword: Motherboard power supply circuit diagram,
Motherboard power supply circuit diagram as shown:
(View)
View full Circuit Diagram | Comments | Reading(2533)
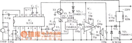
Published:2014/3/5 21:41:00 Author:lynne | Keyword: Use SL518 acoustic music socket circuit diagram,
The circuit shown in FIG. It is based on voice ASIC SL518 as the core component. SL518 SL517 is based on the improvement of products, fewer external components required, the output emitter output, driving ability.
(View)
View full Circuit Diagram | Comments | Reading(1325)
Published:2014/3/5 21:36:00 Author:lynne | Keyword: Use NJM2072D acoustic music socket circuit (B) circuit diagram
The circuit shown in FIG. It is based on voice ASIC NJM2072D at the core, but the socket XS1 pass, broken into line by the triac control circuit uses negative level vocal imitation of animal sounds triggered IC KD-56020.
(View)
View full Circuit Diagram | Comments | Reading(1528)
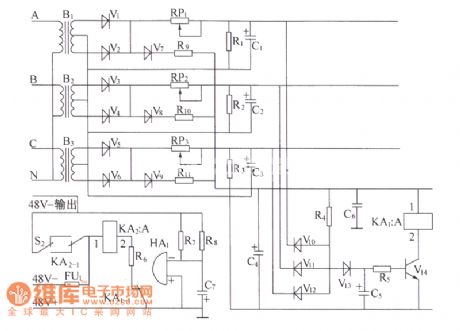
Published:2014/3/5 21:26:00 Author:lynne | Keyword: Use NJM2072D acoustic music socket circuit (a) circuit diagram


Circuit is shown, which consists of acoustic sensors, voice integrated circuits, relay control circuit, vocal music buck rectifier circuit and the AC circuit, etc., can be used for voice-activated automatic lights, sound musical fountain, voice barricade lights, voice-activated automatic doors and so on. ICl using voice ASIC NJM2072D, which is the core part of the circuit, shown in the functional block diagram of a circuit which follows.
(View)
View full Circuit Diagram | Comments | Reading(1602)
Published:2014/3/5 20:33:00 Author: | Keyword: DMAl0 rectifier module function circuit diagram,
View full Circuit Diagram | Comments | Reading(1298)
Published:2014/3/5 20:31:00 Author: | Keyword: DHY29 - [48] 24/10 principle of dc-dc converter circuit diagram,
Now most of the communication equipment has unified specification using 48 v dc power supply. But there are still a few equipment survives 24 v dc power supply. Because of the required current capacity is small, if the rectifier power supply, in order to ensure uninterrupted power supply, must be 24 v battery backup. Apparently neither economy, and take up floor space. Adopt the 48 v and 24 v DC to DC (DC/DC) converter is a suitable way to solve this problem. As shown in figure 24/10 DHY29 - [48] type dc-dc converter principle diagram, the main performance indicators: (1) the input dc voltage nominal value: 48 V allow range: 41 V ~ 51 V (2) the nominal value output dc voltage: 24 V / 10 a voltage regulating range: 21.6 V to 21.6 V (3) the voltage regulation accuracy: + / - 1% or less (4) telephone scale heavy noise voltage noise voltage: 2 or less mv, broadband noise voltage: 20 mv or less (3.4 kHz ~ 30 kHz), fengfeng value noise voltage: 100 mv, or less discrete frequency noise voltage: 5 mv or less (3.4 kHz to 150 kHz) 3 or less mv (150 kHz to 200 kHz) 2 or less mv (200 kHz to 500 kHz) 1 mv or less (0.5 MHz ~ 30 MHz) (5) efficiency: 80% or greater (6) overvoltage, undervoltage, over current protection and current limit values. Overvoltage (29 plus or minus 1) V, undervoltage (21 + / - 1) V, over-current (12 + 1) V current-limiting: 10.5 A ~ 11 A (7) parallel operation of mean flow error: plus or minus 5% or less (View)
View full Circuit Diagram | Comments | Reading(1393)
Published:2014/3/5 20:30:00 Author: | Keyword: ZP200 (400) II monitoring alarm interface diagram,
View full Circuit Diagram | Comments | Reading(1205)
Published:2014/3/5 20:29:00 Author: | Keyword: Ac power distribution unit monitoring alarm circuit (P50 - II) circuit diagram,
View full Circuit Diagram | Comments | Reading(1645)
Published:2014/3/5 20:28:00 Author: | Keyword: DUT07 ac distribution box electric principle diagram,
DUT07 high frequency switch power supply system is DZW75-48/50 (type ii) 50 rectifier module as the foundation, with JP50-50 ii) distribution box. As shown for P50 - exchange principle diagram of the distribution box. (View)
View full Circuit Diagram | Comments | Reading(1363)
Published:2014/3/5 20:27:00 Author: | Keyword: DZW75-48/50 (ii) 50 auxiliary power electric principle diagram,
View full Circuit Diagram | Comments | Reading(1313)
Published:2014/3/5 20:26:00 Author: | Keyword: DZW75-48/50 (50) ii ac overvoltage, undervoltage protection circuit diagram,
View full Circuit Diagram | Comments | Reading(1707)
Published:2014/3/5 20:23:00 Author: | Keyword: DZW75-48/50 (50) ii start control circuit diagram,
View full Circuit Diagram | Comments | Reading(1299)
Published:2014/3/5 20:10:00 Author: | Keyword: Siemens 8088 phone line circuit principle diagram,
As shown in the Siemens 8088 type mobile phone line circuit principle diagram (View)
View full Circuit Diagram | Comments | Reading(1293)
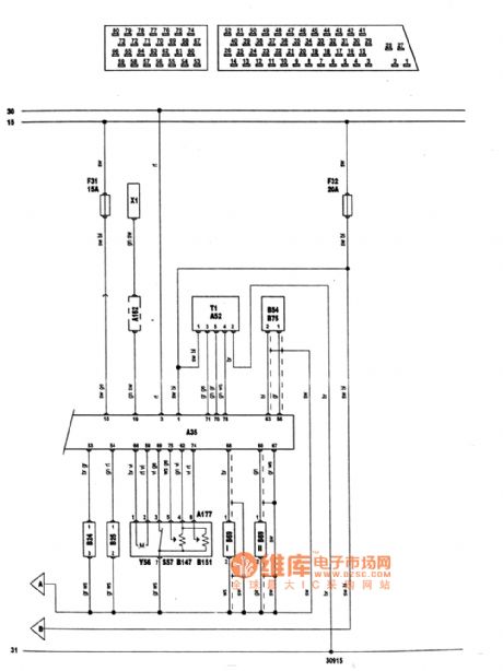
Published:2014/3/4 20:37:00 Author: | Keyword: Audi circuitry C15,
Audi circuit diagram as shown C15 (View)
View full Circuit Diagram | Comments | Reading(1390)
| Pages:3/291 1234567891011121314151617181920Under 20 |