Published:2011/6/23 10:15:00 Author:qqtang | Keyword: single chip, remote control
View full Circuit Diagram | Comments | Reading(1077)
Published:2011/6/23 10:17:00 Author:qqtang | Keyword: air-conditioner, remote control
View full Circuit Diagram | Comments | Reading(2946)
Published:2011/6/23 10:12:00 Author:qqtang | Keyword: infrared, remote control, signal converter
View full Circuit Diagram | Comments | Reading(1031)
Published:2011/6/19 2:47:00 Author:Seven | Keyword: machine tool, magnetic sucker, low-current


See as the circuit, the +24V is generated by stepping down the 110V power supply. When the touch spot JK of the magnetic sucker circuit is closed, the sucker is on and working, whose regulated current is 1.4A(the current of strong sucker is higher). At the moment, the sampling resistor which is serially connected in the electric sucker will have a 1.4v voltage drop, the dropped voltage is sampled by the potentiometer RP1 and imposed on the transistor VT1 input circuit, and then compound-magnified by VT1 and VT2. The multiple after being compounded by VT1 and VT2 is high.
(View)
View full Circuit Diagram | Comments | Reading(1070)
Published:2011/6/20 22:05:00 Author:Seven | Keyword: ultrasonic wave, remote control, working principle
The ultrasonic wave remote control lamp switch working principle and circuit (1) is shown as above:
(View)
View full Circuit Diagram | Comments | Reading(1569)
Published:2011/6/20 1:17:00 Author:Seven | Keyword: working principle, ultrasonic wave, remote control lamp
The working principle and circuit of the ultrasonic wave remote control lamp switchis shown in the figure.
(View)
View full Circuit Diagram | Comments | Reading(1436)
Published:2011/6/20 22:05:00 Author:Seven | Keyword: ultrasonic wave, remote control
The practical ultrasonic wave remote control emitting circuit is shown in the figure.
(View)
View full Circuit Diagram | Comments | Reading(1329)
Published:2011/6/20 1:33:00 Author:Seven | Keyword: FM modulation, crystal oscillator
In the figure is the FM modulation circuit of crystal oscillator. FM modulation has direct and indirect FM ways, the direct FM method is to directly change the frequency of the oscillating circuit, it's simple, but as it is the LC oscillating circuit, the bias is kind of noticeable, and the stability is weak, i.e the frequency is easy to be affected by the power supply voltage change and the temperature change.
By using the crystal oscillating circuit, the frequency stability is high and the bias is only about 1%. In the circuit, X is a 10MHz crystal oscillator and it directly modulates the frequency of the circuit. (View)
View full Circuit Diagram | Comments | Reading(7531)
Published:2011/6/20 22:06:00 Author:Seven | Keyword: ultrasonic wave, remote control
The practical ultrasonic wave remote control reception circuit is shown in the figure.
(View)
View full Circuit Diagram | Comments | Reading(1072)
Published:2011/6/20 0:40:00 Author:Seven | Keyword: infrared, remote control
The infrared remote control music outlet circuit is shown in the figure.
(View)
View full Circuit Diagram | Comments | Reading(933)
Published:2011/6/20 22:07:00 Author:Seven | Keyword: ultrasonic wave, remote control
The ultrasonic wave remote control lamp switch circuit is shown in the above figure.
(View)
View full Circuit Diagram | Comments | Reading(1944)
Published:2011/6/20 22:09:00 Author:Seven | Keyword: lighting lamp, remote control
The lighting lamp ultrasonic wave remote control circuit is shown as above.
(View)
View full Circuit Diagram | Comments | Reading(1023)
Published:2011/6/20 22:10:00 Author:Seven | Keyword: remote control
The remote control circuit is shown in the above figure.
(View)
View full Circuit Diagram | Comments | Reading(1041)
Published:2011/6/21 22:30:00 Author:qqtang | Keyword: door control lamp, electric timer
The door control lamp circuit (with the electric timer and alarm) is shown as above.
(View)
View full Circuit Diagram | Comments | Reading(960)
Published:2011/6/21 2:05:00 Author:Seven | Keyword: color TV, remote control
Figure: The color TV remote control 21 circuit (View)
View full Circuit Diagram | Comments | Reading(1108)
Published:2011/6/21 8:03:00 Author:John | Keyword: Thyristor
Thyristor energy consumption brake control circuit is shown.
(View)
View full Circuit Diagram | Comments | Reading(1125)
Published:2011/6/21 8:08:00 Author:John | Keyword: Thyristor, furnace
View full Circuit Diagram | Comments | Reading(1302)
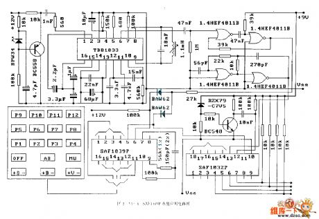
Published:2011/6/20 21:19:00 Author:Seven | Keyword: remote control, reception
Figure: The SAFl039 infrared remote control reception decoding circuit (View)
View full Circuit Diagram | Comments | Reading(1005)
Published:2011/6/20 11:17:00 Author:Seven | Keyword: infrared, remote control
Figure: The T6A2800 (TV set) infrared remote control reception circuit (View)
View full Circuit Diagram | Comments | Reading(924)
Published:2011/6/19 10:29:00 Author:Seven | Keyword: ultrasonic, remote control
The practical ultrasonic remote control circuit is shown as follows.
figure 1. the emitting circuit (View)
View full Circuit Diagram | Comments | Reading(883)
| Pages:21/34 At 202122232425262728293031323334 |