Published:2011/4/1 1:48:00 Author:Nicole | Keyword: sequential timer


The 556 double timer transports the first half to the latter half by 0.001μF coupling capacitance, giving a total delay which is equal to the sum of single delay. The moment of 6-pin grounding can start the first half of timer. After determining the time interval by 1.1R1C1, the second timer starts delaying, the value is decided by 1.1R2C2.
(View)
View full Circuit Diagram | Comments | Reading(1902)
Published:2011/4/2 2:16:00 Author:Nicole | Keyword: Electronic clock
View full Circuit Diagram | Comments | Reading(690)
Published:2011/4/2 2:19:00 Author:Nicole | Keyword: short-circuit protector, relay
View full Circuit Diagram | Comments | Reading(963)
Published:2011/4/2 2:22:00 Author:Nicole | Keyword: motor speed control
View full Circuit Diagram | Comments | Reading(1574)
Published:2011/4/2 2:29:00 Author:Nicole | Keyword: electric fan, stepless speed regulation
View full Circuit Diagram | Comments | Reading(920)
Published:2011/4/2 2:34:00 Author:Nicole | Keyword: electric heater, temperature control
View full Circuit Diagram | Comments | Reading(1403)
Published:2011/4/2 2:51:00 Author:Nicole | Keyword: control integrated circuit
The RT in figure can be chosen between 5kΩ~5MΩ. Considering operate easily and linearity, it is better to choose 250kΩ~1MΩ. The preferred value of CT is over 0.01pF, and the minimum value should not lower than 3 900pF according to the manufacturer's recommendations.
(View)
View full Circuit Diagram | Comments | Reading(1658)
Published:2011/4/2 2:55:00 Author:Nicole | Keyword: constant source, charging timer
View full Circuit Diagram | Comments | Reading(802)
Published:2011/4/2 3:17:00 Author:Nicole | Keyword: timer
This timer circuit can provide 20min counting time delay. It is a normal decline oscillator with FET current source. Resistance R1 provides reverse migration to the door of JFET transform into power supply. It colses JFET and delays the charging time of C1. C1 is a low drain capacitance similar to polyester resin.
(View)
View full Circuit Diagram | Comments | Reading(1146)
Published:2011/4/2 3:42:00 Author:Nicole | Keyword: electronic governor
View full Circuit Diagram | Comments | Reading(1884)
Published:2011/4/2 3:45:00 Author:Nicole | Keyword: Ni-Cd battery, charge control, integrated circuit
View full Circuit Diagram | Comments | Reading(748)
Published:2011/4/2 3:53:00 Author:Nicole | Keyword: long-time timing, integrated circuit
The timing time in figure is decided by timing R.C components R, C and 4, 5 pins preset level B, A. The value of timing time T=2/3•1024•N•R•C is determined by A, B, in theory.
(View)
View full Circuit Diagram | Comments | Reading(846)
Published:2011/4/2 3:56:00 Author:Nicole | Keyword: speed regulation, integrated trigger
View full Circuit Diagram | Comments | Reading(771)
Published:2011/4/2 3:57:00 Author:Nicole | Keyword: KV protection
View full Circuit Diagram | Comments | Reading(660)
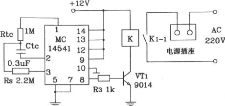
Published:2011/4/2 4:10:00 Author:Nicole | Keyword: on-off timing, special timing, integrated circuit
MC14541 is a programmable timing special IC. The timing time of this circuit is 3 hours, you can through selecting RTc、CTc、Rs to choose the time of required control power on-off.
(View)
View full Circuit Diagram | Comments | Reading(7676)
Published:2011/3/22 22:43:00 Author:Jessie | Keyword: pulse, width regulator
View full Circuit Diagram | Comments | Reading(661)
Published:2011/3/22 22:44:00 Author:Jessie | Keyword: relay, delay, switch
Technical characteristicsWorking voltage: 10~16 VSwitch power: ~ 2kVARepeat preparation time: < 250ms
(View)
View full Circuit Diagram | Comments | Reading(1236)
Published:2011/3/21 0:57:00 Author:may | Keyword: Tianyi, amplifier remote control
View full Circuit Diagram | Comments | Reading(878)
Published:2011/3/28 22:02:00 Author:may
μPC1373H application circuit is shown in the diagram:
(View)
View full Circuit Diagram | Comments | Reading(869)
Published:2011/3/21 1:38:00 Author:Allen | Keyword: Fan speed control, remote control
View full Circuit Diagram | Comments | Reading(1841)
| Pages:33/34 At 202122232425262728293031323334 |