Published:2011/11/22 2:16:00 Author:Ecco | Keyword: DC voltage converter , high-frequency , high-voltage, oscillator circuit
View full Circuit Diagram | Comments | Reading(825)
Published:2011/11/11 2:57:00 Author:Ecco | Keyword: Multiple feedback , T- bridge , oscillator
View full Circuit Diagram | Comments | Reading(799)
Published:2011/11/11 2:58:00 Author:Ecco | Keyword: oscillator , analog sounds
View full Circuit Diagram | Comments | Reading(815)
Published:2011/11/11 2:59:00 Author:Ecco | Keyword: Electronic, voltage regulator , electromagnetic oscillator
View full Circuit Diagram | Comments | Reading(850)
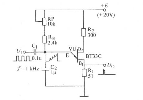
Published:2011/11/28 0:47:00 Author:Ecco | Keyword: complementary tube , multivibrator
View full Circuit Diagram | Comments | Reading(1004)
Published:2011/11/28 0:46:00 Author:Ecco | Keyword: voltage-controlled, audio oscillator
View full Circuit Diagram | Comments | Reading(990)
Published:2011/11/28 0:44:00 Author:Ecco | Keyword: RC bridge oscillator
People can use an oscilloscope to observe theoutput waveforms of the oscillator circuit, if the output has no waveform or the output waveformhas thenoticeable distortion, people should adjust the Rp to make the output Vo be small and stable sine wave with lowdistortion .
(View)
View full Circuit Diagram | Comments | Reading(922)
Published:2011/11/24 20:57:00 Author:Ecco | Keyword: Bridge , T741C RC , oscillator
View full Circuit Diagram | Comments | Reading(759)
Published:2011/11/28 20:48:00 Author:Ecco | Keyword: Low-voltage , low power, programmable, crystal oscillator
Features : 1. Its working voltage is low, and it operates with single-supply, 2.0V low operating voltage. 2. Its power consumption is low, and the supply current is 5 μA when it operates at 32kHz, and the current is 130μA when it operates at 1MHz. 3. It has a wide frequency range, operating frequency range is 10KHz ~ 10MHZ, and it is programmable. 4. The external components is few, and it only needs a crystal. 5 It has a good working stability. When it works in the whole operating temperature range, the oscillation frequency has a high stability .Pin and pin functions: HA7210 uses DIP dual in-line package, and it is shown in Figure 15-4 . The pin functions are as follow : pin 1 is the current positive pole; pin 2 is the current positive pole.
(View)
View full Circuit Diagram | Comments | Reading(1497)
Published:2011/11/21 2:00:00 Author:Ecco | Keyword: Single-junction transistor, self-excited, multivibrator, frequency dividing
View full Circuit Diagram | Comments | Reading(876)
Published:2011/11/21 2:01:00 Author:Ecco | Keyword: Program-controlled oscillator
View full Circuit Diagram | Comments | Reading(816)
Published:2011/11/21 1:58:00 Author:Ecco | Keyword: 1850Hz , digital , integrated circuit, oscillator
View full Circuit Diagram | Comments | Reading(720)
Published:2011/11/28 21:03:00 Author:Ecco | Keyword: 10Hz ~ 100kHz , ramp signal oscillator
View full Circuit Diagram | Comments | Reading(966)
Published:2011/11/21 2:14:00 Author:Ecco | Keyword: Three-phase output oscillator
View full Circuit Diagram | Comments | Reading(923)
Published:2011/11/21 2:11:00 Author:Ecco | Keyword: Three-phase , square wave, signal oscillator


As shown in Figure 16-4 , a CD4017 is connected as senary counter, and the input clock is 300Hz.VD1 ~ VD9, R1 ~ R3 form the three three-input OR gates, which can respectively get two 50Hz three-phase wave signal with 120 degrees phase difference. A, B, C can obtain three -phase signal, and it is shown in Figure 16-5.
(View)
View full Circuit Diagram | Comments | Reading(2312)
Published:2011/11/21 2:05:00 Author:Ecco | Keyword: Low-cost , second signal oscillator
View full Circuit Diagram | Comments | Reading(819)
Published:2011/11/28 0:25:00 Author:Ecco | Keyword: Sine wave, rectangular wave , oscillator
View full Circuit Diagram | Comments | Reading(941)
Published:2011/11/28 0:27:00 Author:Ecco | Keyword: 90 ~ 900Hz, sine wave, square wave, triangle wave , oscillator
View full Circuit Diagram | Comments | Reading(909)
Published:2011/11/28 0:24:00 Author:Ecco | Keyword: 30 ~ 20000Hz, square wave, triangle wave, oscillator
View full Circuit Diagram | Comments | Reading(839)
Published:2011/11/28 0:23:00 Author:Ecco | Keyword: 20 ~ 20000Hz , sine wave, square wave , oscillator
View full Circuit Diagram | Comments | Reading(881)
| Pages:14/54 1234567891011121314151617181920Under 20 |