Published:2011/7/2 23:40:00 Author:Borg | Keyword: switch circuit, electric self-lock/interlock


1.switch featuresThe core part of the switch is made of 4 op-amps LM324, with subtle design, each op-amp has two functions: the voltage comparator and the Schmidt trigger. The voltage range is large, and the stages can be adjusted, if it is added with a neutral gear, it can be the general reset, when the circuit cooperates with a digital circuit, they share a power supply, the input/output LEV conforms to the digital circuit connector LEV, as the input impedance of the op-amp is high, the input current of the switch is low. The touch switch, conductive rubber and film switch can be used as the key. (View)
View full Circuit Diagram | Comments | Reading(770)
Published:2011/6/28 1:59:00 Author:Ecco | Keyword: High gear, stepping, dimmer, controller
The chart shows the high gear stepping dimmer controller circuit, which has four gears to control stong, medium, weak, extinguish, and it also has four different timing blocks in 0.5h, 1h, 2h and 4h.
(View)
View full Circuit Diagram | Comments | Reading(577)
Published:2011/6/27 22:35:00 Author:Ecco | Keyword: Non-touch , touch delay lamp
The circuit is shown as the chart, its switch panel is the full-plastic structure without any metal parts. When people use it, as long to touch the plastic panel, lights can be lit, after a delay time, the lamp is turned off. The circuit delay time depends on R2, R3 and C2's value, the data in the chart indicates the delay time being about 1 min.
(View)
View full Circuit Diagram | Comments | Reading(737)
Published:2011/6/29 20:19:00 Author:Ecco | Keyword: Discrete , sound , light , control , stairs, delay switch
Features: during the day, lights are automatically blocked off; in the evening, as long as someone on the stairs, the lights are lit and turned off in tens of seconds delay time. Circuit uses the two-wire system connection, and the switch only has two outside terminals, which can replace the ordinary switch without having to change the existing lighting circuit. In the figure, RL can select MG44, MG45 photosensitive resistors with great difference between light resistance and dark resistance; B should use small electret condenser microphone with higher sensitivity, such as CRZ2-113F type.
(View)
View full Circuit Diagram | Comments | Reading(628)
Published:2011/6/30 0:51:00 Author:Ecco | Keyword: Discrete , sound , light, control, stairs delay switch
The sound and light control stairs delay switch circuit shown in the Figure uses the positive feedback audio amplifier, and it has higher sound control sensitivity, and at night, the general talking or footsteps can trigger the light E to emit light.
(View)
View full Circuit Diagram | Comments | Reading(545)
Published:2011/6/30 1:05:00 Author:Ecco | Keyword: Discrete , sound , light , control, stairs delay switch
The improved sound and light control stairs delay switch circuit is shown as the chart, and it has higher sensitivity,and the reason is that the audio signal output by VT1 is doubler rectified by VD5, VD6 to turn into DC control voltage to trigger VT2, VT3 conduction, then VT4 is turned on, and light-emitting lamp E is lit. Circuit delay time is determined by the value of R9 and C4, and the time is typically tens of seconds. Capacitor C5 can absorb power grid interfere pulses to prevent false triggering.
(View)
View full Circuit Diagram | Comments | Reading(857)
Published:2011/6/30 1:58:00 Author:Ecco | Keyword: Discrete, sound , light , control , stairs delay switch
View full Circuit Diagram | Comments | Reading(517)
Published:2011/6/30 1:57:00 Author:Ecco | Keyword: Discrete, sound , light, control , stairs delay switch
The simple sound and light control stairs delay switch circuit shown as the chart with the slightly lower sensitivity, the general talking is sometimes difficult to trigger the circuit, but you can start the panel to open light by direct clapping slap switch.
(View)
View full Circuit Diagram | Comments | Reading(953)
Published:2011/6/30 1:29:00 Author:Ecco | Keyword: Discrete, sound, light, control , stairs delay switch
In the circuit: ①it adds a light-emitting diode LED, which can emit low-light at night to play indicating switch role; ② it increases the light control sensitivity adjusting resistor R7which can adjust the light control point; ③ The two ends of RL are connected a capacitor C3 in parallel to improve anti-jamming performance of light-control circuit; ④ the additional diode VD5 can improve circuit reliability; ⑤ VT2 and VT4 use direct coupling resistors to improve signal transmission efficiency.
(View)
View full Circuit Diagram | Comments | Reading(522)
Published:2011/6/30 1:22:00 Author:Ecco | Keyword: Discrete, sound , light , control, stairs delay switch
The sound and light control stairs delay switch circuit shown as the chart uses an improved piezoelectric ceramics for the sound -power transducer, and the circuit structure is relatively simple. The circuit delay time is determined by many factors, and the icon data delay time is 50s, which do not meet the requirements. C2 can increase or decrease the capacity to adjust. Adjusting R9 can adjus the light control point of the circuit.
(View)
View full Circuit Diagram | Comments | Reading(570)
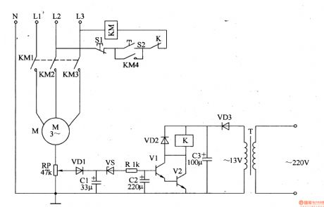
Published:2011/6/27 21:20:00 Author:Nicole | Keyword: Motor, protector
This motor protector circuit is composed of power supply circuit, voltage detection control circuit, it is shown in the figure 8-48.
The power supply circuit is made of power transformer T, rectifier diode VD3 and filter capacitor C3.
The voltage detection control circuit consists of potentiometer RP, diode VD1, VD2, capacitors C1, C2, steady voltage diode VS, resistor R, transistors V1, V2 and relay K.
In the motor control circuit, KM is the AC contactor , S1, S2 are the stop button and starter button.
(View)
View full Circuit Diagram | Comments | Reading(620)
Published:2011/6/27 21:12:00 Author:Nicole | Keyword: Motor, protector
This motor protector circuit is composed of starting control circuit, phase failure detection circuit and protection implement circuit, it is shown in the figure 8-45.
The starting control circuit is made of starter button S2 and stop button S1.
The phase failure detection circuit consists of current mutual inductor TA, rectifier diode VD1, resistor R1, capacitor C and potentiometer RP1, RP.
The protection implement circuit is composed of transistors V1-V3, relay K and AC contactor KM.
V1's sensitivity can be changed by adjusting RP1 and RP2.
(View)
View full Circuit Diagram | Comments | Reading(1363)
Published:2011/6/27 21:04:00 Author:Nicole | Keyword: Motor, protector
This motor protector circuit is composed of power supply circuit, current detection circuit and protection control circuit, it is shown in the figure 8-44.
The power supply circuit is made of power transformer C4, C5, current limiting resistor R8 and steady voltage diode VS, this circuit can produce +20V voltage, it feeds to relay K and the drive cirucit.
The current detection circuit consists of current converter LA1, LA2, LA3, rectifier diodes VD1-VD2, fliter capacitors C1-C3.
The protection control circuit is composed of resistors R1-R7, transistors V1-V3, relay K, AC contactor KM1, KM2, and starter button S1, stop button S2.
(View)
View full Circuit Diagram | Comments | Reading(632)
Published:2011/6/27 20:52:00 Author:Nicole | Keyword: Motor, protector
When the three-phase power supply is normal, the common contact 0 of detection capacitors C1-C3 has no current, the both sides of C4 has no voltage, thyristor VT is in off state, relay K does not pull in, the normally closed contact K is turned on, LED VL does not light, motor M works normally.
KP is heat relay, S1 is stop button, S2 is starter button, R is current limiting resistor.
The delay circuit is composed of potentiometer RP, capacitor C5 or thyristor VT, it can prevent protector from wrong actions due to serious harmonic interference or instantaneous voltage fluctuation.
(View)
View full Circuit Diagram | Comments | Reading(709)
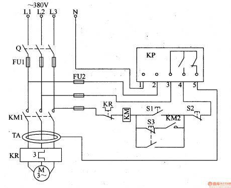
Published:2011/6/27 5:18:00 Author:Nicole | Keyword: Motor, protector
This motor protector circuit is composed of annular current transformer TA, protection relay KP, starter button S1, stop button S2, point button S3, AC contactor KM and heat relay KP, it is shown in the figure 8-41.
When stop button S2 is pressed, KM releases, M stops running.
When the motor M is leakage or the body touches the leakaged motor M, TA's current increases, KP does, it cuts off motor M's work power and self-locked.
When the motor M has over current or over load, heat relay KP does, KM is released, M stops running.
(View)
View full Circuit Diagram | Comments | Reading(922)
Published:2011/6/27 5:07:00 Author:Nicole | Keyword: Motor, protector
This motor protector circuit is composed of current detection control circuit and delay control circuit, it is shown in the figure 8-40.
The current detection control circuit is made of resistors R0-R5, transistors V1-V3, capacitor C1, diodes VD1, VD2 and Zener diode VS1, VS2.
The delay control circuit consists of resistors R6-R8, capacitor C2, transistors V4, V5 and relay K.
S1 is starter button, S2 is stop button, KM is AC contactor.
After S1 is pressed, V5 is saturation conduction, K pulls in, its normally open contacts K1, K2 are turned on, KM action makes motor M operated, at the same time, the current detection control circuit starts to work.
(View)
View full Circuit Diagram | Comments | Reading(583)
Published:2011/6/27 4:59:00 Author:Nicole | Keyword: Motor, protector
This motor protector circuit is composed of power supply circuit, current detection circuit and protection control circuit, it is shown in the figure 8-39.
The power supply circuit is made of power transformer T, bridge rectifier UR, fliter capacitors C5, current limiting resistor R3 and Zener diode VS.
The current detection circuit consists of current transformerTA, diode VD1, capacitor C1 and potentiometers RP1, RP2.
The protection control circuit is composed of time base integrated circuit IC, resistors R1, R2, diode VD2, capacitors C2-C4, relay K and AC contactor KM.
(View)
View full Circuit Diagram | Comments | Reading(1002)
Published:2011/6/28 3:19:00 Author:Zoey | Keyword: 555 Closed Loop, Three-phase Multi-vibrator, Circuit


As shown in the picture 3-16, this closed loop is composed of three identical Smit triggers, end to end, the detained time of every trigger td=1.1(RP+R)C, the detained time td refers to the time needed for voltage on C ascend to 1/3 VDD. After 555 has reposited, load on C discharges to output terminal pin 3 of IC through R, W. therefore it has a same charge time constant. If the output terminals of any trigger changes, the circuit has to transmit circuit through three monostable triggers, the needed time is 3td. Output period of every IC T is 6td, the relevant frequency is
f=1/T=1/6X (RP+R) C
Value of the differential circuit R1 and C1 is selected according to the pulse width and load needed.
Three-phase signal source is widely applied in equipment like three-phase power supply, three-phase asynchronous electromotor, three-phase countercurrent, and demo teaching as well as circular lampions. (View)
View full Circuit Diagram | Comments | Reading(6586)
Published:2011/6/27 4:53:00 Author:Nicole | Keyword: Motor, protector
This motor protector circuit is composed of DC steady voltage power supply, phase sequence detection circuit, sampling control circuit and automatic converting circuit, it is shown in the figure 8-38.
The DC steady voltage power supply circuit is made of fuse FU2, power transformer T, bridge rectifier UR, fliter capacitors C1, C2 and there terminals steady voltage integrated circuit IC1.
The sampling control circuit consists of photosensitive resistor RG, potentiometer RP1, transistors R4, R6, R7, relay K1, diode VD1, resistor R5, LED VL1 and AC contactor KM1.
(View)
View full Circuit Diagram | Comments | Reading(632)
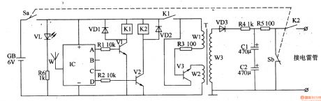
Published:2011/6/30 22:18:00 Author:Nicole | Keyword: wireless remote control, electric initiator
The wireless remote control electric initiator circuit is composed of wireless remote control transmitter and wireless receive initiation circuit. The wireless remote control transmitter uses finished product four keys micro remote control transmitter which contains TWH9236D module.
The wireless receive blaster circuit is made of power supply circuit, wireless receive control circuit, oscillation boost circuit and charge-discharge circuit, it is shown in the figure 8-26.
The power supply circuit consists of battery GB, power switch S(Sa, Sb), power indication LED VL and current limiting resistor R6.
The charge-discharge circuit is composed of resistors R4, R5, capacitors C1, C2, power switch S and K2's normally open contact.
(View)
View full Circuit Diagram | Comments | Reading(908)
| Pages:1633/2234 At 2016211622162316241625162616271628162916301631163216331634163516361637163816391640Under 20 |