Position: Home > Circuit Diagram > Index 1654
Low Cost Custom Prototype PCB Manufacturer

Circuit Diagram

Index 1654

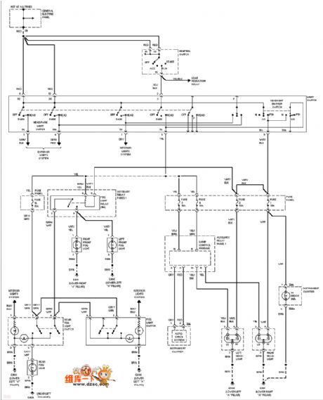
Audi (without DRL) headlamp and fog lamp circuit

Published:2011/6/30 10:23:00 Author:John | Keyword: headlamp, fog lamp

Audi (without DRL) headlamp and fog lamp circuit
  (View)

View full Circuit Diagram | Comments | Reading(856)

The 3-phase SCR trigger circuit

Published:2011/6/30 4:02:00 Author:Seven | Keyword: 3-phase, SCR trigger

The 3-phase SCR trigger circuit
The 3-phase SCR trigger pulse order, which is launched by XMA5000 regulators, and the 6 SCR phase drifting or zero passage trigger control signals are used to control the conduction of the main control circuit. It is adopted with special trigger control circuit, which can trigger the single-way or dual-way SCR of 3A-1000A.   (View)

View full Circuit Diagram | Comments | Reading(2753)

Phase sequence with phase loss detection circuit

Published:2011/6/30 10:21:00 Author:John | Keyword: Phase sequence, phase loss

Phase sequence with phase loss detection circuit
  (View)

View full Circuit Diagram | Comments | Reading(1989)

The application circuit of infrared controller CW168

Published:2011/6/30 4:11:00 Author:Seven | Keyword: application circuit, infrared controller

The application circuit of infrared controller CW168
The figured infrared receiver receives the 38KHz modulation signal from the emitter, and the signal is sent to the basic pole of VT1 after it is magnified and rectified, so VT1 is saturated and conducting, CW168 is triggered to work. The circuit can complete single or continuous working way and tone selection.   (View)

View full Circuit Diagram | Comments | Reading(1017)

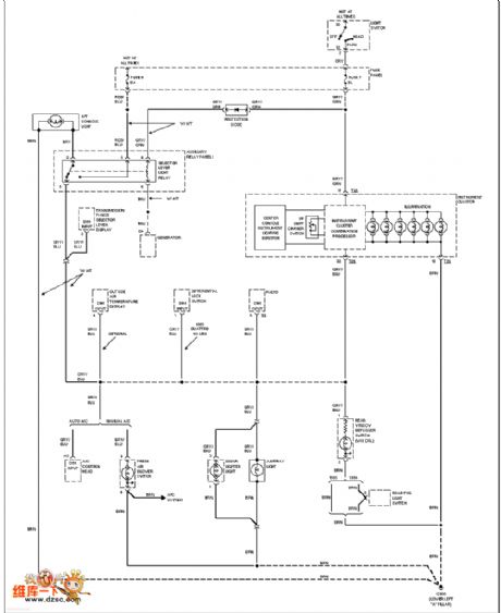
Audi instrument lighting circuit

Published:2011/6/30 10:19:00 Author:John | Keyword: instrument

Audi instrument lighting circuit
  (View)

View full Circuit Diagram | Comments | Reading(705)

The CW168 new flash alarm integrated circuit

Published:2011/6/30 4:40:00 Author:Seven | Keyword: flash alarm, integrated circuit

The CW168 new flash alarm integrated circuit
R1 is the external oscillating circuit of the internal oscillator, by changing the resistance of R1, the oscillating frequency of the oscillator inside IC can be changed, when R1=330kΩ, the IC is outputting the 4Hz flashing frequency, and the IC stops working in 16s after it is triggered for a single time. To strength the sound effect, a power triode can be connected with the output terminal, which makes the output drive the loudspeaker. Besides, it can also be connected with all kinds of control circuits to trigger CW168, so the self-control is fulfilled.   (View)

View full Circuit Diagram | Comments | Reading(593)

AC current detection circuit

Published:2011/6/30 10:17:00 Author:John | Keyword: AC, current detection

AC current detection circuit
  (View)

View full Circuit Diagram | Comments | Reading(561)

The audio control circuit of HN911

Published:2011/6/30 4:50:00 Author:Seven | Keyword: audio control

The audio control circuit of HN911
See as the figure, the circuit consists of the heat releasing infrared detection module, relay control light circuit, curses making circuit and AC step-down rectifier circuit, etc. When there are people coming in the chapel, the internal lighting lamp is glowing automatically and the Buddhist scriptures sound is generated; when the people are out, the light and sound are both gone. The circuit can be used in the chapel and sutra mansion for automatic duty and anti-thief.   (View)

View full Circuit Diagram | Comments | Reading(1008)

The typical CLA protection circuit

Published:2011/6/30 19:13:00 Author:TaoXi | Keyword: typical, CLA, protection circuit

The typical CLA protection circuit
Because the changeful car environment and to supply power for all kinds of precision electronic equipments, so the CLA needs to work in wide range of temperature and charging conditions. So the CLA always appears the short circuit fault and the fuse burning case. Generally, these cases are caused by the overcurrent, the charger circuit fault or the reverse charging. You can connect the over current protection device with the CLA input port to prevent the damage that is caused by the faults. The specific protection requirements of this device are decided by the terminal equipment's load current and the fault sensitivity of the CLA power conversion circuit.   (View)

View full Circuit Diagram | Comments | Reading(674)

Lithium ion battery charging and discharging protection circuit

Published:2011/6/30 19:15:00 Author:TaoXi | Keyword: Lithium ion battery, charging, discharging, protection circuit

Lithium ion battery charging and discharging protection circuit
  (View)

View full Circuit Diagram | Comments | Reading(777)

Practical USB interface Lithium ion battery charging and discharging protection circuit

Published:2011/6/30 19:16:00 Author:TaoXi | Keyword: Practical, USB, interface, Lithium ion battery, charging, discharging, protection circuit

Practical USB interface Lithium ion battery charging and discharging protection circuit
  (View)

View full Circuit Diagram | Comments | Reading(647)

Vizi saloon car directional signal, dangerous alarm and speaker circuits

Published:2011/6/30 19:20:00 Author:TaoXi | Keyword: Vizi, saloon car, directional signal, dangerous alarm, speaker circuits

Vizi saloon car directional signal, dangerous alarm and speaker circuits
The Vizi saloon car directional signal, dangerous alarm and speaker circuits are as shown in the figure:   (View)

View full Circuit Diagram | Comments | Reading(682)

The USB port and wall adapter charger principle circuit

Published:2011/6/30 19:22:00 Author:TaoXi | Keyword: USB port, wall adapter, charger, principle circuit

The USB port and wall adapter charger principle circuit
  (View)

View full Circuit Diagram | Comments | Reading(804)

Typical LTC4053 USB interface Lithium ion battery charger circuit

Published:2011/6/30 19:23:00 Author:TaoXi | Keyword: Typical, USB interface, Lithium ion battery, charger circuit

Typical LTC4053 USB interface Lithium ion battery charger circuit
  (View)

View full Circuit Diagram | Comments | Reading(781)

KA2211 audio IC circuit

Published:2011/6/30 19:24:00 Author:TaoXi | Keyword: audio, IC

KA2211 audio IC circuit
The KA2211 audio IC circuit is as shown in the figure:   (View)

View full Circuit Diagram | Comments | Reading(806)

KA2213 audio IC circuit

Published:2011/6/30 19:26:00 Author:TaoXi | Keyword: audio, IC

KA2213 audio IC circuit
The KA2213 audio IC circuit is as shown in thefigure:   (View)

View full Circuit Diagram | Comments | Reading(1183)

KA2214 audio IC circuit

Published:2011/6/30 19:27:00 Author:TaoXi | Keyword: audio, IC

KA2214 audio IC circuit
The KA2214 audio IC circuit is as shown in the figure:   (View)

View full Circuit Diagram | Comments | Reading(834)

Vizi saloon car combination meter circuit

Published:2011/6/30 19:32:00 Author:TaoXi | Keyword: Vizi, saloon car, combination meter


The Vizi saloon car combination meter circuit is as shown in the figure:   (View)

View full Circuit Diagram | Comments | Reading(654)

KA22135 audio IC circuit

Published:2011/6/30 19:27:00 Author:TaoXi | Keyword: audio, IC

KA22135 audio IC circuit
The KA22135 audio IC circuit is as shown in the figure:   (View)

View full Circuit Diagram | Comments | Reading(835)

Notebook computer battery charging circuit composed of the BQ24700

Published:2011/6/30 19:36:00 Author:TaoXi | Keyword: Notebook computer, battery, charging circuit

Notebook computer battery charging circuit composed of the BQ24700
  (View)

View full Circuit Diagram | Comments | Reading(895)

Pages:1654/2234 At 2016411642164316441645164616471648164916501651165216531654165516561657165816591660Under 20