Published:2011/6/17 7:42:00 Author:leo | Keyword: MCO137-Single chip micro computer control integrated circuit
MCO137 is a kind of single chip micro computer control integrated circuit made by Motorola. It is widely used in automatically soy milk grinder.
Function Features:
MCO137 integrated circuit contains electric machinery and heating wire control circuit, key switch code control circuit, ring driving circuit, high water level detecting circuit and so on.
classic application circuit:MC1037 application is shown in the picture. (View)
View full Circuit Diagram | Comments | Reading(802)
Published:2011/6/30 22:06:00 Author:qqtang | Keyword: constant current source, temperature sensor
In the figure, when the constant current source becomes the load, the loading current will remain the same, the voltage drop of the wire resistance is a constant value, therefore, the output voltage changes in the patten of 10mV/℃. Generally, the control distance can be more than a kilometer.
(View)
View full Circuit Diagram | Comments | Reading(1310)
Published:2011/6/30 22:08:00 Author:qqtang | Keyword: Volkswagon, big lamp washer
View full Circuit Diagram | Comments | Reading(472)
Published:2011/6/30 21:05:00 Author:qqtang | Keyword: power supply, fault monitoring
View full Circuit Diagram | Comments | Reading(616)
Published:2011/6/30 21:16:00 Author:qqtang | Keyword: over-temperature, monitor and alarm circuit
The over-temperature monitor and alarm circuit is adopted with the integrated circuit temperature sensor as the test element, it only sets a upper temperature limit control point. When it is over the limit, the circuit will emitting the alarm sound to attract the user's attention. The circuit is shown in the figure, which consists of the temperature detector and over temperature monitoring circuit, alarm sound generating and output circuit.
(View)
View full Circuit Diagram | Comments | Reading(1780)
Published:2011/6/30 21:17:00 Author:qqtang | Keyword: Volkswagon, cruize control
View full Circuit Diagram | Comments | Reading(921)
Published:2011/6/30 21:19:00 Author:qqtang | Keyword: Volkswagon, external lamp
View full Circuit Diagram | Comments | Reading(698)
Published:2011/6/30 21:40:00 Author:qqtang | Keyword: temperature, limit controller
The circuit consists of one of the dual D trigger CD4013, which is simple and has the upper/lower limit temperature control function. The controlled temperature can be preset by the potentiometer, when it is over the preset temperature, the power is cut-off automatically. It can be used in heating process industrious equipment, the circuit is shown in the figure. In the circuit, the D trigger is assembled as a RS trigger, and the thermistor MF51,which is used in industrious control, is the temperature sensor.
(View)
View full Circuit Diagram | Comments | Reading(1446)
Published:2011/6/30 21:01:00 Author:qqtang | Keyword: Volkswagon, big light circuit
View full Circuit Diagram | Comments | Reading(469)
Published:2011/6/30 21:42:00 Author:qqtang | Keyword: discharge, capacitor
View full Circuit Diagram | Comments | Reading(617)
Published:2011/6/30 22:24:00 Author:qqtang | Keyword: ventilation, cooling down


In the figure, MAX6501 is a MAX temperature switch integrated circuit which is produced by MAXIM, the USA, the temperature control range is 45~115℃.
The internal function frame circuit of MAX6501 is shown as above. (View)
View full Circuit Diagram | Comments | Reading(1017)
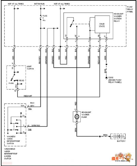
Published:2011/6/30 21:44:00 Author:qqtang | Keyword: Volkswagon, windscreen washer
View full Circuit Diagram | Comments | Reading(561)
Published:2011/6/30 21:48:00 Author:qqtang | Keyword: South-East, Wagon, air-bag, ABS
The South-East Wagon air-bag and ABS circuit is shown as above.
(View)
View full Circuit Diagram | Comments | Reading(502)
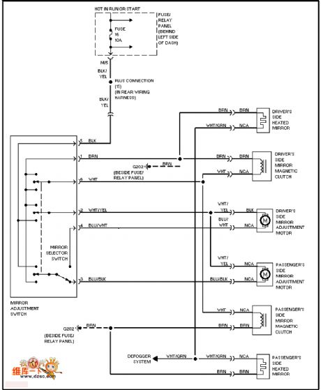
Published:2011/6/30 21:49:00 Author:qqtang | Keyword: Volkswagon, electric rearview mirror
View full Circuit Diagram | Comments | Reading(482)
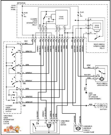
Published:2011/6/30 22:13:00 Author:qqtang | Keyword: Volkswagon, front wiper/washer
View full Circuit Diagram | Comments | Reading(516)
Published:2011/6/30 21:58:00 Author:qqtang | Keyword: Volkswagon, demister
View full Circuit Diagram | Comments | Reading(726)
Published:2011/6/30 22:10:00 Author:qqtang | Keyword: Volkswagon, door control
View full Circuit Diagram | Comments | Reading(551)
Published:2011/6/30 22:15:00 Author:qqtang | Keyword: output voltage, regulated power supply
View full Circuit Diagram | Comments | Reading(702)
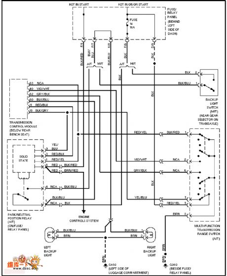
Published:2011/6/30 21:56:00 Author:qqtang | Keyword: Volkswagon, back-up lamp
View full Circuit Diagram | Comments | Reading(519)
Published:2011/6/30 22:00:00 Author:qqtang | Keyword: Volkswagon, trunk
View full Circuit Diagram | Comments | Reading(513)
| Pages:1645/2234 At 2016411642164316441645164616471648164916501651165216531654165516561657165816591660Under 20 |