Position: Home > Circuit Diagram > Index 2122
Low Cost Custom Prototype PCB Manufacturer

Circuit Diagram

Index 2122

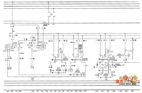
Santana full vehicle circuit diagram(seven)

Published:2011/4/11 22:49:00 Author:muriel | Keyword: Santana , full vehicle

Santana full vehicle circuit diagram(seven)
Santana full vehicle circuit diagram(seven) as shown   (View)

View full Circuit Diagram | Comments | Reading(487)

Santana full vehicle circuit diagram(eight)

Published:2011/4/11 22:24:00 Author:muriel | Keyword: Santana , full vehicle

Santana full vehicle circuit diagram(eight)
Santana full vehicle circuit diagram(eight) as shown   (View)

View full Circuit Diagram | Comments | Reading(537)

Ceramic oscillation circuit

Published:2011/4/11 22:57:00 Author:Jessie | Keyword: Ceramic oscillation

Ceramic oscillation circuit
  (View)

View full Circuit Diagram | Comments | Reading(478)

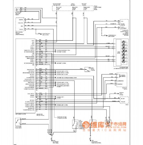
Cadillac dashboards circuit

Published:2011/4/11 22:50:00 Author:Jessie | Keyword: dashboards

Cadillac dashboards circuit
  (View)

View full Circuit Diagram | Comments | Reading(562)

Cadillac seat lumbar circuit

Published:2011/4/11 22:49:00 Author:Jessie | Keyword: seat lumbar

Cadillac seat lumbar circuit
  (View)

View full Circuit Diagram | Comments | Reading(581)

Cadillac passive seat safety system circuit

Published:2011/4/11 22:51:00 Author:Jessie | Keyword: passive seat, safety system

Cadillac passive seat safety system circuit
  (View)

View full Circuit Diagram | Comments | Reading(542)

Cadillac photosensitive rearview mirror circuit

Published:2011/4/11 22:52:00 Author:Jessie | Keyword: photosensitive rearview mirror

Cadillac photosensitive rearview mirror circuit
  (View)

View full Circuit Diagram | Comments | Reading(538)

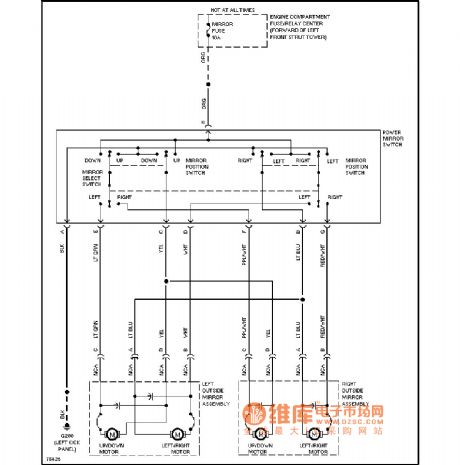
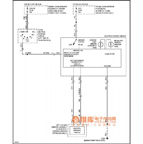
Cadillac electric rearview mirror circuit

Published:2011/4/11 22:34:00 Author:Jessie | Keyword: electric rearview mirror

Cadillac electric rearview mirror circuit
  (View)

View full Circuit Diagram | Comments | Reading(501)

OCL and OTL amplifier circuit diagram connected by SF404

Published:2011/4/11 3:52:00 Author:Rebekka | Keyword: OCL and OTL

OCL and OTL amplifier circuit diagram connected by SF404
The features are: High fidelity, high driving ability, high thermal stability, wide supply voltage adaptation, reliable and also does a good job in the areas of DC, AC, transient characteristics. It is flexible in peripheral component interconnect. It can conect a variety of application circuit. OCL and OTL Connecting with SF404 PA circuit diagram is shown as below.   (View)

View full Circuit Diagram | Comments | Reading(1212)

Cadillac rear defogger and heated mirrors circuit

Published:2011/4/11 22:32:00 Author:Jessie | Keyword: rear defogger, heated mirrors

Cadillac rear defogger and heated mirrors circuit
  (View)

View full Circuit Diagram | Comments | Reading(583)

Cadillac shift interlock circuit

Published:2011/4/11 22:33:00 Author:Jessie | Keyword: shift interlock

Cadillac shift interlock circuit
  (View)

View full Circuit Diagram | Comments | Reading(495)

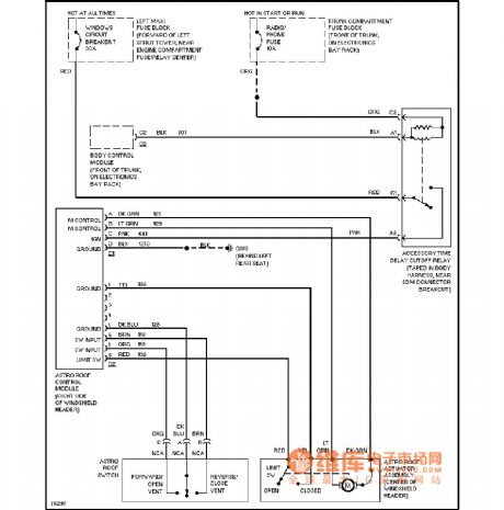
Cadillac Sunshade circuit

Published:2011/4/11 22:29:00 Author:Jessie | Keyword: Sunshade

Cadillac Sunshade circuit
  (View)

View full Circuit Diagram | Comments | Reading(476)

Cadillac trunk pull-down circuit

Published:2011/4/11 22:27:00 Author:Jessie | Keyword: trunk pull-down

Cadillac trunk pull-down circuit
  (View)

View full Circuit Diagram | Comments | Reading(1073)

3000VA inverter power supply circuit

Published:2011/3/31 21:32:00 Author:may | Keyword: inverter power supply

3000VA inverter power supply circuit
  (View)

View full Circuit Diagram | Comments | Reading(2308)

The photoelectric control circuit diagram of the photocoupler

Published:2011/3/27 20:08:00 Author:Ecco | Keyword: photoelectric control, optoelectronics coupler

The photoelectric control circuit diagram of the photocoupler
Using photocoupler, the circuit diagram is a type of circuit which makes a photoelectric control of the velocity of working dynamo. Because this kind of circuitry separates the dynamo control machinery parts in network and avoides ground return, and the logic circuitry is protected from the high pressure from burden in a sudden state impact.   (View)

View full Circuit Diagram | Comments | Reading(735)

The ADE7752 circuit diagram with the three-phase four-wire system star connection(The three phase electric energy calculates system)

Published:2011/3/29 2:32:00 Author:Ecco | Keyword: The three phase electric energy calculates system

The  ADE7752 circuit diagram with the three-phase four-wire system star connection(The three phase electric energy calculates system)
Three phase connecting law's including three phase three wires systems and three phases is four wires systems.The ADE7752 telephoneses that adopt three phase four wires system star polygon connecting laws is shown as chart.   (View)

View full Circuit Diagram | Comments | Reading(1273)

ZP200400II monitor alarm interface circuit

Published:2011/3/29 20:19:00 Author:may | Keyword: monitor alarm interface

ZP200400II monitor alarm interface circuit
  (View)

View full Circuit Diagram | Comments | Reading(558)

DC amplifier circuit diagram with NPN and PNP transistors

Published:2011/3/31 1:05:00 Author:Jessie | Keyword: DC amplifier, NPN and PNP transistors

DC amplifier circuit diagram with NPN and PNP transistors
  (View)

View full Circuit Diagram | Comments | Reading(980)

Gas burner flameout alarm circuit diagram

Published:2011/3/29 21:25:00 Author:Jessie | Keyword: Gas burner, flameout alarm

Gas burner flameout alarm circuit diagram
Figure 1 circuit is another kind of gas burner flameout alarm. After the gas burner normal burning, closing the power switch K. Because photoconductive resistance LDR is intenseirradiated , its value is very small, transistor BG1 and BG2 connected, relay J suck close, its closed contacts J - 1 disconnected, music integrated block IC has no sound. But once the gas burner stall, light irradiation abated, its value increases, BG1 and BG2 stop, relay J released, J - 1 closed, the power automatically connected, IC works, the speaker Y music warning issued, remind master promptly shutting gas valve.   (View)

View full Circuit Diagram | Comments | Reading(1047)

13V stabilized voltage supply composed of μ7812

Published:2011/3/29 20:27:00 Author:may | Keyword: stabilized voltage supply

13V stabilized voltage supply composed of μ7812
13V stabilized voltage supply composed of μ7812 adopts diode to upgrade output voltage.   (View)

View full Circuit Diagram | Comments | Reading(762)

Pages:2122/2234 At 2021212122212321242125212621272128212921302131213221332134213521362137213821392140Under 20