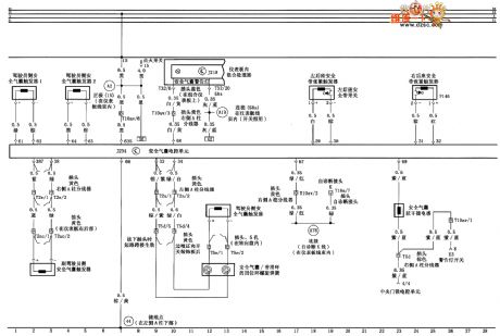
Published:2011/4/7 2:37:00 Author:muriel | Keyword: Audi, saloon car , air bag , safety belt
Air bag and safety belt tightener circuit diagram as shown
(View)
View full Circuit Diagram | Comments | Reading(862)
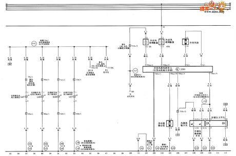
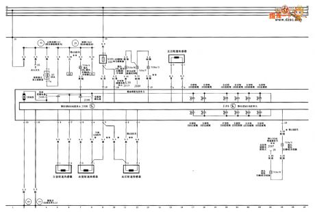
Published:2011/4/7 2:35:00 Author:muriel | Keyword: Audi, saloon car , air-conditioner
Instrument board air outlet floodlight、air fan electronic control unit and air-condition pressure switch circuit diagram as shown:
(View)
View full Circuit Diagram | Comments | Reading(2356)
Published:2011/4/7 2:34:00 Author:muriel | Keyword: Audi, saloon car seat
Anti-lock braking system (ABS) 、wheel speed sensor circuit diagram as shown:
(View)
View full Circuit Diagram | Comments | Reading(1994)
Published:2011/4/7 2:33:00 Author:muriel | Keyword: Audi, saloon car seat, rearview mirror
Pilot set waist adjustment、Pilot set waist longitudinal and height control circuit diagram as shown:
(View)
View full Circuit Diagram | Comments | Reading(756)
Published:2011/4/7 2:33:00 Author:muriel | Keyword: Audi, saloon car seat, rearview mirror
Second pilot seat regulate and second pilot seat longitudinal regulate circuit diagram as shown:
(View)
View full Circuit Diagram | Comments | Reading(600)
Published:2011/3/22 3:24:00 Author:may | Keyword: stepper motor
diagram: Four-phase stepper motor step signal circuit
This stepper motor is four-phase stepper motor, use unipolarity DC source supply. Only breakover to stepper motor through each phase by a suitable timing, can rotate it. Diagram 1 is this four-phase stepper motor reaction working principle sketch. (View)
View full Circuit Diagram | Comments | Reading(3168)
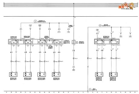
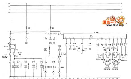
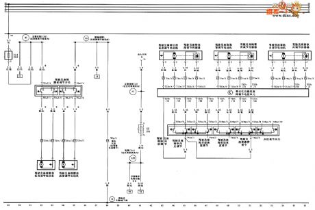
Published:2011/4/10 20:31:00 Author:muriel | Keyword: Body light, trunk floodlight, license plate lamp , radio
Body light、trunk floodlight、license plate lamp and radio circuit diagram (View)
View full Circuit Diagram | Comments | Reading(556)
Published:2011/3/22 3:16:00 Author:may | Keyword: PWM motor speed control
diagram: PWM motor speed control circuit (View)
View full Circuit Diagram | Comments | Reading(1320)
Published:2011/3/24 22:30:00 Author:may | Keyword: 3-phase reaction stepping motor driver
diagram: 3-phase reaction stepping motor driver circuit diagram (View)
View full Circuit Diagram | Comments | Reading(3005)
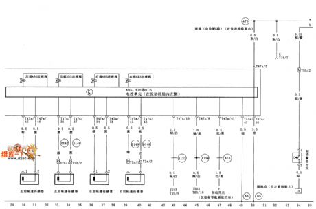
Published:2011/4/10 20:30:00 Author:muriel | Keyword: Braking, electronic differential lock , TCS electronic control unit, FAM boar, 1.8L, saloon car
FAW bora (1.8L) saloon car braking、electronic differential lock and TCS electronic control unit circuit diagram as shown
(View)
View full Circuit Diagram | Comments | Reading(1801)
Published:2011/4/10 20:29:00 Author:muriel | Keyword: Braking, electronic differential lock , TCS electronic control unit, FAM boar, 1.8L, saloon car
FAW bora (1.8L) saloon car braking、electronic differential lock and TCS electronic control unit circuit diagram(add one) as shown
(View)
View full Circuit Diagram | Comments | Reading(1027)
Published:2011/4/10 20:29:00 Author:muriel | Keyword: Braking, electronic differential lock , TCS electronic control unit, FAM boar, 1.8L, saloon car
FAW bora (1.8L) saloon car braking、electronic differential lock and TCS electronic control unit circuit diagram(add two) as shown
(View)
View full Circuit Diagram | Comments | Reading(1349)
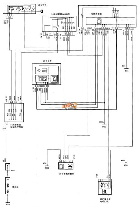
Published:2011/4/10 20:28:00 Author:muriel | Keyword: Dongfeng Citroen Picasso, 2.0L, saloon car , warning circuit , not turning off the car light
Dongfeng Citroen Picasso(2.0L) saloon car warning circuit diagram for not turning off the car light as shown
(View)
View full Circuit Diagram | Comments | Reading(611)
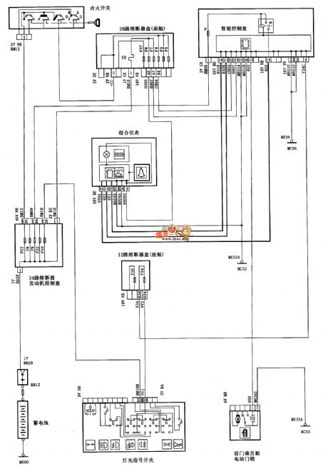
Published:2011/4/10 20:27:00 Author:muriel | Keyword: Dongfeng Citroen Picasso, 2.0L, saloon car, warning circuit, not taking down the key
Dongfeng Citroen Picasso(2.0L) saloon car warning circuit diagram for not taking down the key as shown
(View)
View full Circuit Diagram | Comments | Reading(627)
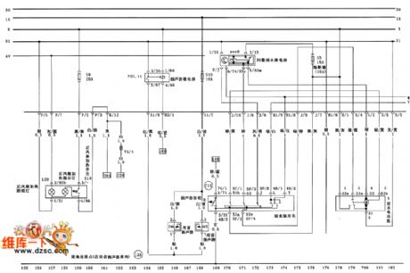
Published:2011/4/11 2:12:00 Author:muriel | Keyword: Rear air window heating raise block device, windshield wiper
Figure Rear air window heating raise block device and windshield wiper circuit diagram (View)
View full Circuit Diagram | Comments | Reading(706)
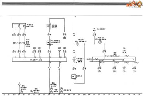
Published:2011/4/10 20:51:00 Author:muriel | Keyword: Audi , saloon car , 1.86 engine(ANQ)
Speed electronic control unit、car external ambient temperature switch、brake switch and vacuum pump circuit diagram as shown (View)
View full Circuit Diagram | Comments | Reading(520)
Published:2011/4/7 2:43:00 Author:muriel | Keyword: Buick , ABS brake lamp switch output, torque control
Figure Buick ABS brake lamp switchinput and torque control circuit diagram (View)
View full Circuit Diagram | Comments | Reading(969)
Published:2011/4/7 2:50:00 Author:muriel | Keyword: Audi, saloon car , 2.4L, 2.8L , engine control system
Fuel pump relay、oxygen sensor and air flowmeter circuit diagram as shown
(View)
View full Circuit Diagram | Comments | Reading(848)
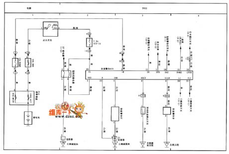
Published:2011/4/7 2:30:00 Author:muriel | Keyword: Tianjin VIOS, vehicle , security system
Tianjin VIOS vehicle security system circuit diagram, as shown:
(View)
View full Circuit Diagram | Comments | Reading(1912)
Published:2011/4/5 20:33:00 Author:muriel | Keyword: Programmable , frequency divider , time delay



Programmable frequency divider time delay circuit with 74LS292
74LS292 function table
frequency division programmable table
(View)
View full Circuit Diagram | Comments | Reading(1525)
| Pages:2128/2234 At 2021212122212321242125212621272128212921302131213221332134213521362137213821392140Under 20 |