Position: Home > Circuit Diagram > Index 2131
Low Cost Custom Prototype PCB Manufacturer

Circuit Diagram

Index 2131

VW golf supplementary restraint system circuit diagram

Published:2011/4/11 0:54:00 Author:muriel | Keyword: VW golf, supplementary restraint system

VW golf supplementary restraint system circuit diagram
VW golf supplementary restraint system circuit diagram as shown   (View)

View full Circuit Diagram | Comments | Reading(1407)

4.5--30V Variable switch regulators voltage circuit diagram

Published:2011/4/1 3:24:00 Author:Rebekka | Keyword: Variable Switch, Regulators Voltage

4.5--30V Variable switch regulators voltage circuit diagram
4.5--30V Variable switch regulators voltage circuit diagram is shown as below.   (View)

View full Circuit Diagram | Comments | Reading(669)

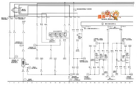
Storage battery、starter、X contact release relay、warning system electronic control unit circuit diagram

Published:2011/4/10 22:02:00 Author:muriel | Keyword: VM golf , Storage battery, starter, X contact release relay, warning system electronic control unit, left and right turn lamp

Storage battery、starter、X contact release relay、warning system electronic control unit circuit diagram
VM golf Storage battery、starter、X contact release relay、warning system electronic control unit、left and right turn lamp circuit diagram as shown   (View)

View full Circuit Diagram | Comments | Reading(843)

Anti-theft system electronic control unit、left car door warning lamp circuit diagram

Published:2011/4/11 0:54:00 Author:muriel | Keyword: VW golf, Anti-theft system electronic control unit, left car door warning lamp, trunk floodlight, warning system electronic control unit, stern door release motor

Anti-theft system electronic control unit、left car door warning lamp circuit diagram
VW golf Anti-theft system electronic control unit、left car door warning lamp、trunk floodlight、warning system electronic control unit、stern door release motor circuit diagram as shown   (View)

View full Circuit Diagram | Comments | Reading(1990)

Anti-theft/Invasion warning system contact switch、Anti-theft system electronic control unit circuit diagram

Published:2011/4/10 21:50:00 Author:muriel | Keyword: VW golf , Anti-theft warning/Invasion warning system contact switch, Anti-theft system electronic control unit, left front turn lamp, left rear turn lamp, right front turn lamp

Anti-theft/Invasion warning system contact switch、Anti-theft system electronic control unit circuit diagram
VW golf Anti-theft warning/Invasion warning system contact switch、Anti-theft system electronic control unit、left front turn lamp、left rear turn lamp、right front turn lamp circuit diagram as shown   (View)

View full Circuit Diagram | Comments | Reading(774)

Composed of CW1524 buck chopper switching regulator circuit diagram

Published:2011/4/1 3:26:00 Author:Rebekka | Keyword: buck chopper switching regulator

Composed of CW1524 buck chopper switching regulator circuit diagram
Composed of CW1524 buck chopper switching regulator circuit diagram is shown as below.   (View)

View full Circuit Diagram | Comments | Reading(919)

Composed of CS3842 three outputs DC fixed voltage power supply circuit diagram

Published:2011/4/1 3:26:00 Author:Rebekka | Keyword: three outputs, DC fixed voltage power supply

Composed of CS3842 three outputs DC fixed voltage power supply circuit diagram
Composed of CS3842 three outputs DC fixed voltage power supply circuit diagram is shown as below.   (View)

View full Circuit Diagram | Comments | Reading(1398)

Composed of MC33364 8.2V/3A switching DC regulator power supply circuit diagram

Published:2011/4/1 3:27:00 Author:Rebekka | Keyword: switching DC regulator

Composed of MC33364 8.2V/3A switching DC regulator power supply circuit diagram
Composed of MC33364 8.2V/3A switching DC regulator power supply circuit diagramis shown as below.   (View)

View full Circuit Diagram | Comments | Reading(1437)

Right front car window regulating switch、stern door release switch、window regulating motor circuit diagram

Published:2011/4/10 21:45:00 Author:muriel | Keyword: VW golf, Right front car window regulating switch, stern door release switch, window regulating motor, front seat passenger side window regulating motor

Right front car window regulating switch、stern door release switch、window regulating motor circuit diagram
VW golf Right front car window regulating switch、stern door release switch、window regulating motor、front seat passenger side window regulating motor circuit diagram as shown   (View)

View full Circuit Diagram | Comments | Reading(1211)

Composed of MC33363 6V/2A isolated switching regulator power supply circuit diagram

Published:2011/4/1 3:29:00 Author:Rebekka | Keyword: isolated switching regulator

Composed of MC33363 6V/2A isolated switching regulator power supply circuit diagram
Composed of MC33363 6V/2A isolated switching regulator power supply circuit diagramis shown as below.   (View)

View full Circuit Diagram | Comments | Reading(3691)

Composed of MC44603P three outputs power supply circuit diagram

Published:2011/4/1 3:30:00 Author:Rebekka | Keyword: three outputs power supply

Composed of MC44603P three outputs power supply circuit diagram
Composed of MC44603P three outputs power supply circuit diagram is shown as below.   (View)

View full Circuit Diagram | Comments | Reading(4134)

Composed of MC44603P four outputs power supply circuit diagram

Published:2011/4/1 3:30:00 Author:Rebekka | Keyword: four outputs power supply

Composed of MC44603P four outputs power supply circuit diagram
Composed of MC44603P four outputs power supply circuit diagram is shown as below.   (View)

View full Circuit Diagram | Comments | Reading(777)

Storage battery、starter、X contact release relay、generator and Ignition/starting switch circuit diagram

Published:2011/4/10 21:36:00 Author:muriel | Keyword: VW golf, Storage battery, starter, X contact release relay, generator , Ignition/starting switch

Storage battery、starter、X contact release relay、generator and Ignition/starting switch circuit diagram
VW golf Storage battery、starter、X contact release relay、generator and Ignition/starting switch circuit diagram as shown   (View)

View full Circuit Diagram | Comments | Reading(707)

Composed of MC44605P multiplexed output adopted console power supply circuit diagram

Published:2011/4/1 3:31:00 Author:Rebekka | Keyword: multiplexed output

Composed of MC44605P multiplexed output adopted console power supply circuit diagram
Composed of MC44605P multiplexed output adopted console power supply circuit diagram is shown as below.   (View)

View full Circuit Diagram | Comments | Reading(906)

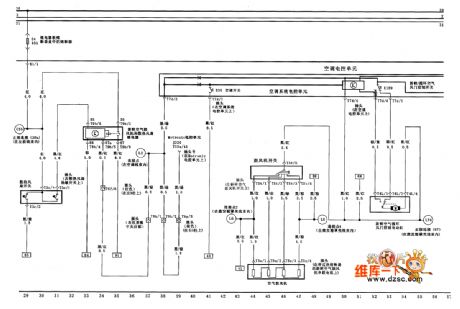
Air condition electronic control unit、fresh/circulating air damper air blower circuit diagram

Published:2011/4/10 21:26:00 Author:muriel | Keyword: VW golf, Air condition electronic control unit, fresh air blower, fresh/circulating air damper air blower, fresh air/circulating air damper

Air condition electronic control unit、fresh/circulating air damper air blower circuit diagram
VW golf Air condition electronic control unit、fresh air blower、fresh/circulating air damper air blower、fresh air/circulating air damper circuit diagram as shown   (View)

View full Circuit Diagram | Comments | Reading(1816)

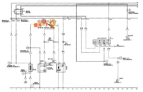
Air condition system relay、abscission electrical equipment、electromagnetic clutch circuit diagram

Published:2011/4/10 21:21:00 Author:muriel | Keyword: VW golf, Air condition system relay, air condition system abscission electrical equipment, air condition electromagnetic clutch

Air condition system relay、abscission electrical equipment、electromagnetic clutch circuit diagram
VW golf Air condition system relay、air condition system abscission electrical equipment、air condition electromagnetic clutch circuit diagram as shown   (View)

View full Circuit Diagram | Comments | Reading(2053)

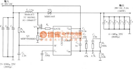
Composed of CS51227 output 28V/5A DC fixed power supply circuit diagram

Published:2011/4/1 3:31:00 Author:Rebekka | Keyword: fixed power supply

Composed of CS51227 output 28V/5A DC fixed power supply circuit diagram
Composed of CS51227 output 28V/5A DC fixed voltage power supply is shown as below. CS51227 is a voltage type PWM Controller, the switching frequency can up to l.0MHz, trigger voltage is 4.7V start current is 75μA. The output voltage of the power supply is 10~18V, output voltage 28V±1%, output current 0~5A, switching frequency 250kHz, output voltage ripple 150mVp-p, 90% efficiency.   (View)

View full Circuit Diagram | Comments | Reading(1229)

Composed of CS3843 and CS5101 output 5V/3.3V switching DC power supply circuit diagram

Published:2011/4/1 3:21:00 Author:Rebekka | Keyword: switching DC , power supply

Composed of CS3843 and CS5101 output 5V/3.3V switching DC power supply circuit diagram
Composed of CS3843 and CS5101 output 5V/3.3V switching DC power supply circuit diagram is shown as below. CS3843 is a fixed frequency PWM controller. The IC is characterized by setting a tone oscillator that used to precisely control duty cycle. There are a reference voltage after temperature compensation, a high-gain error amplifier, current sense comparator and a high current push-pull output that suitable for driving the power tube MOSFET. CS5101 is a bipolar secondary side of the end of class regulator and regulation accuracy can up to 1.0%. Gate drive voltage is 8.0~75V, operating voltage(Ucc) is 8.0~45V, peak output current is 1.5A. There are one 2.0% accuracy, precision voltage reference and an internal compensation error amplifier.   (View)

View full Circuit Diagram | Comments | Reading(1867)

VW golf Cooling fan 2 gear speed relay、cooling fan series resistance、cooling fan circuit diagram

Published:2011/4/10 21:11:00 Author:muriel | Keyword: VW golf , Cooling fan 2 gear speed relay, cooling fan series resistance, cooling fan

VW golf Cooling fan 2 gear speed relay、cooling fan series resistance、cooling fan circuit diagram
VW golf Cooling fan 2 gear speed relay、cooling fan series resistance、cooling fan circuit diagram as shown   (View)

View full Circuit Diagram | Comments | Reading(2560)

±5--±20V Driven tracking power supply circuit diagram

Published:2011/4/1 3:19:00 Author:Rebekka | Keyword: Driven tracking, power supply

±5--±20V Driven tracking power supply circuit diagram
±5--±20V Driven tracking power supply circuit diagram(Driven from the positive side to negative side)circuit diagram is shown as below.   (View)

View full Circuit Diagram | Comments | Reading(676)

Pages:2131/2234 At 2021212122212321242125212621272128212921302131213221332134213521362137213821392140Under 20