Published:2011/9/6 23:33:00 Author:chopper | Keyword: delay, energy-saving lamp
The delay energy-saving lamp shown in the picture is a acousto-optic dual control power-saving delay lamp.It can directly replace ordinary lighting switch without changing the existing lighting circuit and can also control the light bulb not to shine during the day or under strong light even there is a big sound, and it will turn on automatically in the evening or under low light when it encounters some sound (such as voice, footstep, etc.)and it can turn off automatically after about 30s (time can be set).It is suitable for stairs, corridors and other places that just need short lighting. (View)
View full Circuit Diagram | Comments | Reading(2080)
Published:2011/9/6 23:25:00 Author:chopper | Keyword: electronic, greeting card
View full Circuit Diagram | Comments | Reading(1895)
Published:2011/9/6 23:28:00 Author:chopper | Keyword: delay, light-operated switch
Figure shows the improved sound and light control switch, and its delay time can extend to 3min or so, which can meet the requirements of users well.If you want to continue to extend the dely time when in use,you can clap(make some sound) again when the light bulb is bright,which is more convenient to use.Components selection:IC1 should use dual-input four NAND-gate TC4011. RG is the photoresistance,and its effect is better if the difference between its light resistance and dark resistance is greater.Resistor adopts 1/8W carbon film resistors. (View)
View full Circuit Diagram | Comments | Reading(1934)
Published:2011/9/8 1:53:00 Author:Sue | Keyword: Digital Display, Eight-circuit, Disconnection Detector
View full Circuit Diagram | Comments | Reading(2628)
Published:2011/9/8 1:54:00 Author:Sue | Keyword: Inverter, Electromagnetic Ticker, Timer
The electromagnetic ticker timer has a simple structure and is very economic. It is one of the most widely used apparatus in middle school physical experiment and teaching. The main disadvantage is that it may have big error in experiment. The reason is that, first, the electromagnetic ticker timer's needle will impede the paper's moving process when it is working, which will make the paper slow down. Secondly, the electromagnetic ticker timer is driven by the alternating current which is voltage-reduced. It tickering period is one period of alternating current, that is 0.02s. (View)
View full Circuit Diagram | Comments | Reading(1738)
Published:2011/9/9 1:02:00 Author:John | Keyword: Pulse drive
Figure shows the current waveform by pulse drive. The peak pulse drive current is about 4 times of the average current. The frequency is 100Hz and the duty cycle is 10%. This drive method has following advantages. As LED does not work most of the time in a cycle (90% of the cycle), the LED's heat is not necessary to be considered. Together with the reduction of the heat, LED’s light failure can be greatly reduced, thus extending the life of the LED. Therefore, the pulse-driven approach can be considered to be the most practical way for LED.
(View)
View full Circuit Diagram | Comments | Reading(957)
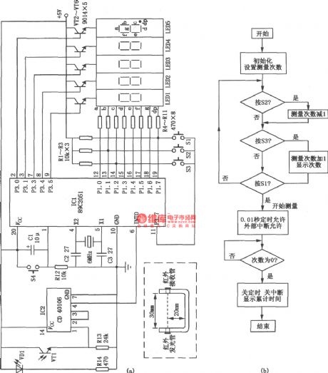
Published:2011/9/8 1:53:00 Author:Sue | Keyword: Intelligent, Simple Pendulum Period, Determinator
The picture shows the intelligent simple pendulum period determinator. It can be used in the experiment which measures the simple pendulum period. The circuit has high measurement accuracy, which can be as accurate as 1/100s. What's more, it doesn't need counting and timing by hand, so it only needs to set the measure times as several. (View)
View full Circuit Diagram | Comments | Reading(1467)
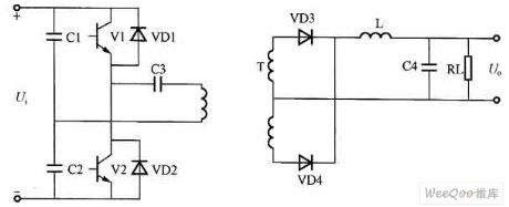
Published:2011/9/9 1:02:00 Author:John | Keyword: Half-bridge power conversion
Half-bridge power conversion circuit can solve the imbalance for a push-pull power conversion circuit without any additional complexity for the circuit. Figure shows the half-bridge power conversion circuit. Just as the figure shows, one end of the power transformer primary winding is connected in series with the midpoint of capacitors C1 and C2 in the half-bridge power conversion circuit. Due to the capacitor’s dividing effect. The other end of power transformer is connected to the emitter of power transistor V1 and phase collector of V2 through capacitor C3.
(View)
View full Circuit Diagram | Comments | Reading(948)
Published:2011/9/8 1:54:00 Author:Sue | Keyword: Telemetry
In winter, in order to forecast the water regimen, the measurement of rainfall as well as snowfall is needed. As seen in the circuit, the circuit adds some more components on the old rainfall amount telemetry circuit, and then the new circuit can realise the two functions of measuring rainfall and snowfall amount. When it is raining, the rain flows into the tipping bucket FD through the rain measuring glass's funnel LD in the figure (a). When the tipping bucket on one side has accumulated 1mm rain, the tipping bucket loses balance and will turn over. Then the rain in the tipping bucket will be poured out. At the same time, the tipping bucket on the other side begins to accumulate rainfall. (View)
View full Circuit Diagram | Comments | Reading(941)
Published:2011/9/8 1:54:00 Author:Sue | Keyword: Simple Cable, Quick Detector
The cable quick detector is mainly used to detect the connection and disconnection states of the computer LAN cable and other similar comprehensive digital network cable and analog cable, which is more convenient and quick than using multimeter. The circuit is divided into two parts---main circuit and remote circuit. Even if the cable's two terminals are not in the same place, it can also detect the circuit. As seen in the figure (a), the main circuit consists of clock generating circuit which is composed of IC1 phase reversal schmitt trigger 74HC14 and LED circuit in proper order which is composed of IC2. The figure (b) shows the remote circuit. (View)
View full Circuit Diagram | Comments | Reading(1441)
Published:2011/9/8 1:33:00 Author:Sue | Keyword: Practical Telephone Detector
The telephone detector which uses this circuit can accurately identify and remove the fault of the telephone ringing circuit, speaking circuit and dial-up circuit. It is very convenient. The figure (a) shows the power circuit, ringing and speaking detection circuit. The power is provided by 220v ac voltage through the voltage transformer T1 and is output in two groups. One group is 9v ac voltage which will output 5v direct current voltage to work as detection power after it is rectified by diode VD3-VD6, filtrated by capacitor C6,C7, voltage stablized by three-terminal voltage stablizing block IC2. (View)
View full Circuit Diagram | Comments | Reading(1319)
Published:2011/9/8 1:55:00 Author:Sue | Keyword: Electronic Sign Board, Acousto-optic Control
The picture shows the automatic electronic sign board circuit. It mainly consists of acoustic control circuit, oscillating circuit and drive display circuit. (View)
View full Circuit Diagram | Comments | Reading(924)
Published:2011/9/8 1:55:00 Author:Sue | Keyword: High Input Impedance, Double Wave, Linear Detection, Simple Adjustment
The picture shows the high input impedance double wave linear detection circuit. The circuit doesn't need precision resistance. Its characteristic is that it can simply make up the gain inequality of the positive and negative input by adjusting VR1. As the signal is input from A1's same-phase terminal, the input impedance is high and will have no nolinear distortion. In the positive half period of the input alternating current signal, A1's output is positive, and D1 is positively offset and is connected. So A2's input is also positive, and A2's input is positive too. R2, VR1,R1 will generate negative feedback to A1 with β=1. All in all, they will become a same-phase amplifier with a gain of 1. (View)
View full Circuit Diagram | Comments | Reading(825)
Published:2011/9/8 1:56:00 Author:Sue | Keyword: Broadband Linear Detection
The picture shows the broadband linear detection circuit with bandwidth of 10MHz. The circuit is the broadband linear detection circuit with bandwidth of 10MHz which is used on measuring appratus such as millivoltmeter. The operational amplifier uses the broadband's μPC53, and its output is amplified by differential amplifer which is composed of triode 2SC384. In the circuit, it uses germanium diode as detection-used diode. Then it connects the diode to the negative feedback circuit. The differential circuit raises the power voltage. (View)
View full Circuit Diagram | Comments | Reading(640)
Published:2011/9/8 1:56:00 Author:Sue | Keyword: Multiplying, Wave Detector, Without Voltage Transformer


The picture shows the multiplying wave detector circuit without voltage transformer. The multiplying wave detector circuit uses MC1596 instead of LC oscillating circuit and voltage transformer. The circuit can be used in frequency range from low to 100KHz wide band, by changing the parameter of the output RC's low pass filter. The circuit can be used in mixer, frequency multiplier and modulator. (View)
View full Circuit Diagram | Comments | Reading(811)
Published:2011/9/8 1:56:00 Author:Sue | Keyword: Multiplying, Wave Detector
The picture shows the multiplying wave detector circuit. The circuit is single-side band AM signal detector. Its working principle is that it will multiply the received single-side band(SSB) signal by receiving end's restored carrier wave, and then the demodulation work will be done. In the figure, the manifold MC1496 is balanced modulator and demodulator. The circuit's output voltage is the product of input voltage signal and switching function provided by the carrier wave. The circuit has a sensitivity of 3 μV when it is operating in 9MHz IF frequency and the dynamic range is 90dB. (View)
View full Circuit Diagram | Comments | Reading(1585)
Published:2011/9/8 1:56:00 Author:Sue | Keyword: Audio Power Indicating Circuit, Five-digit LED Display
The picture shows the audio power indicating circuit which uses five-digit LED display. The circuit consists of level meter driver FD502 and five-digit LED display. The circuit can take out the audio signal's positive range variation which will form direct current level, and then by measuring the variation of the direct current level, the indicating audio power can be known. If the audio signal is too low, FD502 can be altered to FD501, which can drive LED after it is preamplified. FD502 and FD501 are domestic integrated circuits. FD501 has one preset amplifier and five comparators inside, while FD502 has no preset amplifier. (View)
View full Circuit Diagram | Comments | Reading(1329)
Published:2011/9/9 18:23:00 Author:Ariel Wang | Keyword: pulse demodulator , gate circuit
The pulse demodulator composed of CMOS six intervers CD4069 is seen as the chart.It is used to envelope detect for the plulse demodulator.
(View)
View full Circuit Diagram | Comments | Reading(739)
Published:2011/9/9 18:32:00 Author:Ariel Wang | Keyword: comparative, capacitance detector
The comparative capacitance detector is used to compare the capacitance to be detected and the standard capacitance.When the capacitance to be detected is larger or smaller than the standard capacitance,it can bedetected quicklywhether the capacitance of some products is comform to the design standard.In this way it can ensure the product quality as demanded.Other circuit composition is seen as the chart.
(View)
View full Circuit Diagram | Comments | Reading(1260)
Published:2011/9/9 18:36:00 Author:Ariel Wang | Keyword: phase detector
ThePhase detector composed of CD4046 is used to detect the phase difference of sine calibrate signal with two same frequency but different phase.Other circuit composition is seen as the chart.
(View)
View full Circuit Diagram | Comments | Reading(4396)
| Pages:489/2234 At 20481482483484485486487488489490491492493494495496497498499500Under 20 |