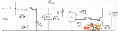
Published:2011/4/22 2:58:00 Author:Christina | Keyword: Infrared Ray, Remote Control, Color Light Controller
The Infrared Ray Remote Control Color Light Controller Circuit is as shown:
(View)
View full Circuit Diagram | Comments | Reading(2274)
Published:2011/4/24 11:53:00 Author:Rebekka | Keyword: wireless remote control


For the three-way wireless remote control switch, the transmitter is shown as below, receive circuit is the same with the single circuit.
(View)
View full Circuit Diagram | Comments | Reading(2851)
Published:2011/4/21 1:20:00 Author:Tina | Keyword: Infrared Ray, Remote Anti-theft, Infrared Ray Remote Anti-theft Alarm
The Circuit Diagram of Infrared Ray Remote Anti-theft Alarm is as shown:
Welcome to reprint, the information is from the Weiku Electronic Market Network (www.dzsc.com). (View)
View full Circuit Diagram | Comments | Reading(1159)
Published:2011/4/21 9:14:00 Author:Christina | Keyword: Dual-channel, Infrared Ray Remote Control
The Circuit Diagram of Dual-channel Infrared Ray Remote Control Switch is as shown:
Welcome to reprint, the information is from the Weiku Electronic Market Network (www.dzsc.com). (View)
View full Circuit Diagram | Comments | Reading(1461)
Published:2011/4/21 1:24:00 Author:Tina | Keyword: Multi-function, Infrared Ray Remote Controller
The Circuit Diagram of Multi-function Infrared Ray Remote Controller is as shown:
Welcome to reprint, the information is from the Weiku Electronic Market Network (www.dzsc.com). (View)
View full Circuit Diagram | Comments | Reading(1284)
Published:2011/4/21 1:23:00 Author:Tina | Keyword: 8-channel, Infrared Ray Remote
The Circuit Diagram of 8-channel Infrared Ray Remote Control is as shown: (View)
View full Circuit Diagram | Comments | Reading(1848)
Published:2011/4/22 4:22:00 Author:Christina | Keyword: Remote Control, Electric Equipment
The Remote Control Electric Equipment Circuit is as shown:
(View)
View full Circuit Diagram | Comments | Reading(1145)
Published:2011/4/24 21:11:00 Author:Christina | Keyword: Remote Control Helicopter, Transmission
The Remote Control Helicopter Transmission Circuit is as shown:
(View)
View full Circuit Diagram | Comments | Reading(6554)
Published:2011/4/24 8:13:00 Author:Rebekka | Keyword: Infrared mouse
View full Circuit Diagram | Comments | Reading(3278)
Published:2011/4/21 3:47:00 Author:Rebekka | Keyword: 4 channels remote control switch
(a) is transmission circuit;(b) is receiving circuit.
HS101/HS201 are a pair of tiny radio transceiver components. The working frequency is 280MHz. It is suitable for digital signal transmission. The control distance is 30 ~ 100m. All the components including the antenna are packaged in one. It is easy to use. The four-channel remote control switch circuit composed of HS101/HS201 is shown as above. (View)
View full Circuit Diagram | Comments | Reading(4008)
Published:2011/4/24 9:41:00 Author:Christina | Keyword: Remote Control, Helicopter, Receiver
The Remote Control Helicopter Receiver Circuit is as shown:
(View)
View full Circuit Diagram | Comments | Reading(9615)
Published:2011/4/20 22:51:00 Author:Rebekka | Keyword: digital coding control


TDC1808/TDC1809 is a pair of wireless remote control transmitter and receiver component. They use an internal antenna, transmitting digital signals or analog signals. It is suitable for a variety of wireless remote control device. The features are small volume, long remote distance, high anti-interference ability etc. Digital coding control circuit is composed by TDC1808/TDC1809. The circuit is shown as above.
(View)
View full Circuit Diagram | Comments | Reading(2394)
Published:2011/4/20 22:52:00 Author:Rebekka | Keyword: remote control circuit
View full Circuit Diagram | Comments | Reading(1790)
Published:2011/4/20 23:02:00 Author:Rebekka | Keyword: 4 channels, wireless remote control , toy car
Figure (a) is the wireless transmission circuit; (b) is a wireless receiver circuit. (View)
View full Circuit Diagram | Comments | Reading(5798)
Published:2011/4/22 4:29:00 Author:Rebekka | Keyword: household appliances, infrared remote control , decoding circuit



BA5201 is an infrared remote control decoding IC. It is suitable for electric fan and some other household appliances. The supporting use of it is BA5101.
Here isthepinout and functions.
BA pin symbol and functions.
The typical application circuit.
(View)
View full Circuit Diagram | Comments | Reading(1970)
Published:2011/4/21 1:40:00 Author:Tina | Keyword: Infrared Ray, Remote Control, Fan Circuit
The Infrared Ray Remote Control Fan Circuit is as shown:
(View)
View full Circuit Diagram | Comments | Reading(2437)
Published:2011/4/20 9:10:00 Author:Nicole | Keyword: overvoltage protection
The circuit mainly includes power supply, trigger start and control, to control load R1 turn on or off power supply through TRIAC ZN6346. Once the AC power voltage is too high, the ○A point's voltage on constant current component 1N5314 is rising, then the unidirectional SCR 2N5O6O turns on and transistor MPS6581 turns off, SCR 2N6239 turns off too, finally, main bi-directional SCR turns off, it can protect load from overvoltage damaging. (View)
View full Circuit Diagram | Comments | Reading(1196)
Published:2011/4/21 8:29:00 Author:Christina | Keyword: Key Chain, Remote Control, Wireless Encoder
The Key Chain Remote Control Wireless Encoder Circuit is as shown:
(View)
View full Circuit Diagram | Comments | Reading(1659)
Published:2011/4/21 1:36:00 Author:Tina | Keyword: TV Audio, Remote Control Switch
The TV Audio Remote Control Switch Circuit is as shown:
(View)
View full Circuit Diagram | Comments | Reading(876)
Published:2011/4/21 7:00:00 Author:Christina | Keyword: Remote Control, Switch Circuit
The Remote Control Switch Circuit is as shown:
(View)
View full Circuit Diagram | Comments | Reading(1003)
| Pages:29/34 At 202122232425262728293031323334 |