Published:2013/2/20 21:04:00 Author:muriel | Keyword: High Power, GaAs FET Amplifier
View full Circuit Diagram | Comments | Reading(971)
Published:2013/2/20 21:03:00 Author:muriel | Keyword: High Power, GaAs FET Amplifier
View full Circuit Diagram | Comments | Reading(953)
Published:2013/2/20 0:25:00 Author:Ecco | Keyword: Sample-and-hold , amplifier , op amp , 10 gain
The circuit will place SMP04 in the feedback loop of op amp OP490, when S Non / H = 0, OP490 feedback loop is turned off, SMP04 internal switch is closed, the op amp gain of the circuit is decided by the op-amp and the feedback resistor, the gain in figure is set to 10, the output terminal outputs the amplified sampled voltage. When S non / H = 1, SMP04 internal switch is turned off, the op amp OP490 feedback loop can not form.
(View)
View full Circuit Diagram | Comments | Reading(1589)
Published:2013/2/20 1:03:00 Author:Ecco | Keyword: Analog - digital , video tape recording , amplifier , double broadband , transconductance , operational amplifier
Data equalization signal input OPA2662 uses its internal dual OTA to constitute the push-pull output, and its load is the analog - digital video head, the signal is recorded on the tape by the head.
(View)
View full Circuit Diagram | Comments | Reading(1535)
Published:2013/2/20 1:11:00 Author:Ecco | Keyword: 400MHz , differential amplifier , broadband transconductance, operational amplifier, buffer
Differential signal voltage VI, - VI is respectively sent to 3 feet of OPA660 internal OTA and pin 5 of +1 amplifier by 150Ω resistor and 51Ω matching resistor, then the +1 amplifier's 6 feet outputs it to 2 feet of OTA.
(View)
View full Circuit Diagram | Comments | Reading(1309)
Published:2013/2/19 20:59:00 Author:muriel | Keyword: Basic Feedback , Amplifier Circuit
View full Circuit Diagram | Comments | Reading(894)
Published:2013/2/19 20:56:00 Author:muriel | Keyword: NE72089, Low-Noise, Amplifier
View full Circuit Diagram | Comments | Reading(1246)
Published:2013/2/19 20:56:00 Author:muriel | Keyword: 3.7 GHz-4.2 GHz , Band 2-, Stage Amplifier
View full Circuit Diagram | Comments | Reading(974)
Published:2013/2/19 20:36:00 Author:muriel | Keyword: 0.1V, differential amplifier
View full Circuit Diagram | Comments | Reading(894)
Published:2013/2/18 0:57:00 Author:Ecco | Keyword: 10W, single-ended amplifier
6C33C-B is a low internal resistance, linear tri-polar bile. Filament voltage is 6.3V/12.6V, filament current is 6.6A/3.3A, screen consumption is 60W, 26 to 40mA / V, transconductance amplification factor is 24, the single-ended amplifier with 6C33C-B has mellow and sweet tone. The circuit is shown as figure, the former uses high μ tube 6SQ7GT for voltage amplification to promote with 6C5P as cathode follower.
(View)
View full Circuit Diagram | Comments | Reading(3702)
Published:2013/2/17 20:19:00 Author:muriel | Keyword: HIGH POWER, FM MIC
View full Circuit Diagram | Comments | Reading(1344)
Published:2013/2/17 20:15:00 Author:muriel | Keyword: Ultra , Low Noise, Precision , High Speed, Op Amps
View full Circuit Diagram | Comments | Reading(1408)
Published:2013/1/31 0:41:00 Author:Ecco | Keyword: tubes , fixed, gate , negative pressure mode, power amplifier


The tubes fixed gate negative pressure mode power amplifier circuit:
(View)
View full Circuit Diagram | Comments | Reading(1048)
Published:2013/1/31 1:32:00 Author:Ecco | Keyword: vacuum tube, push-pull amplifier
When the resistive load of push - pull amplifier is 5kΩ, 6L6 amplifier tube is in the class A push - pull state, screen voltage is 280V, and when the signal changes to the full signal from zero, the screen current change is 120 ~ 140 mA, and output power is l5W.
(View)
View full Circuit Diagram | Comments | Reading(4021)
Published:2013/1/29 2:30:00 Author:Ecco | Keyword: amplifier , dual video
The amplifier circuit schematic with dual video is show as figure:
(View)
View full Circuit Diagram | Comments | Reading(2746)
Published:2013/1/29 1:46:00 Author:muriel | Keyword: DC Amplifer
View full Circuit Diagram | Comments | Reading(1099)
Published:2013/1/29 1:46:00 Author:muriel | Keyword: Precision DC amplifier , INA101, Instrumentation Amplifier
View full Circuit Diagram | Comments | Reading(1058)
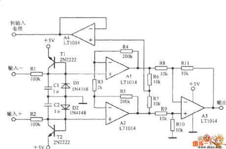
Published:2013/1/25 0:55:00 Author:Ecco | Keyword: Precision instrument amplifier
Precision instrument amplifier circuit diagram is shown as figure:
(View)
View full Circuit Diagram | Comments | Reading(1368)
Published:2013/1/25 1:24:00 Author:muriel | Keyword: amplifier
View full Circuit Diagram | Comments | Reading(959)
Published:2013/1/25 1:21:00 Author:muriel | Keyword: audio amplifier, page
View full Circuit Diagram | Comments | Reading(851)
| Pages:21/250 At 202122232425262728293031323334353637383940Under 20 |