Published:2011/5/17 8:52:00 Author:TaoXi | Keyword: Double limit value, temperature control
The Double limit value temperature control circuit: (View)
View full Circuit Diagram | Comments | Reading(692)
Published:2011/5/17 6:34:00 Author:TaoXi | Keyword: Automatic, temperature control, application-specific
Related components PDF download:
TC6209014KD-15690139015
As the figure shows, this circuit is composed of the temperature sensing switch, the temperature upper-limit and lower-limit LED display circuit, the SCR control circuit, the analog audio circuit and the AC step-down rectifier circuit.etc. This temperature control circuit can control the temperature automatically between the upper-limit and lower-limit, the temperature measurement precision is ±3℃, the temperature controlling effect is good, also it can undertake the overtemperature instruction. (View)
View full Circuit Diagram | Comments | Reading(1478)
Published:2011/5/17 9:18:00 Author:TaoXi | Keyword: Water temperature, automatic controller
The Water temperature automatic controller circuit is as shown: (View)
View full Circuit Diagram | Comments | Reading(651)
Published:2011/5/17 9:24:00 Author:TaoXi | Keyword: Tropical fish tank, water temperature, automatic heating controller
The Tropical fish tank water temperature automatic heating controller circuit is as shown: (View)
View full Circuit Diagram | Comments | Reading(688)
Published:2011/5/17 8:18:00 Author:TaoXi | Keyword: LCD, electronic thermometer
Related components PDF download:
ICL7106CD4036
The LCD electronic thermometer
The LCD electronic thermometer circuit is as shown. The temperature sensor KTY10 has good linear relationship
between temperature - resistance, and you can connect point A and point B (Measurement display circuit) with 100m wire, the digital display range is -50℃ to +150℃, the display digits is 3 1/2.
This circuit includes the high precision mold - digital converter 7106 and the LCD monitor. The 7106 includes all the active components that can be used to control the 3 1/2 LCD. In order to control the decimal point, you need one piece of CMOS circuit CD4030. As a result of the LCD, the whole circuit's power consumption is small.
(View)
View full Circuit Diagram | Comments | Reading(2806)
Published:2011/5/16 20:46:00 Author:Borg | Keyword: detection circuit, Santana
When detecting electronic controlled petrol spay system, we should use digital multimeter (V.A.Gl526 or V.A.G.1715) and LED tube detection light(V.A.G1598). To avoid directly contacting the connector of computer controller,the computer detection box (V.A.G1598) and its assistant cables should be in use.The condition: battery voltage is normal; computer controller and fuel pump fuse are normal; oil pump and its relay are normal; the ground connection of the engine on the air cylinder cover is normal.
(View)
View full Circuit Diagram | Comments | Reading(680)
Published:2011/5/16 8:04:00 Author:Christina | Keyword: Infrared emission, printing quartz, crystal oscillator
The Infrared emission circuit with the printing quartz crystal oscillator is as shown. The oscillator is composed of the crystal Q, the VMOS transistors mosfet and the external components. The low frequency modulation signal UE adds the the amplifier VT1 through the capacitance C1. The modulated signal with the carrier wave is amplified by the VMOS1 mosfet and is output by the infrared diodes VD1 ~ VD6.
(View)
View full Circuit Diagram | Comments | Reading(1163)
Published:2011/5/16 20:44:00 Author:Michel | Keyword: Wireless Remote Transmitter, Equivalent Circuit
View full Circuit Diagram | Comments | Reading(814)
Published:2011/5/16 9:17:00 Author:Michel | Keyword: 3V, Miniature Wireless Microphone, Ciruit
View full Circuit Diagram | Comments | Reading(1096)
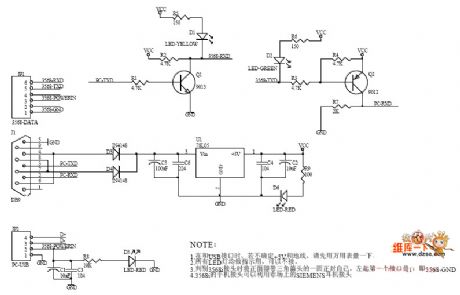
Published:2011/5/16 18:52:00 Author:Christina | Keyword: Siemens, mobile phone, data line
The Siemens 3568 mobile phone data line circuit is as shown:
(View)
View full Circuit Diagram | Comments | Reading(1056)
Published:2011/5/16 8:24:00 Author:Borg | Keyword: electric spray system, control circuit, Santana
Figure 1 The electric spray system (power supply, iginitor) control circuit of Santana 200GLi AFE engine1-battery; 2-igniting switch; 3-oil pump relay; 5-igniting coil; 6-electricity distributor; 7-Hall spindle position TN signal generator (in electricity distributor); 8-admission temperature and pressure sensor; 9-throttle position sensor; 10-computer(ECU) controller; 11-ground connection of igniting coil; 12-ground connection of oil jet; 13-ground connection of computer controller; 14-explosive sensor; 15-oxygen sensor(including heater); 16-coolant temperature sensor; 17-the oil jet of No.1 cylinder (View)
View full Circuit Diagram | Comments | Reading(1169)
Published:2011/5/16 8:47:00 Author:Borg | Keyword: oil spray control system, Santana
Figure 1 The electric controlled oil spray system of Santana 200GLi AFE petrol engine
1-power petrol pump; 2-petrol filter; 3-general fuel distributor; 4-oil return tube; 5-oil pressure adjuster; 6-vacuum tube; 7-oxygen sensor; 8-coolant temperature sensor; 9-electricity distributor; 10-igniting coil; 11-oil sprayer; 12-explosive sensor; 13-idling speed; 14-admission control valve; 15-electric control unit(computer); 16-air filter; 17-throttle position sensor; 18-petrol relay; 19-igniting switch; 20-battery (View)
View full Circuit Diagram | Comments | Reading(2146)
Published:2011/5/16 8:08:00 Author:Borg | Keyword: electric spray system, control circuit, Santana
The electric spray system control circuit of Santana 200GLi AFE petrol engine(2)
(View)
View full Circuit Diagram | Comments | Reading(857)
Published:2011/5/16 20:10:00 Author:Borg | Keyword: gasoline injection engine, Santana



Since 1985, the Santana LX,GX and GX5 produced by Shanghai Volkswagon Corp. by using German Volkswagon technology have taken 1/2 of Chinese car market.Several Santana 2000 comparison
Because there are many types and specifications of Santana manufactured by the car factories in German and other countries, the circuits are different. Therefore, when inputting the manufactureing technology and developing new cars, Shanhai branch has done some modification and supplement considering the state of our country.
(View)
View full Circuit Diagram | Comments | Reading(929)
Published:2011/5/16 2:57:00 Author:Christina | Keyword: wireless microphone
View full Circuit Diagram | Comments | Reading(4268)
Published:2011/5/13 19:54:00 Author:Borg | Keyword: Santana, ABS system






Santana 200GSi is installed with MK-20I ABS system produced by lTT Corp., the USA,which consists of controller(hydraulic controller, ABS computer ECU, hydraulic pump ), 4 wheel sensors, ABS fault warning indicators and brake warning lamp. The functions, installation position, main features and parameters are as shown in Figure 5.
The ABS and installation positions of Santana 2000 are as shown in Figure 7.
The ABS wiring circuit of Shanghai Santana 2000GSi is as shown in Figure 7 and Figure 8. (View)
View full Circuit Diagram | Comments | Reading(839)
Published:2011/5/11 19:33:00 Author:TaoXi | Keyword: Four-channel, remote receiver
The key (View)
View full Circuit Diagram | Comments | Reading(705)
Published:2011/5/11 20:22:00 Author:TaoXi | Keyword: Heterodyne, remote control, receiving circuit
The key components that will be used in this article: HCS515 TDA5200
The TDA5200 is designed as one kind of low power consumption monolithic ASK superheterodyne receiving circuit, The working frequency range is divided into two blocks: 868~870MHz and 433~435MHz. This circuit has the features of high integration, less peripheral components and perfect function, so it is the monolithic receiving circuit that has excellent performance. (View)
View full Circuit Diagram | Comments | Reading(659)
Published:2011/5/11 20:49:00 Author:TaoXi | Keyword: mini, wireless call system
Transmitter (View)
View full Circuit Diagram | Comments | Reading(716)
Published:2011/5/12 20:41:00 Author:TaoXi | Keyword: High-power, temperature control, MPM module
High-power temperature control circuit with the MPM module (View)
View full Circuit Diagram | Comments | Reading(687)
| Pages:28/32 At 20212223242526272829303132 |