Position: Home > Circuit Diagram > Control Circuit > Index 194
Low Cost Custom Prototype PCB Manufacturer

Control Circuit

Index 194



The gas limiting alarm mining lamp circuit diagram 3

Published:2011/7/14 20:40:00 Author:Lucas | Keyword: Gas limiting, alarm , miners lamp

The gas limiting alarm mining lamp circuit diagram 3
The gas limiting alarm miner's lamp circuit is composed of the gas detection circuit, electronic switch circuit and audio alarm circuit, and the circuit is shown as the chart. The gas detection circuit is composed of the resistor R1, potentiometer RP and gas sensor. Electronic switch circuit is composed of the thyristor VT and RP. Audio alarm sound is composed of the integrated circuit IC, resistor R2, transistor Ⅴ and speaker BL. R1 and R2 use 1/4W carbon film resistors or metal film resistors. C selects select aluminium electrolytic capacitors with the voltage in 6.3V. V uses 59013 or 3DG12 NPN silicon transistor. VT uses MCR100-6 or BTl69 thyristor.   (View)

View full Circuit Diagram | Comments | Reading(759)

The gas limiting alarm mining lamp circuit diagram 2

Published:2011/7/14 20:40:00 Author:Lucas | Keyword: Gas limiting , alarm , miners lamp

The gas limiting alarm mining lamp circuit diagram 2
The gas limiting alarm miner's lamp circuit is composed of the gas detection circuit, controlled oscillator circuit and lighting circuit, and the circuit is shown as the chart. Gas detection circuit is composed of the gas sensor, resistor R1 and potentiometer RP. Controlled oscillator circuit is composed of the potentiometer RP, diode VD, transistors V1 ~ V3, resistors R2 and R3, capacitors C1 and C2 and the relay K. Lighting circuit is composed of the battery GB, light EL, light switch S and the normally closed contact of K. The miner's lamp EL is lit by turning on the light switch S, . R1 ~ R3 select 1/4W metal film resistors. RP uses small synthetic carbon potentiometer or variable resistor. C1 and C2 select aluminium electrolytic capacitors with the voltage in 6.3V.   (View)

View full Circuit Diagram | Comments | Reading(1097)

Y-shaped three-phase motor reverse brake circuit

Published:2011/7/14 20:30:00 Author:Lucas | Keyword: three-phase motor, 3KM

Y-shaped three-phase motor reverse brake circuit
  (View)

View full Circuit Diagram | Comments | Reading(1088)

Three-phase motor for jog brake circuit(a)

Published:2011/7/14 20:31:00 Author:Lucas | Keyword: KT2, Three-phase motor, jog brake

Three-phase motor for jog brake circuit(a)
Many mechanisms not only require fast and correct parking, but also require jog brake. In order to improve the efficiency and positioning accuracy, the three-phase motor for jog brake circuit is used.   (View)

View full Circuit Diagram | Comments | Reading(1262)

Three-phase motor dual-speed 2Y / △ connection speed control circuit (c)

Published:2011/7/14 20:33:00 Author:Lucas | Keyword: Three-phase motor, 2Y / △ connection

Three-phase motor dual-speed 2Y / △ connection speed control circuit (c)
  (View)

View full Circuit Diagram | Comments | Reading(4015)

Three-phase electric dual-speed 2Y / △ connection speed control circuit(b)

Published:2011/7/14 20:32:00 Author:Lucas | Keyword: dual-speed 2Y / △ connection

Three-phase electric dual-speed 2Y / △ connection speed control circuit(b)
  (View)

View full Circuit Diagram | Comments | Reading(1111)

Mine locomotive remote controller

Published:2011/7/20 19:30:00 Author:Lucas | Keyword: Mine locomotive , remote controller

Mine locomotive remote controller
The mine locomotive remote controller circuit consists of transistors Vl-V3, capacitors Cl and C2, resistors Rl-R5, diodes VDl and VD2, control switch Sl and Zener diode VS, and the circuit is shown in Figure 8-35. Stop button S2, start button S3, AC contactor KM and normally open contact K form the main control circuit of the stepless rope motor M (it is not shown in the chart). VS, Cl, C2, R5 and VD3 form the integral power supply circuit, and the control switch S1 is installed in the duty room, and one end is grounded, the other end is connected to R1 by the leading wire.   (View)

View full Circuit Diagram | Comments | Reading(594)

Mine spray dust removal controller

Published:2011/7/24 4:12:00 Author:Lucas | Keyword: Mine spray dust , removal controller

Mine spray dust removal controller
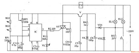
The mine spray dust removal controller circuit consists of +6 V power supply circuit, light control circuit, LED indication circuit and solenoid valve control circuit, and it is shown in Figure 8-34. +6 V power supply circuit is composed of the lights ELl, EL2, resistor R4, R5, switch S, the diode VDl, VD2, filter capacitors C5, C6, V voltage regulator diodes and transistors formed VS. Light control circuit by the photosensitive resistors RGl, RG2, potentiometers RPl, RP2, capacitors Cl-C3 and the time-base integrated circuit IC. Solenoid valve control circuit consists of the internal circuit of IC, resistors R2, R3, thyristor VT, capacitor C4 and the electromagnetic valve YV. LED indicator circuit consists of resistor Rl and light-emitting diode VL.   (View)

View full Circuit Diagram | Comments | Reading(819)

Traffic light controller

Published:2011/7/24 3:32:00 Author:Lucas | Keyword: Traffic light controller, CMOS

Traffic light controller
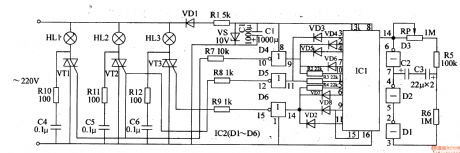
The traffic light controller circuit is composed of the power supply circuit, multivibrator, count divider and lighting control circuit, and it is shown in Figure 7-178. Power supply circuit is composed of the rectifier diode VD1, current limiting resistor Rl, voltage regulator diode VS and filter capacitor Cl. Multivibrator circuit consists of the potentiometer RP, resistors R5, R6, capacitor C2 and the NOT gates Dl-D3 which are inside of the NOT gate integrated circuit IC2 (Dl-D6). Count divider circuit consists of counting / pulse distributor circuit lCI, diodes VD2-VD8 and resistors R2-R4. Lighting control circuit consists of the internal NOT gate D4-D6 of IC2, resistors R7-Rl2, capacitors C4-C6, thyristors VTl-VT3, and indicators HLl-HL3.   (View)

View full Circuit Diagram | Comments | Reading(16)

Motorcycle anti-thief alarm (7)

Published:2011/7/19 20:06:00 Author:TaoXi | Keyword: Motorcycle, anti-thief, alarm

Motorcycle anti-thief alarm (7)
The principle of the circuit The motorcycle anti-thief alarm circuit is composed of the trigger control circuit and the sound and light alarm circuit, the circuit is as shown in figure 7-90. The trigger control circuit is composed of the mercury switch S1 (sensor), the function conversion switch S2, the motorcycle lock switch S3, the resistors Rl-R3, the diodes VDl and VD2, the capacitors Cl and C2, the transistor V and the relay K. The sound and light alarm circuit is composed of the alarm HA, the electronic flasher and the motorcycle turn lights HLl and HL2. When you stop the motorcycle, you need to set the switch S2 in the position of 1 to make the anti-thief alarm in the alert state, at the time the VTl and VT2 cut off, the HA will not alarm, the HLl and HL2 turn on.   (View)

View full Circuit Diagram | Comments | Reading(670)

The motorcycle anti-theft alarm (6)

Published:2011/7/19 19:55:00 Author:TaoXi | Keyword: motorcycle, anti-theft, alarm

The motorcycle anti-theft alarm (6)
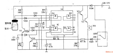
The principle of the circuit The motorcycle anti-theft alarm circuit is composed of the anti-theft detection control circuit, the switch control circuit and the sound alarm circuit, the circuit is as shown in figure 7-89. The anti-theft detection control circuit is composed of the sensor (it is composed of the plastic bottle, saline and three electrodes), the diodes VDl and VD2, the resistors Rl and R2, and the D1 of the AND gate IC (Dl-D4). The sound alarm circuit is composed of the transistors Vl-V3, the D2, the resistors R3, R5, R6, R8, R9, the diodes VD3, VD4, the capacitor Cl and the alarm HA. The switch control circuit is composed of the diode VD5, the resistor R4, the transistor V4 and the capacitor C2.   (View)

View full Circuit Diagram | Comments | Reading(1330)

The motorcycle anti-theft alarm (5)

Published:2011/7/19 19:44:00 Author:TaoXi | Keyword: motorcycle, anti-theft, alarm

The motorcycle anti-theft alarm (5)
The principle of the circuit The motorcycle anti-theft alarm circuit is composed of the trigger circuit, the low frequency oscillation circuit, the switch control circuit and the alarm circuit, the circuit is as shown in figure 7-88. The trigger circuit is composed of the Dl and D2 (in the four NAND gate ICs (Dl-D4)), the resistors R3 and R4, the capacitor C3 and the mercury switch S4. The low frequency oscillation circuit is composed of the transistor V, resistor Rl and diode VD3. The alarm circuit is composed of the high loudness alarm HA and the diodes VDl-VD3. Sl is the motorcycle turn light switch; ELl-EL4 are the turn lights; S2 is the power supply; S3 is the reset button, VL is the power indicator LED.   (View)

View full Circuit Diagram | Comments | Reading(800)

Motorcycle energy-saving controller

Published:2011/7/20 19:25:00 Author:Lucas | Keyword: Motorcycle , energy-saving controller

Motorcycle energy-saving controller
The motorcycle energy-saving controller circuit is composed of the voltage detection control circuit and multivibrator, and the circuit is shown in Figure 7-173. Voltage detection control circuit is composed of the resistors Rl-R5, three-terminal regulator IC lCl, op-amp integrated circuit IC2, diodes VDl, VD2, transistor Vl and relay K. Multivibrator circuit consists of resistors R6-R9, capacitors Cl, C2, light-emitting diode vL and transistors V2, v3. Rl-R9 select 1/4W metal film resistors.   (View)

View full Circuit Diagram | Comments | Reading(718)

The motorcycle anti-theft alarm (4)

Published:2011/7/19 19:36:00 Author:TaoXi | Keyword: motorcycle, anti-theft, alarm

The motorcycle anti-theft alarm (4)
The motorcycle anti-theft alarm is introduced in this article, it uses the private displacement sensor and has the features of high sensitivity, good reliability, low false alarm rate and easy to make. The principle of the circuit This motorcycle anti-theft alarm circuit is composed of the integrated vibration displacement sensor (it is composed of the solid acceleration detection sensor and the control integrated circuit) 1Cl, the power supply circuit and the alarm circuit, the circuit is as shown in figure 7-87. The power supply circuit is composed of the three-port integrated voltage regulator IC2, the filter capacitor C2. The +12V voltage is from the motorcycle battery. The +12V voltage is stabilized by IC2 to become the +6V voltage.   (View)

View full Circuit Diagram | Comments | Reading(2409)

The motorcycle anti-theft alarm (3)

Published:2011/7/19 19:29:00 Author:TaoXi | Keyword: motorcycle, anti-theft, alarm

The motorcycle anti-theft alarm (3)
The motorcycle anti-theft alarm which uses the 555 time-base integrated circuit is introduced in this article, and it can send out the alarm when the thief is moving the motorcycle vertically. The principle of the circuit The motorcycle anti-theft alarm circuit is composed of the trigger circuit and the alarm circuit, as the figure 7-85 shows. The trigger circuit is composed of the mercury switch Sl, the resistors Rl and R2, the transistor VT. The alarm circuit is designed as the multivibrator that is composed of the time-base integrated circuit ICl and IC2, the transistor V, the resistors R3-R6, the capacitors Cl-C4, the diode VD. S2 is the lock control switch, GB is the power supply, HA is the motorcycle electric horn.   (View)

View full Circuit Diagram | Comments | Reading(2237)

Car multi-function alarm (2)

Published:2011/7/19 22:54:00 Author:TaoXi | Keyword: Car, multi-function, alarm

Car multi-function alarm (2)
The principle of the circuit The car multi-function alarm is composed of the trigger control circuit, the voice generator and the audio amplifier output circuit, the circuit is as shown in figure 7-98. The trigger control circuit is composed of the anti-theft switch S, the diodes VD1-VD5, the resistors R1-R3 and the voltage stabilization diodes VS1-VS3. The voice generator is composed of the resistors R4-R6, the capacitors Cl, C2, the voltage regulator diode VS4 and the voice integrated circuit lCl. The audio amplifier output circuit is composed of the audio power amplifier IC IC2, the capacitors C3-C6, the resistor R7 and the speaker BL.   (View)

View full Circuit Diagram | Comments | Reading(550)

Car multi-function alarm (1)

Published:2011/7/19 22:49:00 Author:TaoXi | Keyword: Car, multi-function, alarm

Car multi-function alarm (1)
The principle of the circuit The car multi-function alarm is composed of the dual time-base circuit IC and the external components, the circuit is as shown in figure 7-97. In this circuit, VL is the alarm indicator light, S1 is the reset switch, S2 is the ignition switch of the car, S3 is the low oil pressure alarm switch, S4 is the low air pressure alarm switch, S5 is the high temperature alarm switch. Vcc is the output voltage of the car power generator (+13.5V) that can be used as the operating power supply of the alarm, this voltage is lower than 13.5V when the car is in the idle condition; and it is higher or equal to 13.5V when the car is operating above the medium speed.   (View)

View full Circuit Diagram | Comments | Reading(577)

Motorcycle anti-thief alarm (13)

Published:2011/7/19 22:33:00 Author:TaoXi | Keyword: Motorcycle, anti-thief, alarm

Motorcycle anti-thief alarm (13)
The principle of the circuit The motorcycle anti-thief alarm circuit is composed of the anti-thief monitoring circuit, the voice circuit and the high loudness alarm circuit, the circuit is as shown in figure 7-96. The anti-thief monitoring circuit is composed of the mercury switch S2, the resistors Rl-R4, the capacitors Cl, C2, the transistors Vl-V3 and the diodes VDl. The voice circuit is composed of the diodes VD2-VD7, the resistors R4-R6, the voltage stabilization diode VS, the filter capacitor C3 and the voice IC ICl. The high loudness alarm circuit is composed of the diode VD8, the step-up drive module IC2 and the high loudness alarm HA.   (View)

View full Circuit Diagram | Comments | Reading(627)

Motorcycle anti-thief alarm circuit (12)

Published:2011/7/19 22:13:00 Author:TaoXi | Keyword: Motorcycle, anti-thief, alarm circuit

Motorcycle anti-thief alarm circuit (12)
The principle of the circuit The motorcycle anti-thief alarm circuit is composed of the theft case detection/wireless launch circuit and the wireless receiving alarm circuit, the circuit is as shown in figure 7-95. The theft case detection/wireless launch circuit is composed of the theft case detection circuit, the control circuit and the wireless launch circuit.The theft case monitoring circuit is composed of the vibration sensor, the power supply switch S1 and the motorcycle lock switch S2.The control circuit is composed of the relay K, the diode VD, the resistors Rl and the thyristor VT.The voltage stabilization filter circuit is composed of the voltage stabilization diode VS and the filter capacitors Cl and C2.The wireless launch circuit is composed of the wireless code integrated circuit ICl, the wireless launch integrated circuit lC2, the resistors R2 and the potentiometer R.   (View)

View full Circuit Diagram | Comments | Reading(671)

Motorcycle anti-thief alarm circuit (11)

Published:2011/7/19 21:47:00 Author:TaoXi | Keyword: Motorcycle, anti-thief, alarm

Motorcycle anti-thief alarm circuit (11)
The principle of the circuit The motorcycle anti-thief alarm circuit is composed of the detection alarm circuit, the charging circuit and the anti-theft control circuit, this circuit is as shown in figure 7-94. The detection alarm circuit is composed of the mercury switch Sl, the resistors Rl-R3, the capacitor C, the transistors V1, V2 and the high loudness alarm HA. The charging circuit is composed of the current limiting resistor R4, the diodes VD1 and GB1. The anti-theft control circuit is composed of the relay K, the anti-theft switch S3, the diode VD2 and the normally open contact point Kz of K. Rl-R3 use the 1/4W metal film resistors; R4 uses the 3-5W wirewound resistor.C uses the 16V aluminum electrolytic capacitor.VDl and VD2 use the 1N4007 silicon rectifier diode.   (View)

View full Circuit Diagram | Comments | Reading(1715)

Pages:194/312 At 20181182183184185186187188189190191192193194195196197198199200Under 20