Published:2011/6/9 4:28:00 Author:qqtang | Keyword: regulation timing, integrated circuit


RTS501 is a regulation timing integrated circuit, which is suitable for the conditions that need speed regulation and timing, such as fan programme control and so on.1.function featuresRTS501 contains thetiming circuit, speed control circuit, clock oscillating circuit, speed control circuit and LED drive circuit, etc. It has functions of natural wind and sleep wind.2.pin functions RTS501 is in 18-pin dual line plastic package, whose outline and pin functions are shown in the figure.
The outline and pin functions of RTS5013. The typical application circuit
The typical application circuit of RTS501 (View)
View full Circuit Diagram | Comments | Reading(1436)
Published:2011/6/9 1:52:00 Author:qqtang | Keyword: audio process, integrated circuit





1. Function featuresThe internal circuit of T6668 consists of the microphone amplifier that is formed by CMOS backward amplifiers, the ADM separation/compound circuit which is responding to analog signal separation and digital signal compounding and D/A converting circuit; the clock that provide with address and control signal, counter and D/A (dynamic storage) connector, and portable transformer and band-pass filter which are used to improve the sound quality; the CPU connector for connecting computers conveniently, and other additional function circuits,etc.
(View)
View full Circuit Diagram | Comments | Reading(1072)
Published:2011/6/9 2:35:00 Author:qqtang | Keyword: multifunction, audio signal, integrated circuit



TA1216AN1 is the multifunction audio signal process integrated circuit produced by Toshiba, which is widely used in all kinds of stereo system for processing the audio signals, such as TV stereos, domestic stereos, car stereos and multimedia stereos, etc.1.function featuresThe functions of TA1216AN1 are to complete high/low sound control, volume control, balance control and heavy low sound low-pass filtering and LEV switch, etc, and the internal circuit also includes D/A converter circuit, I2C general connector connector and input/output connector circuit,etc. The internal circuit is shown in Figure 1.
(View)
View full Circuit Diagram | Comments | Reading(804)
Published:2011/6/9 4:17:00 Author:qqtang | Keyword: single door, digital modulator



1.function featuresS1AO903X01 contains AM, FM, multi-channel(signal) multiplexing(MPX), digital modulation system(DTS) and microprocessor connector and other element circuit.
The internal circuit of S1AO903X01
2.main technology parametersThe working voltage of S1AO903X01 is from 2v to 7v, typical working voltage is 3v, the maximum power is 1.8W. AM/FM intermediate frequency SNR is 42dB/65dB, and its counter frequency is 0.4~12MHz. 3.pin functionsS1AO903X01 is in 44-pin square QFP package, whose pin functions are listed in the table.
(View)
View full Circuit Diagram | Comments | Reading(1423)
Published:2011/6/9 2:47:00 Author:qqtang | Keyword: voltage, integrated circuit
S13033C is the 3.3 5-pole voltage steady integrated circuit produced by Microsoft, which is widely used in the voltage steady circuits of video players, TV sets, computer screens, all kinds of stereo systems and small appliances,etc. 1.function features S13033C contains 3.3v voltage steady power supply circuit, voltage steady power supply ON/OFF control circuit, auto detection circuit and other additional function circuits, etc. 2.pin functions and data S13033C is in 5-pin single line package, whose pin functions and data are listed in the table.Pin functions and data of S13033C
(View)
View full Circuit Diagram | Comments | Reading(803)
Published:2011/6/8 21:45:00 Author:qqtang | Keyword: audio power amplifier, integrated circuit



TA7230 is the dual channel audio power amplifier integrated circuit produced by Toshiba, which is widely used in stereo systems, such as car stereos, domestic stereos and so on.1.function features TA7230 contains 2 lines of same-function audio power amplifier circuits, wave filtering circuit, and the silence/mute circuit of power supply protection, whose pin functions are shown in Figure 1. Figure1. The internal circuit of TA7230
2. Pin functions and data TA7230 is in 10-pin in-line package, whose pin functions and data are listed in table1.
(View)
View full Circuit Diagram | Comments | Reading(3840)
Published:2011/6/8 21:35:00 Author:qqtang | Keyword: NICAM, integrated circuit


SA7280P/M2 is the NICAM decoding integrated circuit produced by Philips, which is often used in large screen color TV.SA7280P/M2 is in 28-pin dual line package, whose internal circuit is shown in the figure, and its pin functions and data are listed in the table, for reference.
The internal circuit of SA7280P/M2The pin functions and data of SA7280P/M2 (View)
View full Circuit Diagram | Comments | Reading(818)
Published:2011/6/8 21:27:00 Author:qqtang | Keyword: communication single chip, microcomputer


SA97018 is a communication single chip microcomputer integrated circuit, which is often used in COSUN phones, such as HA8188(10)P/TDL-LCD and so on.1.function featuresSA97018 contains the key pulse generating circuit, key order encoding circuit, clock oscillator circuit, digital volume adjusting circuit, silence/mute control circuit, ring control circuit and other kinds of control circuit, etc.2.pin functionsSA97018 is in 42-pin square package, whose pin functions are listed in the table.Pin functions of SA97018
(View)
View full Circuit Diagram | Comments | Reading(833)
Published:2011/6/9 7:45:00 Author:qqtang | Keyword: computing amplifier, integrated circuit
OP249 is a dual computing amplifier integrated circuit, which belongs to general type IC, it is widely used in all kinds of electric apparatus, such as the stereo equipment, computer system, medical device, instruments and household appliance, etc.1.the internal circuit and featuresOP249 contains two same-function computeing amplifiers, which can form the noninverting and inverting amplifier of different terms, it can also be used as the voltage comparator. Its internal circuit is in the figure.
The internal circuit of OP249 (View)
View full Circuit Diagram | Comments | Reading(836)
Published:2011/6/9 7:33:00 Author:qqtang | Keyword: integrated circuit



P83C266BDR is a single chip microcomputer integrated circuit produced by Philips, which is used in both local and imported large screen color TV.1. Function featuresP83C266BDR consists of the CPU, clock oscillating circuit, reset control circuit, key order decoding circuit, I2C general control circuit, infrared remote order signal process circuit, screen displayed letter generating and process circuit, standby/starting up control circuit and other control and additional function circuits.2.pin functions and data
(View)
View full Circuit Diagram | Comments | Reading(778)
Published:2011/6/8 22:05:00 Author:qqtang | Keyword: single chip, microcomputer



1.function featuresONWA KWEC44.1 consists of the CPU, system reset control circuit, clock oscillator circuit, key pulse generateing circuit, key order signal decoding circuit, screen symbol signal generating and processing circuit,TV/AV control circuit, system shifting control circuit, stand by/start up convert control circuit and other control and additional function circuit, etc.2.pin functions and dataONWA KWEC44.1 is in 52-pin dual line package, whose pin symbols and data are listed in the table.
(View)
View full Circuit Diagram | Comments | Reading(1880)
Published:2011/6/9 7:56:00 Author:qqtang | Keyword: letter generating, integrated circuit
NT6827 is a letter generating integrated circuit, which is widely in the screens of all makes of color TV, such as Samsung and TCL color screens.1.function featuresNT6827 consists of the reference voltage circuit, blank signal process circuit, I2C general connector circuit, letter display signal generating circuit and other additional function circuits, etc.2.pin functions and dataNT6827 is in 16-pin dual in-line package, whose pin functions and data are listed in the table.
(View)
View full Circuit Diagram | Comments | Reading(870)
Published:2011/6/9 8:16:00 Author:qqtang | Keyword: computing amplifier


NJM4558S is a dual computing amplifier integrated circuit produced by JRC Corp., Japan, which is widely used in all kinds of areas, such as CD players, VCD players, DVD players, stereo equipment, electric auto control equipment, instruments, meters, all kinds of household appliances, computers and their screens, car power appliances and car stereos, cooling electric appliances, office electric appliances, etc.NJM4558S is in 8-pin dual line package, whose internal circuit is shown in the figure, and its pin functions and data are listed in the table.
(View)
View full Circuit Diagram | Comments | Reading(1933)
Published:2011/6/9 8:07:00 Author:qqtang | Keyword: audio signal, integrated circuit


NJM2100 is an audio signal amplifier integrated circuit produced by JRC Corp., Japan, which is widely used in all kinds of stereo karaoke systems, such as VP3000 disc player, etc.1.pin functions and dataNJM2100 contains two lines of same-function audio signal amplifier circuits, and it is in 8-pin in-line package, its pin functions and data are listed in the table.The pin functions and data of NJM2100
The typical application circuit of NJM2100 (View)
View full Circuit Diagram | Comments | Reading(2582)
Published:2011/6/7 0:28:00 Author:John | Keyword: voltage regulator inverter
TL494 400W power voltage regulator inverter circuit is shown in the following.
(View)
View full Circuit Diagram | Comments | Reading(7426)
Published:2011/5/29 21:45:00 Author:chopper | Keyword: typical application
View full Circuit Diagram | Comments | Reading(1629)
Published:2011/5/19 21:11:00 Author:Borg | Keyword: preamplifier circuit




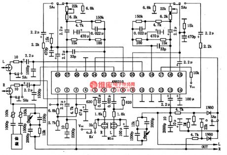
1.the internal circuit and pin functions of AN6210AN6210 contains two lines of microphone amplifiers, two lines of reproducing preamplifiers, two lines of wiring amplifiers and auto gain control lines. In Figure 1 is the internal circuit of it. Comparing with other circuits, its chief advantages are that the wiring amplifiers are public but the recording/reproducing pre-stage is not, and it is divided into an independent reproducing preamplifier and microphone amplifier.
AN6210 is in 28-lead dual in-line package.
2. Principle parameters of AN6210
(View)
View full Circuit Diagram | Comments | Reading(1661)
Published:2011/5/13 6:09:00 Author:Sue | Keyword: Smoking, Warning, Indicator
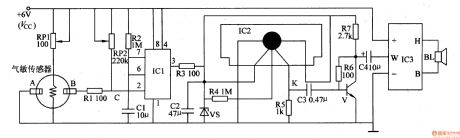
When gas sensor detects no smoke, the resistance value between A and B is large, and IC1's 2 pin has high level, 3 pin outputs low level. Then the sound generator circuit and audio power amplifying circuit don't work, so BL makes no sound.
When gas sensor detects smoke, the resistance value between A and B becomes small, lowering IC1's 2 pin's voltage. When the voltage is reduced under VCC/3, the monostable trigger reverses, making IC1's 3 pin's voltage change from low level to high level. The high level can generate 4.2V direct current voltage, which will be sent to audio integrated circuit IC2. IC2 begins to work and outputs sound signal, which can promote BL to make a warning sound of No Smoking please! . (View)
View full Circuit Diagram | Comments | Reading(1152)
Published:2011/5/17 4:56:00 Author:Borg | Keyword: Dolby, noise reduction



BA1106 is an Dolby B noise reduction integrated circuit produced by Toyo, Corp., Japan, which is widely used in walk-man, domestic stereos and car stereos.1.the internal circuit and pin functions of BA1106BA1106 consists of magnifier, adder, amplitude limiter and variable resistance, whose internal circuit is shown in Figure 1 and whose pin functions and working data are listed in Table 1.
Figure 1 the internal circuit of BA1106
2.the typical application circuit of BA1106The typical application circuit of BA1106 shown as follows
(View)
View full Circuit Diagram | Comments | Reading(4636)
Published:2011/5/17 23:38:00 Author:Borg | Keyword: noise reduction, single door



BAll02FS is an integrated Dolby B noise reduction circuit of single door produced by Toyo Power Tool Corp., Japan, which is widely used in all kinds of stereos to reduce the ground noise in recording/reproducing.1.the internal circuit and pin functions of BAll02FSBAll02FS contains sub-circuits of buffering amplifier, peak value suppression, feedback amplifier and assistant wave-detection channel amplifier, whose main characters are: two dependent noise reduction channels, electric recording/producing and noise reduction switches.This IC is in 24-lead dual line plastic package.
(View)
View full Circuit Diagram | Comments | Reading(2653)
| Pages:44/54 At 204142434445464748495051525354 |