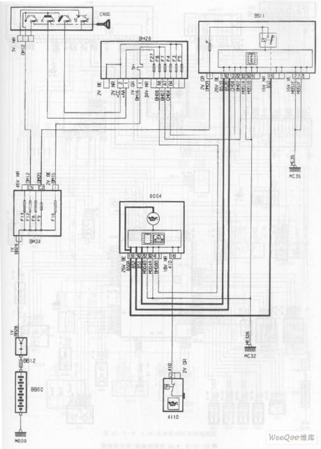
Published:2011/5/9 3:16:00 Author:Nicole | Keyword: Buick Century, car, motor
View full Circuit Diagram | Comments | Reading(519)
Published:2011/5/6 2:40:00 Author:Nicole | Keyword: two channel, 16bit digit/model transformation
LC78816 is a two channel 16bit digit/model transformation integrated circuit which is special designed for processing the digital audio frequency singal, it is widely used in rear projection TV and digital audio system.
LC78816 contains two groups of independent dynamic state level migration converter, each group converter has 512 electric resistance belts, 3bit pulse width modulation circuit(PWM) and 4bit level migration circuit. It is used in Konka BT5O01 rear projection TV, in the digital convergence system, it is used as dynamic state digital convergence singal digit/model transformation, the pin function and data of this integrated circuit is shown in the table1.
(View)
View full Circuit Diagram | Comments | Reading(781)
Published:2011/5/8 23:34:00 Author:Borg | Keyword: Power Window, the DPCA-Picasso 2.0 Car


The Back Power Window Circuit of the DPCA-Picasso 2.0 Car (View)
View full Circuit Diagram | Comments | Reading(623)
Published:2011/5/6 3:06:00 Author:Nicole | Keyword: storage
LC2lB is a DDC memory integrated circuit, it is widely used in all kinds of computer displays, such as PHILIPS, Lenovo and so on.
1, functions and features
LC2lB integrated circuit contains I square bus interface circuit, DDC pattern data singal process circuit, memory store unit circuit, writing protection control circuit and some other assistant functions circuits.
2, pin function and data
LC2lB integrated circuit adopt 8-foot dual in-line package, the pin function and data of this integrated circuit is shown in the table1.
(View)
View full Circuit Diagram | Comments | Reading(644)
Published:2011/5/8 23:32:00 Author:Borg | Keyword: Engine, Coolant Temperature, the DPCA-Picasso 1.6L Car
The Engine Coolant Temperature Circuit of the DPCA-Picasso 1.6L Car (View)
View full Circuit Diagram | Comments | Reading(595)
Published:2011/5/8 23:31:00 Author:Borg | Keyword: Cooling System Circuit, the DPCA-Picasso 1.6L Car
The Engine Cooling System Circuit of the DPCA-Picasso 1.6L Car (View)
View full Circuit Diagram | Comments | Reading(523)
Published:2011/5/8 23:30:00 Author:Borg | Keyword: Jet/Ignition Circuit, the DPCA-Picasso 1.6L Car


The Engine Jet/Ignition Circuit of the DPCA-Picasso 1.6L Car (View)
View full Circuit Diagram | Comments | Reading(669)
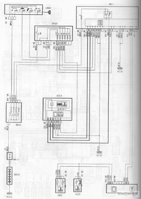
Published:2011/5/9 3:11:00 Author:Nicole | Keyword: Buick Regal, car, rearview mirror, window
View full Circuit Diagram | Comments | Reading(535)
Published:2011/5/9 2:24:00 Author:Nicole | Keyword: magnetic disc, moving direction, discrimination, magnetosensitive resistance
The figure1 is a magnetic disc moving direction discrimination circuit which is composed of magnetosensitive resistance. In the circuit, R(M1) and R(M2) are magnetosensitive resistances, in order to improve the temperature characteristic of magnetosensitive resistance, it should adopt series connection. When the magnetic disc A moves, VT1 turns on, the collector outputs pulse singal which is shown in the figure1(c). If the magnetic disc continues to move, it keeps away from R(M1) and approaches R(M2), then VT1 turns off, VT2 turns on. According to the change of magnetic field, VT1 and VT2 output pulse singal which is shown in the figure1(c). So, it can judge the magnetic disc's direction of movement according to the sequence of pulse singal.
(View)
View full Circuit Diagram | Comments | Reading(1140)
Published:2011/5/9 2:59:00 Author:Nicole | Keyword: magnetic resistance, integrated circuit



The figure1 is the application circuit of magnetic resistance integrated circuit HMC1051Z. The circuit in the figure1(a) adopts +5V single power supply, A1 also is amplifier circuit, the total amplification is 100 times. U01 outputs AC singal, U02 outputs DC singal, the output singal indicates the strength of magnetic field which is measured by HMC10512.
The circuit in the figure1(b) adopts two 1HMClO51Z to eliminate the influence of stray magnetic field, it adopts ± 2.5 V power supply, U01 output is the strength of related magnetic field.
(a)magnetic field measuring circuit diagram
(b)magnetic field measuring circuit diagram
The figure1 is the application circuit diagram of magnetic resistance integrated circuit HMC1051Z (View)
View full Circuit Diagram | Comments | Reading(1007)
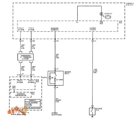
Published:2011/5/9 3:04:00 Author:Nicole | Keyword: Buick Regal, car, rearview mirror, window
View full Circuit Diagram | Comments | Reading(563)
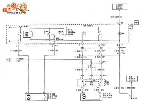
Published:2011/5/9 3:07:00 Author:Nicole | Keyword: Shanghai GM, Cadillac, CTS car, anti-lock braking system
View full Circuit Diagram | Comments | Reading(1091)
Published:2011/5/9 3:07:00 Author:Nicole | Keyword: Shanghai GM, Cadillac, CTS car, anti-lock braking system
View full Circuit Diagram | Comments | Reading(589)
Published:2011/5/6 1:41:00 Author:Nicole | Keyword: digital, linear
The figure1 is a digital linear circuit. The characteristic of sensor is nonlinear, in order to improve the measurement accuracy on applications, they should be linearized. The linear circuit has all kinds of ways, but the adjusting is trouble. This circuit adopts digital, it can store the linear data in EPROM, it has high stability.
Mimic imput signal Ui is unipolar 0~+lOV singal. A1 is buffer, it is used in transform impedance, then it can match with the low input impedance of A/D converter AD847. When it is connected to power supply, the rising edge of power supply voltage is divided by C1, then it will produce trigger pulse singal. The output data of AD847 is OOH一FFH, it is connected to the address Ao一A7 of 2732.
(View)
View full Circuit Diagram | Comments | Reading(857)
Published:2011/5/9 2:07:00 Author:Nicole | Keyword: baseband, chrominance signal, delay line
U3660M-B is a IH baseband chrominance signal delay line integrated circuit, it is used as adjusting-free baseband chrominance signal process, it is suitable for decode circuit with ±(R-Y)、±(B-Y) chrominance signal output, it is applied to TOSHIBA series large screen color television.
1. functions and features
U3660M-B integrated bolck contains two groups: one part is two comb filters which adopt switched capacitor switching technique 64μs delay time, the other part is 3MHz clock generator circuit.
2. pin function and data
The pin function and data of U3660M-B integrated circuit is shown in the table1-1.
(View)
View full Circuit Diagram | Comments | Reading(233)
Published:2011/5/8 23:30:00 Author:Borg | Keyword: Engine, Oil Pressure, the DPCA-Picasso 2.0L Car
The Engine Oil Pressure Circuit of the DPCA-Picasso 2.0L Car (View)
View full Circuit Diagram | Comments | Reading(660)
Published:2011/5/9 1:50:00 Author:Nicole | Keyword: three terminal, fixed steady voltage
LM7805 is a three terminal fixed steady voltage integrated circuit which is produced by National Semiconductor Corporation, it can steady the input voltage to 5V, then it privodes for related circuits. It also can be applied to audio and video equipments, computer, game player and all kinds of electrical appliances.
LM7805 integrated circuit only uses 3-pin, it is used in Changhong CN-l5 movement large screen color television, the pin function and data of this integrated circuit is shown in the table1.
(View)
View full Circuit Diagram | Comments | Reading(641)
Published:2011/5/9 0:53:00 Author:Nicole | Keyword: Shenyang JinBei, light bus, instrument, singal, headlamp, indoor light
Shenyang JinBei SY6474、SY6475A、SY6475 series light bus instrument, singal, headlamp, indoor light basic circuit diagram
36-cigar lighter; 37-work light socket; 38-charging indicator light; 39-motor tachometer; 40-water temperature gauge; 41-water temperature gauge sensor; 42-fuel meter; 43-fuel meter sensor; 44-oil pressure alarm lamp; 45-oil pressure alarm light sensor switch; 46-hand brake indicator light switch; 47-hand brake coupled switch; 48-brake liquid level alarm lamp; 49-brake liquid level control switch; 50-speaker relay; 51-speaker; 52-speaker button; 53-turning flashing relay; 54-left steer singal light; 55-left steer indicator light; 56-right steer indicator light; 57-right steer singal light; 27b-steering and danger signal light switch; 27c-light and overtaking light switch(in combination switch); 58-headlamp; 59-high beam indicator light; 60-fog light switch; 61-fog light; 62-indoor light switch; 63-indoor light; 64-width lamp; 65-width lamp; 66-brake lamp switch; 67-brake air pressure alarm buzzer; 68-brake singal light; 69-brake air pressure alarm light; 70-reversing lamp switch. (View)
View full Circuit Diagram | Comments | Reading(640)
Published:2011/5/9 1:02:00 Author:Nicole | Keyword: communication


U4055B is a communication integrated circuit, as communication singal process circuit, it is widely used in communication equipments.
1. internal circuit block diagram
The internal circuit block diagram of U4055B integrated block is shown in the figure 1-1.
The figure 1-1 is the internal circuit block diagram of U4055B integrated block
2. 5-foot function and data
The pin function and data of U4055B integrated circuit is shown in the table 1-2.
The table 1-2 is the pin function and data of U4055B integrated circuit (View)
View full Circuit Diagram | Comments | Reading(930)
Published:2011/5/9 0:32:00 Author:Nicole | Keyword: Shenyang JinBei, light bus, power supply, start-up, ignition, car heater, wiper
Shenyang JinBei SY6474、SY6475A、SY6475 serieslight bus power supply, start-up, ignition, car heater, wiper circuit diagram
1-16-fuse; 17-storage battery control switch and indicator light; 18-storage battery switch; 19-storage battery; 20-voltage adjuster; 21-AC motor; 22-starter; 23-starter relay; 24-ignition coil; 25-power off distributor; 26-spark plug; 27-ignition switch; Zh-wiper switch(combination switch); 28-radio fuse; 29-radio; 30-loudspeaker; 31-heater motor switch; 32-connector; 33-heater motor; 34-wiper interval relay;35-wiper motor; 35-wiper motor. (View)
View full Circuit Diagram | Comments | Reading(1413)
| Pages:1930/2234 At 2019211922192319241925192619271928192919301931193219331934193519361937193819391940Under 20 |