Published:2011/5/9 1:33:00 Author:Sharon | Keyword: Photodiode, Switch, combined optocoupler, appearance
Photodiode and Switch Combined Optocoupler The optocoupler is a combination of light-emitting diodes, silicon photodiode and 3DK switch transistor. Its appearance is as shown in the figure and the main parameters are listed in the Table. (View)
View full Circuit Diagram | Comments | Reading(762)
Published:2011/5/6 4:39:00 Author:Ecco | Keyword: switching power supply , thick-film , integrated circuit
STR-6656 is the switching power supply thick film integrated circuit produced by Sanyo, it is widely used in large screen color (such as Changhong HP Series Rear Projection Color TV) and DVD players, air conditioners, and other switching power supply circuits. 1. Features of functionSTR-6656 integrated circuit includes starting circuit(STAJRT), oscillation circuit (OSC), latch circuit (LATCH), switching tube and driving motivation circuit, overvoltage protection circuit (OVP), overcurrent protection circuit (OCP), over-temperature protection circuit (TSD) and some other ancillary functions circuit. 2. Pin functions STR-6656 IC uses the package with pins in a single line, the pin functions and data are listed in Table. STR-6656 integrated circuit pin functions and data
(View)
View full Circuit Diagram | Comments | Reading(1824)
Published:2011/5/9 1:41:00 Author:Sharon | Keyword: Phototransistor, Optical Optocoupler, Appearance
Phototransistor Optical Optocoupler Appearance and Circuit is as shown in the figure. (View)
View full Circuit Diagram | Comments | Reading(878)
Published:2011/5/6 4:00:00 Author:Ecco | Keyword: typical application circuit , programmable, sensor , signal processor
The typical application circuit of AD7714 is shown as the chart. The UDD, UDDA side of AD7714 can be accessed +5 V or +3 V power supply. Analog input is configured for three differential pair inputs. AD780 provides precision +2.5 V reference voltage. When CS non-termination is connected to the DGND, AD7714 is configured into 3-wire serial interface. The quartz crystal (or ceramic resonator) provides the master clock. In some special applications, it requires UDD, UDDA side being controlled by two independent powers.
The typical application circuit of AD7714 5-channel low-power programmable programmable sensor signal processor (View)
View full Circuit Diagram | Comments | Reading(872)
Published:2011/5/9 1:42:00 Author:Ecco | Keyword: PWM , monolithic, integrated circuit



T0P212YA1 is the PWM monolithic switching power supply integrated circuit which is manufactured by the Power Company in the United States, it is widely used in switching power supply circuit of DVD, VCD, etc. DVD players, computers and monitors, air conditioner control system and various other household appliances. 1. pin functions and data T0P212YA1 IC uses separate three-pin package, the pin functions and data are listed in Table. T0P212YA1 integrated circuit pin functions and data 2. The typical application circuit and internal block circuitT0P212YA1 integrated circuit includes an oscillation circuit, driver circuit, various protection circuit. The block diagram of the circuit and the typical application circuit are shown as the chart.
(View)
View full Circuit Diagram | Comments | Reading(742)
Published:2011/5/6 3:54:00 Author:Sharon | Keyword: Single-chip, Microcomputer, Integrated



MN15151TWE, MN15151TWPare single-chip microcomputer integrated circuits produced by Panasonic company, widely used in movement of Panasonic large screen color TV series.1.FeaturesMN15151TWE, MN15151TWP IC's internal part is mainly composed of the central processing integrated circuits (CPU), clock oscillator circuit, the reset control circuit, the key bit instruction decoding circuit and other control and ancillary function circuit.2. Pin functions and data MN15151TWE, MN15151TWP IC is sealed in 52-pin dual in-style package. It's operating parameters are listed in Table, andthe in-circuit block diagram and pin functions and signal flow are shown in the figure.
(View)
View full Circuit Diagram | Comments | Reading(905)
Published:2011/5/6 3:45:00 Author:Ecco | Keyword: 4-bit, timer , subtraction counter , integrated circuit


TEC9410 is a 4-bit Timer / subtraction counter IC, which is widely used in time relay, timer and BCD code subtraction counter. TEC9410 IC uses 28-pin dual in-line package, the pin-letter code and pin functions are listed in Table 1. The typical application circuit is shown in Figure 1. Table 1 shows TEC9410 IC pins and pin letter designations. Figure 1 shows the typical application circuit of TEC9410 integrated circuit.
(View)
View full Circuit Diagram | Comments | Reading(1435)
Published:2011/5/8 22:31:00 Author:Ecco | Keyword: monolithic , microcomputer, integrated circuit


TMP87CH38N is the single-chip microcomputer integrated circuit produced by Toshiba, it is widely used in Changhong, Toshiba series of movement and assembly of large-screen color TV. 1. Features of functionsTMP87CH38N integrated circuits is mainly composed of the central processing (CPU), clock oscillator circuit, the reset control circuit, I2C bus control circuit, remote control command signals processing circuit, the character generation and processing circuit, standby / on control circuit, keyboard scan decoding circuit, squelch control circuit, audio format conversion circuit, and other control and auxiliary functions circuit, its block diagram is shown in Figure 1.Figure 1 shows the circuit block diagram and pin functions and signal flowing of TMP87CH38N integrated.2. Pin functions and data TMP87CH38N integrated circuit uses the package with 42 feet in double rows, the pin functions and signal flowing are shown in Figure 1, the pin letter code and data are listed in Table 1.
(View)
View full Circuit Diagram | Comments | Reading(652)
Published:2011/5/6 2:06:00 Author:Sharon | Keyword: Servo Control, Integrated


MN67641VDGF IC pin functions and data
MN67461VDGF IC's internal circuit block diagram and its typical application circuit.
MN67461VDGF is servo control IC produced by Panasonic company, widely used in the video camera, like the Panasonic NV-M8000 camera.1. Features. MN67461VDGF IC's internal structure is mainly made by drum phase servo, drum speed servo, capstan phase servo, working method decoder, and digital tracking circuit and other associated circuit.
2. Pin functions and data. MN67461VDGF IC is sealed in 44-pin plastic, its pin functions and data listed in Table.
3. Typical Application Circuit. MN67461VDGF IC's internal circuit block diagram and its typical application circuit as shown in the table. (View)
View full Circuit Diagram | Comments | Reading(3080)
Published:2011/5/8 22:16:00 Author:Sharon | Keyword: Memory, Integrated


MN12C2O10 is memory integrated circuit produced by Matsushita, widely used in televisions, audio equipment, air conditioners and other series of control circuit. 1. FeaturesMN12C2010 IC embedded data storage matrix circuit, clock circuit and control circuit. 2. Pin functions and data MN10C2010 IC is in 16-pin double row package. The pin functions is shown in the figure, and the operating parameters are listed in Table.
(View)
View full Circuit Diagram | Comments | Reading(1343)
Published:2011/5/8 22:27:00 Author:Sharon | Keyword: Memory, Integrated
MN12C2O1D is memory integrated circuit produced by Matsushita. It usually forms large screen color TV's remote control system with MN15287KWEC31 Micro-chip integrated circuits, controlling the various functions of color TV.
MN12C201D IC is in 16-pin plastic dual in-line structure. The pin functions and data are listed in Table, and the data is measured in Konka (TA8611 + TA8759) movement of color television. (View)
View full Circuit Diagram | Comments | Reading(1213)
Published:2011/5/9 4:53:00 Author:Rebekka | Keyword: Tracking integrated power supply
Tracking integrated power supply circuit composed of CW7900(Positive voltage tracking negative voltage). (View)
View full Circuit Diagram | Comments | Reading(556)
Published:2011/5/9 4:33:00 Author:Rebekka | Keyword: Unit voltage gain , power amplitude modulation device
Unit voltage gain power amplitude modulation device circuit diagram.
(View)
View full Circuit Diagram | Comments | Reading(610)
Published:2011/5/9 4:29:00 Author:Rebekka | Keyword: Tracking integrated regulated power supply
Tracking integrated regulated power supply circuit composed of CW7800 and F007. (View)
View full Circuit Diagram | Comments | Reading(633)
Published:2011/5/9 4:27:00 Author:Rebekka | Keyword: Beijing Everlight 100W, emergency power
Beijing Everlight 100W emergency power supply circuit diagram. (View)
View full Circuit Diagram | Comments | Reading(706)
Published:2011/5/9 4:35:00 Author:Rebekka | Keyword: CNC integrated regulated power supply
CNC integrated regulated power supply circuit diagram. (View)
View full Circuit Diagram | Comments | Reading(706)
Published:2011/5/9 4:21:00 Author:Rebekka | Keyword: 100VA automatic control , efficient emergency power supply
100VA automatic control and efficient emergency power supply circuit diagram. (View)
View full Circuit Diagram | Comments | Reading(584)
Published:2011/5/9 4:20:00 Author:Rebekka | Keyword: 100VA emergency power supply
100VA emergency power supply circuit diagram. (View)
View full Circuit Diagram | Comments | Reading(599)
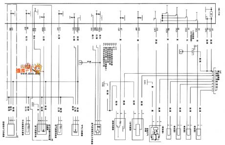
Published:2011/5/9 4:14:00 Author:Nicole | Keyword: VW Passat, electronic control unit, reverse mirror, adjustment switch
VW Passat driver side door electronic control unit, reverse mirror adjustment switch, back row left side car door electronic control unit, central latch electronic control unit and electric door and window circuit diagram
(View)
View full Circuit Diagram | Comments | Reading(3384)
Published:2011/5/9 4:27:00 Author:Nicole | Keyword: HONDA Fit, starter, control module, dynamical system
View full Circuit Diagram | Comments | Reading(932)
| Pages:1926/2234 At 2019211922192319241925192619271928192919301931193219331934193519361937193819391940Under 20 |