Published:2011/5/7 12:49:00 Author:John | Keyword: Ni-Cd battery charger
Automatic Ni-Cd battery charger circuit is shown above. (View)
View full Circuit Diagram | Comments | Reading(2464)
Published:2011/5/9 0:05:00 Author:Borg
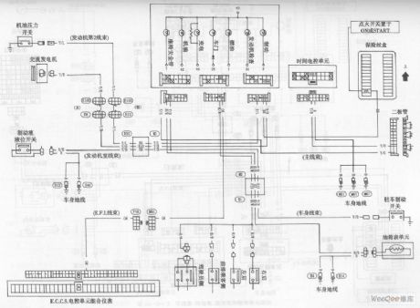
The No.2 Warning Lamp Circuit of the Bluebird Car (View)
View full Circuit Diagram | Comments | Reading(664)
Published:2011/5/7 11:30:00 Author:John | Keyword: photodiode, Isolation amplifier circuit
Photodiode isolation amplifier circuit makes the use of photodiode in order to provide reliable isolation between signal channel and power channel. IS0212P is a transformer coupled isolation amplifier circuit in small size and low cost. The inside chip uses two small but high-efficiency toroidal transformers, providing reliable isolation between signal channel and power channel. The firgue above shows the typical application in Photodetector. Photodiode BPW21 is parallelly set in two input ends of the OPAl28 (N1), causing the composition of I / U resistor gain. It adopts the amplifier feedback resistor. The selected op-amp with high impedance and low bias current aims to reduce the influence on photoelectric detection accuracy of the amplifier bias current. Amplifier OPA128 is powered by the ± V isolated power inside of the isolation amplifier ISO212P. Voltage signal of 1 / U is transformed by l00kΩ resistor into the inverting end of the input amplifier inside of IS0212P. Since the feedback resistor is R3 is also due to 100kΩ, the gain is -l. (View)
View full Circuit Diagram | Comments | Reading(2278)
Published:2011/5/7 12:40:00 Author:John | Keyword: 0.1C5A standard nickel-cadmium battery charger circuit
0.1C5A standard nickel-cadmium battery charger circuit is shown above. (View)
View full Circuit Diagram | Comments | Reading(991)
Published:2011/5/8 11:41:00 Author:Rebekka | Keyword: Mitsubishi Pajero , light off-road vehicle powered car
Mitsubishi Pajero (PAJERO) light off-road vehicle powered car window theory circuit diagram
50 door motor relay; 51 window motor for a main switch; 52,54,56,58 left, right, left rear, right front window motor; 53,55,57 right, left rear, right front window motor Vice switch; 68 bit big switch.
Mitsubishi Pajero (PAJERO) light off-road vehicle powered car window theory circuit diagram.
(View)
View full Circuit Diagram | Comments | Reading(1398)
Published:2011/5/8 8:29:00 Author:Felicity | Keyword: Non-inverting Proportional Circuit Diagram,



The input signal of non-inverting proportional circuit diagram(Fig 1)is inputted by the non-inverting terminal .The output signal is proportion to the input signal and has the same phase .
The voltage gain :
Fig.1 Non-inverting Proportional Circuit
2 Non-inverting follower is made by the non-inverting proportional circuit while the resistance R1 of the inverting terminal is open, the output and the input signals are the same. (View)
View full Circuit Diagram | Comments | Reading(531)
Published:2011/5/8 9:06:00 Author:TaoXi | Keyword: precision composite buffer


The precision composite buffer is as shown. The pre-stage of the circuit is the voltage follower that is composed of the precision op amp LM11, the parallel part of rear-stage uses the general dual op amp MC1458 (or MC1558 dual operational amplifier). The input signal adds to the same-phase input port (pin 3) of the pre-stage through R1 (10kΩ), pin 8 links the 330pF compensation capacitor C1 to achieve the over compensation, the objective is to improve the bandwidth and slew rate of the Parallel output buffer stage, sometimes we connect the 100pF capacitor C2 between the pre-stage's output port (pin 6) and the inverting input port (pin 2) to improve the stability of the circuit. Between the pre-stage's output port and the inverting input port, there are two diodes D1 and D2 (model is 1N914), the role is to clamp when LM11 is overdriven, to reduce the blocking tendency and to minimize the recovery time.
Add the 10kΩ resistor R2 between the circuit's total output port and the pre-stage LM11's inverting input port, this resistance leads the depth voltage series negative feedback to make the op amp working in linear state.
The main parameters (typical) of the dual op amp 1458 (1558):
(View)
View full Circuit Diagram | Comments | Reading(2126)
Published:2011/5/8 6:06:00 Author:Rebekka | Keyword: China car engine
Ignition coil, throttle position sensor, phase sensor, air pressure sensor.
(View)
View full Circuit Diagram | Comments | Reading(453)
Published:2011/5/8 8:40:00 Author:TaoXi | Keyword: IR, remote control, signal receiving


The TDA3048 IR remote control signal receiving integrated circuit is produced by the PHILIPS company, and it can be used as the remote control signal receiving circuit in TV, stereo, air conditioning, fans and other home appliances' remote control system.
The TDA3048 has the infrared remote control signal pre-amplifier, the limiting amplifier, the bandpass filter, the wave detector, the comparator, the integrator, output driver.etc. This IC is in the 16-pin dual in-line package, the pin functions and data is as shown in table 8.
Table 8 The pin functions and data of the TDA3048
The TDA4472 is designed as one kind of new video signal processing integrated circuit that is produced by the PHILIPS company, and it can be used as the TV video signal processor in the new generation of large screen color TV.
1.Features
The TDA4472 has the SIF signal processing circuit, the SIF's AGC circuit, the VIF's AGC circuit, the RF AGC adjusting control circuit, the video signal processing circuit, the oscillator interface circuit, the AFC voltage generating circuit, the VIF signal processing circuit and the AFC switching circuit.etc. The typical application circuit of the Konka S series large screen color TV is as shown in figure 8.
(View)
View full Circuit Diagram | Comments | Reading(2034)
Published:2011/5/8 8:24:00 Author:TaoXi | Keyword: motor driving


The TA8409S motor driving integrated circuit is produced by the TOSHIBA company that can be used as the load motor or disc motor driver in the laser players such as CD、VCD、SVCD.
1.In-circuit block diagram
The TA8409S is designed as one kind of bi-directional control motor driving IC, the in-circuit block diagram is as shown in figure 1.
Figure 1 The in-circuit block diagram of TA8409S
2.Pin functions and data
The TA8409S is in the 9-pin single in-line package, the pin functions and data is as shown in table 1, the data is from the Changhong VD-6000 type VCD player.
Table 1 The pin functions and data of the TA8409S (View)
View full Circuit Diagram | Comments | Reading(3126)
Published:2011/5/8 7:50:00 Author:TaoXi | Keyword: field scanning, output integrated circuit
The TA8427 field scanning output integrated circuit is produced by the TOSHIBA company, it can be used in variety kinds of large screen color TVs.
1.Features
The TA8427 has the field scanning output circuit, the pump supply voltage circuit, the phase compensation circuit and other accessibility circuits.
2.Pin functions and data
The TA8427 is in the 7 pin single in-line package, the pin functions and data is as shown in table 1.
Table 1 The pinfunctionsanddata of the TA8427 (View)
View full Circuit Diagram | Comments | Reading(646)
Published:2011/5/8 7:11:00 Author:TaoXi | Keyword: 25V, output power supply, op amp
The 25V output power supply circuit compose of the op amp UA741 is as shown:
(View)
View full Circuit Diagram | Comments | Reading(1947)
Published:2011/5/8 7:09:00 Author:TaoXi | Keyword: Bootstrap, composite amplification buffer
747 integrated dual op amp main parameters (typical):
(View)
View full Circuit Diagram | Comments | Reading(2958)
Published:2011/5/8 22:38:00 Author:Sharon | Keyword: Memory, Integrated


MN12C25D is memory integrated circuit produced by Matsushita, widely used in electronic products of Panasonic series, such as Panasonic color TV, air conditioning, DVD players and so on. 1. Features MN12C25D IC 's internal is mainly composed of the memory matrix, data and clock interface circuit, memory control circuit and other ancillary circuit. 2. Functions and data MN12C2SD IC is in 2.5 foot 9-pin single row of plastic package with its function as shown in the figure, and its operating parameters listed in Table.
(View)
View full Circuit Diagram | Comments | Reading(1915)
Published:2011/5/6 4:25:00 Author:Nicole | Keyword: 2.5L motor, ignition system, detonation sensor, Shanghai GM Buick, commercial vehicle
View full Circuit Diagram | Comments | Reading(1006)
Published:2011/5/8 22:07:00 Author:Christina | Keyword: Dujiang, radio, principle circuit
The Dujiang brand 802 type radio principle circuit is as shown:
(View)
View full Circuit Diagram | Comments | Reading(653)
Published:2011/5/8 22:01:00 Author:Christina | Keyword: Ji Nuoer, direct-cooling fridge


The Ji Nuoer direct-cooling fridge circuit is as shown:
(View)
View full Circuit Diagram | Comments | Reading(611)
Published:2011/5/8 21:56:00 Author:Christina | Keyword: Ji Nuoer, fridge


The Ji Nuoer brand BCD-215 fridge circuit is as shown:
(View)
View full Circuit Diagram | Comments | Reading(494)
Published:2011/5/6 4:23:00 Author:Nicole | Keyword: 2.5L motor, fuel oil control, Shanghai GM Buick, commercial vehicle
View full Circuit Diagram | Comments | Reading(1420)
Published:2011/5/6 4:21:00 Author:Nicole | Keyword: Shanghai GM Buick, commercial vehicle, 2.5L motor, injector
View full Circuit Diagram | Comments | Reading(488)
| Pages:1934/2234 At 2019211922192319241925192619271928192919301931193219331934193519361937193819391940Under 20 |