Published:2009/7/20 5:20:00 Author:Jessie
5.8-watt AF power amplifier for automotive applications. This circuit is ideal for car stereo or car radio outputs. In addition it can be employed for a CB modulator circuit. Recommended supply voltage is 13.2 volts. Input resistance is 40K. Voltage gain ranges between 52 and 58 dB (courtesy GTE Sylvania Incorporated). (View)
View full Circuit Diagram | Comments | Reading(643)
Published:2009/7/20 5:20:00 Author:Jessie
Serial gray-to-binary converter above (courtesy Motorola Semiconductor Products Inc.). (View)
View full Circuit Diagram | Comments | Reading(997)
Published:2009/7/20 5:19:00 Author:Jessie
500 mW AF power amplifier for a 20-ohm speaker. Frequency response is from 70 hertz to 20 kilohertz. The ECG1016 is a thin-film hybrid module. The AF driver transistor is standard and can be purchased en Radio Shack (courtesy GTE Sylvania Incorporated). (View)
View full Circuit Diagram | Comments | Reading(798)
Published:2009/7/20 5:18:00 Author:Jessie
8-bit A/D converter using an ADC-MC8B 16-pin DIP. Pin functions of the Datel ADC-MC8B chip are as follows: pin 1, ground; pin 2, logic select; pin 3, reset; pin 4, strobe; pin5, bit8 (LSB); pin6, bit7; pin7, bit6;pin8, +VCC; pin 9, bit 5; pin 10, bit4; pin 11, bit3; pin 12, bit2; pin 13, bit 1(MSB); pin 14, analog out; pin 15,VREF input; pin 16, VREF output. To calibrate, apply continous start commands to the start input. For the zero adjustment ground the analog input and vary the zero adjust pot until the LSB flickers between one and zero with all other inputs at logic zero. For the gain adjustment apply FS-1/2 LSB to the analog input and vary the gain adjust pot until LSB flickers between one and zero with all other bits at logic one (courtesy Datel Systems, Inc.). (View)
View full Circuit Diagram | Comments | Reading(1355)
Published:2009/7/20 5:18:00 Author:Jessie
Measures phase difference as small as 0.005 deg between pulses of two nearly coincident pulse chains using electronic switch, mvbr phase detector, and diode synchronous detector. Output shows both sign and magnitude of phase angle between two corresponding pulses in pulse chains.-F. Vrataric, Jr., Electronic Switching in Phase Measurement, Electronics, 32:23, p 60-61. (View)
View full Circuit Diagram | Comments | Reading(2209)
Published:2009/7/20 5:17:00 Author:Jessie
8-bit successive-approximation A/D converter (courtesy Motorola Semiconductor Products Inc.). (View)
View full Circuit Diagram | Comments | Reading(2621)
Published:2009/7/20 5:16:00 Author:Jessie


75-watt AF power amplifier with low-transient-intermodulation distortion (courtesy Fairchild Semiconductor). (View)
View full Circuit Diagram | Comments | Reading(1770)
Published:2009/7/20 5:16:00 Author:Jessie
High-speed 8-bit successive-approximation A/D convener (courtesy Motorola Semiconductor Products Inc.). (View)
View full Circuit Diagram | Comments | Reading(882)
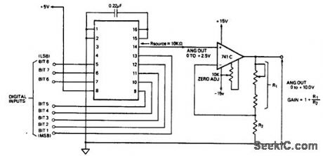
Published:2009/7/20 5:14:00 Author:Jessie
D/A convener with output buffer. VOUT is directly proportional to the digital input.R2 should be less than or equal to 650K to assure good temperature compensation. Metal film 1% resistors and 100 PPM/℃ trimmers are recommended. For fast settling time use a Datel AM-452 buffer. To calibrate apply continuous start commands to the start input (pin 3). Set all bits to logic zero and vary the zero adjust pot until VOUT is zero. Set all bits to logic one and vary the gain adjust pot until VOUT is equal to the nominal FS-1 LSB, where LSB is equal to FSR/256 (courtesy Datel Systems, Inc.). (View)
View full Circuit Diagram | Comments | Reading(881)
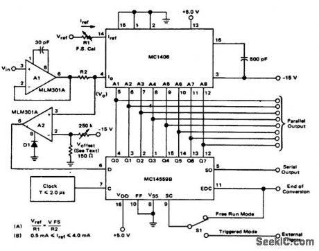
Published:2009/7/20 5:13:00 Author:Jessie
Cyclic converter (courtesy Motorola Semiconductor Products Inc.). (View)
View full Circuit Diagram | Comments | Reading(0)
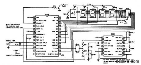
Published:2009/7/20 5:12:00 Author:Jessie
4 1/2-digit (2.000-volt) A/D converter with LED readout using the 8052A/7103A digital pair (courtesy Intersil, Inc.). (View)
View full Circuit Diagram | Comments | Reading(1161)
Published:2009/7/20 5:11:00 Author:Jessie
4-watt audio power amplifier using an ECG1102 as an AF driver. The ECG1102 is a 5-pin module. The two bias pots in the output stage should be adjusted to provide an idle current of 15 mA. Total current at maximum output is 450 mA. Voltage gain is 28 dB. Bandwidth is from 20 hertz to 30 kilohertz (courtesy GTE Sylvania Incorporated). (View)
View full Circuit Diagram | Comments | Reading(711)
Published:2009/7/20 5:11:00 Author:Jessie
Provides either polarity, for applications requiring superior regulation and stability. Minimum input is 290 v d-c, and minimum Esg is 150 v d-c. Maximum output is 100 ma per series lube. C4 is minimum of 4 mfd.-NBS, Handbook Preferred Circuits Navy Aeronautical Electronic Equipment, Vol. 1, Electron Tube Circuits, 1963, PC 8, p 8-2.
(View)
View full Circuit Diagram | Comments | Reading(944)
Published:2009/7/20 5:10:00 Author:Jessie
250 mW babysitter intercom using an LM3909 chip. Circuitry inside dashed lines is the LM3909. Operating current is 12to 15mA (courtesy National Semiconductor Corporation). (View)
View full Circuit Diagram | Comments | Reading(703)
Published:2009/7/20 5:10:00 Author:Jessie
Parallel gray-to-binary converter(courtesy Motorola Semiconductor Products Inc.). (View)
View full Circuit Diagram | Comments | Reading(1629)
Published:2009/7/20 5:09:00 Author:Jessie
Inverse-parallel circuit is economical for manual control of lights, heaters, ovens, or fans.- Silicon Controlled Rectifier Manual, Third Edition, General Electric Co., 1964, p 138. (View)
View full Circuit Diagram | Comments | Reading(585)
Published:2009/7/20 5:09:00 Author:Jessie
8-bit multiplying D/A converter In bipolar operation(courtesy Analog Devices, Inc.). (View)
View full Circuit Diagram | Comments | Reading(841)
Published:2009/7/20 5:09:00 Author:Jessie
Associated regulator controls oscillator output. Considered less desirable than a-f oscillator supplies, which have no r-f radiation problem.-NBS, Handbook Preferred Circuits Navy Aeronautical Electronic Equipment, Vol. 1, Electron Tube Circuits, 1963, p N14-3. (View)
View full Circuit Diagram | Comments | Reading(733)
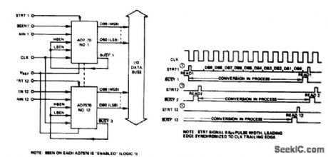
Published:2009/7/20 5:09:00 Author:Jessie
Twelve 10-bit CMOS A/D converters onto a data bus (courtesy Analog Devices, Inc.). (View)
View full Circuit Diagram | Comments | Reading(828)
Published:2009/7/20 5:08:00 Author:Jessie
Component values shown give optimum regulation at 25 v rms output, with less than 0.1 v variation for change in line voltage from 115 v to 100 v. For wider range of output voltage than 10 to 30 v, R1 and R4 can be ganged pot.- Transistor Manual, Seventh Edition, General Electric Co., 1964, p 334. (View)
View full Circuit Diagram | Comments | Reading(936)
| Pages:895/2234 At 20881882883884885886887888889890891892893894895896897898899900Under 20 |