Published:2009/7/20 21:08:00 Author:Jessie
Used in telemetering bioelectric potentials from baroreceptors of blood pressure control system in active awake animals for several days after surgical implantation of electrodes in aorta and carotid arteries. System provides lat frequency response from 1 to 1,200 cps with input impedance of 2.5 meg and input sensitivity of 5 to 500 my. Trans-mining range is 25 feet.-P. Kezdi and W. S.Naylor, Telemetry System to Transmit Baroreceptor Nerve Action Potentials, The American Journal of Medical Electron; 4:4,p 153-155. (View)
View full Circuit Diagram | Comments | Reading(848)
Published:2009/7/20 21:08:00 Author:Jessie
Duty cycle and frequency control circuitry for a switching mode regulator.Q1 sets the basic operating frequency of the regulator at 5 kHz, while Q4 controls the duty cycle (courtesy Motorola Semiconductor Products Inc.). (View)
View full Circuit Diagram | Comments | Reading(723)
Published:2009/7/20 21:07:00 Author:Jessie
Phantastron circuits delay horizontal and vertical sync pulses, when added to monitor or tv receiver, to provide display for checking operation of tv station sync generator.-H. E. O'Kelley, Pulse-Cross Modification of Tv Receivers, Electronics, 31:9, p 54-55. (View)
View full Circuit Diagram | Comments | Reading(848)
Published:2009/7/20 21:07:00 Author:Jessie
Amplified 2- to 3-cps signal from foetal heart modulates transistor oscillator operating between 800 and 1,200 cps. Frequency modulation technique overcomes poor low-frequency response of human ear and loudspeaker. A-c coupled stages have large lime constants, to give required low-frequency response.-T. I. Humphreys, Transistor Unit Detects Foetal Heart Sounds, Electronics, 31:17, p 52-54. (View)
View full Circuit Diagram | Comments | Reading(1071)
Published:2009/7/20 21:06:00 Author:Jessie
Fixed negative voltage regulator using the μA79HG, which can supply a minimum of 5 amperes at voltages from -2.3 volts to -24 volts (courtesy Fairchild Semiconductor). (View)
View full Circuit Diagram | Comments | Reading(589)
Published:2009/7/20 21:22:00 Author:Jessie
Negative floating regulator(100 volts) using an ECG915 or ECG915D IC.For a ±5% fixed output, H1 should be 3.57 ohms and R2 should be 97.6 ohms (courtesy GTE Sylvania Incorporated). (View)
View full Circuit Diagram | Comments | Reading(686)
Published:2009/7/20 21:22:00 Author:Jessie
Use of 5-mfd capacitor across regulated output reduces adverse effect of 2.2-meg plate load resistor g frequency response. Cascade circuit is Used when required gain is too high for single triode because it avoids need for second d-c supply that would be required for screen if pentode were used.-NBS, Handbook Preferred Circuits Navy Aeronautical Electronic Equipment, Vol. 1 Electron lube Circuits, 1963, p N2-2. (View)
View full Circuit Diagram | Comments | Reading(907)
Published:2009/7/20 21:21:00 Author:Jessie
100-volt RMS regulator using a triac and UJT. To eliminate 60-hertz modulation of the photocell it is mounted at one end of a black tube with the other end directed at the back side of the lamp reflector. The reflector glows red and since it has a relatively large mass it cannot respond to the supply frequency. This provides a form of integration (courtesy Motorola Semiconductor Products Inc.). (View)
View full Circuit Diagram | Comments | Reading(1537)
Published:2009/7/20 21:21:00 Author:Jessie
Plate resistor for lower-potention triode parallels top triode, which is plate load for true cascode. This increases gain of circuit by increasing average plate current and thereby transcon-ductance of bottom triode.-NBS, Handbook Preferred Circuits Navy Aeronautical Electronic Equipment, Vol. 1, Electron Tube Circuits, 1963, p N2-2. (View)
View full Circuit Diagram | Comments | Reading(916)
Published:2009/7/20 21:21:00 Author:Jessie
Matched pair of FETs gives high input resistance for analog input signal greater than 1012 ohms, while output resistance of FET pair is under 12K. Opamp A1 acts as buffer and allows C1 to charge rapidly. Use of DG181 analog switches limits leakage current flowing into or out of C1, while SW2 provides fast resetting of capacitor voltage to zero. Similar FET pair and opamp provide output voltage proportional to sampled value.- Analog Switches and Their Applications, Siliconix, Santa Clara, CA, 1976, p 4-7-4-8. (View)
View full Circuit Diagram | Comments | Reading(719)
Published:2009/7/20 21:20:00 Author:Jessie
Simple 6-kc blocking oscillator circuit serves both for sensing and duty cycle control. Arrangement is more efficient than conventional series-pass regulators. Inverted polarity is added feature. Will regulate 20-v output within 1% overload range of 50 ma to 1 amp.-H. Weber, Two Unique Switching Voltage Regulators Using Blocking Oscillators, Motorola Application Note AN-163, Aug. 1965. (View)
View full Circuit Diagram | Comments | Reading(752)
Published:2009/7/20 21:19:00 Author:Jessie
Automatically controls lesion-producing ultrasonic radiation counting up to 99,999. Mechanical counter is actuated by thyratron V5, which is keyed by on by 50-millisec counter pulser driven by leading edge of square wave input pulse.- B. J. Cosman and T.F. Hueter, Instrumentation for Ultrasonic Neurosurgery Electronics,32:20,p 53-57. (View)
View full Circuit Diagram | Comments | Reading(890)
Published:2009/7/20 21:18:00 Author:Jessie
Low-cost substitute for storage oscilloscope can be used to study analog variables in speech synthesis, transient signal analysis, and destructive testing of components. Circuit is basically a tracking A/D convener whose digital output is fed into shift register holding 256 8-bit words. Separate clock for shift register is continuously adjustable from about 250 kHz down to about 4 s per cycle, with output going to 12-stage ripple counter. At 250 kHz, shift register stores input signal for t ms. Article gives details of circuit operation.-K. P. Roby, Transient Signal Analyzer Has Multiple Uses, EDN Magazine, Oct. 20,1974,p 46-48. (View)
View full Circuit Diagram | Comments | Reading(1284)
Published:2009/7/20 21:18:00 Author:Jessie


3-watt/5-watt AF power amplifier with NPN driver (courtesy Motorola Semiconductor Products Inc.). (View)
View full Circuit Diagram | Comments | Reading(2007)
Published:2009/7/20 21:17:00 Author:Jessie


20-watt 3-phase inverter with 12-volt DC input and 115-volt 400-hertz AC output (courtesy Motorola Semiconductor Products Inc.). (View)
View full Circuit Diagram | Comments | Reading(5275)
Published:2009/7/20 21:15:00 Author:Jessie
When track input control is 0.8V or less, gate in SN75180 holds 2N4391 transistor source-drain path closed so input signal goes to output unchanged. When control voltage is increased to 2 V, gate opens path through transistor, so signal voltage stored at that instant in 0.1-μF capacitor is held at output. Track time is greater than 500 ns for 1.V input, giving hold time over 6 s. Circuit uses two SN72310 wideband voltage-follower opamps.- The Linear and Interface Circuits Data Book for Design Engineers, Texas Instruments, Dallas, TX, 1973, p 4-41. (View)
View full Circuit Diagram | Comments | Reading(0)
Published:2009/7/20 21:13:00 Author:Jessie


3-watt/5-watt AF power amplifier with PNP driver (courtesy Motorola Semiconductor Products Inc.). (View)
View full Circuit Diagram | Comments | Reading(991)
Published:2009/7/20 22:16:00 Author:Jessie
16-digit multiplex circuitry for LED (courtesy Motorola Semiconductor Products Inc.). (View)
View full Circuit Diagram | Comments | Reading(855)
Published:2009/7/20 22:16:00 Author:Jessie
Sine function generation using an AD534 multiplier/divider chip (courtesy Analog Devices, Inc.). (View)
View full Circuit Diagram | Comments | Reading(614)
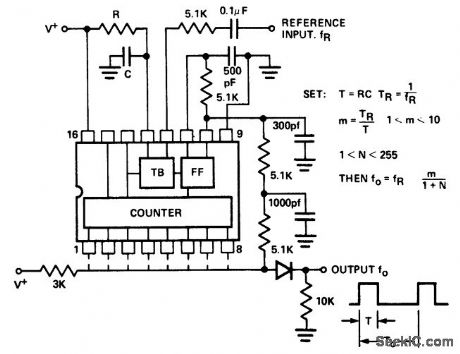
Published:2009/7/20 22:15:00 Author:Jessie
Frequency synthesizer using an external time base reference. The counter shown is an Intersil 8240 programmable timer/counter. The harmonic synchronization property of the 8240 time base can be used to generate a wide number of frequencies from a given input reference frequency (courtesy Intersil, Inc.). (View)
View full Circuit Diagram | Comments | Reading(683)
| Pages:941/2234 At 20941942943944945946947948949950951952953954955956957958959960Under 20 |