Published:2009/7/20 22:06:00 Author:Jessie
Sawtooth generator with negative-going ramp using a zener and a PNPN diode (courtesy Motorola Semiconductor Products Inc.). (View)
View full Circuit Diagram | Comments | Reading(1102)
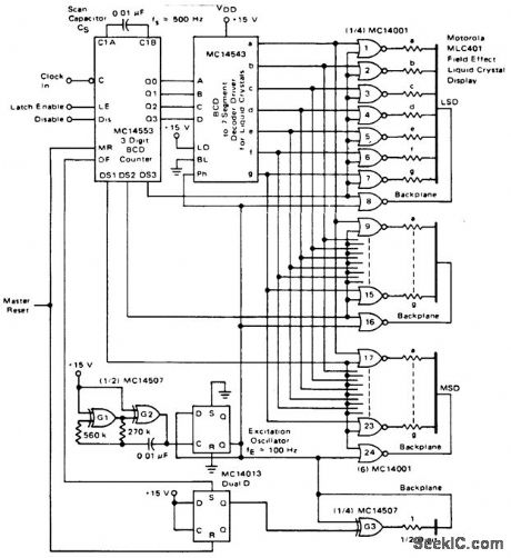
Published:2009/7/20 21:52:00 Author:Jessie
3 1/2-digit multiplexed MLC401 field-effect LCD(courtesy Motorola Semiconductor Products Inc.). (View)
View full Circuit Diagram | Comments | Reading(774)
Published:2009/7/20 21:51:00 Author:Jessie
Logic voltage is applied simultaneously to sample-and-hold JFETs. By matching input impedance and feed-back resistance and capacitance, errors due to ON resistance of JFETs are minimized.- FET Databook, National Semiconductor, Santa Clara, CA, 1977, p 6-26-6-36. (View)
View full Circuit Diagram | Comments | Reading(0)
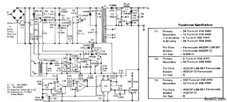
Published:2009/7/20 21:50:00 Author:Jessie
Constant-voltage ferrores-onant transformer with full-wave silicon rectifiers is supplemented by shunt transistors driven by error signal from zener-reference sensing circuit.-J. r. Keefe, Transformer and Shunt Transistors Regulate D-C Power Supply, Electronics, 34:20, p 99-101. (View)
View full Circuit Diagram | Comments | Reading(620)
Published:2009/7/20 21:50:00 Author:Jessie
Operational amplifier ±15-volt 1-ampere power supply. The ECG968 and ECG969 positive and negative regulators can be connected as shown to obtain a dual power supply. A clamp diode should be used at the output of the ECG968 to prevent latch-up problems. The regulators have thermal-overload and short-circuit protection. The input capacitors should be 0.33 μF if tantalum or Mylar, or 1.0μF if aluminum. Bypassing the output is also recommended. The same type of dual power supply can be constructed with other ratings of the ECG9XX series of regulator. Ratings are as follows: ECG960, +5 volts; ECG961, -5 volts; ECG962, +6 volts; ECG963,-6 volts; ECG966, +12 volts; ECG967,-12 volts; ECG968; +1 5volts, ECG969,-15 volts; and ECG972, +24 volts (courtesy GTE Sylvania Incorporated). (View)
View full Circuit Diagram | Comments | Reading(1728)
Published:2009/7/20 21:49:00 Author:Jessie
Silicon diodes in full-wave bridge feed seven-transistor regulator. Temperature-compensated silicon-junction zenet diode is basic reference element. Output is constant within 50 my, for use with digital-analog converter.-N. Aron, Precise Converter takes Current Analog of Digital voltage Pulses, Electronics, 35:32, p 68-71. (View)
View full Circuit Diagram | Comments | Reading(736)
Published:2009/7/20 21:47:00 Author:Jessie
80-watt switching regulator supply for CATV applications with 24-volt 3-ampere output. This circuit operates above 18 kilohertz from a 40- to 60-volt 60-hertz square wave or from a DC standby source with input/output isolation (courtesy Motorola Semiconductor Products Inc.). (View)
View full Circuit Diagram | Comments | Reading(1155)
Published:2009/7/20 21:45:00 Author:Jessie


screen is fed directly from regulated voltage of shunt-regulating supply using VR-105 and VR-150 reference lubes to give -300 v.-NBS, Handbook Preferred Circuits Navy Aeronautical Electronic Equipment, Vol. 1, Electron Tube Circuits, 1963, p N2-2. (View)
View full Circuit Diagram | Comments | Reading(848)
Published:2009/7/20 21:45:00 Author:Jessie




35-/50-/60-/75-/100-watt AF power amplifier (courtesy Motorola Semiconductor Products Inc.). (View)
View full Circuit Diagram | Comments | Reading(3155)
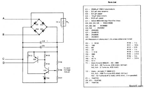
Published:2009/7/20 21:44:00 Author:Jessie


Line-operated inverter with 15-volt DC 225-watt output (courtesy Motorola Semiconductor Products Inc.). (View)
View full Circuit Diagram | Comments | Reading(851)
Published:2009/7/20 21:43:00 Author:Jessie
Smaller load resistor improves frequency response. Both reference tube and comparison divider are loaded.-NBS, Handbook Preferred Circuits Navy Aeronautical Electronic Equipment, Vol. 1, Electron Tube Circuits, 1963, p N2-3. (View)
View full Circuit Diagram | Comments | Reading(880)
Published:2009/7/20 21:42:00 Author:Jessie
Strobe pulse developed from logic input of 531 opamp IC, turns on JFET Q1 to complete feedback loop to IC1, Q1, and Q2. C1 charges to voltage equal to that of input signal plus gate-to-source offset voltage of Q2. At end of strobe time, feedback loop is broken and C, holds voltage until time of next strobe pulse. Decay in output voltage between samplings is 1mV/s.- Signetics Analog Data Manual, Signetics, Sunnyvale, CA, 1977, p 643-644. (View)
View full Circuit Diagram | Comments | Reading(1053)
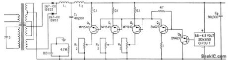
Published:2009/7/20 21:41:00 Author:Jessie
Variable 8 to 25-v supply limits output to 100 mc for protection against short-circuits. Regulation is 0.02% for line voltages from 105 to 130 v.- Transistor Manual, Seventh Edition, General Electric Co., 1964, p 232. (View)
View full Circuit Diagram | Comments | Reading(796)
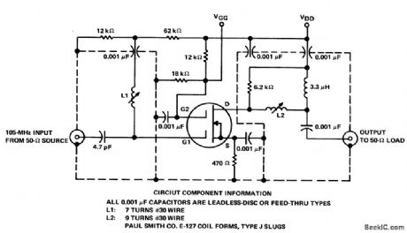
Published:2009/7/20 22:34:00 Author:Jessie
105 MHz gate-2-contralled RF amplifier using a TIS152 dual-gate MOSFET This circuit has been optimized for third-order intermodulation distortion(courtesy Texas Instruments Incorporated). (View)
View full Circuit Diagram | Comments | Reading(1472)
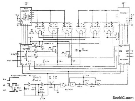
Published:2009/7/20 22:33:00 Author:Jessie
Real-time 5-digit fluorescent diode display(courtesy Motorola Semiconductor Products Inc.). (View)
View full Circuit Diagram | Comments | Reading(860)
Published:2009/7/20 22:31:00 Author:Jessie
Voltage-controlled ramp generator (VCRG) using a PUT. Setting the value of C to 0.0047 μF provides a change in frequency of 3.4 ms; setting it to 0.01 μF provides a change of 5.4 ms (courtesy Motorola Semiconductor Products Inc.). (View)
View full Circuit Diagram | Comments | Reading(918)
Published:2009/7/20 22:31:00 Author:Jessie
6-digit fluorescent triode display (courtesy Motorola Semiconductor Products Inc.). (View)
View full Circuit Diagram | Comments | Reading(520)
Published:2009/7/20 22:31:00 Author:Jessie
118 to 136 MHz broadband RF amplifier using a 2N6083 bipolar transistor. This circuit is ideal for mobile operation since the recommended supply voltage is 12.5 volts. It provides 30 watts output for a 4-watt input at 125 MHz (courtesy Motorola Semiconductor Products Inc.). (View)
View full Circuit Diagram | Comments | Reading(2503)
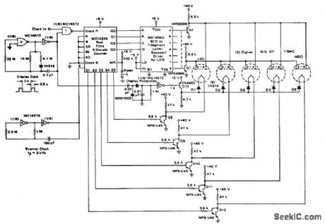
Published:2009/7/20 22:29:00 Author:Jessie
8-digit fluorescent triode display (courtesy Motorola Semiconductor Products Inc.). (View)
View full Circuit Diagram | Comments | Reading(1042)
Published:2009/7/20 22:28:00 Author:Jessie
Staircase generator. The number of steps is determined as follows: h = (11RLVBR)/[(Vp - VBR)tp], where n is the number of steps, VBR is the break-down voltage of the PNPN diode, VP is the peak pulse with and tp is the pulse width (courtesy Motorola Semiconductor Products Inc.). (View)
View full Circuit Diagram | Comments | Reading(1007)
| Pages:946/2234 At 20941942943944945946947948949950951952953954955956957958959960Under 20 |