Position: Home > Circuit Diagram > Amplifier Circuit > Index 237
Low Cost Custom Prototype PCB Manufacturer

Amplifier Circuit

Index 237



Nanosecond pulse detection circuit

Published:2011/4/26 18:42:00 Author:Christina | Keyword: Nanosecond pulse, detection

Nanosecond pulse detection circuit
This circuit can detects the no-reproduce digital pulse of microsecond or nanosecond. The bistable IC sends the pulse information from the data input port to the Q output port, and this bistable IC uses the clock pulse along as the time base to stimulate the LED indicator.   (View)

View full Circuit Diagram | Comments | Reading(953)

Inductive headset circuit

Published:2011/4/26 9:13:00 Author:TaoXi | Keyword: Inductive headset

Inductive headset circuit
The inductive headset can be used in electronic teaching, home television and stereo audio signal wireless reception applications, this device eliminates the inconvenience of headphone cable, and avoid to interfere other people's rest and study. This circuit is composed of the four NAND gate integrated circuit CD4011 and some external components, the circuit is simple and has excellent sound quality, it is easy to make.   (View)

View full Circuit Diagram | Comments | Reading(943)

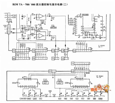
BZMTA-700/800 amplifier control and display circuit diagram

Published:2011/4/26 10:31:00 Author:Nancy | Keyword: amplifier, control and display

BZMTA-700/800 amplifier control and display circuit diagram
BZMTA-700/800(View)

View full Circuit Diagram | Comments | Reading(513)

BZMTA-700/800 amplifier control and display circuit diagram (-)

Published:2011/4/26 10:38:00 Author:Nancy | Keyword: amplifier, control and display

BZMTA-700/800 amplifier control and display circuit diagram (-)
BZMTA-700/800(View)

View full Circuit Diagram | Comments | Reading(499)

Gaoshi AV9095 amplifier key and display circuit diagram

Published:2011/4/26 10:47:00 Author:Nancy | Keyword: Gaoshi, amplifier, key and display

Gaoshi AV9095 amplifier key and display circuit diagram
Gaoshi(View)

View full Circuit Diagram | Comments | Reading(689)

Gaoshi AV9095 amplifier key and display circuit diagram (-)

Published:2011/4/26 10:46:00 Author:Nancy | Keyword: Gaoshi, amplifier, key and display

Gaoshi AV9095 amplifier key and display circuit diagram (-)
Gaoshi(View)

View full Circuit Diagram | Comments | Reading(643)

Gaoshi AV9092B amplifier display and control circuit diagram

Published:2011/4/26 10:50:00 Author:Nancy | Keyword: Gaoshi, amplifier, display and control

Gaoshi AV9092B amplifier display and control circuit diagram
Gaoshi(View)

View full Circuit Diagram | Comments | Reading(429)

Using LB1405 as pre-amplifier circuit diagram

Published:2011/4/26 3:17:00 Author:Rebekka | Keyword: pre-amplifier circuit

Using LB1405 as pre-amplifier circuit diagram
Using LB1405 as pre-amplifier circuit diagram is shown as above.   (View)

View full Circuit Diagram | Comments | Reading(4833)

Using LB1405 as the audio signal amplifier circuit diagram

Published:2011/4/26 3:16:00 Author:Rebekka | Keyword: audio signal amplifier

Using LB1405 as the audio signal amplifier circuit diagram
Using LB1405 as the audio signal amplifier circuit diagram is shown as above.   (View)

View full Circuit Diagram | Comments | Reading(2165)

Using LM386 as BTL amplifier circuit diagram

Published:2011/4/26 3:11:00 Author:Rebekka | Keyword: amplifier circuit

Using LM386 as BTL amplifier circuit diagram
Using LM386 as BTL amplifier circuit diagram is shown as above.   (View)

View full Circuit Diagram | Comments | Reading(10699)

Pulse amplifier circuit

Published:2011/4/25 20:32:00 Author:Nicole | Keyword: Pulse amplifier

Pulse amplifier circuit
This circuit adopts Motorola MOC1000 photoelectric isolator, it can couple digital logic to the adopted different power supply or level system, they provide almost complete isolation. The circuit can satisfy the need of transfer characteristicin the instrument application, it has enough drive capability, it can be used to drive the low input resistance load.   (View)

View full Circuit Diagram | Comments | Reading(950)

400Hz Sine Wave Circuit Using Light-Emitting Diode And Operational Amplifier

Published:2011/4/25 7:27:00 Author:Robert | Keyword: Light-Emitting Diode, Operational Amplifier, 400Hz, Sine Wave

400Hz Sine Wave Circuit Using Light-Emitting Diode And Operational Amplifier
400Hz Sine Wave Circuit Using Light-Emitting Diode And Operational Amplifier is shown below:   (View)

View full Circuit Diagram | Comments | Reading(1032)

Practical Numerical Control Or Inverter Circuit

Published:2011/4/25 7:25:00 Author:Robert | Keyword: Numerical Control, Inverter

Practical Numerical Control Or Inverter Circuit
Practical Numerical Control Or Inverter Circuit is shown below:   (View)

View full Circuit Diagram | Comments | Reading(419)

75Ω Impedance Linear Amplification Circuit Consists Of RF2320

Published:2011/4/24 6:02:00 Author:Robert | Keyword: 75Ω, Impedance Linear Amplification

75Ω Impedance Linear Amplification Circuit Consists Of RF2320
75Ω Impedance Linear Amplification Circuit Consists Of RF2320 is shown below. J1 and J2are 75Ω Connectors.   (View)

View full Circuit Diagram | Comments | Reading(583)

Ordinary VHF antenna amplifier circuit principle diagram

Published:2011/4/25 5:08:00 Author:May | Keyword: Ordinary VHF, antenna amplifier

Ordinary VHF antenna amplifier circuit principle diagram
  (View)

View full Circuit Diagram | Comments | Reading(1251)

Full Channel TV antenna amplification circuit

Published:2011/4/25 5:07:00 Author:May | Keyword: Full Channel, TV antenna amplification

Full Channel TV antenna amplification circuit
  (View)

View full Circuit Diagram | Comments | Reading(1670)

Simple shortwave signal amplifier circuit diagram

Published:2011/4/25 5:19:00 Author:May | Keyword: Simple, shortwave signal, amplifier

Simple shortwave signal amplifier circuit diagram
  (View)

View full Circuit Diagram | Comments | Reading(1313)

Composed of MOSFETT symmetrical power amplifier circuit diagram

Published:2011/4/25 2:24:00 Author:Rebekka | Keyword: MOSFETT, symmetrical power amplifier

Composed of MOSFETT symmetrical power amplifier circuit diagram
Figure 1 is symmetrical power amplifier circuit constituted by the MOSFETT. The circuit uses a single-ended input mode push-pull output Class A, the output power is lOW.   (View)

View full Circuit Diagram | Comments | Reading(4453)

Low Brightness Measurement Circuit

Published:2011/4/24 19:53:00 Author:Christina | Keyword: Low Brightness, Measurement

Low Brightness Measurement Circuit
This circuit uses the light to bias the phototransistor Q1 to improve the response time, so we can get the maximum photosensitive sensitivity.   (View)

View full Circuit Diagram | Comments | Reading(450)

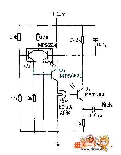
Flashlight Retrofitting Light Modulator Circuit

Published:2011/4/23 4:00:00 Author:Joyce | Keyword: Flashlight, Retrofitting, Light Modulator

Flashlight Retrofitting Light Modulator Circuit
  (View)

View full Circuit Diagram | Comments | Reading(594)

Pages:237/250 At 20221222223224225226227228229230231232233234235236237238239240Under 20