Published:2011/5/8 9:06:00 Author:TaoXi | Keyword: precision composite buffer


The precision composite buffer is as shown. The pre-stage of the circuit is the voltage follower that is composed of the precision op amp LM11, the parallel part of rear-stage uses the general dual op amp MC1458 (or MC1558 dual operational amplifier). The input signal adds to the same-phase input port (pin 3) of the pre-stage through R1 (10kΩ), pin 8 links the 330pF compensation capacitor C1 to achieve the over compensation, the objective is to improve the bandwidth and slew rate of the Parallel output buffer stage, sometimes we connect the 100pF capacitor C2 between the pre-stage's output port (pin 6) and the inverting input port (pin 2) to improve the stability of the circuit. Between the pre-stage's output port and the inverting input port, there are two diodes D1 and D2 (model is 1N914), the role is to clamp when LM11 is overdriven, to reduce the blocking tendency and to minimize the recovery time.
Add the 10kΩ resistor R2 between the circuit's total output port and the pre-stage LM11's inverting input port, this resistance leads the depth voltage series negative feedback to make the op amp working in linear state.
The main parameters (typical) of the dual op amp 1458 (1558):
(View)
View full Circuit Diagram | Comments | Reading(2103)
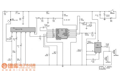
Published:2011/5/8 22:07:00 Author:Christina | Keyword: Dujiang, radio, principle circuit
The Dujiang brand 802 type radio principle circuit is as shown:
(View)
View full Circuit Diagram | Comments | Reading(647)
Published:2011/5/8 7:20:00 Author:TaoXi | Keyword: General, complex, paralleling, buffer


The complex paralleling buffer is composed of two or more amplifier outputs, as the figure shown. The output current of circuit is the sum of several paralleling op amps' output current. A1 and A2 can use the general integrated quad op amp LF347 (or LM324, OP496, TL35074.etc).
The main parameters of the integrated quad op amp LF347:
(View)
View full Circuit Diagram | Comments | Reading(1628)
Published:2011/5/6 2:59:00 Author:TaoXi | Keyword: Ring tone, repeater
The Ring tone repeater circuit is as shown. (View)
View full Circuit Diagram | Comments | Reading(1166)
Published:2011/5/6 9:06:00 Author:TaoXi | Keyword: Tone control
(View)
View full Circuit Diagram | Comments | Reading(1844)
Published:2011/5/6 7:32:00 Author:Sue | Keyword: Light-operated, Silicon-controlled, Zero Passed, Switch
(a)Zero passed alternating current switch (1) (b)Zero passed alternating current switch (2) (c)Light-operated time-delayed switch (d)Street lamps automatic control switch (e)Corridor lamps energy saving automatic control switch (View)
View full Circuit Diagram | Comments | Reading(1254)
Published:2011/5/6 7:47:00 Author:TaoXi | Keyword: Logarithmic compression, digital audio processor
The Logarithmic compression digital audio processor (DAC76, MN5110) circuit is as shown in the figure. (View)
View full Circuit Diagram | Comments | Reading(1522)
Published:2011/5/6 7:27:00 Author:Sue | Keyword: Touch, Controlled, Silicon, Zero Passed, Switch
(View)
View full Circuit Diagram | Comments | Reading(711)
Published:2011/5/6 7:37:00 Author:TaoXi | Keyword: Small, active audio


The Small active audio circuit is as shown:
(View)
View full Circuit Diagram | Comments | Reading(618)
Published:2011/5/7 1:45:00 Author:Sue | Keyword: Pressure, Sensor, Detector
Nonlinearity:0.05%FSO(typical value) 3/16 pressure interface Standard ceramic substrate with temperature compensating resistance 1.5mA constant current(after amplifying can output full scare 3.00Vdc) ps.Psi=6.895kPa Pin Function: 4:+output 5:+input 6:-input 7:gain adjustment 9:gain adjustment 10:+output (View)
View full Circuit Diagram | Comments | Reading(1013)
Published:2011/5/6 2:18:00 Author:Sue | Keyword: Equivalent, Functional Block Diagram
View full Circuit Diagram | Comments | Reading(734)
Published:2011/5/6 21:36:00 Author:Sue | Keyword: Mass, V-I, Converting
View full Circuit Diagram | Comments | Reading(625)
Published:2011/5/6 21:43:00 Author:Sue | Keyword: Modulation, Driving
View full Circuit Diagram | Comments | Reading(689)
Published:2011/5/6 2:40:00 Author:Sue | Keyword: Simplified, Radio Frequency
View full Circuit Diagram | Comments | Reading(782)
Published:2011/5/6 3:24:00 Author:Sue | Keyword: Precise, Voltage, Current, Transmitter


Application: It is used in pressure and temperature transmitter, industrial process control and so on.
Figure 3-62 Application Basic Junction Circuit
Basic Junction Circuit sensor inputs a voltage of 0-10V and outputs a current of 4-20mA. As seen in the figure below is the relation between variation range of input voltage, output current and pin.
(View)
View full Circuit Diagram | Comments | Reading(840)
Published:2011/5/6 2:11:00 Author:Sue | Keyword: Lamp, Touch, Switch
View full Circuit Diagram | Comments | Reading(745)
Published:2011/5/6 1:09:00 Author:Sue | Keyword: Principle, Audio Circuit
View full Circuit Diagram | Comments | Reading(755)
Published:2011/5/6 7:31:00 Author:Sue | Keyword: Temperature, Controlled, Silicon, Zeri Passed, Switch
View full Circuit Diagram | Comments | Reading(860)
Published:2011/5/6 2:47:00 Author:Sue | Keyword: V-F, Converting
Voltage/FrequencyConverting Circuit
Application: It is used inConverting Circuit with input voltage of 0-5V and output frequency of 100HZ-1MHZ.
(View)
View full Circuit Diagram | Comments | Reading(705)
Published:2011/5/6 3:04:00 Author:Sue | Keyword: Current, Receiving
Application: It is used in process control, industrial control, factory automation, data acquisition and so on.
Figure 3-100 Thermocouples converting circuit (View)
View full Circuit Diagram | Comments | Reading(723)
| Pages:47/54 At 204142434445464748495051525354 |