Published:2011/5/9 0:53:00 Author:Nicole | Keyword: Shenyang JinBei, light bus, instrument, singal, headlamp, indoor light
Shenyang JinBei SY6474、SY6475A、SY6475 series light bus instrument, singal, headlamp, indoor light basic circuit diagram
36-cigar lighter; 37-work light socket; 38-charging indicator light; 39-motor tachometer; 40-water temperature gauge; 41-water temperature gauge sensor; 42-fuel meter; 43-fuel meter sensor; 44-oil pressure alarm lamp; 45-oil pressure alarm light sensor switch; 46-hand brake indicator light switch; 47-hand brake coupled switch; 48-brake liquid level alarm lamp; 49-brake liquid level control switch; 50-speaker relay; 51-speaker; 52-speaker button; 53-turning flashing relay; 54-left steer singal light; 55-left steer indicator light; 56-right steer indicator light; 57-right steer singal light; 27b-steering and danger signal light switch; 27c-light and overtaking light switch(in combination switch); 58-headlamp; 59-high beam indicator light; 60-fog light switch; 61-fog light; 62-indoor light switch; 63-indoor light; 64-width lamp; 65-width lamp; 66-brake lamp switch; 67-brake air pressure alarm buzzer; 68-brake singal light; 69-brake air pressure alarm light; 70-reversing lamp switch. (View)
View full Circuit Diagram | Comments | Reading(642)
Published:2011/5/9 0:32:00 Author:Nicole | Keyword: Shenyang JinBei, light bus, power supply, start-up, ignition, car heater, wiper
Shenyang JinBei SY6474、SY6475A、SY6475 serieslight bus power supply, start-up, ignition, car heater, wiper circuit diagram
1-16-fuse; 17-storage battery control switch and indicator light; 18-storage battery switch; 19-storage battery; 20-voltage adjuster; 21-AC motor; 22-starter; 23-starter relay; 24-ignition coil; 25-power off distributor; 26-spark plug; 27-ignition switch; Zh-wiper switch(combination switch); 28-radio fuse; 29-radio; 30-loudspeaker; 31-heater motor switch; 32-connector; 33-heater motor; 34-wiper interval relay;35-wiper motor; 35-wiper motor. (View)
View full Circuit Diagram | Comments | Reading(1417)
Published:2011/5/9 0:25:00 Author:Nicole | Keyword: Shenyang JinBei, power supply, start-up, ignition, car heater, wiper
The basic circuit diagram of Shenyang JinBei SY6474、SY6475A、SY6475 series light bus circuit, power supply, start-up, ignition, car heater, wiper
16-fuse; 17-storage battery control switch and indicator light; 18-storage battery switch; 19-storage battery; 20-firing controller; 21-integral alternator; 22-starter; 23-starter relay; 24-ignition coil; 25-Hall non-contact distributor; 26-spark plug; 27-ignition switch; 27a-wiper switch; 28-radio fuse; 29-radio; 30-loudspeaker; 31-heater motor switch; 32-connector; 33-heater motor; 34-wiper interval relay;35-wiper motor; 67-electromagnetic valve; 69-electromagnetic valve. (View)
View full Circuit Diagram | Comments | Reading(2637)
Published:2011/5/8 22:49:00 Author:Nicole | Keyword: Shenyang JinBei, light bus, instrument, singal, headlamp
36-cigar lighter; 37-work light socket; 38-charging indicator light; 39-motor tachometer; 40-water temperature gauge; 41-water temperature gauge sensor; 42-fuel meter; 43-fuel meter sensor; 44-oil pressure alarm lamp; 45-oil pressure alarm switch; 46-hand brake indicator light; 47-hand brake constant switch; 48-LED; 49-braking pressure alarm lamp; 49a-raking pressure alarm switch; 51-side speaker relay; 51-speaker; 52-speaker button; 53-turning flashing relay; 54-left steer singal light; 55-left steer indicator light; 56-right steer indicator light; 57-right steer singal light; 27b-steering signal and danger signal; 27c-headlamp change beam and lighting switch; 58-headlamp; 59-upper beam indicator light. (View)
View full Circuit Diagram | Comments | Reading(1056)
Published:2011/5/6 8:33:00 Author:Nicole | Keyword: Santana 2000, graphic symbol
The adopted components symbol of Santana 2000(the chassis number is 32M003182)car wiring circuit diagram is shown in the figure1.
(View)
View full Circuit Diagram | Comments | Reading(2547)
Published:2011/5/6 3:31:00 Author:Nicole | Keyword: Daewoo ESPERO car, fuel oil, feed arrangement
View full Circuit Diagram | Comments | Reading(602)
Published:2011/5/6 3:32:00 Author:Nicole | Keyword: Daewoo ESPERO car, fuel injection control
(3)fuel injection control circuit
The components layout of electronic control fuel injection system is shown in the figure2, notice the difference of □、○ symbol. It can be seen from the figure, this circuit mode of expression is similar to GM's circuit.
(View)
View full Circuit Diagram | Comments | Reading(1493)
Published:2011/5/6 4:14:00 Author:Nicole | Keyword: 2.5L motor, data sensor, intake manifold, absolute pressure, air flow, EGR
2.5L motor data sensor, intake manifold absolute pressure, air flow and EGR circuit diagram of Shanghai GM Buick commercial vehicle(GL8)
(View)
View full Circuit Diagram | Comments | Reading(697)
Published:2011/5/6 4:19:00 Author:Nicole | Keyword: 2.5L motor, data sensor, air conditioning system, refrigerant pressure, throttle position
2.5L motor data sensor, air conditioning system refrigerant pressure, throttle position, intake manifold absolute pressure, motor coolant temperature, intake temperature circuit diagram of Shanghai GM Buick commercial vehicle(GL8)
(View)
View full Circuit Diagram | Comments | Reading(744)
Published:2011/5/6 4:29:00 Author:Nicole | Keyword: 2.5L motor, power supply, grounding, fault indicating lamp, data link, connector
2.5L motor power supply, grounding, fault indicating lamp, data link connector circuit diagramof Shanghai GM Buick commercial vehicle(GL8)
(View)
View full Circuit Diagram | Comments | Reading(519)
Published:2011/5/6 4:52:00 Author:Nicole | Keyword: 2.0L motor, heating oxygen sensor, EGR, dynamical system, ECU
2.0L(L34)motor heating oxygen sensor, EGR and dynamical system ECU(only NF2) circuit diagram
(View)
View full Circuit Diagram | Comments | Reading(653)
Published:2011/5/6 4:54:00 Author:Nicole | Keyword: 2.0L motor, fuel oil position, sensor
View full Circuit Diagram | Comments | Reading(588)
Published:2011/5/6 21:33:00 Author:TaoXi | Keyword: brightness, color, line-field scanning



The TA8759BN is designed as one kind of brightness, color, line-field scanning small signal processing integrated circuit, and it can be used in variety brands of domestic and imported large screen color TV.
1.Features
The TA8759BN has the video brightness, chroma signal processing circuit, the line and field scanning small signal processing circuit, the trichromatic signal preprocessing circuit, the PAL/NTSC/SECSM standard switch control circuit, the external Photo circuit signal interface circuit, the X-ray protection circuit, the 3 standards color difference signal preprocessing circuit and other accessibility circuit.
2.Pin functions and data
The TA8759BN is in the 64-pin dual in-line package, the pin functions and data is as shown in table 1.
Table 1 The pin functions and data of the TA8759BN (View)
View full Circuit Diagram | Comments | Reading(1346)
Published:2011/5/6 9:20:00 Author:TaoXi | Keyword: baseband, delay line


The TA8772AN baseband delay line integrated circuit is produced by the TOSHIBA company that can be used in domestic and imported large screen color TV as the chroma signal delay device.
1.Features
The TA8772AN has the (B-Y), (R-Y) color difference signal delay signal processing circuit, the CCD circuit, the VCO and line pulse phase comparison circuit, the sand castle pulse signal processing circuit, the PAL/NTSC/CECAM three standards switch circuit and other auxiliary circuit.
2.Pin functions and data
The TA8772AN is in the 30-pin DIP package, the pin functions and data is as shown in table 1.
Tips: To determine the TA8772AN's working condition, you can use the oscilloscope to detect the input waveform and output waveform.
Table 1 Pin functions and data of the TA8772AN (View)
View full Circuit Diagram | Comments | Reading(652)
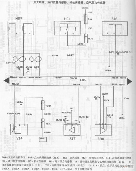
Published:2011/5/8 6:06:00 Author:Rebekka | Keyword: China car engine
Ignition coil, throttle position sensor, phase sensor, air pressure sensor.
(View)
View full Circuit Diagram | Comments | Reading(454)
Published:2011/5/8 8:40:00 Author:TaoXi | Keyword: IR, remote control, signal receiving


The TDA3048 IR remote control signal receiving integrated circuit is produced by the PHILIPS company, and it can be used as the remote control signal receiving circuit in TV, stereo, air conditioning, fans and other home appliances' remote control system.
The TDA3048 has the infrared remote control signal pre-amplifier, the limiting amplifier, the bandpass filter, the wave detector, the comparator, the integrator, output driver.etc. This IC is in the 16-pin dual in-line package, the pin functions and data is as shown in table 8.
Table 8 The pin functions and data of the TDA3048
The TDA4472 is designed as one kind of new video signal processing integrated circuit that is produced by the PHILIPS company, and it can be used as the TV video signal processor in the new generation of large screen color TV.
1.Features
The TDA4472 has the SIF signal processing circuit, the SIF's AGC circuit, the VIF's AGC circuit, the RF AGC adjusting control circuit, the video signal processing circuit, the oscillator interface circuit, the AFC voltage generating circuit, the VIF signal processing circuit and the AFC switching circuit.etc. The typical application circuit of the Konka S series large screen color TV is as shown in figure 8.
(View)
View full Circuit Diagram | Comments | Reading(2038)
Published:2011/5/8 8:24:00 Author:TaoXi | Keyword: motor driving


The TA8409S motor driving integrated circuit is produced by the TOSHIBA company that can be used as the load motor or disc motor driver in the laser players such as CD、VCD、SVCD.
1.In-circuit block diagram
The TA8409S is designed as one kind of bi-directional control motor driving IC, the in-circuit block diagram is as shown in figure 1.
Figure 1 The in-circuit block diagram of TA8409S
2.Pin functions and data
The TA8409S is in the 9-pin single in-line package, the pin functions and data is as shown in table 1, the data is from the Changhong VD-6000 type VCD player.
Table 1 The pin functions and data of the TA8409S (View)
View full Circuit Diagram | Comments | Reading(3138)
Published:2011/5/8 7:50:00 Author:TaoXi | Keyword: field scanning, output integrated circuit
The TA8427 field scanning output integrated circuit is produced by the TOSHIBA company, it can be used in variety kinds of large screen color TVs.
1.Features
The TA8427 has the field scanning output circuit, the pump supply voltage circuit, the phase compensation circuit and other accessibility circuits.
2.Pin functions and data
The TA8427 is in the 7 pin single in-line package, the pin functions and data is as shown in table 1.
Table 1 The pinfunctionsanddata of the TA8427 (View)
View full Circuit Diagram | Comments | Reading(649)
Published:2011/5/6 4:25:00 Author:Nicole | Keyword: 2.5L motor, ignition system, detonation sensor, Shanghai GM Buick, commercial vehicle
View full Circuit Diagram | Comments | Reading(1008)
Published:2011/5/6 4:23:00 Author:Nicole | Keyword: 2.5L motor, fuel oil control, Shanghai GM Buick, commercial vehicle
View full Circuit Diagram | Comments | Reading(1436)
| Pages:95/164 At 2081828384858687888990919293949596979899100Under 20 |