Position: Home > Circuit Diagram > Automotive Circuit > Index 98
Low Cost Custom Prototype PCB Manufacturer

Automotive Circuit

Index 98



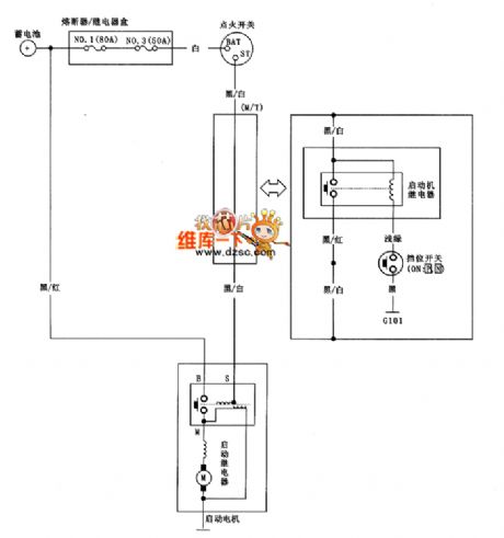
Guangzhou FIT starting system circuit diagram

Published:2011/5/5 20:30:00 Author:muriel | Keyword: Guangzhou FIT , starting system

Guangzhou FIT starting system circuit diagram
Guangzhou FIT starting system circuit diagram is as shown   (View)

View full Circuit Diagram | Comments | Reading(633)

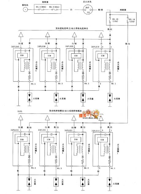
Guangzhou FIT ignition system circuit diagram

Published:2011/5/5 20:29:00 Author:muriel | Keyword: Guangzhou FIT , ignition system

Guangzhou FIT ignition system circuit diagram
Guangzhou FIT ignition system circuit diagram is as shown   (View)

View full Circuit Diagram | Comments | Reading(536)

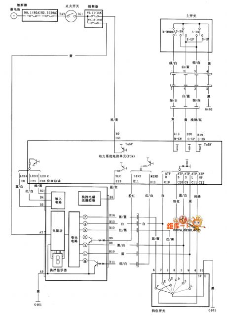
Guangzhou FIT transmission(A/T) circuit diagram

Published:2011/5/5 20:28:00 Author:muriel | Keyword: Guangzhou FIT, transmission(A/T)

Guangzhou FIT transmission(A/T) circuit diagram
Guangzhou FIT transmission(A/T) circuit diagram is as shown   (View)

View full Circuit Diagram | Comments | Reading(497)

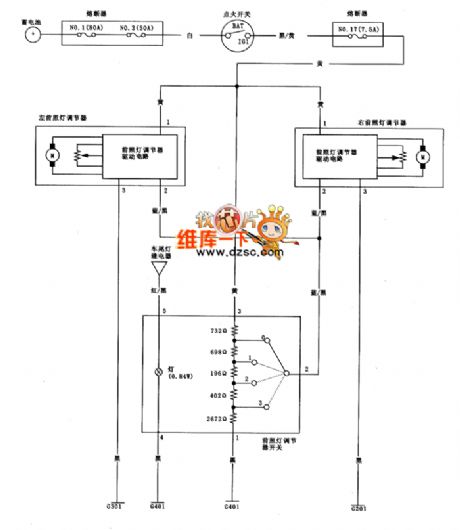
Guangzhou FIT headlamp regulator circuit diagram

Published:2011/5/5 20:24:00 Author:muriel | Keyword: Guangzhou FIT, headlamp regulator

Guangzhou FIT headlamp regulator circuit diagram
Guangzhou FIT headlamp regulator circuit diagram is as shown   (View)

View full Circuit Diagram | Comments | Reading(546)

Beijing Cherokee light off-road vehicle crankshaft position signal and the cylinder identification signal circuit diagram

Published:2011/5/5 4:12:00 Author:Rebekka | Keyword: Beijing Cherokee, light off-road vehicle


Beijing Cherokee light off-road vehicle crankshaft position signal and the cylinder identification signal circuit diagram.   (View)

View full Circuit Diagram | Comments | Reading(487)

Mitsubishi Pajero light off-road vehicle compartment lights and brake light basic circuit diagram

Published:2011/5/5 4:16:00 Author:Rebekka | Keyword: Mitsubishi Pajero, light off-road vehicle , compartment lights and brake light

Mitsubishi Pajero light off-road vehicle compartment lights and brake light basic circuit diagram
Mitsubishi Pajero light off-road vehicle compartment lights and brake light basic circuit diagram. 2 control light; 3,4 dome; 5 dome light switch; 6-10 gated switch; 11,12 route map lights; 13 room lamp; 14 room light switch; 24 brake light switch ; 25 left brake light; 26 right brake lights; 27-30-- brake light   (View)

View full Circuit Diagram | Comments | Reading(1653)

Jerome (PAJERO) card light off-road vehicle start ignition basic circuit diagram

Published:2011/5/5 4:11:00 Author:Rebekka | Keyword: light off-road vehicle , Jerome

Jerome (PAJERO) card light off-road vehicle start ignition basic circuit diagram
Jerome (PAJERO) card light off-road vehicle start ignition basic circuit diagram. 1 fusible wire; 2 battery; 3 start the machine; 4 AC generator; 5 the fire resistance with resistance; 6 point fire coil; 7 distributor; 8, spark plug; 9 circuit breaker; 10 point fire switch; N engine tachometer; 12 charge indicator; 13 diode; 20 of a fusible wire.   (View)

View full Circuit Diagram | Comments | Reading(1052)

Buick Century car outline circuit diagram(3)

Published:2011/5/5 3:59:00 Author:Nicole | Keyword: Buick Century, car outline

Buick Century car outline circuit diagram(3)
  (View)

View full Circuit Diagram | Comments | Reading(527)

Buick Century car outline circuit diagram(1)

Published:2011/5/5 3:58:00 Author:Nicole | Keyword: Buick Century, car outline

Buick Century car outline circuit diagram(1)
  (View)

View full Circuit Diagram | Comments | Reading(773)

Buick Century car outline circuit diagram(2)

Published:2011/5/5 3:58:00 Author:Nicole | Keyword: Buick Century, car outline

Buick Century car outline circuit diagram(2)
  (View)

View full Circuit Diagram | Comments | Reading(559)

Beijing Cherokee light off-road vehicle crankshaft position sensor installation position and structure circuit diagram

Published:2011/5/5 2:11:00 Author:Rebekka | Keyword: Beijing Cherokee , light off-road vehicles,

Beijing Cherokee light off-road vehicle crankshaft position sensor installation position and structure circuit diagram
(A) Four-axis position sensor installed transpose janitor position; (b) Principles of crankshaft sensor janitor.   (View)

View full Circuit Diagram | Comments | Reading(487)

ALTO car headlamp circuit basic circuit diagram

Published:2011/5/5 3:40:00 Author:Nicole | Keyword: ALTO car, headlamp

ALTO car headlamp circuit basic circuit diagram
ALTO car headlamp circuit basic circuit diagram

  (View)

View full Circuit Diagram | Comments | Reading(870)

Guangzhou FIT ABS control system circuit diagram

Published:2011/5/5 3:40:00 Author:muriel | Keyword: Guangzhou FIT , ABS control system

Guangzhou FIT ABS control system circuit diagram
Guangzhou FIT ABS control system circuit diagram is as shown   (View)

View full Circuit Diagram | Comments | Reading(559)

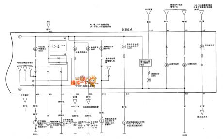
Guangzhou FIT instrument system circuit diagram

Published:2011/5/5 3:31:00 Author:muriel | Keyword: Guangzhou FIT, instrument system

Guangzhou FIT instrument system circuit diagram
Guangzhou FIT instrument system circuit diagram is as shown   (View)

View full Circuit Diagram | Comments | Reading(476)

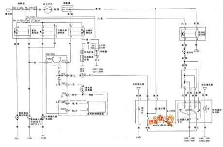
Guangzhou FIT air condition system circuit diagram

Published:2011/5/5 3:32:00 Author:muriel | Keyword: Guangzhou FIT, air condition system

Guangzhou FIT air condition system circuit diagram
Guangzhou FIT air condition system circuit diagram is as shown   (View)

View full Circuit Diagram | Comments | Reading(482)

Mitsubishi Pajero (PAJERO) brand light off-road vehicle lights instruments heater principle circuit diagram

Published:2011/5/5 3:02:00 Author:Rebekka | Keyword: Mitsubishi Pajero , light off-road vehicle

Mitsubishi Pajero (PAJERO) brand light off-road vehicle lights instruments heater principle circuit diagram
14 fourteen drive indicator light switch; 15 four-wheel drive; 16-hand brake light; 17 hand brake light switch; 18 oil pressure warning light; 19 oil pressure warning switch; 21,25 capacitors; 22 voltage regulator; 23 thermometer; 24 thermometer sensor; 26 fuel gauge; 27 fuel gauge sensor; 28 oil pressure gauge; 29 oil pressure gauge sensor; 30 voltage meter; 31 heater relay; 32 speed resistive switching of a heater; 33 the speed of a heater motor resistor.   (View)

View full Circuit Diagram | Comments | Reading(1308)

Santana 2000 (gasoline injection motor)car fuel pump relay, fuel pump circuit wiring circuit diagram

Published:2011/5/5 3:08:00 Author:Nicole | Keyword: Santana 2000, gasoline injection motor, car, fuel pump relay

Santana 2000 (gasoline injection motor)car fuel pump relay, fuel pump circuit wiring circuit diagram
9-injection system relay; 10-auxiliary fuel pump; 11-fuel pump; 48-fuel gauge sensor; 50-fuel gauge sensor(gasoline injection motor).   (View)

View full Circuit Diagram | Comments | Reading(1554)

Santana 2000 graphic symbol circuit diagram(2)

Published:2011/5/5 3:26:00 Author:Nicole | Keyword: Santana 2000, graphic symbol

Santana 2000 graphic symbol circuit diagram(2)
  (View)

View full Circuit Diagram | Comments | Reading(871)

Santana 2000 (gasoline injection motor) warn start circuit wiring circuit diagram

Published:2011/5/5 3:01:00 Author:Nicole | Keyword: Santana 2000, gasoline injection motor, warn start

Santana 2000 (gasoline injection motor) warn start circuit wiring circuit diagram
21-warm start system relay; 22-warm start system thermoelectric switch; 34-choke valve indicator light/ignition system light; 36-choke indicator light switch; 37-solenoid value.   (View)

View full Circuit Diagram | Comments | Reading(780)

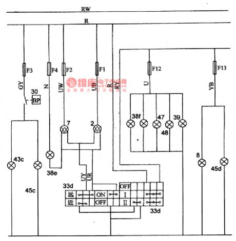
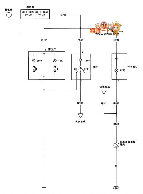
Guangzhou FIT body light circuit diagram

Published:2011/5/5 2:47:00 Author:muriel | Keyword: Guangzhou FIT , body light

Guangzhou FIT body light circuit diagram
Guangzhou FIT body light circuit diagram is as shown   (View)

View full Circuit Diagram | Comments | Reading(509)

Pages:98/164 At 2081828384858687888990919293949596979899100Under 20