Position: Home > Circuit Diagram > Automotive Circuit > Index 99
Low Cost Custom Prototype PCB Manufacturer

Automotive Circuit

Index 99



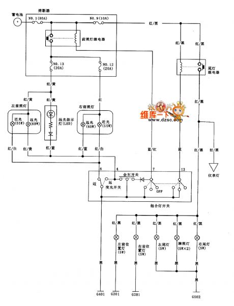
Guangzhou FIT steering lamp and hazard warning lamp circuit diagram

Published:2011/5/5 2:48:00 Author:muriel | Keyword: Guangzhou FIT , steering lamp, hazard warning lamp

Guangzhou FIT steering lamp and hazard warning lamp circuit diagram
Guangzhou FIT steering lamp and hazard warning lamp circuit diagram is as shown   (View)

View full Circuit Diagram | Comments | Reading(551)

Guangzhou FIT brake light circuit diagram

Published:2011/5/5 2:50:00 Author:muriel | Keyword: Guangzhou FIT, brake light

Guangzhou FIT brake light circuit diagram
Guangzhou FIT brake light circuit diagram is as shown   (View)

View full Circuit Diagram | Comments | Reading(515)

Guangzhou FIT reversing light circuit diagram

Published:2011/5/5 2:51:00 Author:muriel | Keyword: Guangzhou FIT, reversing light

Guangzhou FIT reversing light circuit diagram
Guangzhou FIT reversing light circuit diagram is as shown   (View)

View full Circuit Diagram | Comments | Reading(487)

Guangzhou FIT embarkation lamp circuit diagram

Published:2011/5/5 2:52:00 Author:muriel | Keyword: Guangzhou FIT , embarkation lamp

Guangzhou FIT embarkation lamp circuit diagram
Guangzhou FIT embarkation lamp circuit diagram is as shown   (View)

View full Circuit Diagram | Comments | Reading(581)

Mitsubishi Pajero (PAJERO) light off-road vehicle wiping, washing circuit principle circuit diagram

Published:2011/5/5 2:53:00 Author:Rebekka | Keyword: Mitsubishi Pajero, Light off-road vehicles

Mitsubishi Pajero (PAJERO) light off-road vehicle wiping, washing circuit principle circuit diagram
50 a front window wiper motor; 51 a front window wiper switch; 52 a front window intermittent wiper relay; 53 washing the front window of a motor; 53 a II the front window washer switch; 54 a rear window wiper motor; 55 a rear window wiper and washer switch; 56 a rear window wash motor.   (View)

View full Circuit Diagram | Comments | Reading(1302)

Nanjing IVECO car instrument panel circuit diagram

Published:2011/5/5 2:52:00 Author:Nicole | Keyword: Nanjing IVECO, instrument panel

Nanjing IVECO car instrument panel circuit diagram
  (View)

View full Circuit Diagram | Comments | Reading(1194)

Beijing Cherokee light off-road vehicle 2.5L engine control system sensor and the computer wiring circuit diagram 1

Published:2011/5/5 1:17:00 Author:Rebekka | Keyword: Beijing Cherokee , light off-road vehicle , engine control system sensor , computer wiring

Beijing Cherokee light off-road vehicle 2.5L engine control system sensor and the computer wiring circuit diagram 1
Beijing Cherokee light off-road vehicle 2.5L engine control system sensor and the computer wiring circuit diagram.   (View)

View full Circuit Diagram | Comments | Reading(537)

Automotive control system circuit diagram composed of VERSA1

Published:2011/5/5 0:51:00 Author:Ecco | Keyword: Automotive control system

Automotive control system circuit diagram composed of VERSA1
Automotive control system circuit diagram composed of VERSA1 monolithic data acquisition system with DSP function   (View)

View full Circuit Diagram | Comments | Reading(588)

Najing IVECO 35.10 light car, produced by Zhongnan Company air conditioner system circuit diagram

Published:2011/5/3 22:55:00 Author:Nicole | Keyword: Najing IVECO, light car, air conditioner system

Najing IVECO 35.10 light car, produced by Zhongnan Company air conditioner system circuit diagram
The fire wire of air flow switch SR comes from car ingition switch 15/A pillar control G9 terminal(in the center junction box), the fire wires of relays F1, F2, F3, F4 are connected to battery's anode(red wire, 2.5(mm)3), one side of control coils are all connected to 2.5(mm)2 ground earth. When F1 pulls in, evaporator fan is fast cooling; when F2 pulls in, it is slow cooling, when F4 pulls in, condenser fan and compressor work together. The work process of SR switch: Ⅰgear: it connects to F2 relay, the current reaches two evaporator fans by whole slow down resistance, it is low speed refrigeration(or ventilation). Ⅱ gear: it connects to F3 relay, the current reaches two evaporator fans by part slow down resistance, middle speed refrigeration(or ventilation). Ⅲ gear: it connects to F1 relay, the current comes form 30A fuse element is directly connected to evaporator fan, high speed refrigeration(or ventilation).   (View)

View full Circuit Diagram | Comments | Reading(2986)

Using NE555 Skillfully as Pulsing Nickel-cadmium Battery Charger Circuit 2

Published:2011/5/4 7:59:00 Author:Joyce | Keyword: Using NE555 Skillfully as, Pulsing, Nickel-cadmium Battery, Charger, NE555

Using NE555 Skillfully as Pulsing Nickel-cadmium Battery Charger Circuit 2
Using NE555 Skillfully as Pulsing Nickel-cadmium Battery Charger Circuit   (View)

View full Circuit Diagram | Comments | Reading(1232)

Using NE555 Skillfully as Pulsing Nickel-cadmium Battery Charger Circuit 1

Published:2011/5/4 8:02:00 Author:Joyce | Keyword: Using NE555 Skillfully as, Pulsing, Nickel-cadmium Battery, Charger, NE555

Using NE555 Skillfully as Pulsing Nickel-cadmium Battery Charger Circuit 1
Using NE555 Skillfully as Pulsing Nickel-cadmium Battery Charger Circuit   (View)

View full Circuit Diagram | Comments | Reading(2807)

Beijing Cherokee light off-road vehicles activated kindling charging cable circuit diagram

Published:2011/5/4 2:57:00 Author:Rebekka | Keyword: Beijing Cherokee , light off-road vehicles

Beijing Cherokee light off-road vehicles activated kindling charging cable circuit diagram
Beijing Cherokee light off-road vehicles activated kindling charging cable circuit diagram.   (View)

View full Circuit Diagram | Comments | Reading(488)

Beijing Cherokee light off-road vehicles engine control electrical harmonic control electrical appliance wiring diagram

Published:2011/5/4 2:56:00 Author:Rebekka | Keyword: Beijing Cherokee, light off-road vehicles , engine control electrical harmonic control , electrical appliance

Beijing Cherokee light off-road vehicles engine control electrical harmonic control electrical appliance wiring diagram
Beijing Cherokee light off-road vehicles engine control electrical harmonic control electrical appliance wiring diagram.   (View)

View full Circuit Diagram | Comments | Reading(592)

Beijing Cherokee light off-road vehicle speakers and wiper washing wiring circuit diagram

Published:2011/5/4 2:52:00 Author:Rebekka | Keyword: Beijing Cherokee, light off-road vehicle speakers , wiper washing wiring

Beijing Cherokee light off-road vehicle speakers and wiper washing wiring circuit diagram
Beijing Cherokee light off-road vehicle speakers and wiper washing wiring circuit diagram.   (View)

View full Circuit Diagram | Comments | Reading(557)

Beijing Cherokee BJ2021 light off-road vehicle instrumentation signal radio circuit diagram

Published:2011/5/4 4:06:00 Author:Rebekka | Keyword: Beijing Cherokee off-road vehicle, instrumentation signal radio

Beijing Cherokee BJ2021 light off-road vehicle instrumentation signal radio circuit diagram
Beijing Cherokee BJ2021 light off-road vehicle instrumentation signal radio circuit diagram. 9 seat belt indicator light; 10 buzzer; 11 seat belt switch; 12 key switch; 13 all-wheel drive indicator light; 14 all-wheel drive switch; 15 brake light; 16 hand brake switch; 17 hand brake alarm switch; 18 the Governor of a burning oil lamp; 19 fuel alarm; 20 fuel gauge sensor; 21 fuel gauge; 22 thermometer; 23 parking pressure gauge; 24 voltage meter; AC generator for a total of 25; 26 positioning of a throttle valve; 27 automatic choke heating drives; 28 oil pressure switch; 29 temperature switch; 30 warm-relay; 31 inlet preheater; 32 smoke detectors; 33 Shoufang Ji; 75 thermometer sensor; 76 oil pressure gauge Biography.   (View)

View full Circuit Diagram | Comments | Reading(669)

Santana 2000(gasoline injection motor)car electric rearview mirror circuit wiring circuit diagram

Published:2011/5/4 3:14:00 Author:Nicole | Keyword: Santana 2000, gasoline injection motor, car electric rearview mirror

Santana 2000(gasoline injection motor)car electric rearview mirror circuit wiring circuit diagram
154-left, right rearview mirror selection switch; 154a-leveling regulation(left, right)rocker switch; 154b-vertical control(up, down)rocker switch; 155-right rearview mirror up/down adjust motor; 156-right rearview mirror left/right adjust motor; 157-left rearview mirror left/right adjust motor; 158-left rearview mirror up/down adjust motor.   (View)

View full Circuit Diagram | Comments | Reading(1110)

Santana 2000(gasoline injection motor)car air conditioner circuit wiring circuit diagram

Published:2011/5/4 3:01:00 Author:Nicole | Keyword: Santana 2000, gasoline injection motor, car air conditioner

Santana 2000(gasoline injection motor)car air conditioner circuit wiring circuit diagram
119-ventilation system air renewal fan switch; 119a-ventilation system resistor; 120-blower; 137-cooling system thermal control switch; 138-cooling system resistor.   (View)

View full Circuit Diagram | Comments | Reading(1182)

Beijing Cherokee light off-road vehicles instrument panel wiring circuit diagram

Published:2011/5/4 2:53:00 Author:Rebekka | Keyword: Beijing Cherokee, light off-road vehicles

Beijing Cherokee light off-road vehicles instrument panel wiring circuit diagram
Beijing Cherokee light off-road vehicles instrument panel wiring circuit diagram.   (View)

View full Circuit Diagram | Comments | Reading(512)

Beijing Cherokee light off-road vehicles circuit compend circuit diagram

Published:2011/5/4 3:00:00 Author:Rebekka | Keyword: Beijing Cherokee , light off-road vehicles

Beijing Cherokee light off-road vehicles circuit compend circuit diagram
Beijing Cherokee light off-road vehicles circuit compend circuit diagram.   (View)

View full Circuit Diagram | Comments | Reading(445)

Shape and internal wiring circuit diagram of Beijing Cherokee starter relay

Published:2011/5/4 3:02:00 Author:Rebekka | Keyword: Beijing Cherokee , starter relay

Shape and internal wiring circuit diagram of Beijing Cherokee starter relay
Shape and internal wiring circuit diagram of Beijing Cherokee starter relay.   (View)

View full Circuit Diagram | Comments | Reading(1697)

Pages:99/164 At 2081828384858687888990919293949596979899100Under 20