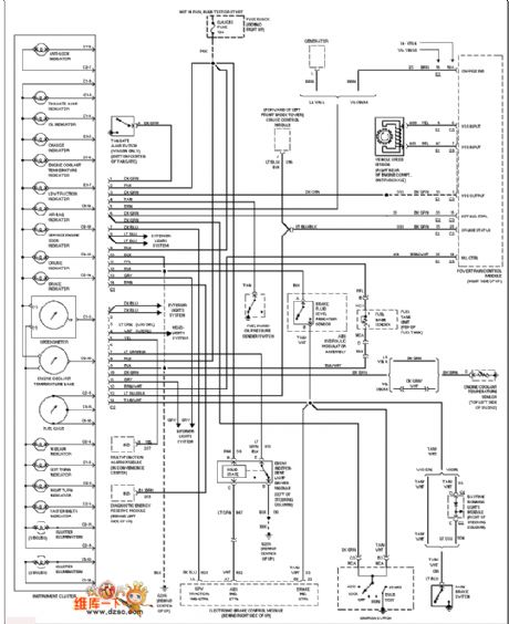
Published:2011/5/17 6:53:00 Author:Robert | Keyword: Buick, Air Conditioner
The Buick Air Conditioner Circuit is shown below.
(View)
View full Circuit Diagram | Comments | Reading(613)
Published:2011/5/17 6:48:00 Author:Robert | Keyword: Buick, Back Wiper, Washer
The Buick Back Wiper And Washer Circuit is shown below.
(View)
View full Circuit Diagram | Comments | Reading(453)
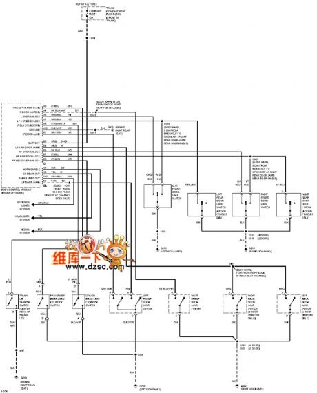
Published:2011/5/17 6:45:00 Author:Robert | Keyword: Buick, Dashboard
The Buick Dashboard Circuit is shown below.
(View)
View full Circuit Diagram | Comments | Reading(531)
Published:2011/5/17 6:43:00 Author:Robert | Keyword: Buick, Mist Eliminator
The Buick Mist Eliminator Circuit is shown below.
(View)
View full Circuit Diagram | Comments | Reading(537)
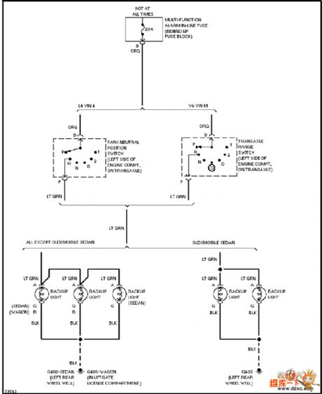
Published:2011/5/17 6:42:00 Author:Robert | Keyword: Buick, Reversing Light
The Buick Reversing Light Circuit is shown below.
(View)
View full Circuit Diagram | Comments | Reading(503)
Published:2011/5/8 12:24:00 Author:Rebekka | Keyword: Toyota Land Cruiser, light off-road vehicle
Toyota Land Cruiser 70 light off-road vehicle moon roof and sun roof circuit diagram.
189 right window switch ; 190 the right doors and windows motor; 191 moon-shaped roof control relay; 192 sun roof switch; 193 sun-shaped roof of a limit switch; 194 sun roof motor; 195 moon-shaped roof off; 196 moon-shaped roof limit switches; 197 moon-shaped roof motor; FI-F22 fuse; F16 connection 3OC hungry fuse.
(View)
View full Circuit Diagram | Comments | Reading(1041)
Published:2011/5/13 9:09:00 Author:Borg | Keyword: ECU, terminal circuit, Xiali
Thecontrolling computerterminal codes of 8A-FE are as shown in Figure 3
Figure 3 the ECU terminals of 8A-FE engine
(View)
View full Circuit Diagram | Comments | Reading(620)
Published:2011/5/16 7:34:00 Author:Borg | Keyword: oxygen sensor, detection circuit, Santana




To detect if the oxygen sensor is normal, apart from testing circuits and sensors with digital multimeter, V.AGl551 diagnosis instrument can do some further tests, too.To do the detection, the temperature of engine coolant should be above 80℃, after the detection, idling speed should be normal, ventilation without leakage, the power supply of heating components inside oxygen sensor normal, resistance all right.(1)connect the VAG1551 diagnosis instrument, choose the functions codes of 01, enter the address of engine electric spray controller. When the screen shows fast data transportation , choose the assistance function of XX'.
(View)
View full Circuit Diagram | Comments | Reading(431)
Published:2011/5/17 1:31:00 Author:Robert | Keyword: Yueda, KIA, Chassis
The Yueda KIA Chassis Circuit is shown below. (1)For automatic speed-variator circuit please see picture 25-2-1 and picture 25-2-2. (2)For ABS circuit please see picture 25-2-3.
(View)
View full Circuit Diagram | Comments | Reading(474)
Published:2011/5/16 21:05:00 Author:Borg | Keyword: fault code, detection circuit


The fault of 42 represent the circuit (EST) is abnormal when electric ignition of the system is igniting. When the engine starts, the igniting module will send spindle position and rotating speed signals (through No.430 circuit ) to ECM. As long as the rotating speed of the engine is less than 400/min, the igniting time is under control of igniting module; and when the rotating speed of the engine is more than 400r/mm, the computer ECM will give No. 424 circuit a 5V reference voltage and shift the igniting time control to EST terminal, then No. 423 circuit will control the igniting time.The voltage on EST is changing (see as Figure 22 and Figure 6)]
(View)
View full Circuit Diagram | Comments | Reading(2071)
Published:2011/5/16 22:14:00 Author:Borg | Keyword: fault code, detection circuit, Daewoo ESPERO


Fault code of 35 represents that the idling speed control system is malfunctioning(IAC). ECM pulse is called step frequency . The idling speed air control circuit is as shown in Figure 21.·adding idling speed--ECM sends enough step frequency to hold back IAC valve and allow more air to flow across idling speed tube but not across throttle valve, when the idling speed reaches proper rotating speed, then step frequency will be raised.·reducing idling speed--ECM sends enough step frequency to stick out IAC valve and allow less air to flow across the throttle valve--lateral idling speed tube, then step frequency needs to be reduced.
(View)
View full Circuit Diagram | Comments | Reading(868)
Published:2011/5/16 7:12:00 Author:Borg | Keyword: igniting distributor, Santana



Figure 1 The igniting distributor circuit of Santana 2000GLi1-high voltage wire; 2-anti-noise plug(0·9-lkΩ); 3-igniting coil; 4-igniting coil connector; 5-explosive sensor(C6l is on the cylinder of engine); 6-screw; 7-explosive sensor plug; 8-spark plug(4.5-5.5kΩ); 9-spark piston; 10-screw of electricity distributor board(25Nm); 11-electricity distributor board; 12-O-shape coil; 13-igniting electricity with Hall sensor(g40); 14-shield; 15-Hall sensor plug; 16-distributor rotor(model No.Rl,1.lkΩ); 17-electricity distributor; 18-shielding case
(View)
View full Circuit Diagram | Comments | Reading(592)
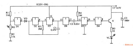
Published:2011/5/14 3:26:00 Author:Sue | Keyword: Eyesight, Protection, Reminder
When the indoor light is strong, the inside resistance value of light sensitive resistor is small. IC's 1 pin has a low level, and 2 pin has a high level. VD is connected and the controlled pulse oscillator doesn't work, so VL is not illuminated. When the indoor light is so weak as to reach a certain level, NOT gate circuit D1 will reverse and make VD disconnected. The controlled pulse amplifier begins to work and generates square form pulse signal. The signal will turn into narrow pulse signal after differentiating circuit and shaping circuit. Then after the signal is amplified by V, it will promote VL to work and twinkle with a certain frequency. (View)
View full Circuit Diagram | Comments | Reading(487)
Published:2011/5/13 1:12:00 Author:Nicole | Keyword: anti-theft system
View full Circuit Diagram | Comments | Reading(509)
Published:2011/5/13 0:58:00 Author:Nicole | Keyword: Cadillac deville, automatic air-conditioner
View full Circuit Diagram | Comments | Reading(656)
Published:2011/5/13 0:57:00 Author:Nicole | Keyword: Cadillac cetera, 4.6L engine performance
View full Circuit Diagram | Comments | Reading(523)
Published:2011/5/15 5:25:00 Author:John | Keyword: Chery QQ6
Chery QQ6 entire Automobile circuit is shown below.
(View)
View full Circuit Diagram | Comments | Reading(555)
Published:2011/5/15 4:44:00 Author:John | Keyword: Automatic Transmission
View full Circuit Diagram | Comments | Reading(1590)
Published:2011/5/15 3:14:00 Author:John | Keyword: Wireless snooping device
Wireless snooping device circuit is given in the following.
(View)
View full Circuit Diagram | Comments | Reading(557)
Published:2011/5/15 0:40:00 Author:Borg | Keyword: detection circuits, Santana


With V.A.G151 fault diagnosis equipment, we can not only find out the fault position,but also detect the working parameters of relevant parts, which can provide dependable back-up for exactly judging faults. Apart from the above detectors, there are also throttle sensors. Furthermore, the coolant temperature sensors, admission temperature and computer power voltage can be detected with V.A.G diagnosis meter. The measuring methods are almost the same, just remember the address code of 01, and input the relevant function codes, then detection is to start.
(View)
View full Circuit Diagram | Comments | Reading(465)
| Pages:86/164 At 2081828384858687888990919293949596979899100Under 20 |