Published:2011/5/11 1:50:00 Author:Nicole | Keyword: DONGFENG Citroen Elysee, wiper, cleaning equipment
View full Circuit Diagram | Comments | Reading(605)
Published:2011/5/11 3:03:00 Author:Nicole | Keyword: Guangzhou HONDA, Fit saloon, steering lamp, relative line, car
View full Circuit Diagram | Comments | Reading(516)
Published:2011/5/11 1:48:00 Author:Nicole | Keyword: DONGFENG Citroen Elysee, electrical reverse mirror
View full Circuit Diagram | Comments | Reading(725)
Published:2011/5/11 2:58:00 Author:Nicole | Keyword: DONGFENG Citroen Elysee, electric window, electric door
View full Circuit Diagram | Comments | Reading(742)
Published:2011/5/11 2:50:00 Author:Nicole | Keyword: DONGFENG Citroen Elysee, central latch
View full Circuit Diagram | Comments | Reading(563)
Published:2011/5/10 22:44:00 Author:TaoXi | Keyword: integrated block, internal box, typical application




2.Pin functions and data
The switching power supply with the operating frequency of 500khz is composed of the TDA4605 and the FET switch tube, so the switching power supply has the high efficiency.
The TDA4605 is in the 8-pin package, the pin functions and data is as shown in table 12.
Table 12 The pin functions and data of the TDA4605
(View)
View full Circuit Diagram | Comments | Reading(2057)
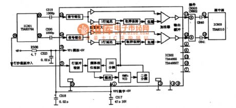
Published:2011/5/9 3:05:00 Author:TaoXi | Keyword: Integrated block, typical application




2. Pin functions and data
The TDA4661 and TDA4661V2 are in the 18-pin package that can be used in related models, the pin functions and dataare as shown in table 14.
Table 14 Test data of the TDA4661V2 in different related models
(View)
View full Circuit Diagram | Comments | Reading(593)
Published:2011/5/11 2:18:00 Author:Christina | Keyword: light comparison standard, light comparison
In order to adjust the brightness of two light sources for the same, you can use this circuit as the light comparison standard. PC1 and PC2 are the solar cells. At the beginning, if you want to make the electric bridge in balance, the two solar cellsare irradiated by the same light source, and it uses the R to adjust the zero-point to make the reading points to the center of the zero meter.
(View)
View full Circuit Diagram | Comments | Reading(530)
Published:2011/5/9 3:06:00 Author:TaoXi | Keyword: integrated block, internal box


2.Pin functions and data
The TDA4472 is in the 28-pin dual in-line package, the pin functions and data is as shown in table 10.
Table 10 The pin functions and data of the TDA4472 circuit
TDA4601--Thick-film switch power supply integrated circuit
The TDA4601 is designed as the thick-film switch power supply integrated circuit that is produced by the PHILIPS company, and it can be used in various types of large screen color TV and computer monitor switch power supply circuit.
TDA4660, TDA4660V2--The baseband delay IC
The TDA4660 and TDA4660V2 are designed as the baseband delay IC which is produced by the PHILIPS company, and it can be used in variety of multi-system color TVs.
1.Features
The TDA4660 and TDA4660V2 can process the positive and negative color difference input signals, and clamp the fused AC input signal ±(R-Y) and ±(B-Y); and lock the 3MHz internal clock signal by the sand castle pulse (64us cycle), the 3MHz internal clock signal is from the internal 6MHz Vcc divided-frequency. The integrated block internal box circuit is as shown in figure 10.
(View)
View full Circuit Diagram | Comments | Reading(1259)
Published:2011/5/10 2:27:00 Author:TaoXi | Keyword: Circuit Diagram, main electrical parameters


3.TDA2822 main electrical parameters
The main electrical parameters of the TDA2822 and TDA2822M has some points of differences. The main electrical parameters of the TDA2822 and TDA2822M are as shown in table 7.
Table 7 The main electrical parameters of the TDA2822 and TDA2822M
4. Signal process
The signal gets into the IC by TDA2822M's pin-6 and pin-7, and the signal is amplified by the power amplifier then output by pin1 and pin3 to promote the speaker or headphone.
In this circuit, the Joubert network of the left and right channel power amplifier is composed of the C5, R3 and R4, C6.
5.Troubleshooting tips
If the left and right channels are silent, and the power supply between the TDA2822M's pin2 and the ground is normal, then it is mostly the TDA2822M's own fault.
(View)
View full Circuit Diagram | Comments | Reading(3021)
Published:2011/5/10 21:54:00 Author:Robert | Keyword: Shanghai GM, Chevrolet, Sail, External Lighting System
The Shanghai GM Chevrolet Sail CarExternal Lighting System Circuit (3)--parking light, tail light and front headlight short-distance beam/ far beam is shown below.
(View)
View full Circuit Diagram | Comments | Reading(850)
Published:2011/5/11 1:49:00 Author:Borg | Keyword: Petrol Jet System, Santana


The coil and circuit of thepetrol supply relay 9(as shown in Figure 1 and 2) is under the control of the points ( 15 and 50) of the igniting switch (12) and the steering signals(the intersection of igniting coil 28 and igniting module 31).
When the igniting switch is at the first gear(working normally) and the second(starting), the point of the petrol supply relay is picking up, then the petrol ancillary pump(10) and petrol pump will come into work.
24-petrol jet control unit; 25-air flowmeter and admission temperature sensor; 26-additional air regulator; 27-throttle position sensor; 28-ignition coil; 29-electricity distractor; 30-spark plug; 31-electronic ignition control unit; 32-the signal of the ignition distractor; 32a-explosion sensor; 33-EZK ignition control unit; 34-choke valve/ignition indicator; 35-temperature sensor; 36-choke valve indicating switch (View)
View full Circuit Diagram | Comments | Reading(497)
Published:2011/5/10 21:57:00 Author:Robert | Keyword: Shanghai GM, Chevrolet, Sail, Safety Airbag
The Shanghai GM Chevrolet Sail Car Safety Airbag Circuit is shown below.
F5 fuse-10A 590
K31 Control unit-airbag 571-593
U20 contactor unit 561-577
U21 airbag unit-pilot 573-575
U22 airbag unit-copilot 587-589
(View)
View full Circuit Diagram | Comments | Reading(974)
Published:2011/5/9 3:15:00 Author:TaoXi | Keyword: Pin functions, data


TDA9115--Multi-frequency multi-function processing integrated circuit
The TDA9115 multi-frequency multi-function processing integrated circuit is produced by the PHILIPS company that can be used in the new accounting computer monitor such as the Qinghua Tongfang 5E type color monitor.
1. The in-circuit block diagram
The TDA9115 has the line & field sync signal processing circuit, the line & field scanning small-signal processing circuit, the XRAY protection circuit, the I(2)C bus interface circuit, the VCO PLL circuit, the beam current control circuit, the line & field reference voltage circuit.etc. The integrated circuit is as shown in figure 37.
2.Pin functions and data
The TDA9115 is in the 32-pin double-row package, the pin functions and data is as shown in table 63.
Table 63 Pin functions and data of the integrated circuit
(View)
View full Circuit Diagram | Comments | Reading(538)
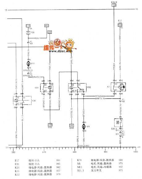
Published:2011/5/10 21:55:00 Author:Borg | Keyword: Light Vehicle, NAVECO


2.instructions of the wiring and principle circuit of Nanjing NAVECO lightweight car(shown in Figure 2 to Figure 9)
(1)in the above figure, the box of thick lines means the positions of the internal wires of the central box,relays,fuses and connectors.
(2)the points of intersected by the thick line under the central box and wires out of it were represented by letters and numbers, which means the positions of connectors and their wires.
(3)the serial numbers noted with 5 digits, which are put above or under the component drawing. The meanings of these 5 digits can be summerized into certain areas,such as speedmeter sensors:
the meanings of component classification designations:
0-engine,starter; 1-motor,heater; 2-relays,batteries; 3-lights; 4-instrument,sensors, tachometer 5-switches,indicators; 6- body system,wiper/washer and so on; 7-central control box, wiring componet; 8-cigrette lighter, friction plate sensor (View)
View full Circuit Diagram | Comments | Reading(454)
Published:2011/5/10 9:48:00 Author:Robert | Keyword: Shanghai GM, Chevrolet, Sail, Air Conditioner System
The Shanghai GM Chevrolet Sail Car Air Conditioner System Circuit (3) is shown below.
(View)
View full Circuit Diagram | Comments | Reading(713)
Published:2011/5/10 9:49:00 Author:Robert | Keyword: Shanghai GM, Chevrolet, Sail, Radio/Audio System
The Shanghai GM Chevrolet Sail Car Radio/Audio System Circuit is shown below.
(View)
View full Circuit Diagram | Comments | Reading(704)
Published:2011/5/10 9:46:00 Author:Robert | Keyword: Shanghai GM, Chevrolet, Sail, External Lighting System
The Shanghai GM Chevrolet Sail Car External Lighting System Circuit (1) -- Turn light, turn signal anddanger warning light is shown below.
(View)
View full Circuit Diagram | Comments | Reading(487)
Published:2011/5/10 9:53:00 Author:Robert | Keyword: Shanghai GM, Chevrolet, Sail, External Lighting System
The Shanghai GM Chevrolet Sail Car External Lighting System Circuit (2)--reversing light is shown below.
(View)
View full Circuit Diagram | Comments | Reading(485)
Published:2011/5/10 9:37:00 Author:Robert | Keyword: Shanghai GM, Chevrolet, Sail, Internal Lighting System
The Shanghai GM Chevrolet Sail Car Internal Lighting System Circuit (1)--glove box light is shown below.
(View)
View full Circuit Diagram | Comments | Reading(458)
| Pages:91/164 At 2081828384858687888990919293949596979899100Under 20 |