Published:2009/6/26 3:41:00 Author:May
View full Circuit Diagram | Comments | Reading(0)
Published:2009/6/26 3:40:00 Author:May
View full Circuit Diagram | Comments | Reading(689)
Published:2009/6/26 3:35:00 Author:May


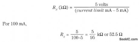
This voltage-regulator/current-limiter combination can be made from two 7805 regulators as shown. R1, R2, and R3 should be selected for a 5-V drop at the maximum allowable current limit. S1 selects one of the three current values. Do not forget that U1 requires 5 mA to operate and this means that the minimum current limit setting should be 10 mA or more (R1 = 1.25 kΩ). Resistor values are as follows: (View)
View full Circuit Diagram | Comments | Reading(809)
Published:2009/6/26 3:14:00 Author:May
View full Circuit Diagram | Comments | Reading(913)
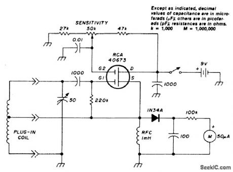
Published:2009/6/26 3:04:00 Author:May
Circuit NotesGate 2 is used to adjust the oscillation level. (View)
View full Circuit Diagram | Comments | Reading(786)
Published:2009/6/26 2:31:00 Author:May



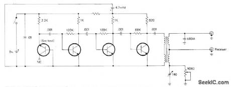
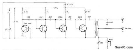
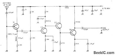
Used with communication receiver to measure impedance at antenna terminals or at end of transmission line, as required for adjusting antenna matching and loading devices for desired impedance at specific frequency. Consists of diode.connected transistor broadband,noise generator, 3-stage noise amplifier, and toroid transformer bridge.
All transistors are 2N5129 or equivalent 2N5137 or 2N5220. Try different transistors until highest noise output is obtained. Toroid core for trans.former is 3/8-inch Indiana General CF102. Quadrifilar winding has 4 1/2 turns of four No.28 enamel wires twisted together, wound on core and connected as on diagram. Noise bridge can also serve as wideband noise source for signal injection during troubleshooting in AF or RF circults, and as noise source for aligning RF cir-cuits,-J.J. Schultz, An Improved Antenna Noise Bridge, CQ, Sept, 1976, p 27-29 and 75. (View)
View full Circuit Diagram | Comments | Reading(0)
Published:2009/6/26 2:31:00 Author:May
Cornbination of short whip antenna and broadband amplifier gives antenna covering entire range of 3 to 30 MHz without frequency selectivity. at is 2N3819 FET source follower driving three-transistor amplifier using 2N918, 2N6008, or other 200-MHz 20V NPN transistors to provide 30-dB gain. Circuit rolloff starts at 3 and 35 MHz. High gain of am plifier makes combination simulate quarter-wave whip over entire frequency range.-R. C.Wilson, The Incredible 18 All-Band Antenna, 73 Magazine, March 1975, p 49-50. (View)
View full Circuit Diagram | Comments | Reading(3103)
Published:2009/6/26 2:27:00 Author:May
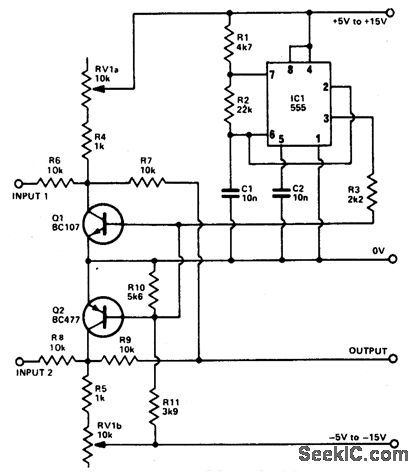
The basis of the beam splitter is a 555 timer connected as an astable multivibrator.Signals at the two inputs are alternately displayed on the oscilloscope with a clear separation between them. The output is controlled by the tandem potentiometer RV1a/b which also varies the amplitude of the traces. (View)
View full Circuit Diagram | Comments | Reading(837)
Published:2009/6/26 2:23:00 Author:May
The circuit is that of a quadrature sine and cosine oscillator. To generate circular displays, connect the two outputs to the X and Y inputs. (View)
View full Circuit Diagram | Comments | Reading(865)
Published:2009/6/26 2:23:00 Author:May
Simple AC measurement technique gives 25% accuracy, adequate for siting amateur radio antennas and designing radial ground systems. Measured values will range from 1 to 5 millimhos per meter for poor soil, 10-15 for average soil or flesh water,100 for very good soil, and 5000 for salt water.-J.Sevick, Short Grbund-Radial Systems for Short Verticals, QST,April 1978, p 30-33. (View)
View full Circuit Diagram | Comments | Reading(606)
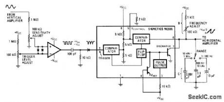
Published:2009/6/26 2:20:00 Author:May
The circuit's input op amp triggers the timer, setting its flip-flop and cutting off its discharge transistor so that capacitor C can charge. When the capacitor voltage reaches the timer's control voltage (0.33Vcc), the flip-flop resets and the transistor conducts, discharging the capacitor. (View)
View full Circuit Diagram | Comments | Reading(753)
Published:2009/6/26 2:08:00 Author:May
View full Circuit Diagram | Comments | Reading(701)
Published:2009/6/26 2:08:00 Author:May
View full Circuit Diagram | Comments | Reading(0)
Published:2009/6/26 2:07:00 Author:May
View full Circuit Diagram | Comments | Reading(0)
Published:2009/6/26 2:07:00 Author:May
View full Circuit Diagram | Comments | Reading(885)
Published:2009/6/26 2:04:00 Author:May
View full Circuit Diagram | Comments | Reading(616)
Published:2009/6/26 2:02:00 Author:May
View full Circuit Diagram | Comments | Reading(625)
Published:2009/6/26 2:02:00 Author:May
This dual astable multivibrator provides versatility not available with single timer circuits. The duty cycle can be adjusted from 5% to 95%. The two outputs provide two phase clock signals often required in digital systems.It can also be inhibited by use of either reset terminal. (View)
View full Circuit Diagram | Comments | Reading(699)
Published:2009/6/26 1:54:00 Author:May
If the output is low, application of a negative-going pulse to the trigger input sets the flip-flop (Q goes low), drives the output high, and turns off 1. Capacitor C is then charged through Ra until the voltage across the capacitor reaches the threshold voltage of the threshold input. If the trigger input has returned to a high level, the output of the threshold comparator will reset the flip-flop (Q goes high), drive the output low, and discharge C through Q1. Monostable operations is initiated when the trigger input voltage falls below the trigger threshold. Once initiated, the sequence will complete only if the trigger input is high at the end of the timing interval. (View)
View full Circuit Diagram | Comments | Reading(815)
Published:2009/6/26 1:42:00 Author:May
View full Circuit Diagram | Comments | Reading(609)
| Pages:328/471 At 20321322323324325326327328329330331332333334335336337338339340Under 20 |