Position: Home > Circuit Diagram > Basic Circuit > Index 326
Low Cost Custom Prototype PCB Manufacturer

Basic Circuit

Index 326



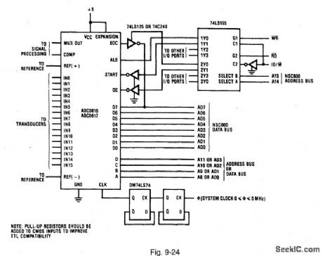
Partially_decoded_NSC800_interface

Published:2009/7/25 5:12:00 Author:Jessie

Partially_decoded_NSC800_interface
Figure 9-24 shows the ADC0816/17 connected to form a partially coded NSC800 interface. This interface is quite similar to that for the 8080-even though the timing is very different. The NSC800 multiplexes the lower 8 address bits on the data bus at the beginning of each cycle. When accessing memory, A0 through A7 must be latched out at the beginning of a read or write cyde. For I/O accessing, the NSC800 duplicates the 8-bit I/O addresses on A8 through A15 address lines. Latches are not necessary because these lines are not multiplexed. The I/O read and write strobes are taken from RD (read) and WR (write) lines and the IO/M signal. A dual 2-4 line decoder decodes A15. A14 is enabled by the read-write strobes. Tristate inverters are used to implement a decoding stmitar to that of Fig. 9-21. Double pulsing is not required because START and ALE are accessed separately. NATIONAL SEMICONDUCTOR, APPLICATION NOTE 258, 1994, P. 608.   (View)

View full Circuit Diagram | Comments | Reading(860)

74 Series digital circuit of 74148,74LS148 8-3 line priority encoder

Published:2011/7/25 3:54:00 Author:Lucas | Keyword: 74 Series , digital circuit , 8-3 , line priority encoder

74 Series digital circuit of 74148,74LS148 8-3 line priority encoder
74 Series digital circuit of 74148,74LS148 8-3 line priority encoder

  (View)

View full Circuit Diagram | Comments | Reading(10020)

50_V/60_A_25_kHz_SWITCHING_REGULATOR_WITH_SEPARATE_ULTRA_STABLE_REFERENCE

Published:2009/6/28 21:31:00 Author:May

50_V/60_A_25_kHz_SWITCHING_REGULATOR_WITH_SEPARATE_ULTRA_STABLE_REFERENCE
  (View)

View full Circuit Diagram | Comments | Reading(786)

74 Series digital circuit of 74147,74LS147 decimal 4 line BCD priority encoder

Published:2011/7/25 3:57:00 Author:Lucas | Keyword: 74 Series , digital circuit , decimal 4 line , BCD priority encoder

74 Series digital circuit of 74147,74LS147 decimal 4 line BCD priority encoder
  (View)

View full Circuit Diagram | Comments | Reading(4695)

74 Series digital circuit of 74145,74LS145 BCD decimal decoder / driver (OC)

Published:2011/7/25 4:01:00 Author:Lucas | Keyword: 74 Series , digital circuit , BCD decimal decoder , BCD decimal driver , OC

74 Series digital circuit of 74145,74LS145 BCD decimal decoder / driver (OC)
It is used to drive lamp, relay or MOS circuit; it can absorb 80mA current; the typical power consumption of LS145 is 35mW; withstand voltage is 15V.   (View)

View full Circuit Diagram | Comments | Reading(2511)

Color ring display circuit diagram of foreign capacitor

Published:2011/7/31 22:10:00 Author:Ecco | Keyword: Color ring display, foreign capacitor

Color ring display circuit diagram of foreign capacitor
  (View)

View full Circuit Diagram | Comments | Reading(517)

HEADLIGHT_REMINDER

Published:2009/6/28 21:21:00 Author:May

HEADLIGHT_REMINDER
Uses basic oscillator consisting ofQ2 and Q3 arranged as collectorcoupled astable MVBR. Power is taken from collector of Q1 which acts as switch for Q2 and Q3. With S1 closed and S2 open, oscillator operates. Closing S2 saturatesQ1 and stops oscillator. When used as headlight reminder for negativeground car, B1 is omitted and power for oscillator is taken from dashboard panel lights since they come on simultaneously with either parking lights or headlights. If ignition key is turned on, al saturates and disables Q2-Q3. With ig-nition off but lights on, Q1 is cut off and oscillator receives power. Audio output may be connected directly to high side of voice coil of car radio loudspeaker without affecting operation of radio. Almost any NPN transistors can be used. Changing values of R4 and R5 changesfre-quency of reminder tone.-H. F. Batie, Versatile Audio Oscillator, Ham Radio, Jan. 1976, p 72-74.   (View)

View full Circuit Diagram | Comments | Reading(836)

BAR_DISPLAY_WITH_ALARM_FLASHER

Published:2009/6/28 21:21:00 Author:May

BAR_DISPLAY_WITH_ALARM_FLASHER
  (View)

View full Circuit Diagram | Comments | Reading(950)

SINGLE_ENDED_REGULATOR

Published:2009/6/28 21:20:00 Author:May

SINGLE_ENDED_REGULATOR
In this conventional single-ended regulator circuit,the two outputs of the SG1524 are connected in parallel for effective 0-90%duty-cycle modulation. The use of an output inductor requlres an RC phase compensation network for loop stability.   (View)

View full Circuit Diagram | Comments | Reading(859)

SWITCHING_STEP_DOWN_REGULATOR

Published:2009/6/28 21:18:00 Author:May

SWITCHING_STEP_DOWN_REGULATOR
  (View)

View full Circuit Diagram | Comments | Reading(722)

SPEED_TRAP

Published:2009/6/28 21:17:00 Author:May

SPEED_TRAP
Time required for auto to activate sensors placed measured distance apart on driveway or road is used to energize relay or alarm circuit when auto exceeds predetermined speed. If speed limit chosen is 15 mph, set detectors 22 feet apart for travel time of 1 s. Sensors can be photocells or air-actuated solenoids. For most applications, R1 can be 1-megohm pot. Transistor type is not critical. Values of R2 and C2 determine how long alarm sounds.-J. Sandier, 9 Projects under $9, Modem Electronics, Sept. 1978, p 35-39.   (View)

View full Circuit Diagram | Comments | Reading(1659)

DIP_METER_USING_SILICON_JUNCTION_FET

Published:2009/6/28 21:13:00 Author:May

DIP_METER_USING_SILICON_JUNCTION_FET
  (View)

View full Circuit Diagram | Comments | Reading(988)

SOLID_STATE_AUTO_REGULATOR

Published:2009/6/28 21:06:00 Author:May

SOLID_STATE_AUTO_REGULATOR
Replaces and outperforms electromechanical charging-voltage regulator in autos using altemator systems. Prolongs battery life by preventing un dercharging or overcharging of 12-V lead-acid battery. Uses LM723 connected as sia;itching regulatorfor controlling altematorfield cument. R2 is adjusted to maintain 13.8.V fully charged voltage for standard auto battery. Article gives construction details and tells how to use external relay to maintain altemator charge-indica-torfunction in cars having idiot light ratherthan charge-discharge ammeter. Q1 is 2N2063A (SK3009) 10-A PNP transistor.-W. J. Prudhomme, Build Your Own Car Regulator, 73 Magazine, March 1977, p 160-162.   (View)

View full Circuit Diagram | Comments | Reading(0)

REMOTE_FLASH_TRIGGER

Published:2009/6/28 21:01:00 Author:May

REMOTE_FLASH_TRIGGER
Transistor Q1 is a light-activated silicon-controlled rectifier (LASCR). The gate is tripped by light entering a small lens built into the top cap. To operate, provide a 6-in. length of stiff wire for the anode and cathode connections and terminate the wires in a polarized power plug that matches the sync terminals on your electronic flashgun (strobelight). Make certain the anode lead connects to the positive sync terminal. When using the device, bend the connecting wires so the LASCR lens faces the main flash. This will fire the remote unit.   (View)

View full Circuit Diagram | Comments | Reading(0)

SOUND_ACTIVATED_STROBE_TRIP

Published:2009/6/28 20:57:00 Author:May

SOUND_ACTIVATED_STROBE_TRIP
Take strobe-flash pictures the instant a pin pricks a balloon, a hammer breaks a lamp bulb or a bullet leaves a gun. Use a transistor amplifier of 1-watt rating or less. (It must have an output transformer.) The amplifier is terminated with a resistor on its highest output impedance, preferably 16 ohms. To test, darken room lights, open camera shutter, and break a lamp bulb with a hammer. The sound of the hammer striking the lamp will trigger the flash, and the picture will have been taken at that instant.   (View)

View full Circuit Diagram | Comments | Reading(0)

SOUND_LIGHT_FLASH_TRIGGER

Published:2009/6/28 20:55:00 Author:May

SOUND_LIGHT_FLASH_TRIGGER
Sound input to the microphone triggers tthe IC monostable circuit which subsequently triggers an SCR, and hence the flash, after a time delay. This delay is adjustable—by varying the monostable on-time—from from 5 milliseconds to 200 milliseconds.   (View)

View full Circuit Diagram | Comments | Reading(0)

PHOTO_STOP_ACTION

Published:2009/6/28 20:52:00 Author:May

PHOTO_STOP_ACTION
This circuit gives multiple stop-action photographic effects like showing a bouncing ball in up to nine locations in a single photograph. The circuit will automatically fire the bulbs sequentially with the time between each firing variable. The circuit is functionally complete except for the actual firing system. In many cases, a simple SCR will work, as shown. The firing can be initiated in one of two ways. A trigger pulse can be applied to the trigger input terminal through a capacitor, or can operate the unit as a slave. Light from a camera-mounted flash will activate the circuit through its built-in photocell pickup. The time period between each successive flash is determined by C1 and R1, which is variable. Afterfiring the circuit, it must be reset by momentarily depressing the reset button.   (View)

View full Circuit Diagram | Comments | Reading(978)

0°TO_360°PHASE_SHIFTER

Published:2009/6/28 20:45:00 Author:May

0°TO_360°PHASE_SHIFTER
Each stage provides 0°to 180°phase shift. By ganging the two stages,0°to 360°phase shift is achieved.The 2N3070 JFETs do not load the phase shift networks.   (View)

View full Circuit Diagram | Comments | Reading(863)

PHASE_SHIFT_CIRCUITS

Published:2009/6/28 20:43:00 Author:May

PHASE_SHIFT_CIRCUITS
  (View)

View full Circuit Diagram | Comments | Reading(800)

PRECISION_PHASE_SPLITTER

Published:2009/6/28 20:42:00 Author:May

PRECISION_PHASE_SPLITTER
  (View)

View full Circuit Diagram | Comments | Reading(1)

Pages:326/471 At 20321322323324325326327328329330331332333334335336337338339340Under 20