Low Cost Custom Prototype PCB Manufacturer

Protection Circuit

Index 12



IGBT short-circuit protection circuit principle diagram

Published:2011/4/7 5:26:00 Author:may | Keyword: IGBT, short-circuit protection

IGBT short-circuit protection circuit principle diagram
  (View)

View full Circuit Diagram | Comments | Reading(1640)

IGBT drive protection circuit

Published:2011/4/7 5:24:00 Author:may | Keyword: IGBT, drive protection

IGBT drive protection circuit
  (View)

View full Circuit Diagram | Comments | Reading(1040)

Bridge type picked up horn protection circuit (1)

Published:2011/3/23 3:57:00 Author:Jessie | Keyword: horn protection

Bridge type picked up horn protection circuit (1)
  (View)

View full Circuit Diagram | Comments | Reading(684)

Bridge type picked up horn protection circuit (3)

Published:2011/3/23 3:58:00 Author:Jessie | Keyword: horn protection

Bridge type picked up horn protection circuit (3)
  (View)

View full Circuit Diagram | Comments | Reading(581)

Over-voltage protection circuit

Published:2011/3/23 3:53:00 Author:Jessie | Keyword: Over-voltage, protection

Over-voltage protection circuit
  (View)

View full Circuit Diagram | Comments | Reading(752)

AC over voltage, over current protection circuit

Published:2011/3/24 1:16:00 Author:Jessie | Keyword: AC, over voltage, over current, protection

AC over voltage, over current protection circuit
  (View)

View full Circuit Diagram | Comments | Reading(1648)

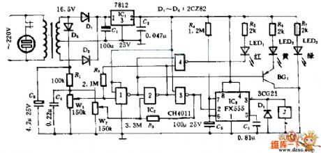
Automatic instructions protection circuit diagram

Published:2011/3/29 20:05:00 Author:Ecco | Keyword: Automatic instructions protection

Automatic instructions protection circuit diagram
When the electric supply in the circuitry is higher than the limit set by W1, LED 2 will be lit, door 2 will be closed, output 1, J pulled in, closed contact is disconnected. That could realize the purpose of temporary protection to interruption. When the electric supply is lower than the limit, door 4 opened, LED 1 lit, the output of door 3 is 0 , J pulled in. That also could realize the purpose of temporary protection to interruption.   (View)

View full Circuit Diagram | Comments | Reading(675)

Pages:12/12 123456789101112